TOP
|
特許
|
意匠
|
商標
特許ウォッチ
Twitter
他の特許を見る
10個以上の画像は省略されています。
公開番号
2025144464
公報種別
公開特許公報(A)
公開日
2025-10-02
出願番号
2024044262
出願日
2024-03-19
発明の名称
画像形成装置
出願人
キヤノン株式会社
代理人
個人
,
個人
主分類
G03G
15/16 20060101AFI20250925BHJP(写真;映画;光波以外の波を使用する類似技術;電子写真;ホログラフイ)
要約
【課題】二次転写部と記録材帯電部との間で電流が流れることを抑制して、記録材帯電部において記録材を効果的に帯電させることを可能とする。
【解決手段】画像形成装置100は、像担持体1と、中間転写ベルト70と、内ローラ71を含む複数の張架ローラと、二次転写部材81と、トナーの正規の帯電極性と同極性の二次転写バイアスを内ローラ71に印加する第1の印加部E4と、二次転写部N2へと搬送される記録材Sのトナー像が転写される面であるトナー像転写面とは反対の面側に配置され、記録材Sを帯電させる記録材帯電部N3を形成する記録材帯電部材84と、記録材帯電部材84に対向して配置され、記録材帯電部材84と共に記録材帯電部N3を形成する対向部材91と、二次転写バイアスと同極性の記録材帯電バイアスを記録材帯電部材84に印加する第2の印加部E5と、を有する構成とされる。
【選択図】図4
特許請求の範囲
【請求項1】
トナー像を担持する像担持体と、
前記像担持体からトナー像が転写される中間転写ベルトと、
前記中間転写ベルトを張架する複数の張架ローラであって、前記中間転写ベルトから記録材にトナー像を転写する二次転写部を形成する内ローラを含む複数の張架ローラと、
前記中間転写ベルトの外周面側に配置され、前記内ローラと共に前記二次転写部を形成する二次転写部材と、
前記中間転写ベルトから記録材にトナー像を転写させるための、トナーの正規の帯電極性と同極性の二次転写バイアスを前記内ローラに印加する第1の印加部と、
記録材の搬送方向における前記二次転写部よりも上流において、前記二次転写部へと搬送される記録材のトナー像が転写される面であるトナー像転写面とは反対の面側に配置され、記録材を帯電させる記録材帯電部を形成する記録材帯電部材と、
前記記録材帯電部材に対向して配置され、前記記録材帯電部材と共に前記記録材帯電部を形成する対向部材と、
記録材の前記トナー像転写面をトナーの正規の帯電極性とは逆極性に帯電させるための、前記二次転写バイアスと同極性の記録材帯電バイアスを前記記録材帯電部材に印加する第2の印加部と、
を有することを特徴とする画像形成装置。
続きを表示(約 770 文字)
【請求項2】
前記二次転写部材である二次転写ローラと、前記記録材帯電部材である記録材帯電ローラと、を含む複数のローラによって張架された二次転写ベルトを有し、
前記二次転写ローラは、前記二次転写ベルト及び前記中間転写ベルトを介して前記内ローラに当接して前記二次転写部を形成し、
前記記録材帯電ローラは、前記二次転写ベルトを介して前記対向部材に当接して前記記録材帯電部を形成することを特徴とする請求項1に記載の画像形成装置。
【請求項3】
前記対向部材は、前記二次転写ベルトを介して前記記録材帯電ローラに当接する対向ローラであることを特徴とする請求項2に記載の画像形成装置。
【請求項4】
前記記録材帯電部材は記録材帯電ローラであり、前記対向部材は前記記録材帯電ローラに当接する対向ローラであることを特徴とする請求項1に記載の画像形成装置。
【請求項5】
前記二次転写部材は、前記中間転写ベルトを介して前記内ローラに当接して前記二次転写部を形成することを特徴とする請求項4に記載の画像形成装置。
【請求項6】
前記二次転写部材である二次転写ローラを含む複数のローラに張架された二次転写ベルトを有し、
前記二次転写ローラは、前記二次転写ベルト及び前記中間転写ベルトを介して前記内ローラに当接して前記二次転写部を形成することを特徴とする請求項4に記載の画像形成装置。
【請求項7】
前記記録材帯電バイアスは、定電流制御されることを特徴とする請求項1乃至6のいずれか1項に記載の画像形成装置。
【請求項8】
前記二次転写バイアスは、定電圧制御されることを特徴とする請求項1乃至6のいずれか1項に記載の画像形成装置。
発明の詳細な説明
【技術分野】
【0001】
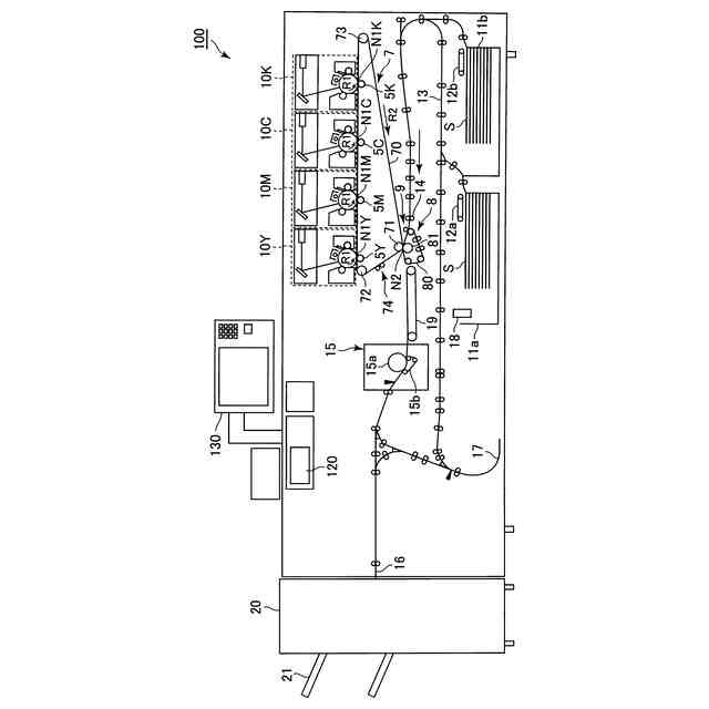
本発明は、電子写真方式や静電記録方式を用いた、複写機、プリンタ、ファクシミリ装置、又はこれらの機能のうち複数の機能を備えた複合機などの画像形成装置に関するものである。
続きを表示(約 1,900 文字)
【背景技術】
【0002】
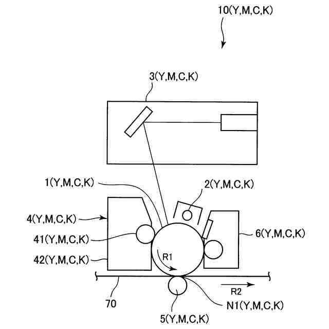
従来、例えば電子写真方式を用いた複写機などの画像形成装置として、中間転写方式の画像形成装置がある。中間転写方式の画像形成装置では、像担持体上に形成されたトナー像が一次転写部で中間転写体上に一次転写され、中間転写体上のトナー像が二次転写部で紙などの記録材上に二次転写される。中間転写体としては、複数の張架ローラに張架された無端状のベルトで構成された中間転写ベルトが多く用いられる。
【0003】
このような画像形成装置では、記録材の仕様などによっては、転写電流不足による転写抜けなどの画像劣化が起こる可能性がある。例えば、低湿環境において電気抵抗の高い記録材にトナー像を転写する場合などに、必要な転写電流を流すための二次転写バイアスの電圧の絶対値が高圧容量を超えて、転写電流不足による転写抜けが発生する可能性がある。
【0004】
特許文献1では、記録材が二次転写部に到達する前に記録材のトナー像が転写される面を予めトナーの正規の帯電極性とは逆極性に帯電させることが提案されている。
【先行技術文献】
【特許文献】
【0005】
特許第3517621号公報
【発明の概要】
【発明が解決しようとする課題】
【0006】
昨今、例えば中間転写方式のプロダクション機においては、画像形成に使用される記録材の種類が増える傾向にある。例えば、合成紙(プラスチックを主成分とする記録材)や超厚紙(坪量250gsmを超えるような厚紙)などの電気抵抗の高い記録材にトナー像を適正に二次転写するためには、電圧の絶対値が非常に大きな二次転写バイアスの印加が必要になる。生産性(画像形成速度)を落とさずにこのような記録材に適正にトナー像を二次転写するためには、記録材のトナー像が転写される面を予めトナーの正規の帯電極性とは逆極性に帯電させて転写電流不足を補うことが有効である。
【0007】
ここで、記録材のトナー像が転写される面を予め帯電させるプレ帯電部(記録材帯電部)は、できるだけ二次転写部に近いことが望ましい。プレ帯電部が二次転写部から離れるほど、記録材のトナー像が転写される面の帯電量が減衰し、転写電流不足を補う効果が少なくなる。しかし、プレ帯電部を二次転写部に近づけると、記録材を通して二次転写部とプレ帯電部との間で電流が流れ(転写電流とプレ帯電電流とが干渉し)、必要な転写電流が得られずに転写不良が発生するなどの不具合が生じる可能性がある。
【0008】
そこで、本発明の目的は、二次転写部と記録材帯電部との間で電流が流れることを抑制して、記録材帯電部において記録材を効果的に帯電させることを可能とすることである。
【課題を解決するための手段】
【0009】
上記目的は本発明に係る画像形成装置にて達成される。要約すれば、本発明は、トナー像を担持する像担持体と、前記像担持体からトナー像が転写される中間転写ベルトと、前記中間転写ベルトを張架する複数の張架ローラであって、前記中間転写ベルトから記録材にトナー像を転写する二次転写部を形成する内ローラを含む複数の張架ローラと、前記中間転写ベルトの外周面側に配置され、前記内ローラと共に前記二次転写部を形成する二次転写部材と、前記中間転写ベルトから記録材にトナー像を転写させるための、トナーの正規の帯電極性と同極性の二次転写バイアスを前記内ローラに印加する第1の印加部と、記録材の搬送方向における前記二次転写部よりも上流において、前記二次転写部へと搬送される記録材のトナー像が転写される面であるトナー像転写面とは反対の面側に配置され、記録材を帯電させる記録材帯電部を形成する記録材帯電部材と、前記記録材帯電部材に対向して配置され、前記記録材帯電部材と共に前記記録材帯電部を形成する対向部材と、記録材の前記トナー像転写面をトナーの正規の帯電極性とは逆極性に帯電させるための、前記二次転写バイアスと同極性の記録材帯電バイアスを前記記録材帯電部材に印加する第2の印加部と、を有することを特徴とする画像形成装置である。
【発明の効果】
【0010】
本発明によると、二次転写部と記録材帯電部との間で電流が流れることを抑制して、記録材帯電部において記録材を効果的に帯電させることが可能となる。
【図面の簡単な説明】
(【0011】以降は省略されています)
この特許をJ-PlatPat(特許庁公式サイト)で参照する
関連特許
キヤノン株式会社
容器
11日前
キヤノン株式会社
容器
5日前
キヤノン株式会社
トナー
14日前
キヤノン株式会社
撮像装置
11日前
キヤノン株式会社
撮像装置
5日前
キヤノン株式会社
表示装置
5日前
キヤノン株式会社
現像装置
18日前
キヤノン株式会社
記録装置
11日前
キヤノン株式会社
撮像装置
11日前
キヤノン株式会社
撮像装置
11日前
キヤノン株式会社
液体収容体
今日
キヤノン株式会社
画像形成装置
14日前
キヤノン株式会社
印刷システム
13日前
キヤノン株式会社
電子写真装置
12日前
キヤノン株式会社
画像形成装置
5日前
キヤノン株式会社
画像形成装置
8日前
キヤノン株式会社
画像形成装置
14日前
キヤノン株式会社
画像形成装置
11日前
キヤノン株式会社
画像形成装置
19日前
キヤノン株式会社
画像形成装置
8日前
キヤノン株式会社
光電変換装置
8日前
キヤノン株式会社
画像形成装置
7日前
キヤノン株式会社
情報処理装置
7日前
キヤノン株式会社
画像形成装置
7日前
キヤノン株式会社
画像形成装置
8日前
キヤノン株式会社
画像形成装置
14日前
キヤノン株式会社
画像形成装置
12日前
キヤノン株式会社
画像形成装置
5日前
キヤノン株式会社
電子写真装置
18日前
キヤノン株式会社
画像形成装置
18日前
キヤノン株式会社
画像形成装置
19日前
キヤノン株式会社
画像形成装置
18日前
キヤノン株式会社
画像形成装置
今日
キヤノン株式会社
画像形成装置
18日前
キヤノン株式会社
画像処理装置
今日
キヤノン株式会社
画像形成装置
今日
続きを見る
他の特許を見る