TOP
|
特許
|
意匠
|
商標
特許ウォッチ
Twitter
他の特許を見る
10個以上の画像は省略されています。
公開番号
2025144465
公報種別
公開特許公報(A)
公開日
2025-10-02
出願番号
2024044264
出願日
2024-03-19
発明の名称
画像形成装置
出願人
キヤノン株式会社
代理人
個人
,
個人
主分類
G03G
15/16 20060101AFI20250925BHJP(写真;映画;光波以外の波を使用する類似技術;電子写真;ホログラフイ)
要約
【課題】画像形成に用いられる記録材に応じて、記録材が転写部に到達する前に記録材のトナー像が転写される面を適切にトナーの正規の帯電極性とは逆極性に帯電させることを可能とする。
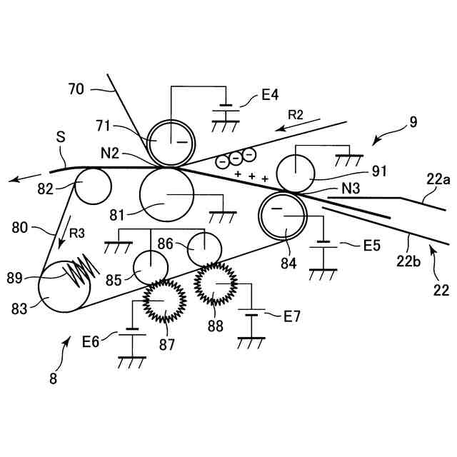
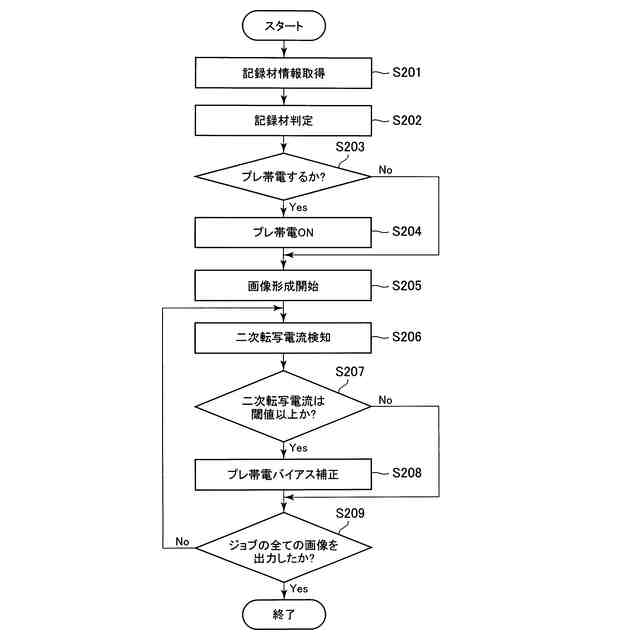
【解決手段】画像形成装置100は、像担持体70と、転写部N2を形成する転写部材71、81と、転写部N2に転写バイアスを印加する第1の印加部E4と、記録材Sのトナー像転写面をトナーの正規の帯電極性とは逆極性に帯電させる記録材帯電部材84と、記録材帯電部材84に記録材帯電バイアスを印加する第2の印加部E5と、転写部N2に流れる電流を検知する検知部25bと、記録材Sが転写部N2を通過している際の検知部25bによる検知結果に基づいて、記録材帯電バイアスの設定を変更する制御を実行する制御部120と、を有する構成とされる。
【選択図】図6
特許請求の範囲
【請求項1】
トナー像を担持する像担持体と、
前記像担持体から記録材にトナー像を転写する転写部を形成する転写部材と、
前記転写部に転写バイアスを印加する第1の印加部と、
記録材の搬送方向における前記転写部よりも上流において、前記転写部へと搬送される記録材のトナー像が転写される面であるトナー像転写面をトナーの正規の帯電極性とは逆極性に帯電させる記録材帯電部材と、
前記記録材帯電部材に記録材の前記トナー像転写面を帯電させるための記録材帯電バイアスを印加する第2の印加部と、
前記転写部に流れる電流又は前記転写部に印加される電圧を検知する検知部と、
記録材が前記転写部を通過している際の前記検知部による検知結果に基づいて、前記記録材帯電バイアスの設定を変更する制御を実行する制御部と、
を有することを特徴とする画像形成装置。
続きを表示(約 1,100 文字)
【請求項2】
前記制御部は、単数又は複数の記録材に画像を形成して出力する一連の動作であるジョブの実行中に、記録材が前記転写部を通過している際の前記検知部による検知結果に基づいて、前記記録材帯電バイアスの設定を変更する制御を実行することを特徴とする請求項1に記載の画像形成装置。
【請求項3】
前記制御部は、前記検知部により検知された電流の絶対値が第1の値である場合に前記記録材帯電バイアスの設定を変更せず、前記検知部により検知された電流の絶対値が前記第1の値よりも小さい第2の値である場合に前記記録材帯電バイアスの絶対値を大きくするように、前記記録材帯電バイアスの設定を変更する制御を実行することを特徴とする請求項1に記載の画像形成装置。
【請求項4】
前記制御部は、前記検知部により検知された電流の絶対値が第1の値である場合に前記記録材帯電バイアスの設定を変更せず、前記検知部により検知された電流の絶対値が前記第1の値よりも大きい第2の値である場合に前記記録材帯電バイアスの絶対値を小さくするように、前記記録材帯電バイアスの設定を変更する制御を実行することを特徴とする請求項1に記載の画像形成装置。
【請求項5】
前記検知部による電流の検知時に、前記転写部には前記第1の印加部により定電圧制御されたバイアスが印加されることを特徴とする請求項3又は4に記載の画像形成装置。
【請求項6】
前記制御部は、前記検知部により検知された電圧の絶対値が第1の値である場合に前記記録材帯電バイアスの設定を変更せず、前記検知部により検知された電圧の絶対値が前記第1の値よりも大きい第2の値である場合に前記記録材帯電バイアスの絶対値を大きくするように、前記記録材帯電バイアスの設定を変更する制御を実行することを特徴とする請求項1に記載の画像形成装置。
【請求項7】
前記制御部は、前記検知部により検知された電圧の絶対値が第1の値である場合に前記記録材帯電バイアスの設定を変更せず、前記検知部により検知された電圧の絶対値が前記第1の値よりも小さい第2の値である場合に前記記録材帯電バイアスの絶対値を小さくするように、前記記録材帯電バイアスの設定を変更する制御を実行することを特徴とする請求項1に記載の画像形成装置。
【請求項8】
前記検知部による電圧の検知時に、前記転写部には前記第1の印加部により定電流制御されたバイアスが印加されることを特徴とする請求項6又は7に記載の画像形成装置。
【請求項9】
前記像担持体は、別の像担持体からトナー像が転写される中間転写体であることを特徴とする請求項1に記載の画像形成装置。
発明の詳細な説明
【技術分野】
【0001】
本発明は、電子写真方式や静電記録方式を用いた、複写機、プリンタ、ファクシミリ装置、又はこれらの機能のうち複数の機能を備えた複合機などの画像形成装置に関するものである。
続きを表示(約 1,700 文字)
【背景技術】
【0002】
従来、例えば電子写真方式を用いた複写機などの画像形成装置では、感光体や中間転写体などの像担持体から紙などの記録材へトナー像を静電的に転写することが行われる。転写は、像担持体に転写ローラなどの転写部材を当接させて転写部を形成し、転写部に転写バイアスを印加することで行われることが多い。転写バイアスにより転写部に供給される転写電流が不足すると、転写が十分に行われずに所望の画像濃度が得られない「転写抜け」や「濃度薄」などの画像不良が発生することがある。また、転写バイアスにより転写部に供給される転写電流が過剰であると、転写部で放電が発生し、その放電の影響でトナー像のトナーの電荷の極性が反転するなどして、トナー像が部分的に転写されない「白抜け」などの画像不良が発生することがある。そのため、高品質の画像を形成するためには、転写部に適切な転写バイアスを印加することが求められる。
【0003】
特許文献1では、転写部に記録材が無い状態で転写部に試験バイアスを印加して電圧電流特性を取得し、所定の目標電流が得られる電圧値を求め、この電圧値に記録材の種類に応じた記録材分担電圧を加算して転写バイアスの電圧値を設定することが開示されている。
【0004】
ここで、記録材の種類には、例えば、上質紙、コート紙のような記録材の表面の平滑性の違いによる種類や、薄紙、厚紙のような記録材の厚さの違いによる種類などがある。記録材分担電圧は、例えばこのような記録材の種類に応じて予め求めておくことができる。しかし、記録材の仕様によっては、記録材の電気抵抗が高いことにより、例えば低湿環境において必要な転写電流を流すための転写バイアスの電圧の絶対値が高圧容量を超えて、転写電流不足による画像不良が発生する可能性がある。
【0005】
特許文献2では、記録材が転写部に到達する前に記録材のトナー像が転写される面を予めトナーの正規の帯電極性とは逆極性に帯電させることが提案されている。
【先行技術文献】
【特許文献】
【0006】
特開2004-117920号公報
特開2013-171282号公報
【発明の概要】
【発明が解決しようとする課題】
【0007】
昨今、プロダクション機などにおいて、画像形成に用いられる記録材の種類が増える傾向にある。例えば、合成紙(プラスチックを主成分とする記録材)や超厚紙(坪量250gsmを超えるような厚紙)などの電気抵抗の高い記録材にトナー像を適正に転写するためには、電圧の絶対値がより大きな転写バイアスの印加が必要になる。生産性(画像形成速度)を落とさずにこのような記録材に適正にトナー像を転写するためには、記録材のトナー像が転写される面を予めトナーの正規の帯電極性とは逆極性に帯電させて転写電流不足を補うことが有効である。
【0008】
しかし、流通している記録材の種類は非常に多い。また、記録材の電気抵抗は環境(温度・湿度)が同じでも環境に置かれた時間などによって変動する。これらのことなどから、転写前に記録材に付与することが必要な電荷を予め精度よく求めることが困難な場合がある。そして、例えば電気抵抗の高い記録材の場合、小さな電気抵抗の変化があっても、転写前に記録材に付与することが必要な電荷が大きく変化する場合がある。
【0009】
また、ユーザーなどにより設定された記録材の種類の情報と実際に画像形成に用いられる記録材の種類(特性)との不一致などにより、転写前に記録材に付与する電荷が不足したり過剰であったりすることが想定される。
【0010】
転写前に記録材に付与する電荷が不足して転写電流が不足すると、上述のように転写抜けや濃度薄などの画像不良が発生する可能性がある。また、転写前に記録材に付与する電荷が過剰であり転写電流が過剰となると、上述のように白抜けなどの画像不良が発生する可能性がある。
(【0011】以降は省略されています)
この特許をJ-PlatPat(特許庁公式サイト)で参照する
関連特許
キヤノン株式会社
容器
1日前
キヤノン株式会社
トナー
22日前
キヤノン株式会社
トナー
17日前
キヤノン株式会社
トナー
17日前
キヤノン株式会社
トナー
4日前
キヤノン株式会社
トナー
17日前
キヤノン株式会社
撮像装置
22日前
キヤノン株式会社
撮像装置
1日前
キヤノン株式会社
撮像装置
1日前
キヤノン株式会社
撮影装置
15日前
キヤノン株式会社
記録装置
15日前
キヤノン株式会社
撮像装置
18日前
キヤノン株式会社
現像容器
15日前
キヤノン株式会社
現像容器
15日前
キヤノン株式会社
現像装置
15日前
キヤノン株式会社
現像装置
8日前
キヤノン株式会社
現像装置
15日前
キヤノン株式会社
記録装置
1日前
キヤノン株式会社
定着装置
16日前
キヤノン株式会社
測距装置
10日前
キヤノン株式会社
撮像装置
1日前
キヤノン株式会社
光学センサ
17日前
キヤノン株式会社
モジュール
17日前
キヤノン株式会社
カートリッジ
15日前
キヤノン株式会社
画像形成装置
4日前
キヤノン株式会社
画像形成装置
18日前
キヤノン株式会社
画像形成装置
18日前
キヤノン株式会社
画像形成装置
11日前
キヤノン株式会社
情報処理装置
15日前
キヤノン株式会社
映像表示装置
17日前
キヤノン株式会社
画像形成装置
16日前
キヤノン株式会社
印刷システム
3日前
キヤノン株式会社
画像形成装置
16日前
キヤノン株式会社
画像形成装置
2日前
キヤノン株式会社
画像形成装置
16日前
キヤノン株式会社
画像形成装置
9日前
続きを見る
他の特許を見る