TOP
|
特許
|
意匠
|
商標
特許ウォッチ
Twitter
他の特許を見る
10個以上の画像は省略されています。
公開番号
2025146528
公報種別
公開特許公報(A)
公開日
2025-10-03
出願番号
2024047361
出願日
2024-03-22
発明の名称
撮像装置
出願人
キヤノン株式会社
代理人
個人
,
個人
,
個人
,
個人
,
個人
主分類
H04N
23/74 20230101AFI20250926BHJP(電気通信技術)
要約
【課題】 照明ユニットを備える撮像装置において、撮像部のチルト角によらず、鮮明な画像を取得することができる撮像装置を提供することを目的とする。
【解決手段】 本発明の撮像装置は、チルト角を変更可能な撮像部と、前記撮像部の撮像範囲に対して光を照射する第1の照明部であって、第1方向に光を照射するように配置される第1の照明部と、前記撮像部の撮像範囲に対して光を照射する第2の照明部であって、前記第1方向とは異なる第2方向に光を照射するように配置される第2の照明部と、を備えることを特徴とする。
【選択図】 図9
特許請求の範囲
【請求項1】
チルト角を変更可能な撮像部と、
前記撮像部の撮像範囲に対して光を照射する第1の照明部であって、第1方向に光を照射するように配置される第1の照明部と、
前記撮像部の撮像範囲に対して光を照射する第2の照明部であって、前記第1方向とは異なる第2方向に光を照射するように配置される第2の照明部と、を備えることを特徴とする撮像装置。
続きを表示(約 990 文字)
【請求項2】
前記第1方向は水平方向であり、前記第2方向は垂直方向であることを特徴とする、請求項1に記載の撮像装置。
【請求項3】
前記第1の照明部および前記第2の照明部を制御するための制御部と、をさらに備え、
前記制御部は、前記撮像部のチルト角に応じて前記第1の照明部と前記第2の照明部のうちの少なくとも一方が照射されるように前記第1の照明部と前記第2の照明部を制御することを特徴とする、請求項1または2に記載の撮像装置。
【請求項4】
前記制御部は、前記撮像部の前記チルト角が閾値以下の場合に、前記第1の照明部によって光が照射されるように前記第1の照明部を制御し、前記撮像部の前記チルト角が前記閾値より大きい場合に、前記第2の照明部によって光が照射されるように第2の照明部を制御することを特徴とする、請求項3に記載の撮像装置。
【請求項5】
前記制御部は、前記撮像部のチルト角に応じて、前記第1の照明部と前記第2の照明部の照射の比率を変更することを特徴とする、請求項3に記載の撮像装置。
【請求項6】
前記制御部は、前記第2の照明部の光量が前記第1の照明部の光量よりも小さくなるように前記第1の照明部と前記第2の照明部を制御することを特徴とする、請求項3に記載の撮像装置。
【請求項7】
前記撮像部を支持する支持部を、さらに備え、
前記第1の照明部および前記第2の照明部は、前記支持部に支持されることを特徴とする、請求項1に記載の撮像装置。
【請求項8】
前記撮像部は、円周方向に回転可能であり、
前記第1の照明部は、前記撮像部を支持し、前記撮像部とともに前記円周方向に回転する支持部に配置され、
前記第2の照明部は、前記円周方向に移動しない固定部に配置されていることを特徴とする請求項2に記載の撮像装置。
【請求項9】
前記第1の照明部から照射された光の一部を遮光する遮光部を、さらに備えることを特徴とする、請求項1に記載の撮像装置。
【請求項10】
前記第2の照明部の一部が、前記第1の照明部から発光された光を遮ることを特徴とする請求項9に記載の撮像装置。
(【請求項11】以降は省略されています)
発明の詳細な説明
【技術分野】
【0001】
本発明は、照明ユニットを備えた撮像装置に関するものである。
続きを表示(約 1,800 文字)
【背景技術】
【0002】
従来より、撮像装置には、暗闇でも鮮明な画像を取得するために、照明ユニットを搭載したものがある。例えば、特許文献1には、パンチルト可能な複数の撮像部を備える撮像装置本体に、照明ユニットを組付ける構成が開示されている。
【先行技術文献】
【特許文献】
【0003】
米国特許第11184514号明細書
【発明の概要】
【発明が解決しようとする課題】
【0004】
しかしながら、特許文献1では、撮像部のチルト角によっては、照明ユニットから照射された光が撮像範囲に十分に届かないことがある。これにより、画像が不鮮明になってしまうおそれがある。
【0005】
そこで、本発明では、照明ユニットを備える撮像装置において、撮像部のチルト角によらず、鮮明な画像を取得することができる撮像装置を提供することを目的とする。
【課題を解決するための手段】
【0006】
上記目的を達成するために、本発明の撮像装置は、チルト角を変更可能な撮像部と、前記撮像部の撮像範囲に対して光を照射する第1の照明部であって、第1方向に光を照射するように配置される第1の照明部と、前記撮像部の撮像範囲に対して光を照射する第2の照明部であって、前記第1方向とは異なる第2方向に光を照射するように配置される第2の照明部と、を備えることを特徴とする。
【発明の効果】
【0007】
照明ユニットを備える撮像装置において、撮像部のチルト角によらず、鮮明な画像を取得することができる撮像装置を提供することができる。
【図面の簡単な説明】
【0008】
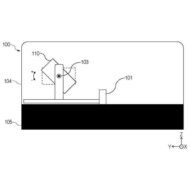
第1の実施形態に係る撮像システムの構成図。
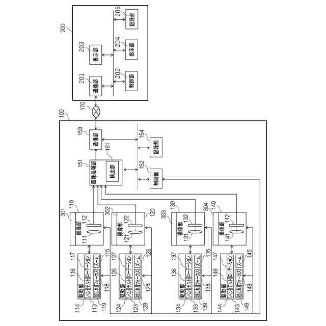
第1の実施形態に係る撮像システムの機能図。
第1の実施形態に係る撮像装置の模式図。
第1の実施形態に係る撮像装置を側面から見た模式図。
第1の実施形態に係るローテーション駆動部の構造図。
第1の実施形態に係る捻じれ駆動部の構造図。
第1の実施形態に係る撮像システムの構成図の詳細。
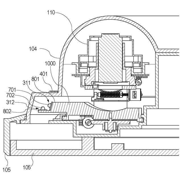
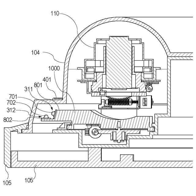
第1の実施形態に係る撮像装置の構造図。
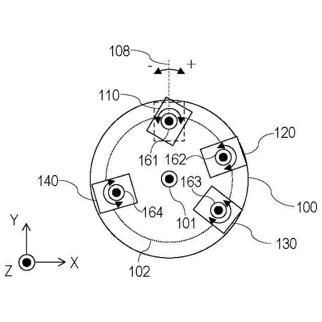
第1の実施形態に係る照明モジュールの配置例。
(a)は第1の実施形態に係る光の漏れ込みを説明するための図、(b)は(a)の状態から遮光板を配置した図。
(a)は第3の実施形態に係る撮像装置の照明部の構成図、(b)は第4の実施形態に係る撮像装置の照明部の構成図、(c)は第5の実施形態に係る撮像装置の照明部の構成図。
第6の実施形態に係る垂直方向用の照明モジュールが固定部に配置された構造図。
第7の実施形態に係る撮像部同士が隣接した模式図。
第7の実施形態に係る撮像部同士が隣接してチルト角度が異なる場合の模式図。
第1の実施形態の制御処理に係るフローチャート。
第2の実施形態の制御処理に係るフローチャート。
第7の実施形態の制御処理に係るフローチャート。
【発明を実施するための形態】
【0009】
以下に、本発明の好ましい実施の形態を、添付の図面に基づいて詳細に説明する。なお、以下の実施形態は特許請求の範囲に関わる発明を限定するものではない。実施形態には複数の特徴が記載されているが、これらの複数の特徴の全てが発明に必須のものとは限らず、また、複数の特徴は任意に組み合わせられてもよい。更に、添付図面においては、同一もしくは同様の構成に参照番号を付し、重複した説明は省略する。
【0010】
<第1の実施形態>
<撮像システム>
以下、図1を参照して、本発明の第1の実施形態について説明する。図1は第1の実施形態に係る撮像システムの構成図である。撮像システムは、撮像装置100およびクライアント装置200から構成される。撮像装置100はクライアント装置200とネットワーク170を介して接続される。図1ではクライアント装置200とデスクトップパソコンとモニタ(表示部)の例で示したが、クライアント装置200と表示部203が一体となったノートパソコンやタブレットなどであっても良い。
(【0011】以降は省略されています)
この特許をJ-PlatPat(特許庁公式サイト)で参照する
関連特許
キヤノン株式会社
容器
2日前
キヤノン株式会社
撮像装置
2日前
キヤノン株式会社
撮像装置
2日前
キヤノン株式会社
記録装置
2日前
キヤノン株式会社
撮像装置
2日前
キヤノン株式会社
電子写真装置
3日前
キヤノン株式会社
画像形成装置
2日前
キヤノン株式会社
画像形成装置
3日前
キヤノン株式会社
モータドライバ
2日前
大分キヤノン株式会社
液体抽出装置
3日前
キヤノン株式会社
容器および検査方法
2日前
キヤノン株式会社
画像形成装置、情報処理装置
2日前
キヤノン株式会社
画像形成装置、情報処理装置
2日前
キヤノン株式会社
光源装置および画像形成装置
2日前
キヤノン株式会社
画像形成装置、情報処理装置
2日前
キヤノン株式会社
画像形成装置、情報処理装置
2日前
キヤノン株式会社
光源装置および画像形成装置
2日前
キヤノン株式会社
光源装置および画像形成装置
2日前
キヤノン株式会社
記録装置およびその制御方法
2日前
キヤノン株式会社
ズームレンズおよび撮像装置
2日前
キヤノン株式会社
画像形成装置、情報処理装置
2日前
キヤノン株式会社
制御装置およびその制御方法
2日前
キヤノン株式会社
画像形成装置、情報処理装置
2日前
キヤノン株式会社
画像読取装置及び画像形成装置
2日前
キヤノン株式会社
像加熱装置および画像形成装置
2日前
キヤノン株式会社
画像形成装置及びその制御方法
3日前
キヤノン株式会社
シート給送装置及び画像形成装置
2日前
キヤノン株式会社
平坦化装置、および物品製造方法
3日前
キヤノン株式会社
液体吐出装置、および物品製造方法
3日前
キヤノン株式会社
三次元造形物とその製造方法、処理液
3日前
キヤノン株式会社
撮像装置、制御方法およびプログラム
3日前
キヤノン株式会社
制御装置、制御方法、およびプログラム
2日前
キヤノン株式会社
液体吐出ヘッドおよびその吸引回復方法
3日前
キヤノン株式会社
放射線検出装置及び放射線検出システム
2日前
キヤノン株式会社
通信装置、通信装置の制御方法、プログラム
2日前
キヤノン株式会社
平坦化方法、平坦化装置および物品製造方法
2日前
続きを見る
他の特許を見る