TOP
|
特許
|
意匠
|
商標
特許ウォッチ
Twitter
他の特許を見る
10個以上の画像は省略されています。
公開番号
2025150993
公報種別
公開特許公報(A)
公開日
2025-10-09
出願番号
2024052191
出願日
2024-03-27
発明の名称
水処理装置および水処理方法
出願人
オルガノ株式会社
代理人
弁理士法人YKI国際特許事務所
主分類
C02F
1/44 20230101AFI20251002BHJP(水,廃水,下水または汚泥の処理)
要約
【課題】逆浸透膜装置の水回収率の低下を抑制してフラッシングを行うことができる水処理装置および水処理方法を提供する。
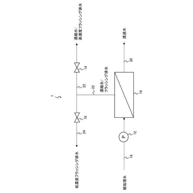
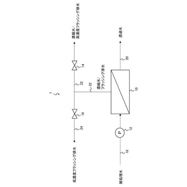
【解決手段】被処理水について逆浸透膜処理を行い透過水と濃縮水とを得る逆浸透膜処理装置10と、逆浸透膜の一次側からフラッシング排水を排出する排出ライン22と、フラッシング排水を逆浸透膜処理装置10の前段に送液する回収ライン24と、逆浸透膜の一次側に所定の流量でフラッシング用水を供給し、逆浸透膜の一次側から排出させて逆浸透膜を洗浄するフラッシング運転のときに、所定のタイミングで排出ライン22と回収ライン24とでフラッシング排水の排出先を切り替える切替手段と、を備える、水処理装置である。
【選択図】図1
特許請求の範囲
【請求項1】
被処理水について逆浸透膜を用いて逆浸透膜処理を行い透過水と濃縮水とを得る逆浸透膜処理装置と、
前記逆浸透膜の一次側からフラッシング排水を排出する排出ラインと、
前記逆浸透膜の一次側から前記フラッシング排水を前記逆浸透膜処理装置の前段に送液する回収ラインと、
前記逆浸透膜の一次側に所定の流量でフラッシング用水を供給し、前記逆浸透膜の一次側から排出させて前記逆浸透膜を洗浄するフラッシング運転のときに、所定のタイミングで前記排出ラインと前記回収ラインとで前記フラッシング排水の排出先を切り替える切替手段と、
を備えることを特徴とする水処理装置。
続きを表示(約 1,300 文字)
【請求項2】
請求項1に記載の水処理装置であって、
前記フラッシング用水として、前記被処理水または前記被処理水より塩濃度の低い希薄水を用いることを特徴とする水処理装置。
【請求項3】
請求項1に記載の水処理装置であって、
前記切替手段は、前記フラッシング運転の開始5分未満で前記フラッシング排水の排出先を前記排出ラインから前記回収ラインに切り替えることを特徴とする水処理装置。
【請求項4】
請求項1に記載の水処理装置であって、
前記排出ラインに濁度測定装置を備え、
前記切替手段は、前記濁度測定装置により測定されたフラッシング排水の濁度が所定の値以下になった場合に、前記フラッシング排水の排出先を前記排出ラインから前記回収ラインに切り替えることを特徴とする水処理装置。
【請求項5】
請求項1に記載の水処理装置であって、
前記排出ラインが、フッ素含有水にカルシウム剤を添加して難溶性のカルシウム塩を生成させてフッ素を除去する凝集沈殿装置の原水槽または反応槽に接続されていることを特徴とする水処理装置。
【請求項6】
請求項1に記載の水処理装置であって、
前記排出ラインから排出されるフラッシング排水を、除濁膜を用いて処理する除濁膜処理装置と、
前記除濁膜処理装置で処理したろ過水を前記逆浸透膜処理装置の前段に返送する返送ラインと、
前記除濁膜の逆洗排水を、フッ素含有水にカルシウム剤を添加して難溶性のカルシウム塩を生成させてフッ素を除去する凝集沈殿装置の原水槽または反応槽に送液する逆洗排水送液ラインと、
をさらに備えることを特徴とする水処理装置。
【請求項7】
被処理水について逆浸透膜を用いて逆浸透膜処理を行い透過水と濃縮水とを得る逆浸透膜処理工程と、
前記逆浸透膜の一次側からフラッシング排水を排出する排出工程と、
前記逆浸透膜の一次側から前記フラッシング排水を前記逆浸透膜処理工程の前段に送液する回収工程と、
を含み、
前記逆浸透膜の一次側に所定の流量でフラッシング用水を供給し、前記逆浸透膜の一次側から排出させて前記逆浸透膜を洗浄するフラッシング運転のときに、所定のタイミングで前記排出工程と前記回収工程とを切り替えることを特徴とする水処理方法。
【請求項8】
請求項7に記載の水処理方法であって、
前記フラッシング用水として、前記被処理水または前記被処理水より塩濃度の低い希薄水を用いることを特徴とする水処理方法。
【請求項9】
請求項7に記載の水処理方法であって、
前記フラッシング運転の開始5分未満で前記排出工程から前記回収工程に切り替えることを特徴とする水処理方法。
【請求項10】
請求項7に記載の水処理方法であって、
前記排出工程において測定したフラッシング排水の濁度が所定の値以下になった場合に、前記排出工程から前記回収工程に切り替えることを特徴とする水処理方法。
(【請求項11】以降は省略されています)
発明の詳細な説明
【技術分野】
【0001】
本発明は、逆浸透膜装置を備える水処理装置および水処理方法に関する。
続きを表示(約 1,300 文字)
【背景技術】
【0002】
逆浸透膜装置で用いる逆浸透膜の閉塞を回復させる方法として、フラッシング法が挙げられる。フラッシング法は、逆浸透膜の一次側に所定の流量で供給した水を一次側の排出配管から系外へフラッシング排水として排出させて一次側の膜表面に付着した不純物などを洗浄する方法である。
【0003】
例えば、特許文献1には、逆浸透膜透過水などの塩類濃度の低い水で逆浸透膜をフラッシングすることによって、逆浸透膜の閉塞を回復させる方法が記載されている。しかし、特許文献1に記載の方法では、フラッシング排水は系外に排出されるため、逆浸透膜装置の水回収率が低下する。特許文献1では、フラッシング排水の廃棄先については言及されていない。
【0004】
特許文献2には、逆浸透膜装置の濃縮水配管にバルブを備えた分岐配管を有し、バルブの開閉によって通常運転工程とフラッシング運転工程とを切り替えることが記載されている。特許文献2の方法でも、フラッシング排水は系外に排出しており、逆浸透膜装置の水回収率が低下する。
【0005】
特許文献3には、任意のタイミングで通常運転とフラッシング運転とを切り替え、フラッシング運転は、目標値に合わせてフラッシング流量を自動調整することが記載されている。特許文献3の方法でも、フラッシング排水は系外に排出しており、逆浸透膜装置の水回収率が低下する。
【0006】
また、フラッシング排水を全量、逆浸透膜装置の前段に返送することによって水回収率を高める方法も考えられる。しかし、この方法ではフラッシング排水に含まれる微粒子などが逆浸透膜装置の前段に返送されるため、系内でさらに微粒子などが濃縮されて逆浸透膜を再度閉塞させるリスクがある。
【先行技術文献】
【特許文献】
【0007】
特開2022-045877号公報
特開2019-177338号公報
特開2013-141621号公報
【発明の概要】
【発明が解決しようとする課題】
【0008】
本発明の目的は、逆浸透膜装置の水回収率の低下を抑制してフラッシングを行うことができる水処理装置および水処理方法を提供することにある。
【課題を解決するための手段】
【0009】
本発明は、被処理水について逆浸透膜を用いて逆浸透膜処理を行い透過水と濃縮水とを得る逆浸透膜処理装置と、前記逆浸透膜の一次側からフラッシング排水を排出する排出ラインと、前記逆浸透膜の一次側から前記フラッシング排水を前記逆浸透膜処理装置の前段に送液する回収ラインと、前記逆浸透膜の一次側に所定の流量でフラッシング用水を供給し、前記逆浸透膜の一次側から排出させて前記逆浸透膜を洗浄するフラッシング運転のときに、所定のタイミングで前記排出ラインと前記回収ラインとで前記フラッシング排水の排出先を切り替える切替手段と、を備える、水処理装置である。
【0010】
前記水処理装置において、前記フラッシング用水として、前記被処理水または前記被処理水より塩濃度の低い希薄水を用いることが好ましい。
(【0011】以降は省略されています)
この特許をJ-PlatPat(特許庁公式サイト)で参照する
関連特許
オルガノ株式会社
薬液精製システム
1か月前
オルガノ株式会社
水処理装置および水処理方法
26日前
オルガノ株式会社
水処理装置および水処理方法
26日前
オルガノ株式会社
水処理装置およびその運転方法
2か月前
オルガノ株式会社
尿素処理装置および尿素処理方法
1か月前
オルガノ株式会社
水処理システムおよびその運転方法
1か月前
オルガノ株式会社
水処理システムおよびその運転方法
2か月前
オルガノ株式会社
水処理システムおよびその運転方法
2か月前
オルガノ株式会社
気体の処理方法および気体の処理装置
7日前
オルガノ株式会社
冷却水系制御方法および冷却水系制御装置
1か月前
オルガノ株式会社
タンパク質洗浄剤およびタンパク質洗浄方法
20日前
オルガノ株式会社
情報処理装置、判定方法および水処理システム
1か月前
オルガノ株式会社
電池収容体、電池モジュール、および電池パック
28日前
オルガノ株式会社
電池収容体、電池モジュール、および電池パック
今日
オルガノ株式会社
水処理設備、制御装置、運転方法およびプログラム
27日前
オルガノ株式会社
情報処理装置、情報処理方法および水処理システム
2か月前
オルガノ株式会社
液体処理システム、情報処理装置および情報処理方法
1か月前
オルガノ株式会社
冷却水系の薬注制御方法および冷却水系の薬注制御装置
1か月前
オルガノ株式会社
純水製造システム、回収処理水供給装置および純水製造方法
1か月前
オルガノ株式会社
汚泥処理システム、制御装置、汚泥処理方法およびプログラム
2か月前
オルガノ株式会社
非粒子状有機多孔質吸収体、および非粒子状有機多孔質吸収体の製造方法
1か月前
オルガノ株式会社
水処理装置、水処理システム、水処理方法、及び水処理システムの水処理方法
2か月前
オルガノ株式会社
イオン交換装置および超純水製造装置
2か月前
オルガノ株式会社
懸濁物質濃度の測定装置、懸濁物質濃度の測定方法、晶析反応システム、および晶析反応方法
1か月前
オルガノ株式会社
強酸性カチオン交換樹脂の製造方法および製造設備、ならびに該強酸性カチオン交換樹脂の再利用方法
20日前
オルガノ株式会社
強塩基性アニオン交換樹脂の製造方法および製造設備、ならびに該強塩基性アニオン交換樹脂の再利用方法
20日前
株式会社げんき
液体活性化装置
今日
株式会社ウィズアクア
水質浄化装置
21日前
栗田工業株式会社
排水回収装置
1か月前
三浦工業株式会社
汚泥減容方法
1か月前
三浦工業株式会社
汚泥乾燥加熱釜
13日前
株式会社ライトアース
水循環式水質浄化システム
7日前
スタンレー電気株式会社
流体除菌装置
5日前
栗田工業株式会社
用水の水質予測方法
1か月前
名古屋メッキ工業株式会社
溶存金属析出装置
11日前
三浦工業株式会社
精製水供給システム
13日前
続きを見る
他の特許を見る