TOP
|
特許
|
意匠
|
商標
特許ウォッチ
Twitter
他の特許を見る
公開番号
2025150909
公報種別
公開特許公報(A)
公開日
2025-10-09
出願番号
2024052070
出願日
2024-03-27
発明の名称
駆動システム
出願人
本田技研工業株式会社
代理人
個人
,
個人
,
個人
主分類
H02P
25/18 20060101AFI20251002BHJP(電力の発電,変換,配電)
要約
【課題】商品性の低下を防ぎつつ、過電圧の発生を低減することができる駆動システムを提供する。
【解決手段】駆動システムは、互いに直列に接続された直列接続および互いに並列に接続された並列接続のいずれかに接続状態を切り替え可能な第1コイル群と第2コイル群とを有する相を複数備える走行用モータを、バッテリの電力によって駆動する電気自動車の駆動システムであって、前記走行用モータの相ごとに、前記第1コイル群に接続される第1インバータと、前記第2コイル群に接続される第2インバータとを備える駆動回路と、前記バッテリの正負極間に並列に接続されるコンデンサと、前記バッテリとが電気的に切り離された状態で、前記コンデンサの放電要求がある場合に、前記第1コイル群と前記第2コイル群とが直列接続であり、前記第1コイル群と前記第2コイル群とによる起電力により回生電力が発生する場合には、前記第1コイル群と前記第2コイル群とを並列接続に切り替える切替制御を行う制御部と、を備える。
【選択図】図1
特許請求の範囲
【請求項1】
互いに直列に接続された直列接続および互いに並列に接続された並列接続のいずれかに接続状態を切り替え可能な第1コイル群と第2コイル群とを有する相を複数備える走行用モータを、バッテリの電力によって駆動する電気自動車の駆動システムであって、
前記走行用モータの相ごとに、前記第1コイル群に接続される第1インバータと、前記第2コイル群に接続される第2インバータとを備える駆動回路と、
前記バッテリの正負極間に並列に接続されるコンデンサと、前記バッテリとが電気的に切り離された状態で、前記コンデンサの放電要求がある場合に、前記第1コイル群と前記第2コイル群とが直列接続であり、前記第1コイル群と前記第2コイル群とによる起電力により回生電力が発生する場合には、前記第1コイル群と前記第2コイル群とを並列接続に切り替える切替制御を行う制御部と、
を備える駆動システム。
続きを表示(約 550 文字)
【請求項2】
前記駆動回路は、
前記走行用モータの相ごとに備えられる、前記第1インバータと前記第2インバータとの組である各相インバータと、
複数の前記各相インバータのそれぞれに前記バッテリの電力を供給する電力供給線を断接することにより、前記各相インバータ間における電力の授受を制御するスイッチ部と、
を備え、
前記制御部は、前記放電要求がある場合に、前記スイッチ部を切断状態にする
請求項1に記載の駆動システム。
【請求項3】
前記制御部は、前記放電要求があり、前記直列接続から前記並列接続に切り替えた状態において、前記第1コイル群と前記第2コイル群とによる起電力により回生電力が発生する場合には、前記スイッチ部を切断状態にする
請求項2に記載の駆動システム。
【請求項4】
前記制御部は、前記放電要求があり、前記第1コイル群と前記第2コイル群とが並列接続である場合に、前記第1インバータおよび前記第2インバータの接続状態を制御することにより、前記第1コイル群と前記第2コイル群とを通る閉回路において、前記第1コイル群および前記第2コイル群の同極どうしを接続する
請求項1に記載の駆動システム。
発明の詳細な説明
【技術分野】
【0001】
本発明は、駆動システムに関する。
続きを表示(約 1,600 文字)
【背景技術】
【0002】
従来、電気自動車の走行用モータなどのモータを駆動するシステムが提案されている(例えば、特許文献1を参照)。
【先行技術文献】
【特許文献】
【0003】
特開2011-259570号公報
【発明の概要】
【発明が解決しようとする課題】
【0004】
これに関連し、従来技術において、抵抗器によって回生電力を消費する場合には部品点数や部品サイズが増える、三相モータの各相を短絡して回生電力を吸収する場合にはモータにブレーキトルクが発生して振動や音が発生する、といった商品性上の問題が生じていた。すなわち、従来技術によると、過電圧の発生を低減することと、商品性の低下を防ぐこととを両立することが困難であった。
【0005】
本発明は、上記問題を解決すべくなされたもので、その目的は、商品性の低下を防ぎつつ、過電圧の発生を低減することができる駆動システムを提供することにある。
【課題を解決するための手段】
【0006】
本発明の一実施形態は、互いに直列に接続された直列接続および互いに並列に接続された並列接続のいずれかに接続状態を切り替え可能な第1コイル群と第2コイル群とを有する相を複数備える走行用モータを、バッテリの電力によって駆動する電気自動車の駆動システムであって、前記走行用モータの相ごとに、前記第1コイル群に接続される第1インバータと、前記第2コイル群に接続される第2インバータとを備える駆動回路と、前記バッテリの正負極間に並列に接続されるコンデンサと、前記バッテリとが電気的に切り離された状態で、前記コンデンサの放電要求がある場合に、前記第1コイル群と前記第2コイル群とが直列接続であり、前記第1コイル群と前記第2コイル群とによる起電力により回生電力が発生する場合には、前記第1コイル群と前記第2コイル群とを並列接続に切り替える切替制御を行う制御部と、を備える駆動システムである。
【発明の効果】
【0007】
この発明によれば、商品性の低下を防ぎつつ、過電圧の発生を低減することができる。
【図面の簡単な説明】
【0008】
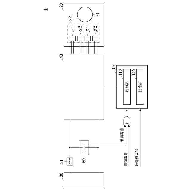
本実施形態の駆動システムの構成の一例を示す図である。
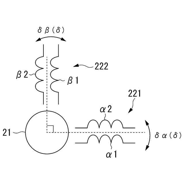
本実施形態の走行用モータの磁気回路の構成を模式的に表した図である。
本実施形態の走行用モータのコイルの位相の構成を模式的に表した図である。
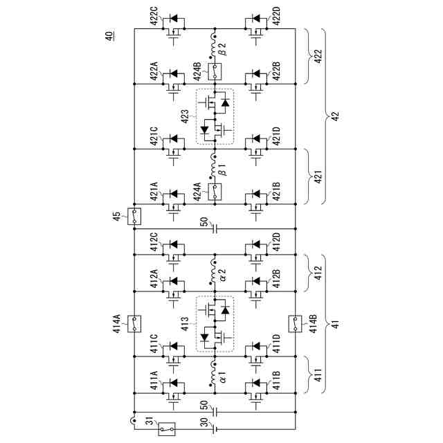
本実施形態の駆動回路の構成の一例を示す図である。
本実施形態の制御装置の動作の流れの一例を示す図である。
本実施形態の制御部による逆相放電制御の一例を示す図である。
本実施形態の逆相放電制御における電流経路の一例を示す図である。
本実施形態の駆動システムの構成の変形例を示す図である。
【発明を実施するための形態】
【0009】
[駆動システムの全体構成]
以下、図面を参照して、本発明の実施形態を説明する。
図1は、本実施形態の駆動システム1の構成の一例を示す図である。本実施形態の一例では、駆動システム1は、電気自動車に適用される。
駆動システム1は、制御装置10と、走行用モータ20と、バッテリ30と、駆動回路40とを備える。
【0010】
制御装置10は、制御部110と、記憶部120とを備える。
制御部110は、例えばCPU(central processing unit;中央演算処理装置)を備えており、記憶部120に記憶されているプログラムおよびデータに基づいて、各種の機能を提供する。
記憶部120は、不揮発性の半導体メモリなどの記憶素子を備えており、制御部110が動作するためのプログラムやデータを記憶する。
(【0011】以降は省略されています)
この特許をJ-PlatPat(特許庁公式サイト)で参照する
関連特許
本田技研工業株式会社
車両
1か月前
本田技研工業株式会社
差圧式電解装置
25日前
本田技研工業株式会社
スポット溶接方法
11日前
本田技研工業株式会社
回転電機のロータ
24日前
本田技研工業株式会社
電動無段変速装置
27日前
本田技研工業株式会社
駆動装置ユニット
28日前
本田技研工業株式会社
再生正極の製造方法
1か月前
本田技研工業株式会社
情報処理方法及びプログラム
10日前
本田技研工業株式会社
制御装置、および、制御方法
11日前
本田技研工業株式会社
給電システムおよび給電方法
1か月前
本田技研工業株式会社
負極、固体電池及び積層体の製造方法
1か月前
本田技研工業株式会社
正極、固体電池及び固体電池の製造方法
1か月前
本田技研工業株式会社
二酸化炭素回収装置及び二酸化炭素回収方法
1か月前
本田技研工業株式会社
情報処理装置、情報処理方法、およびプログラム
10日前
本田技研工業株式会社
移動体の制御装置、移動体の制御方法、およびプログラム
5日前
本田技研工業株式会社
学習装置、推定装置、学習方法、推定方法及びプログラム
1か月前
本田技研工業株式会社
作動装置
10日前
本田技研工業株式会社
制御装置
12日前
本田技研工業株式会社
車両、制御方法、プログラム、記憶媒体、及び情報処理装置
10日前
本田技研工業株式会社
移動体支援装置および移動体システム
25日前
本田技研工業株式会社
移動体制御システム、情報処理装置、移動体制御システムのための方法、機械学習モデルを生成する方法
1か月前
個人
単極モータ
1か月前
個人
電気を重力で発電装置
11日前
キヤノン電子株式会社
モータ
18日前
キヤノン電子株式会社
モータ
10日前
株式会社アイシン
ロータ
1か月前
株式会社アイシン
ロータ
1か月前
コーセル株式会社
電源装置
19日前
日星電気株式会社
ケーブル組立体
26日前
トヨタ自動車株式会社
モータ
10日前
株式会社デンソー
回転機
1か月前
株式会社アイシン
ステータ
1か月前
株式会社アイシン
ステータ
1か月前
株式会社アイシン
ステータ
1か月前
個人
二次電池繰返パルス放電器用印刷基板
24日前
株式会社kaisei
発電システム
1か月前
続きを見る
他の特許を見る