TOP
|
特許
|
意匠
|
商標
特許ウォッチ
Twitter
他の特許を見る
10個以上の画像は省略されています。
公開番号
2025147794
公報種別
公開特許公報(A)
公開日
2025-10-07
出願番号
2024048218
出願日
2024-03-25
発明の名称
鉛蓄電池
出願人
株式会社GSユアサ
代理人
弁理士法人暁合同特許事務所
主分類
H01M
50/541 20210101AFI20250930BHJP(基本的電気素子)
要約
【課題】長寿命な鉛蓄電池を提供する。
【解決手段】鉛蓄電池は、複数のセル室24に収容された極板群30と電解液とを備え、各極板群は正極ストラップ32Pから隔壁23に沿って延びる正極中間極柱34Pと、負極ストラップ32Nから隔壁に沿って延びる負極中間極柱34Nとを備え、正極中間極柱と負極中間極柱とは隔壁を貫通するセル間接続部35により接続され、電解液の液面がセル間接続部の下端よりも下方に配され、正極ストラップは上面から凹む溝37が形成された脆弱部36を備え、各セル室において正極板30P及び負極板30Nが並ぶ方向を第1方向とした場合に、正極中間極柱を除いた正極ストラップの第1方向の長さはWであり、第1方向における脆弱部と正極中間極柱との間隔L1は0.15W以上であり、脆弱部は、第1方向について正極中間極柱から最も離れた位置に配される正極板の耳部よりも正極中間極柱に近い位置に配されている。
【選択図】図4
特許請求の範囲
【請求項1】
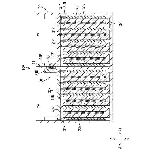
隔壁により区画された複数のセル室を有する電槽と、
前記複数のセル室にそれぞれ収容された複数の極板群と、
前記複数のセル室に注入された電解液と、を備え、
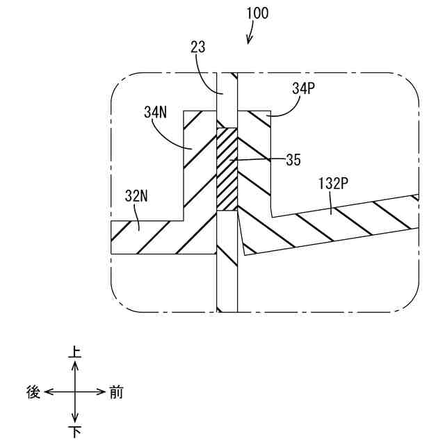
各前記極板群は、セパレータを介して交互に積層された複数の正極板及び負極板と、各前記正極板に設けられた耳部に接続された正極ストラップと、各前記負極板に設けられた耳部に接続された負極ストラップと、前記正極ストラップから前記隔壁に沿って延びる正極中間極柱と、前記負極ストラップから前記隔壁に沿って延びる負極中間極柱と、を備え、
前記正極中間極柱と前記負極中間極柱とは前記隔壁を貫通するセル間接続部により接続されており、
前記電解液の液面が前記セル間接続部の下端よりも下方に配される鉛蓄電池であって、
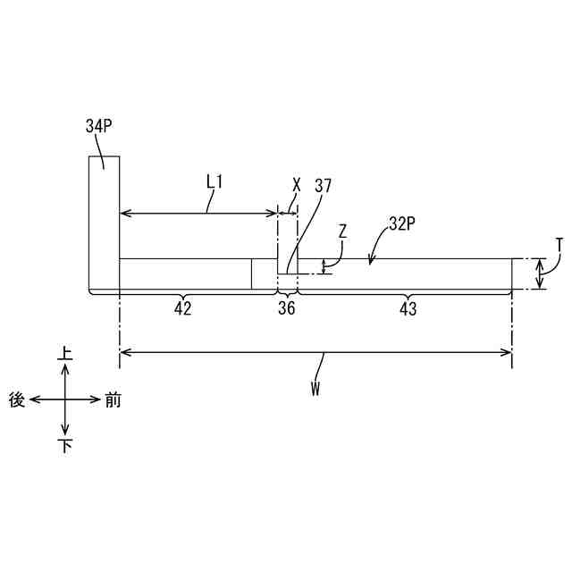
前記正極ストラップは前記正極ストラップの上面から凹む溝が形成された脆弱部を備え、
各前記セル室において前記正極板及び前記負極板が並ぶ方向を第1方向とした場合に、
前記正極中間極柱を除いた前記正極ストラップの前記第1方向の長さはWであり、
前記第1方向における前記脆弱部と前記正極中間極柱との間隔は0.15W以上であり、
前記脆弱部は、前記第1方向について前記正極中間極柱から最も離れた位置に配される前記正極板の前記耳部よりも前記正極中間極柱に近い位置に配されている、鉛蓄電池。
続きを表示(約 340 文字)
【請求項2】
前記正極ストラップは、Sbを含まないPb-Sn合金から構成されている、請求項1に記載の鉛蓄電池。
【請求項3】
前記正極ストラップの厚みをTとした場合に、前記溝の深さは0.2T以上0.6T以下である、請求項1または請求項2に記載の鉛蓄電池。
【請求項4】
前記第1方向における前記溝の長さは、2mm以上かつ隣り合う前記正極板の前記耳部の間隔以下であり、
前記溝は前記正極板の前記耳部と異なる位置に配されている、請求項1または請求項2に記載の鉛蓄電池。
【請求項5】
前記第1方向及び前記溝の深さ方向の双方に直交する方向から前記溝を見た場合に、前記溝の形状はV字型である、請求項1または請求項2に記載の鉛蓄電池。
発明の詳細な説明
【技術分野】
【0001】
本開示は、鉛蓄電池に関する。
続きを表示(約 3,500 文字)
【背景技術】
【0002】
従来、特開2020-68068号公報(下記特許文献1)に記載の鉛蓄電池が知られている。特許文献1は、「隔壁により区画された複数のセル室を有する電槽と、前記複数のセル室にそれぞれ収納された複数の極板群と、を備え、前記極板群は、交互に配置された複数枚の負極板および正極板と、前記負極板と前記正極板との間に配置されたセパレータと、前記複数枚の負極板および正極板の上方に配置され、前記複数枚の負極板同士および前記複数枚の正極板同士をそれぞれ幅方向の別の位置で厚さ方向に連結する負極ストラップおよび正極ストラップと、前記負極ストラップおよび前記正極ストラップからそれぞれ立ち上がる負極中間極柱および正極中間極柱と、を有し、隣り合う二つの前記セル室の一方に配置された前記負極中間極柱と他方に配置された前記正極中間極柱とが、前記隔壁に形成された貫通孔内を埋める金属部で接続され、前記負極板および前記正極板は、それぞれ、活物質が保持された基板と、前記基板から上側に突出し、前記負極ストラップおよび前記正極ストラップで連結された金属製の耳と、を有し、前記耳を形成する金属のアンチモン(Sb)含有率は20ppm以下であり、前記負極ストラップおよび前記正極ストラップの前記厚さ方向に沿った長さAと前記耳の高さ方向に沿った長さBとの比(A/B)が2.0以上4.0以下であり、前記耳の幅方向中心位置は、前記負極ストラップおよび前記正極ストラップの幅の中心位置と同じであり、前記耳の幅方向中心と前記基板の幅方向一端との幅方向に沿った距離Cと、前記耳の幅方向中心と前記基板の幅方向他端との幅方向に沿った距離D(>C)と、の比(C/D)が0.40以上0.75以下である鉛蓄電池」を提案している。
【先行技術文献】
【特許文献】
【0003】
特開2020-68068号公報
【発明の概要】
【発明が解決しようとする課題】
【0004】
近年の鉛蓄電池では、従来の鉛蓄電池と比較して電解液量を少なくすることによって、設計の自由度を高めることが検討されるようになってきた。鉛蓄電池では、繰り返し充放電を行うことで正極板の格子の延び(グロース)が生じる場合がある。これにより、正極ストラップ及び正極中間極柱に反りが生じ、金属部(本開示のセル間接続部に対応)に亀裂が入ることがある。この亀裂が電解液量の少ない鉛蓄電池で生じると、この亀裂に酸素と硫酸とが入り込むことにより、金属部が腐食する場合がある。金属部の腐食が進行することにより、セル室の密閉性が損なわれガスリークが発生する。これにより、充放電サイクルを繰り返すにつれて、セル室毎の極板群の充電状態にばらつきが大きくなり、鉛蓄電池の容量低下が起こる。したがって、鉛蓄電池の寿命が短くなってしまう。
【課題を解決するための手段】
【0005】
本開示の鉛蓄電池は、隔壁により区画された複数のセル室を有する電槽と、前記複数のセル室にそれぞれ収容された複数の極板群と、前記複数のセル室に注入された電解液と、を備え、各前記極板群は、セパレータを介して交互に積層された複数の正極板及び負極板と、各前記正極板に設けられた耳部に接続された正極ストラップと、各前記負極板に設けられた耳部に接続された負極ストラップと、前記正極ストラップから前記隔壁に沿って延びる正極中間極柱と、前記負極ストラップから前記隔壁に沿って延びる負極中間極柱と、を備え、前記正極中間極柱と前記負極中間極柱とは前記隔壁を貫通するセル間接続部により接続されており、前記電解液の液面が前記セル間接続部の下端よりも下方に配される鉛蓄電池であって、前記正極ストラップは前記正極ストラップの上面から凹む溝が形成された脆弱部を備え、各前記セル室において前記正極板及び前記負極板が並ぶ方向を第1方向とした場合に、前記正極中間極柱を除いた前記正極ストラップの前記第1方向の長さはWであり、前記第1方向における前記脆弱部と前記正極中間極柱との間隔は0.15W以上であり、前記脆弱部は、前記第1方向について前記正極中間極柱から最も離れた位置に配される前記正極板の前記耳部よりも前記正極中間極柱に近い位置に配されている、鉛蓄電池である。
【発明の効果】
【0006】
本開示によれば、長寿命な鉛蓄電池を提供することができる。
【図面の簡単な説明】
【0007】
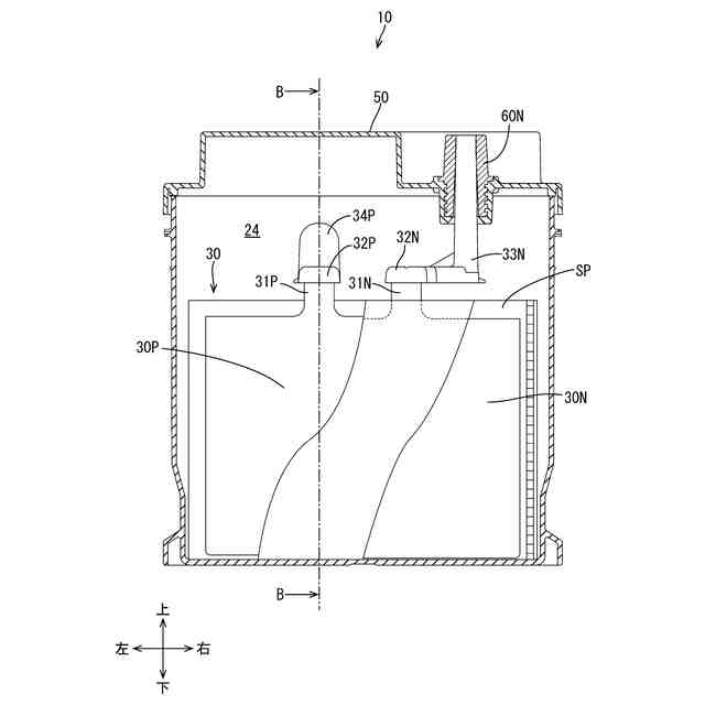
実施形態にかかる鉛蓄電池の斜視図である。
電槽の平面図である。
図1のA-A断面図である。
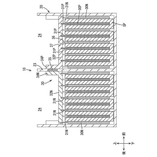
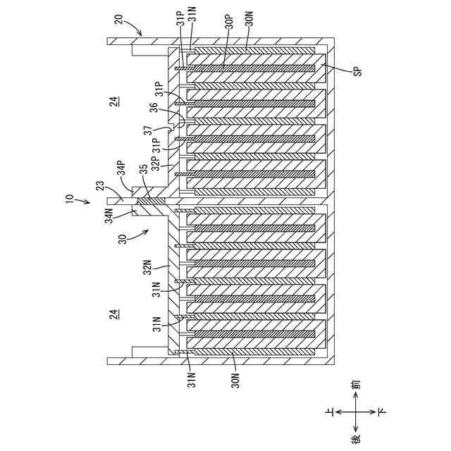
図3のB-B断面の一部を模式的に示した図である。
従来の鉛蓄電池を示す模式図であって、図4に対応する断面を示す図である。
従来の鉛蓄電池の正極ストラップの変形について説明する説明図である。
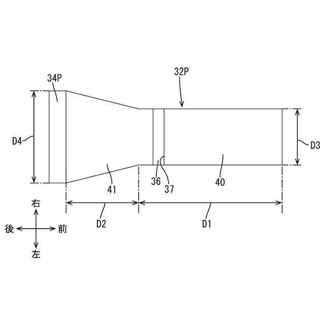
正極ストラップ及び正極中間極柱の側面図である。
正極ストラップ及び正極中間極柱の平面図である。
U字型の溝を有する正極ストラップ及び正極中間極柱の側面図である。
V字型の溝を有する正極ストラップ及び正極中間極柱の側面図である。
脆弱部を有する正極ストラップの変形について説明する説明図である。
鉛蓄電池のサイクル寿命と脆弱部の位置との関係について示すグラフである。
【発明を実施するための形態】
【0008】
(本実施形態の概要)
(1)本開示の鉛蓄電池は、隔壁により区画された複数のセル室を有する電槽と、前記複数のセル室にそれぞれ収容された複数の極板群と、前記複数のセル室に注入された電解液と、を備え、各前記極板群は、セパレータを介して交互に積層された複数の正極板及び負極板と、各前記正極板に設けられた耳部に接続された正極ストラップと、各前記負極板に設けられた耳部に接続された負極ストラップと、前記正極ストラップから前記隔壁に沿って延びる正極中間極柱と、前記負極ストラップから前記隔壁に沿って延びる負極中間極柱と、を備え、前記正極中間極柱と前記負極中間極柱とは前記隔壁を貫通するセル間接続部により接続されており、前記電解液の液面が前記セル間接続部の下端よりも下方に配される鉛蓄電池であって、前記正極ストラップは前記正極ストラップの上面から凹む溝が形成された脆弱部を備え、各前記セル室において前記正極板及び前記負極板が並ぶ方向を第1方向とした場合に、前記正極中間極柱を除いた前記正極ストラップの前記第1方向の長さはWであり、前記第1方向における前記脆弱部と前記正極中間極柱との間隔は0.15W以上であり、前記脆弱部は、前記第1方向について前記正極中間極柱から最も離れた位置に配される前記正極板の前記耳部よりも前記正極中間極柱に近い位置に配されている。
【0009】
このような構成によると、正極板に格子の延びが生じ、正極ストラップに応力が加わった場合に、脆弱部が主として変形することで、正極ストラップから正極中間極柱を介してセル間接続部に応力が加わることを抑制することができる。よって、セル間接続部に亀裂が入り、この亀裂に電解液及び酸素が入り込んでセル間接続部が腐食することを抑制することができる。したがって、セル室の密閉性が損なわれることによるガスリークの発生を抑制し、鉛蓄電池の短寿命化を抑制することができる。
【0010】
電解液の液面がセル間接続部の下端よりも低い鉛蓄電池だと、正極板の格子延びの応力で生じたセル間接続部の亀裂は気相中に露出する。その亀裂へ酸素が入り込むとセル間接続部の鉛が酸化鉛へ変化し、さらに電解液が入り込むことで硫酸鉛が生成される。このとき、セル間接続部の酸化鉛はセル間接続部と正極中間極柱との間を押し広げるように硫酸鉛へと変化して膨張することで、セル間接続部の腐食が進行する。その結果、隣接するセル室同士の密閉性が損なわれるガスリークが発生する。一方、一般的な液式鉛蓄電池ではセル間接続部の下端よりも高い位置に電解液の液面が存在するため、セル間接続部の亀裂へ酸素が入り込みにくく、酸化鉛が生成されない。つまり、一般的な液式鉛蓄電池でもセル間接続部の亀裂は生じるものの、上記メカニズムによるセル間接続部の腐食は進行せず、ガスリークも発生しない。
(【0011】以降は省略されています)
この特許をJ-PlatPat(特許庁公式サイト)で参照する
関連特許
株式会社GSユアサ
蓄電装置
2日前
株式会社GSユアサ
蓄電装置
10日前
株式会社GSユアサ
蓄電装置
16日前
株式会社GSユアサ
蓄電装置
24日前
株式会社GSユアサ
蓄電装置
24日前
株式会社GSユアサ
蓄電装置
1か月前
株式会社GSユアサ
蓄電バンクの監視システム
15日前
株式会社GSユアサ
非水電解質蓄電素子及びその使用方法
3日前
株式会社GSユアサ
非水電解質蓄電素子及びその製造方法
17日前
株式会社GSユアサ
デバイス装置、エネルギー貯蔵システム
15日前
株式会社GSユアサ
蓄電システム
4日前
株式会社GSユアサ
硫化物固体電解質及び全固体電池
25日前
株式会社GSユアサ
蓄電装置、電流遮断装置の制御方法
2日前
株式会社GSユアサ
制御方法、制御装置、及びコンピュータプログラム
23日前
株式会社GSユアサ
情報処理装置、情報処理システム、情報処理方法及びコンピュータプログラム
25日前
株式会社GSユアサ
硫化物固体電解質の製造方法、硫化物固体電解質、全固体電池、及び硫化物固体電解質の製造に用いる原料化合物の選択方法
10日前
APB株式会社
蓄電セル
29日前
東ソー株式会社
絶縁電線
1か月前
個人
フレキシブル電気化学素子
1か月前
ローム株式会社
半導体装置
1か月前
マクセル株式会社
電源装置
23日前
株式会社東芝
端子台
23日前
日新イオン機器株式会社
イオン源
1か月前
株式会社GSユアサ
蓄電装置
24日前
株式会社GSユアサ
蓄電設備
1か月前
株式会社GSユアサ
蓄電装置
24日前
三菱電機株式会社
回路遮断器
10日前
株式会社GSユアサ
蓄電装置
2日前
富士電機株式会社
電磁接触器
2日前
太陽誘電株式会社
コイル部品
1か月前
株式会社GSユアサ
蓄電設備
1か月前
株式会社ホロン
冷陰極電子源
1か月前
株式会社GSユアサ
蓄電装置
16日前
トヨタ自動車株式会社
蓄電装置
24日前
日本特殊陶業株式会社
保持装置
1か月前
日本特殊陶業株式会社
保持装置
15日前
続きを見る
他の特許を見る