TOP
|
特許
|
意匠
|
商標
特許ウォッチ
Twitter
他の特許を見る
10個以上の画像は省略されています。
公開番号
2025147066
公報種別
公開特許公報(A)
公開日
2025-10-03
出願番号
2025131205,2024526988
出願日
2025-08-06,2023-06-06
発明の名称
チェーン
出願人
大同工業株式会社
代理人
弁理士法人近島国際特許事務所
主分類
F16G
13/06 20060101AFI20250926BHJP(機械要素または単位;機械または装置の効果的機能を生じ維持するための一般的手段)
要約
【課題】ガイド部材の摩耗を低減可能なチェーンを提供する。
【解決手段】チェーンの内プレート(10)は、チェーンの駆動時にチェーンを案内するガイド部材と接触する背面を備えている。内プレートの背面は、ガイド部材と摺接する摺接弧部(102a,102b)と、内プレートの一方側の端部を含む端部円弧部(101a,101b)と、摺接弧部と前記端部円弧部と間を接続する接続部(C1,C2)と、を備え、前記摺接弧部(102b)と前記端部円弧部(101a)との共通接線(TL)と、接続部(C1)との間に隙間(V)が形成される。
【選択図】図4C
特許請求の範囲
【請求項1】
1対の外プレートと、前記1対の外プレートの両端部を連結するピンと、を有する複数の外リンクと、
1対の内プレートと、前記1対の内プレートの両端部を連結するブシュと、を有し、前記外リンクと交互に連結される複数の内リンクと、を備えたチェーンであって、
前記内プレートは、前記チェーンの駆動時に前記チェーンを案内するガイド部材と接触する背面を備え、
前記内プレートの背面は、
前記ガイド部材と摺接する摺接弧部と、
前記内プレートの一方側の端部を含む端部円弧部と、
前記摺接弧部と前記端部円弧部と間を接続する接続部と、を備え、
前記摺接弧部と前記端部円弧部との共通接線と、前記接続部との間に隙間が形成される、
チェーン。
続きを表示(約 1,000 文字)
【請求項2】
前記摺接弧部は、第1摺接弧部と、前記第1摺接弧部と前記接続部との間に位置する第2摺接弧部と、を備え、
前記第2摺接弧部の半径は、前記第1摺接弧部の半径よりも小さい、
請求項1記載のチェーン。
【請求項3】
前記接続部は、接続弧部を備え、
前記接続弧部の半径は、前記第1摺接弧部の半径よりも小さい、
請求項2記載のチェーン。
【請求項4】
前記端部円弧部は、前記第1摺接弧部よりも半径が小さく、
前記接続弧部の半径は、前記端部円弧部よりも半径が小さい、
請求項3記載のチェーン。
【請求項5】
前記接続部は、直線からなるストレート部を備えている、
請求項4記載のチェーン。
【請求項6】
前記外プレートは、前記ピンが嵌挿されるピン孔と、前記ガイド部材と対向する背面と、前記ピン孔の中心を結んだピッチラインと直交する方向において、前記背面と対向する正面と、を備え、
前記外プレートの背面は、前記ピン孔の中心間において、前記正面側に凹んだ凹部を備えている、
請求項1乃至5のいずれか1項記載のチェーン。
【請求項7】
前記ピッチラインから前記内プレートの背面までの最小距離を前記内プレートの背面高さと、前記ピッチラインから前記外プレートの背面までの最小距離を前記外プレートの背面高さと、した場合、
前記ピッチラインの軸線方向において前記ピン孔の中心と重なる位置において、前記外プレートの背面高さは、前記内プレートの背面高さよりも高い、
請求項6記載のチェーン。
【請求項8】
1対の外プレートと、前記1対の外プレートの両端部を連結するピンと、を有する複数の外リンクと、
1対の内プレートと、前記1対の内プレートの両端部を連結するブシュと、を有し、前記外リンクと交互に連結される複数の内リンクと、を備えたチェーンであって、
前記内プレートは、前記チェーンの駆動時に前記チェーンを案内するガイド部材と接触する背面を備え、
前記内プレートの背面は、
前記ガイド部材と摺接する摺接部と、
前記内プレートの一方側の端部を含む端部円弧部と、
前記摺接部と前記端部円弧部と間を接続する接続部と、を備え、
前記接続部は、前記端部円弧部よりも半径が小さく形成された接続弧部を備えている、
チェーン。
発明の詳細な説明
【技術分野】
【0001】
本発明は、チェーンに関する。
続きを表示(約 1,500 文字)
【背景技術】
【0002】
従来、クランクスプロケットとカムスプロケットに巻き掛けられた動力伝達チェーンにおいて、内リンクプレートの外形を楕円形状に形成したものが案出されている(特許文献1参照)。より詳しくは、上記動力伝達チェーンは、内リンクプレートを楕円形状に形成してチェーンガイドに接触する背面を円弧形状に形成すると共に、外リンクプレートの背面高さを内リンクプレートよりも低く形成しており、円弧状に形成された内リンクプレートの背面でのみチェーンガイドと摺接することによって、チェーンガイドとの接触面積を低減してチェーンガイドとの間のフリクションロスを低減している。
【先行技術文献】
【特許文献】
【0003】
特許第5259775号公報
【発明の概要】
【発明が解決しようとする課題】
【0004】
上述したように、チェーンガイドと摺接する内リンクプレートの背面を円弧形状に形成すると、チェーンガイドとの接触面積を減らすことができるため、チェーンガイドとの間のフリクションロスを低減することができる。しかしながら、このようなチェーンは、チェーンガイドとの接触面積の低減に伴いチェーンガイドとの接触面圧が増加する。そして、これにより、チェーンガイドと内リンクプレートとの間に介在する油膜厚が薄くなり、これらチェーン及びチェーンガイド間の接触によって、チェーンガイドの摩耗量が増加してしまうという問題があった。
【課題を解決するための手段】
【0005】
本発明は、ガイド部材の摩耗を低減可能なチェーンを提供する。
【0006】
本発明の一態様は、1対の外プレートと、前記1対の外プレートの両端部を連結するピンと、を有する複数の外リンクと、1対の内プレートと、前記1対の内プレートの両端部を連結するブシュと、を有し、前記外リンクと交互に連結される複数の内リンクと、を備えたチェーンであって、前記内プレートは、前記チェーンの駆動時に前記チェーンを案内するガイド部材と接触する背面を備え、前記内プレートの背面は、前記ガイド部材と摺接する摺接弧部と、前記内プレートの一方側の端部を含む端部円弧部と、前記摺接弧部と前記端部円弧部と間を接続する接続部と、を備え、前記摺接弧部と前記端部円弧部との共通接線と、前記接続部との間に隙間が形成されるチェーンである。
【発明の効果】
【0007】
ガイド部材の摩耗を低減可能なチェーンを提供することができる。
【0008】
本発明のその他の特徴及び利点は、添付図面を参照とした以下の説明により明らかになるであろう。なお、添付図面においては、同じ若しくは同様の構成には、同じ参照番号を付す。
【図面の簡単な説明】
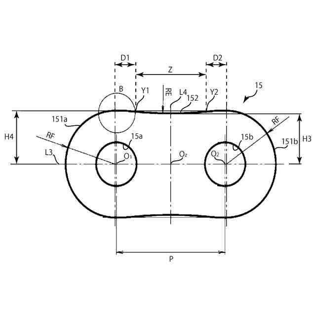
【0009】
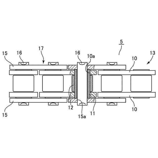
本実施の形態に係るタイミングチェーン伝動装置を示す正面図。
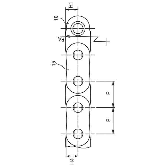
本実施の形態に係るタイミングチェーンの平面図。
本実施の形態に係るタイミングチェーンの側面図。
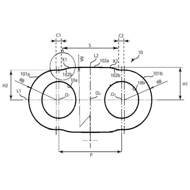
内プレートの側面図。
内プレートの平面図。
図4AのA部拡大図。
外プレートの側面図。
外プレートの平面図
図5AのB部拡大図。
本実施の形態における油膜発生の原理を説明するための模式図。
半径の小さなガイド部と接触した場合のチェーンを示す模式図。
【発明を実施するための形態】
【0010】
(タイミングチェーン伝動装置の構成)
(【0011】以降は省略されています)
この特許をJ-PlatPat(特許庁公式サイト)で参照する
関連特許
大同工業株式会社
潤滑剤及び潤滑剤の塗布方法
3か月前
大同工業株式会社
チェーン
1か月前
大同工業株式会社
バキュームコンベア用チェーン及びバキュームコンベア装置
16日前
個人
留め具
1か月前
個人
鍋虫ねじ
2か月前
個人
回転伝達機構
3か月前
個人
紛体用仕切弁
2か月前
個人
ホース保持具
7か月前
個人
トーションバー
7か月前
個人
差動歯車用歯形
4か月前
個人
ジョイント
2か月前
個人
給排気装置
1か月前
個人
ナット
15日前
個人
ナット
2か月前
個人
地震の揺れ回避装置
3か月前
株式会社不二工機
電磁弁
6か月前
株式会社不二工機
電磁弁
4か月前
個人
ゲート弁バルブ
今日
個人
吐出量監視装置
2か月前
株式会社三協丸筒
枠体
7か月前
カヤバ株式会社
緩衝器
4か月前
兼工業株式会社
バルブ
16日前
カヤバ株式会社
緩衝器
1か月前
カヤバ株式会社
ダンパ
4か月前
カヤバ株式会社
緩衝器
4か月前
カヤバ株式会社
ダンパ
4か月前
柿沼金属精機株式会社
分岐管
3か月前
個人
固着具と固着具の固定方法
6か月前
アズビル株式会社
回転弁
1か月前
株式会社不二工機
電磁弁
2か月前
株式会社奥村組
制振機構
1か月前
株式会社タカギ
水栓装置
3か月前
株式会社不二工機
電動弁
1か月前
個人
固着具と固着具の固定方法
7か月前
株式会社奥村組
制振機構
1か月前
株式会社不二工機
電動弁
7か月前
続きを見る
他の特許を見る