TOP
|
特許
|
意匠
|
商標
特許ウォッチ
Twitter
他の特許を見る
公開番号
2025140558
公報種別
公開特許公報(A)
公開日
2025-09-29
出願番号
2024040029
出願日
2024-03-14
発明の名称
制振機構
出願人
株式会社奥村組
代理人
個人
主分類
F16F
15/02 20060101AFI20250919BHJP(機械要素または単位;機械または装置の効果的機能を生じ維持するための一般的手段)
要約
【課題】引張コイルばねの復元力における非線形な力学成分の発生を抑制する。
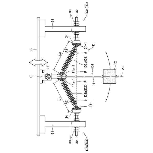
【解決手段】制振対象構造物Sに設置された制振装置Dは、制振対象構造物S側を支点に振動するアーム部11、およびアーム部11に取り付けられた質量体12を備えた振動体D1と、アーム部11の振動面と一致する方向で且つアーム部11を挟んで相互に反対側の位置となるようにして一方端がアーム部11にそれぞれ係止され、同一のばね定数を有する第1および第2の引張コイルばねD2a,D2bと、第1および第2の引張コイルばねD2a,D2bの他端をそれぞれ係止する第1および第2の係止部材D3a,D3bとを有し、第1の引張コイルばねD2aにおける2カ所の係止位置の距離L1と、第2の引張コイルばねD2bにおける2カ所の係止位置の距離L2とが等距離で、第1および第2の引張コイルばねD2a,D2bの取付角が15°~45°となっている。
【選択図】 図1
特許請求の範囲
【請求項1】
所定の固有振動数(f)を持つ制振対象構造物と、
前記制振対象構造物に設置され、前記制振対象構造物の振動方向と交差する方向に振動可能で、且つ前記制振対象構造物の固有振動数(f)の半分の固有振動数(f/2)を持つ制振手段とを有し、
前記制振手段は、
前記制振対象構造物に設置されて当該制振対象構造物側に設けられた回動軸を支点に振動可能なアーム部、および前記アーム部に取り付けられた質量体を備えた振動体と、
前記アーム部の振動面と一致する方向で且つ前記アーム部を挟んで相互に反対側の位置となるようにして一方端が前記アーム部にそれぞれ係止され、互いに同一のばね定数を有する第1の引張コイルばねおよび第2の引張コイルばねと、
前記第1の引張コイルばねおよび前記第2の引張コイルばねの他端をそれぞれ係止する第1の係止部材および第2の係止部材とを有し、
前記第1の引張コイルばねにおける前記アーム部の係止位置と前記第1の係止部材の係止位置との距離と、前記第2の引張コイルばねにおける前記アーム部の係止位置と前記第2の係止部材の係止位置との距離とが等距離であり、
前記制振対象構造物の設置面に対して垂直な状態での前記アーム部の軸線に向けて前記第1の引張コイルばねにおける前記第1の係止部材の係止点から引いた垂線と前記第1の引張コイルばねの軸線とでなす角、および前記制振対象構造物の設置面に対して垂直な状態での前記アーム部の軸線に向けて前記第2の引張コイルばねにおける前記第2の係止部材の係止点から引いた垂線と前記第2の引張コイルばねの軸線とでなす角が15°~45°である、
ことを特徴とする制振機構。
続きを表示(約 1,400 文字)
【請求項2】
所定の固有振動数(f)を持つ制振対象構造物と、
前記制振対象構造物に設置され、前記制振対象構造物の振動方向と交差する方向に振動可能で、且つ前記制振対象構造物の固有振動数(f)の半分の固有振動数(f/2)を持つ制振手段とを有し、
前記制振手段は、
前記制振対象構造物に設置されて当該制振対象構造物側に設けられた回動軸を支点に振動可能なアーム部、および前記アーム部に取り付けられた質量体を備えた振動体と、
前記アーム部の振動面と一致する方向で且つ前記アーム部を挟んで相互に反対側の位置となるようにして一方端が前記アーム部にそれぞれ係止され、互いに同一のばね定数を有する第1の引張コイルばねおよび第2の引張コイルばねと、
前記第1の引張コイルばねおよび前記第2の引張コイルばねの他端をそれぞれ係止する第1の係止部材および第2の係止部材とを有し、
前記第1の引張コイルばねにおける前記アーム部の係止位置と前記第1の係止部材の係止位置との距離と、前記第2の引張コイルばねにおける前記アーム部の係止位置と前記第2の係止部材の係止位置との距離とが等距離であり、
前記制振対象構造物の設置面に対して垂直な状態での前記アーム部の軸線に向けて前記第1の引張コイルばねにおける前記第1の係止部材の係止点から引いた垂線と前記第1の引張コイルばねの軸線とでなす角、および前記制振対象構造物の設置面に対して垂直な状態での前記アーム部の軸線に向けて前記第2の引張コイルばねにおける前記第2の係止部材の係止点から引いた垂線と前記第2の引張コイルばねの軸線とでなす角が30°±5°である、
ことを特徴とする制振機構。
【請求項3】
前記制振対象構造物は、水平方向に延在して構築されるとともに両端で支持された両持ち構造の梁状または盤状の構造物であり、
前記制振手段は、前記制振対象構造物の両端の支持位置の中央位置の上面または下面に設置されて前記制振対象構造物の上下振動を抑制する、
ことを特徴とする請求項1または2記載の制振機構。
【請求項4】
前記制振対象構造物は、水平方向に延在して構築されるとともに一端のみで支持された片持ち構造の梁状または盤状の構造物であり、
前記制振手段は、前記制振対象構造物の前記一端とは反対側の自由端の上面または下面に設置されて前記制振対象構造物の上下振動を抑制する、
ことを特徴とする請求項1または2記載の制振機構。
【請求項5】
前記制振対象構造物は塔状の構造物であり、
前記制振手段は、前記制振対象構造物の水平面に上向きに設置されて前記制振対象構造物の水平振動を抑制する、
ことを特徴とする請求項1または2記載の制振機構。
【請求項6】
前記制振手段は、前記制振対象構造物の頂部に設置される、
ことを特徴とする請求項5記載の制振機構。
【請求項7】
前記制振対象構造物は塔状の構造物であり、
前記制振手段は、前記制振対象構造物の側面に設置されて前記制振対象構造物の水平振動または上下振動を抑制する、
ことを特徴とする請求項1または2記載の制振機構。
【請求項8】
前記制振手段は、前記制振対象構造物の上部側面に設置される、
ことを特徴とする請求項7記載の制振機構。
発明の詳細な説明
【技術分野】
【0001】
本発明は、制振対象構造物に発生した振動を抑制する制振機構に関するものである。
続きを表示(約 1,800 文字)
【背景技術】
【0002】
例えば、道路や鉄道などが陸上の障害物や川や谷、海などの上を通過するために架け渡された橋梁などのように水平方向に延在して構築された梁状または盤状の構造物や高層建築物などのような塔状の構造物(制振対象構造物)においては、地震時や強風時における揺れの周期が長く、地震や強風がおさまった後においてもしばらくの間は揺れが続いてしまう。
【0003】
そこで、制振対象構造物に制振手段を設置して制振することが行われている。この装置は、制振対象の構造物に、当該構造物側を支点にして振動可能なアーム部を介して補助的な質量体が付加された振動体を設置することにより、振動体が構造物の振動を肩代わりするように振動することで、制振対象構造物の固有振動数周辺での共振現象を抑制するものである。
【0004】
具体的には、制振対象構造物の振動方向と直交する方向が振動体の振動方向となり、且つ、制振対象構造物の固有周期に対して振動体の振動周期を半分にした制振手段を設置することにより、制振対象構造物の振動を低減させることが可能になる。
【0005】
なお、制振対象構造物の固有周期に対して振動体の振動周期を半分にした制振手段で制振対象構造物の振動を低減させる技術については、例えば特開2020-148339号公報などに詳しく記載されている。
【先行技術文献】
【特許文献】
【0006】
特開2020-148339号公報
【発明の概要】
【発明が解決しようとする課題】
【0007】
ここで、制振手段として、振動体のアーム部の振動面と一致する方向で且つ当該アーム部を挟んだ両側に引張コイルばねを取り付けておき、引張コイルばねの復元力で振動体を振動させる構造が考えられる。
【0008】
このように引張コイルばねを用いた構造では、振動体の振れ角が大きくなるにつれて引張コイルばねの復元力に非線形な力学成分が発生して振動の線形性が失われ、振動体の周期が長くなったり短くなったりする。これでは、振動体が大きく振れたときには、制振手段により制振対象構造物を制振することができなくなる。
【0009】
本発明は、上述の技術的背景からなされたものであって、制振手段に用いられた引張コイルばねの復元力における非線形な力学成分の発生を抑制できる制振機構を提供することを目的とする。
【課題を解決するための手段】
【0010】
上記課題を解決するため、請求項1に記載の本発明の制振機構は、所定の固有振動数(f)を持つ制振対象構造物と、前記制振対象構造物に設置され、前記制振対象構造物の振動方向と交差する方向に振動可能で、且つ前記制振対象構造物の固有振動数(f)の半分の固有振動数(f/2)を持つ制振手段とを有し、前記制振手段は、前記制振対象構造物に設置されて当該制振対象構造物側に設けられた回動軸を支点に振動可能なアーム部、および前記アーム部に取り付けられた質量体を備えた振動体と、前記アーム部の振動面と一致する方向で且つ前記アーム部を挟んで相互に反対側の位置となるようにして一方端が前記アーム部にそれぞれ係止され、互いに同一のばね定数を有する第1の引張コイルばねおよび第2の引張コイルばねと、前記第1の引張コイルばねおよび前記第2の引張コイルばねの他端をそれぞれ係止する第1の係止部材および第2の係止部材とを有し、前記第1の引張コイルばねにおける前記アーム部の係止位置と前記第1の係止部材の係止位置との距離と、前記第2の引張コイルばねにおける前記アーム部の係止位置と前記第2の係止部材の係止位置との距離とが等距離であり、前記制振対象構造物の設置面に対して垂直な状態での前記アーム部の軸線に向けて前記第1の引張コイルばねにおける前記第1の係止部材の係止点から引いた垂線と前記第1の引張コイルばねの軸線とでなす角、および前記制振対象構造物の設置面に対して垂直な状態での前記アーム部の軸線に向けて前記第2の引張コイルばねにおける前記第2の係止部材の係止点から引いた垂線と前記第2の引張コイルばねの軸線とでなす角が15°~45°である、ことを特徴とする。
(【0011】以降は省略されています)
この特許をJ-PlatPat(特許庁公式サイト)で参照する
関連特許
株式会社奥村組
制振機構
1か月前
株式会社奥村組
設置架台
1か月前
株式会社奥村組
制振機構
1か月前
株式会社奥村組
吊り治具
1か月前
株式会社奥村組
運搬方法
1か月前
株式会社奥村組
施工管理装置
28日前
株式会社奥村組
爆薬装填装置
29日前
株式会社奥村組
施工管理方法
28日前
株式会社奥村組
施工管理装置
28日前
株式会社奥村組
ケーソン工法
1か月前
株式会社奥村組
非開削推進工法
28日前
株式会社奥村組
非開削推進工法
28日前
株式会社奥村組
非開削推進工法
28日前
株式会社奥村組
非開削推進工法
28日前
株式会社奥村組
シールド掘進機
1か月前
株式会社奥村組
非開削推進工法
28日前
株式会社奥村組
ケーソン刃口金物
1か月前
株式会社奥村組
廃棄物分類処理装置
1か月前
株式会社奥村組
外壁部施工用足場構造
29日前
株式会社奥村組
圧入式オープンケーソン
1か月前
株式会社奥村組
洗浄器具および洗浄方法
1か月前
株式会社奥村組
継手部用スパイラル鉄筋
24日前
株式会社奥村組
継手部用スパイラル鉄筋
24日前
株式会社奥村組
掘削機および非開削推進工法
28日前
株式会社奥村組
ドラムカッタ用集塵カバー体
1か月前
株式会社奥村組
壁下地用胴縁の端部固定構造
1か月前
株式会社奥村組
免震用ダンパ装置の連結部構造
1か月前
株式会社奥村組
大規模建築物における骨組み構造
28日前
国立大学法人 筑波大学
制振機構
1か月前
国立大学法人 筑波大学
制振機構
1か月前
国立大学法人 筑波大学
制振機構
1か月前
株式会社奥村組
底部コンクリート構造体の撤去方法
1か月前
株式会社奥村組
PCa庇パネル部材を用いた足場構造
29日前
株式会社奥村組
PCa庇パネル部材の取付け施工方法
29日前
株式会社奥村組
木質部材のコンクリート面への接合工法
1か月前
株式会社奥村組
シールド掘進機およびシールド掘進方法
1か月前
続きを見る
他の特許を見る