TOP
|
特許
|
意匠
|
商標
特許ウォッチ
Twitter
他の特許を見る
公開番号
2025140556
公報種別
公開特許公報(A)
公開日
2025-09-29
出願番号
2024040027
出願日
2024-03-14
発明の名称
制振機構
出願人
株式会社奥村組
代理人
個人
主分類
F16F
15/02 20060101AFI20250919BHJP(機械要素または単位;機械または装置の効果的機能を生じ維持するための一般的手段)
要約
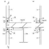
【課題】制振対象構造物の固有振動数での共振現象を抑制できる制振機構を提供する。
【解決手段】所定の固有振動数(f)を持つ制振対象構造物Sに設置され、制振対象構造物Sの振動方向と交差する方向に振動可能で、且つ制振対象構造物Sの固有振動数(f)の半分の固有振動数(f/2)を持つ制振装置Dである。制振装置Dは、制振対象構造物Sの下面側に設置されて当該制振対象構造物側Sを支点に振動するアーム部11、および重心位置でアーム部11に取り付けられた質量体12を備えた振動体D1と、アーム部11の振動面と一致する面内となるようにして質量体12に取り付けられ、制振対象構造物Sの上下振動に伴って上下動して振動体D1を振動させる起振体D2とを有する。
【選択図】 図1
特許請求の範囲
【請求項1】
水平方向に延在して構築され、所定の固有振動数(f)を持つ制振対象構造物と、
前記制振対象構造物に設置され、前記制振対象構造物の振動方向と交差する方向に振動可能で、且つ前記制振対象構造物の固有振動数(f)の半分の固有振動数(f/2)を持つ制振手段とを有し、
前記制振手段は、
前記制振対象構造物の下面側に設置されて当該制振対象構造物側を支点に振動するアーム部、および重心位置で前記アーム部に取り付けられた質量体を備えた振動体と、
前記アーム部の振動面と一致する面内となるようにして前記質量体に取り付けられ、前記制振対象構造物の上下振動に伴って上下動して前記振動体を振動させる起振体と、
を有することを特徴とする制振機構。
続きを表示(約 530 文字)
【請求項2】
前記起振体は、
前記質量体の側方に取り付けられて上下方向に曲げ変形する板バネまたは線バネと、
前記板バネまたは前記線バネの先端に固定され、前記板バネの曲げ変形で上下に振動する錘部とを備える、
ことを特徴とする請求項1記載の制振機構。
【請求項3】
前記起振体は、
前記質量体の側方に取り付けられて上下方向に対向配置された一対のコイルバネと、
前記コイルバネに挟まれるようにして保持され、前記コイルバネの伸縮で上下に振動する錘部とを備える、
ことを特徴とする請求項1記載の制振機構。
【請求項4】
前記制振対象構造物は、両端で支持された両持ち構造であり、
前記制振手段は、前記制振対象構造物の両端の支持位置の中央位置に設置される、
ことを特徴とする請求項1~3の何れか一項に記載の制振機構。
【請求項5】
前記制振対象構造物は、一端のみで支持された片持ち構造であり、
前記制振手段は、前記制振対象構造物の前記一端とは反対側の自由端に設置される、
ことを特徴とする請求項1~3の何れか一項に記載の制振機構。
発明の詳細な説明
【技術分野】
【0001】
本発明は、制振対象構造物に発生した振動を抑制する制振機構に関するものである。
続きを表示(約 1,400 文字)
【背景技術】
【0002】
例えば、道路や鉄道などが陸上の障害物や川や谷、海などの上を通過するために架け渡された橋梁などのように水平方向に延在して構築された梁状または盤状の構造物や高層建築物などのような塔状の構造物(制振対象構造物)においては、地震時や強風時における揺れの周期が長く、地震や強風がおさまった後においてもしばらくの間は揺れが続いてしまう。
【0003】
そこで、制振対象構造物に制振手段を設置して制振することが行われている。この装置は、制振対象の構造物に、当該構造物側を支点にして振動可能なアーム部を介して補助的な質量体が付加された振動体を設置することにより、振動体が構造物の振動を肩代わりするように振動することで、制振対象構造物の固有振動数周辺での共振現象を抑制するものである。
【0004】
具体的には、制振対象構造物の振動方向と直交する方向が振動体の振動方向となり、且つ、制振対象構造物の固有周期に対して振動体の振動周期を半分にした制振手段を設置することにより、制振対象構造物の振動を低減させることが可能になる。
【0005】
なお、制振対象構造物の固有周期に対して振動体の振動周期を半分にした制振手段で制振対象構造物の振動を低減させる技術については、例えば特開2020-148339号公報などに詳しく記載されている。
【先行技術文献】
【特許文献】
【0006】
特開2020-148339号公報
【発明の概要】
【発明が解決しようとする課題】
【0007】
ここで、橋梁などのように水平方向に延在して構築され、振動が縦揺れ(上下振動)になる制振対象構造物に制振手段を設置した場合、振動体は初期状態において垂直下で安定しており、制振対象構造体が上下に振動しても、そのままでは振動することができない。
【0008】
本発明は、上述の技術的背景からなされたものであって、水平方向に延在して構築された制振対象構造物を制振するための振動体が制振対象構造物の振動で振動することのできる制振機構を提供することを目的とする。
【課題を解決するための手段】
【0009】
上記課題を解決するため、請求項1に記載の本発明の制振機構は、水平方向に延在して構築され、所定の固有振動数(f)を持つ制振対象構造物と、前記制振対象構造物に設置され、前記制振対象構造物の振動方向と交差する方向に振動可能で、且つ前記制振対象構造物の固有振動数(f)の半分の固有振動数(f/2)を持つ制振手段とを有し、前記制振手段は、前記制振対象構造物の下面側に設置されて当該制振対象構造物側を支点に振動するアーム部、および重心位置で前記アーム部に取り付けられた質量体を備えた振動体と、前記アーム部の振動面と一致する面内となるようにして前記質量体に取り付けられ、前記制振対象構造物の上下振動に伴って上下動して前記振動体を振動させる起振体と、を有することを特徴とする。
【0010】
請求項2に記載の本発明の制振機構は、上記請求項1記載の発明において、前記起振体は、前記質量体の側方に取り付けられて上下方向に曲げ変形する板バネまたは線バネと、前記板バネまたは前記線バネの先端に固定され、前記板バネの曲げ変形で上下に振動する錘部とを備える、ことを特徴とする。
(【0011】以降は省略されています)
この特許をJ-PlatPat(特許庁公式サイト)で参照する
関連特許
株式会社奥村組
制振機構
1か月前
株式会社奥村組
制振機構
1か月前
株式会社奥村組
設置架台
1か月前
株式会社奥村組
施工管理装置
1か月前
株式会社奥村組
施工管理方法
1か月前
株式会社奥村組
施工管理装置
1か月前
株式会社奥村組
爆薬装填装置
1か月前
株式会社奥村組
非開削推進工法
1か月前
株式会社奥村組
非開削推進工法
1か月前
株式会社奥村組
非開削推進工法
1か月前
株式会社奥村組
非開削推進工法
1か月前
株式会社奥村組
非開削推進工法
1か月前
株式会社奥村組
廃棄物分類処理装置
1か月前
株式会社奥村組
外壁部施工用足場構造
1か月前
株式会社奥村組
圧入式オープンケーソン
1か月前
株式会社奥村組
継手部用スパイラル鉄筋
1か月前
株式会社奥村組
洗浄器具および洗浄方法
1か月前
株式会社奥村組
継手部用スパイラル鉄筋
1か月前
株式会社奥村組
壁下地用胴縁の端部固定構造
1か月前
株式会社奥村組
掘削機および非開削推進工法
1か月前
株式会社奥村組
ドラムカッタ用集塵カバー体
1か月前
株式会社奥村組
免震用ダンパ装置の連結部構造
1か月前
株式会社奥村組
大規模建築物における骨組み構造
1か月前
国立大学法人 筑波大学
制振機構
1か月前
国立大学法人 筑波大学
制振機構
1か月前
国立大学法人 筑波大学
制振機構
1か月前
株式会社奥村組
底部コンクリート構造体の撤去方法
1か月前
株式会社奥村組
PCa庇パネル部材を用いた足場構造
1か月前
株式会社奥村組
PCa庇パネル部材の取付け施工方法
1か月前
株式会社奥村組
木質部材のコンクリート面への接合工法
1か月前
株式会社奥村組
スパイラル鉄筋を用いた継手部の配筋構造
1か月前
株式会社奥村組
スパイラル鉄筋を用いた継手部の配筋構造
1か月前
株式会社奥村組
スパイラル鉄筋を用いた継手部の配筋構造
1か月前
株式会社奥村組
スパイラル鉄筋を用いた継手部の配筋構造
1か月前
株式会社奥村組
スパイラル鉄筋を用いた継手部の配筋構造
1か月前
株式会社奥村組
スパイラル鉄筋を用いた継手部の配筋構造
1か月前
続きを見る
他の特許を見る