TOP
|
特許
|
意匠
|
商標
特許ウォッチ
Twitter
他の特許を見る
10個以上の画像は省略されています。
公開番号
2025144858
公報種別
公開特許公報(A)
公開日
2025-10-03
出願番号
2024044745
出願日
2024-03-21
発明の名称
電力変換装置
出願人
TDK株式会社
代理人
弁理士法人つばさ国際特許事務所
主分類
H02M
3/00 20060101AFI20250926BHJP(電力の発電,変換,配電)
要約
【課題】スイッチング損失およびノイズを低減することができる電力変換装置を得る。
【解決手段】本開示の一実施の形態に係る電力変換装置は、交流電圧が入力可能な入力端子と、第1の入力端子から第1のノードに向かって電流を流すことが可能な第1の素子と、第2のノードから第1の入力端子に向かって電流を流すことが可能な第2の素子と、第2の入力端子から第1のノードに向かって電流を流すことが可能な第3の素子と、第2のノードから第2の入力端子に向かって電流を流すことが可能な第4の素子とを含む整流回路と、キャパシタと、スイッチング素子を有し、スイッチング素子がスイッチング動作を行うことにより電圧変換動作を行うことが可能なDC/DCコンバータと、電圧変換動作により生成された電圧を出力可能な出力端子と、整流回路が導通状態であるかどうかに応じて、スイッチング素子を駆動する駆動電流を制限可能な駆動制御回路とを備える。
【選択図】図1
特許請求の範囲
【請求項1】
交流電圧が入力可能であり、第1の入力端子および第2の入力端子を含む入力端子と、
前記第1の入力端子と第1のノードとを結ぶ経路に設けられ、前記第1の入力端子から前記第1のノードに向かって電流を流すことが可能な第1の素子と、第2のノードと前記第1の入力端子とを結ぶ経路に設けられ、前記第2のノードから前記第1の入力端子に向かって電流を流すことが可能な第2の素子と、前記第2の入力端子と前記第1のノードとを結ぶ経路に設けられ、前記第2の入力端子から前記第1のノードに向かって電流を流すことが可能な第3の素子と、前記第2のノードと前記第2の入力端子とを結ぶ経路に設けられ、前記第2のノードから前記第2の入力端子に向かって電流を流すことが可能な第4の素子とを含む整流回路と、
前記第1のノードに接続された一端と、前記第2のノードに接続された他端とを有するキャパシタと、
スイッチング素子を有し、前記スイッチング素子がスイッチング動作を行うことにより、前記第1のノードと前記第2のノードとの間の電圧に基づいて電圧変換動作を行うことが可能なDC/DCコンバータと、
前記電圧変換動作により生成された電圧を出力可能な出力端子と、
前記スイッチング素子のスイッチング動作を制御可能であり、前記整流回路が導通状態であるかどうかに応じて、前記スイッチング素子を駆動する駆動電流を制限可能な駆動制御回路と
を備えた電力変換装置。
続きを表示(約 1,500 文字)
【請求項2】
前記駆動制御回路は、前記キャパシタの両端間の電圧が上昇する期間に基づいて、前記駆動電流を制限する期間を設定可能である
請求項1に記載の電力変換装置。
【請求項3】
前記駆動制御回路は、前記整流回路に電流が流れる期間に基づいて、前記駆動電流を制限する期間を設定可能である
請求項1に記載の電力変換装置。
【請求項4】
前記駆動制御回路は、前記交流電圧のゼロクロスタイミング、および前記交流電圧の周波数に基づいて、前記整流回路に電流が流れる期間を推定することにより、前記駆動電流を制限する期間を設定可能である
請求項1に記載の電力変換装置。
【請求項5】
前記駆動制御回路は、
前記スイッチング素子を駆動可能な駆動回路と、
前記駆動回路と前記スイッチング素子とを結ぶ経路に設けられた電流制限素子と、
前記電流制限素子の両端を短絡可能なスイッチとを有する
請求項1に記載の電力変換装置。
【請求項6】
前記駆動制御回路は、
前記スイッチング素子を駆動可能なドライバと、
前記ドライバへの電源供給経路に設けられた電流制限素子と、
前記電流制限素子の両端を短絡可能なスイッチと
を有する
請求項1に記載の電力変換装置。
【請求項7】
前記電流制限素子は、抵抗素子およびインダクタのうちの一方または双方を含む
請求項5または請求項6に記載の電力変換装置。
【請求項8】
前記駆動制御回路は、
制御信号に基づいて、前記スイッチング素子を駆動可能な第1のドライバと、
前記制御信号に基づいて前記スイッチング素子を駆動する第1の動作と、出力インピーダンスをハイインピーダンスにする第2の動作とを行うことが可能な第2のドライバと
を有する
請求項1に記載の電力変換装置。
【請求項9】
第1の電力変換回路と、第2の電力変換回路と、第3の電力変換回路とを備え、
前記第1の電力変換回路、前記第2の電力変換回路、および前記第3の電力変換回路のそれぞれは、前記入力端子、前記整流回路、前記キャパシタ、および前記DC-DCコンバータを有し、
前記第1の電力変換回路の前記入力端子には、第1の交流電圧、第2の交流電圧、および第3の交流電圧を含む3相交流電圧のうちの前記第1の交流電圧が入力可能であり、
前記第2の電力変換回路の前記入力端子には、前記第2の交流電圧が入力可能であり、
前記第3の電力変換回路の前記入力端子には、前記第3の交流電圧が入力可能であり、
前記駆動制御回路は、
前記第1の電力変換回路の前記スイッチング動作、前記第2の電力変換回路の前記スイッチング動作、および前記第3の電力変換回路の前記スイッチング動作を制御可能であり、
前記第1の電力変換回路の前記整流回路が導通状態であるかどうかに応じて、前記第1の電力変換回路の前記スイッチング素子を駆動する駆動電流を変化させることが可能であり、
前記第2の電力変換回路の前記整流回路が導通状態であるかどうかに応じて、前記第2の電力変換回路の前記スイッチング素子を駆動する駆動電流を変化させることが可能であり、
前記第3の電力変換回路の前記整流回路が導通状態であるかどうかに応じて、前記第3の電力変換回路の前記スイッチング素子を駆動する駆動電流を変化させることが可能である
請求項1に記載の電力変換装置。
発明の詳細な説明
【技術分野】
【0001】
本発明は、電力を変換する電力変換装置に関する。
続きを表示(約 2,400 文字)
【背景技術】
【0002】
電力変換装置には、スイッチング損失の低減を図るものがある。また、電力変換装置では、サージの低減を図るものがある。例えば、特許文献1には、スイッチング損失の低減を図りつつサージの低減を図るPFC(Power Factor Correction)コンバータが開示されている。
【先行技術文献】
【特許文献】
【0003】
特開2013-141409号公報
【発明の概要】
【発明が解決しようとする課題】
【0004】
電力変換装置では、しばしば、スイッチング損失を低減しつつノイズを低減することが望まれており、スイッチング損失およびノイズのさらなる低減が期待されている。
【0005】
スイッチング損失およびノイズを低減することができる電力変換装置を提供することが望ましい。
【課題を解決するための手段】
【0006】
本発明の一実施の形態に係る電力変換装置は、入力端子と、整流回路と、キャパシタと、DC/DCコンバータと、出力端子と、駆動制御回路とを備えている。入力端子は、交流電圧が入力可能であり、第1の入力端子および第2の入力端子を含むものである。整流回路は、第1の入力端子と第1のノードとを結ぶ経路に設けられ、第1の入力端子から第1のノードに向かって電流を流すことが可能な第1の素子と、第2のノードと第1の入力端子とを結ぶ経路に設けられ、第2のノードから第1の入力端子に向かって電流を流すことが可能な第2の素子と、第2の入力端子と第1のノードとを結ぶ経路に設けられ、第2の入力端子から第1のノードに向かって電流を流すことが可能な第3の素子と、第2のノードと第2の入力端子とを結ぶ経路に設けられ、第2のノードから第2の入力端子に向かって電流を流すことが可能な第4の素子とを含むものである。キャパシタは、第1のノードに接続された一端と、第2のノードに接続された他端とを有するものである。DC/DCコンバータは、スイッチング素子を有し、スイッチング素子がスイッチング動作を行うことにより、第1のノードと第2のノードとの間の電圧に基づいて電圧変換動作を行うことが可能なものである。出力端子は、電圧変換動作により生成された電圧を出力可能なものである。駆動制御回路は、スイッチング素子のスイッチング動作を制御可能であり、整流回路が導通状態であるかどうかに応じて、スイッチング素子を駆動する駆動電流を制限可能なものである。
【発明の効果】
【0007】
本発明の一実施の形態に係る電力変換装置によれば、スイッチング損失およびノイズを低減することができる。
【図面の簡単な説明】
【0008】
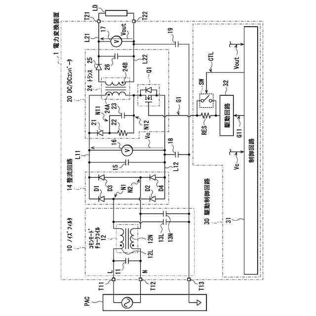
図1は、本発明の一実施の形態に係る電力変換装置の一構成例を表す回路図である。
図2は、図1に示した電力変換装置の一動作例を表すタイミング図である。
図3は、図1に示した駆動制御回路の一動作例を表す波形図である。
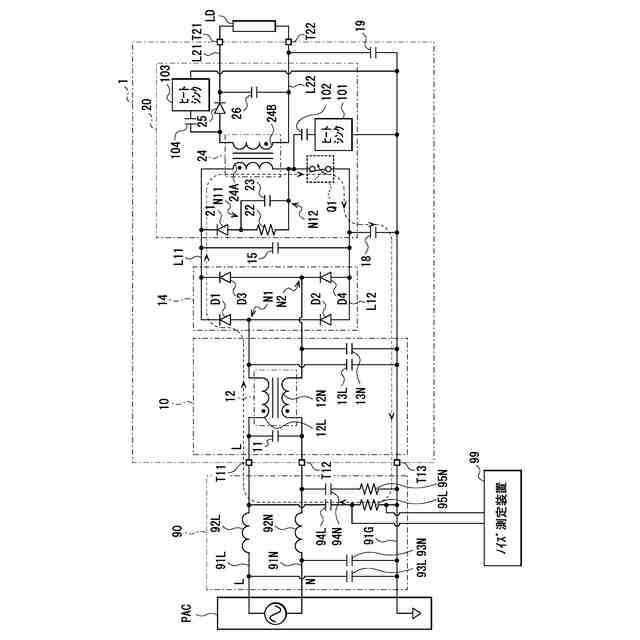
図4は、図1に示した電力変換装置のノイズを測定する回路の一例を表す説明図である。
図5Aは、図1に示した電力変換装置の一動作例を表す説明図である。
図5Bは、図1に示した電力変換装置の他の一動作例を表す説明図である。
図6は、図1に示した電力変換装置のノイズ特性の一例を表す特性図である。
図7Aは、参考例に係るノイズ特性の一例を表す特性図である。
図7Bは、他の参考例に係るノイズ特性の一例を表す特性図である。
図7Cは、他の参考例に係るノイズ特性の一例を表す特性図である。
図8は、図1に示した電力変換装置のノイズ特性の他の一例を表す特性図である。
図9は、他の参考例に係るノイズ特性の一例を表す特性図である。
図10は、変形例に係る電力変換装置の一構成例を表す回路図である。
図11は、図10に示した電力変換装置の一動作例を表すタイミング図である。
図12は、他の変形例に係る電力変換装置の一構成例を表す回路図である。
図13は、図12に示した電力変換装置の一動作例を表すタイミング図である。
図14は、他の変形例に係る電力変換装置の一構成例を表す回路図である。
図15は、図14に示した駆動回路の一構成例を表す回路図である。
図16は、他の変形例に係る駆動回路の一構成例を表す回路図である。
図17は、図16に示した駆動回路の一動作例を表すタイミング図である。
図18は、他の変形例に係る電力変換装置の一構成例を表す回路図である。
図19は、他の変形例に係る電力変換装置の一構成例を表す回路図である。
図20は、図19に示した電力変換装置の一動作例を表すタイミング図である。
【発明を実施するための形態】
【0009】
以下、本発明の実施の形態について、図面を参照して詳細に説明する。
【0010】
<実施の形態>
[構成例]
図1は、本発明の一実施の形態に係る電力変換装置(電力変換装置1)の一構成例を表すものである。電力変換装置1は、系統電源などの交流電源PACから供給された交流電圧を直流電圧に変換し、変換された直流電圧を負荷装置LDに供給するAC/DCコンバータである。電力変換装置1は、端子T11,T12,T13と、ノイズフィルタ10と、整流回路14と、キャパシタ15と、電圧センサ16と、DC/DCコンバータ20と、電圧センサ17と、キャパシタ18,19と、駆動制御回路30と、端子T21,T22とを備えている。
(【0011】以降は省略されています)
この特許をJ-PlatPat(特許庁公式サイト)で参照する
関連特許
TDK株式会社
電子部品
8日前
TDK株式会社
電子部品
21日前
TDK株式会社
接合構造
13日前
TDK株式会社
電力変換装置
21日前
TDK株式会社
アンテナモジュール
1か月前
TDK株式会社
コモンモードフィルタ
14日前
TDK株式会社
温度特性データ決定方法
今日
TDK株式会社
磁気センサおよびその製造方法
21日前
TDK株式会社
入力装置及び入力装置の制御方法
27日前
TDK株式会社
物理レザバー素子及び物理レザバー
1か月前
TDK株式会社
温度情報出力装置、及び、回転電機
今日
TDK株式会社
磁気センサおよび磁気センサの製造方法
13日前
TDK株式会社
軟磁性粉末、磁性体コア、および磁性部品
1か月前
TDK株式会社
磁性シート及びこれを備えるコイルモジュール
1か月前
TDK株式会社
温度情報出力装置、回転電機、及び温度取得装置
今日
TDK株式会社
軟磁性合金粒子、軟磁性粉末、圧粉磁芯および電子部品
1か月前
TDK株式会社
固体電解コンデンサ及び固体電解コンデンサの製造方法
1か月前
TDK株式会社
接合構造
6日前
TDK株式会社
コイル部品
27日前
TDK株式会社
積層コイル部品の製造方法
今日
TDK株式会社
物理レザバー素子及び物理レザバー
1か月前
TDK株式会社
光合波器、光合波部材、光変調機能付き光合波部材、可視光光源モジュール、光学エンジン及びXRグラス
今日
株式会社プロテリアル
フェライト磁心、並びにそれを用いたコイル部品及び電子部品
1か月前
個人
高圧電気機器の開閉器
22日前
個人
電気を重力で発電装置
1か月前
キヤノン電子株式会社
モータ
1か月前
キヤノン電子株式会社
モータ
1か月前
カヤバ株式会社
制御装置
今日
株式会社東光高岳
充電器
2日前
東洋アルミニウム株式会社
発電体
1日前
株式会社アイドゥス企画
減反モータ
22日前
トヨタ自動車株式会社
モータ
1か月前
株式会社デンソー
端子台
15日前
株式会社デンソー
回転電機
6日前
株式会社ダイヘン
充電装置
1日前
株式会社ダイヘン
送配電装置
6日前
続きを見る
他の特許を見る