TOP
|
特許
|
意匠
|
商標
特許ウォッチ
Twitter
他の特許を見る
10個以上の画像は省略されています。
公開番号
2025138417
公報種別
公開特許公報(A)
公開日
2025-09-25
出願番号
2024037499
出願日
2024-03-11
発明の名称
作業機械及び作業機械の遠隔操作システム
出願人
住友重機械工業株式会社
代理人
個人
,
個人
主分類
E02F
9/26 20060101AFI20250917BHJP(水工;基礎;土砂の移送)
要約
【課題】周囲作業者からの音声を聞きやすくする。
【解決手段】作業機械であって、下部走行体と、前記下部走行体に旋回可能に搭載された上部旋回体と、周辺の車外音を収音する車外音収音部と、前記車外音収音部にて収音された車外音を、前記上部旋回体に設けられた車室内に出力する車内再生部と、前記作業機械の動作を制御する制御部とを有し、前記制御部は、所定の条件に基づいて前記作業機械の動作制限をすることによって前記車外音収音部にて収音される音を抑制するモードである傾聴モードを具備する。
【選択図】図1
特許請求の範囲
【請求項1】
作業機械であって、
下部走行体と、
前記下部走行体に旋回可能に搭載された上部旋回体と、
周辺の車外音を収音する車外音収音部と、
前記車外音収音部にて収音された車外音を、前記上部旋回体に設けられた車室内に出力する車内再生部と、
前記作業機械の動作を制御する制御部と、を有し、
前記制御部は、所定の条件に基づいて前記作業機械の動作制限をすることによって前記車外音収音部にて収音される音を抑制するモードである傾聴モードを具備する、作業機械。
続きを表示(約 790 文字)
【請求項2】
前記制御部は、前記傾聴モードにおいて、前記作業機械の動作に伴って生じる音を抑制する、請求項1に記載の作業機械。
【請求項3】
前記制御部は、前記作業機械の周囲環境に応じて前記傾聴モードに移行する、請求項1に記載の作業機械。
【請求項4】
前記制御部は、前記作業機械の周囲にいる人に関する条件に応じて前記傾聴モードに移行する、請求項3に記載の作業機械。
【請求項5】
前記制御部は、
前記車外音収音部にて収音された車外音から発話を検出する発話検出部を有し、
前記発話検出部にて発話が検出された場合、前記傾聴モードに移行する、請求項4に記載の作業機械。
【請求項6】
前記制御部は、前記発話検出部にて発話が検出されなくなった場合、前記傾聴モードを解除する、請求項5に記載の作業機械。
【請求項7】
前記作業機械の周辺の人を検出する人検出部を有し、
前記制御部は、前記人検出部にて人が検出された場合、前記傾聴モードに移行する、請求項4に記載の作業機械。
【請求項8】
前記制御部は、前記人検出部にて人が検出された場合、検出された人と前記作業機械との相対位置に応じて、音を抑制するレベルを異ならせる、請求項7に記載の作業機械。
【請求項9】
前記制御部は、前記人検出部にて人が検出された場合、検出された人と前記作業機械との距離に応じて、音を抑制するレベルを異ならせる、請求項8に記載の作業機械。
【請求項10】
前記制御部は、前記人検出部にて人が検出された場合、前記作業機械に対して前記検出された人が存在する方向に応じて、音を抑制するレベルを異ならせる、請求項8に記載の作業機械。
(【請求項11】以降は省略されています)
発明の詳細な説明
【技術分野】
【0001】
本開示は、作業機械及び作業機械の遠隔操作システムに関する。
続きを表示(約 1,800 文字)
【背景技術】
【0002】
特許文献1には、音声認識を用いてショベルを操作する技術が開示されている。
【先行技術文献】
【特許文献】
【0003】
国際公開第2019/035427号
【発明の概要】
【発明が解決しようとする課題】
【0004】
車外に設けられたマイクにて収音される音声は、周囲作業者からショベルの操作者に対する作業指示等が含まれる場合が多い。しかしながら、ショベル等の作業機械においては、作業機械の動作に伴って生じる音によって、周囲作業者からの音声が聞こえにくくなってしまう場合がある。特許文献1には、周囲作業者からの音声を聞きやすくする技術については開示されていない。
【0005】
そこで、周囲作業者からの音声を聞きやすくすることができる作業機械を提供することが好ましい。
【課題を解決するための手段】
【0006】
上記目的を達成するために本開示は、
作業機械であって、
下部走行体と、
前記下部走行体に旋回可能に搭載された上部旋回体と、
周辺の車外音を収音する車外音収音部と、
前記車外音収音部にて収音された車外音を、前記上部旋回体に設けられた車室内に出力する車内再生部と、
前記作業機械の動作を制御する制御部と、を有し、
前記制御部は、所定の条件に基づいて前記作業機械の動作制限をすることによって前記車外音収音部にて収音される音を抑制するモードである傾聴モードを具備する、作業機械である。
【発明の効果】
【0007】
本開示によれば、周囲作業者からの音声を聞きやすくすることができる。
【図面の簡単な説明】
【0008】
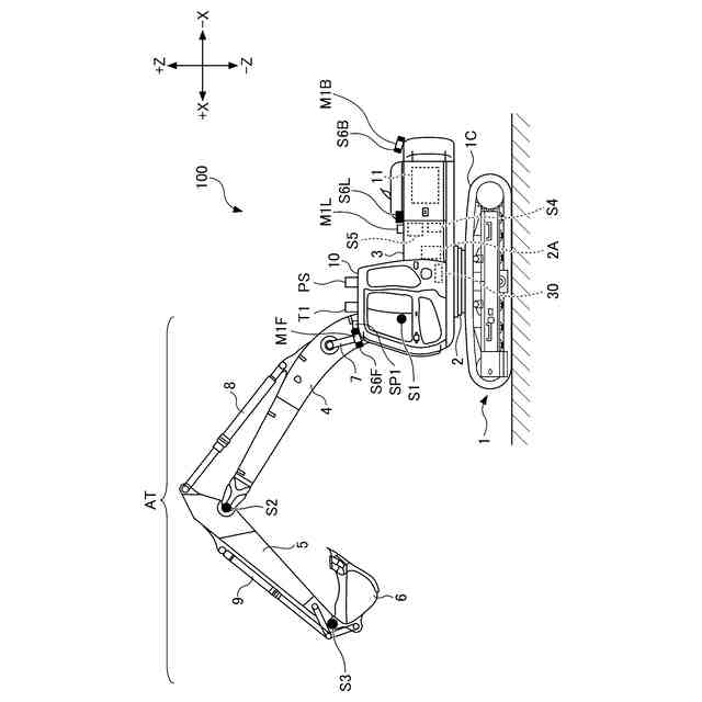
本開示の実施形態に係る作業機械の側面図である。
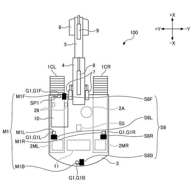
図1に示す作業機械の上面図である。
図1に示す作業機械に取り付けられる外部集音装置及び情報伝達装置の構成例を示す図である。
図1に示す作業機械の構成の一例を概略的に示す図である。
図4に示した音処理部の一例を示すブロック図である。
図4に示した検出部の一例を示すブロック図である。
図1に示す作業機械の運転室内の上面図である。
操作者が搭乗している作業機械とその周囲にいる作業者の斜視図である。
図4に示したコントローラによる傾聴モードへの移行動作の第1実施形態を説明するためのフローチャートである。
図4に示したコントローラによる傾聴モードへの移行動作の第2実施形態を説明するためのフローチャートである。
作業機械の周辺に人が検出された場合の表示装置D1の表示例を示す図である。
図4に示したコントローラによる傾聴モードへの移行動作の第3実施形態を説明するためのフローチャートである。
図4に示したコントローラによる傾聴モードへの移行動作の第4実施形態を説明するためのフローチャートである。
図4に示したコントローラによる傾聴モードへの移行動作の第5実施形態を説明するためのフローチャートである。
本開示の実施形態に係る作業機械の別の構成例を示す作業機械の上面図である。
本開示の実施形態に係る操作システムの構成例を示す概要図である。
【発明を実施するための形態】
【0009】
以下、本開示の実施形態について図面を参照して説明する。以下で説明する実施形態は、例示であり、発明を限定するものではない。本開示の実施形態における全ての特徴及びその組み合わせは、必ずしも発明の本質的なものであるとは限らない。なお、各図面において同一の又は対応する構成には同一の又は対応する符号を付し、重複する説明を省略する場合がある。
【0010】
本開示の実施形態に係る作業機械100は、ショベルである。作業機械100は、クレーン、アスファルトフィニッシャ、又はフォークリフト等のショベル以外の機械であってもよい。また、図示例では、作業機械100としてのショベルは、エンドアタッチメントとしてバケット6を備えた掘削機であるが、バケット6以外のエンドアタッチメントを備えた林業機械等の応用機であってもよい。
(【0011】以降は省略されています)
この特許をJ-PlatPat(特許庁公式サイト)で参照する
関連特許
個人
鋼管
12日前
FKS株式会社
擁壁
1日前
株式会社奥村組
ケーソン工法
4日前
株式会社奥村組
ケーソン刃口金物
4日前
株式会社武井工業所
積みブロック
21日前
株式会社大林組
袋体付き排水パイプ
11日前
株式会社大林組
袋体付き排水パイプ
11日前
ヤマト発動機株式会社
浮遊型消波装置
1日前
日立建機株式会社
作業機械
19日前
大和ハウス工業株式会社
杭抜き先端具
5日前
日立建機株式会社
作業機械
1日前
ゼニヤ海洋サービス株式会社
通船ゲート
11日前
鹿島建設株式会社
接続方法および接続構造
11日前
株式会社フジタ
掘削機
20日前
JFEスチール株式会社
鋼管矢板の継手構造
1日前
株式会社フジタ
建築物とその施工方法
11日前
JFEスチール株式会社
鋼管矢板の継手構造
13日前
JFEスチール株式会社
鋼管矢板の継手構造
13日前
株式会社大林組
建物の構築方法及び建物
11日前
株式会社武井工業所
積みブロック用基礎ブロック
21日前
株式会社小松製作所
作業機械
21日前
株式会社熊谷組
杭頭処理構造、杭頭処理方法
1日前
日立建機株式会社
作業機械
5日前
住友重機械工業株式会社
作業機械用のシステム
5日前
日立建機株式会社
作業機械
11日前
日立建機株式会社
建設機械
1日前
日本コンクリート工業株式会社
堤防の補強構造
11日前
株式会社フジタ
情報取得システム
1日前
株式会社トラバース
地盤改良ユニット及び地盤改良機
20日前
住友建機株式会社
作業機械、操作支援システム
5日前
鹿島建設株式会社
柱建て込み方法
5日前
株式会社三誠
鋼管の継手構造、及び鋼管杭
1日前
オリエンタル白石株式会社
ケーソンの避難通路構造
1日前
日立建機株式会社
建設機械の作業装置
11日前
住友建機株式会社
作業機械、作業機械の操作システム
5日前
住友建機株式会社
作業機械及び作業機械の操作システム
5日前
続きを見る
他の特許を見る