TOP
|
特許
|
意匠
|
商標
特許ウォッチ
Twitter
他の特許を見る
10個以上の画像は省略されています。
公開番号
2025138395
公報種別
公開特許公報(A)
公開日
2025-09-25
出願番号
2024037458
出願日
2024-03-11
発明の名称
作業機械及び作業機械の操作システム
出願人
住友建機株式会社
代理人
個人
,
個人
主分類
E02F
9/26 20060101AFI20250917BHJP(水工;基礎;土砂の移送)
要約
【課題】作業者の声が作業機械の操作者に届いていることを作業者が認識できるようにすること。
【解決手段】作業機械100は、作業機械100の周囲の音を集音する外部集音装置M1と、作業機械100の操作者OPに向けて音を出力する内部音出力装置SP2と、作業機械100の周囲にいる作業者WKの声が操作者OPに届いているか否かを作業者WKが認識できるようにする情報伝達装置G1と、を備える。情報伝達装置G1は、例えば、情報伝達装置G1の動作状態を作業者WKに伝達するように構成される。動作状態は、例えば、ON状態、OFF状態、操作者OPの声を集音している状態、又は、操作者OPの声を集音可能な状態を含む。
【選択図】図6
特許請求の範囲
【請求項1】
下部走行体と、
前記下部走行体に旋回可能に搭載される上部旋回体と、
作業機械の周囲の音を集音する外部集音装置と、
作業機械の操作者に向けて音を出力する内部音出力装置と、
作業機械の周囲にいる作業者の声が作業機械の操作者に届いているか否かを前記作業者が認識できるようにする情報伝達装置と、
を備える作業機械。
続きを表示(約 580 文字)
【請求項2】
前記情報伝達装置は、前記情報伝達装置の動作状態を前記作業者に伝達するように構成され、
前記動作状態は、ON状態、OFF状態、作業機械の操作者の声を集音している状態、又は、作業機械の操作者の声を集音可能な状態を含む、
請求項1に記載の作業機械。
【請求項3】
作業機械の操作者の声を集音する内部集音装置と、
作業機械の周囲に向けて音を出力する外部音出力装置と、を備える、
請求項1に記載の作業機械。
【請求項4】
発話ボタンを備え、
前記発話ボタンが押されているときに、前記内部集音装置は音を集音し、前記外部音出力装置は、前記内部集音装置によって集音された音を作業機械の周囲に向けて出力する、
請求項3に記載の作業機械。
【請求項5】
前記情報伝達装置は、前記外部集音装置に隣接して設けられている、
請求項1に記載の作業機械。
【請求項6】
作業機械の周囲の音を集音する外部集音装置と、
作業機械の操作者に向けて音を出力する内部音出力装置と、
作業機械の周囲にいる作業者の声が作業機械の操作者に届いているか否かを前記作業者が認識できるようにする情報伝達装置と、
を備える作業機械の操作システム。
発明の詳細な説明
【技術分野】
【0001】
本開示は、作業機械及び作業機械の操作システムに関する。
続きを表示(約 1,400 文字)
【背景技術】
【0002】
従来、ショベルの周囲にいる作業者の声を集音するためのマイクを備えたショベルが知られている(特許文献1参照)。
【先行技術文献】
【特許文献】
【0003】
特開2023-149027号公報
【発明の概要】
【発明が解決しようとする課題】
【0004】
しかしながら、上述のショベルの周囲にいる作業者は、自身の声がショベルの操作者に届いているか否かを判断できないおそれがある。
【0005】
そこで、作業者の声がショベル等の作業機械の操作者に届いていることを作業者が認識できるようにすることが望ましい。
【課題を解決するための手段】
【0006】
本開示の実施形態に係る作業機械は、下部走行体と、前記下部走行体に旋回可能に搭載される上部旋回体と、作業機械の周囲の音を集音する外部集音装置と、作業機械の操作者に向けて音を出力する内部音出力装置と、作業機械の周囲にいる作業者の声が作業機械の操作者に届いているか否かを前記作業者が認識できるようにする情報伝達装置と、を備える。
【発明の効果】
【0007】
上述の作業機械は、作業機械の周囲にいる作業者の声が作業機械の操作者に届いていることを作業者に認識させることができる。
【図面の簡単な説明】
【0008】
本開示の実施形態に係る作業機械の側面図である。
図1に示す作業機械の上面図である。
図1に示す作業機械に取り付けられる外部集音装置及び情報伝達装置の構成例を示す図である。
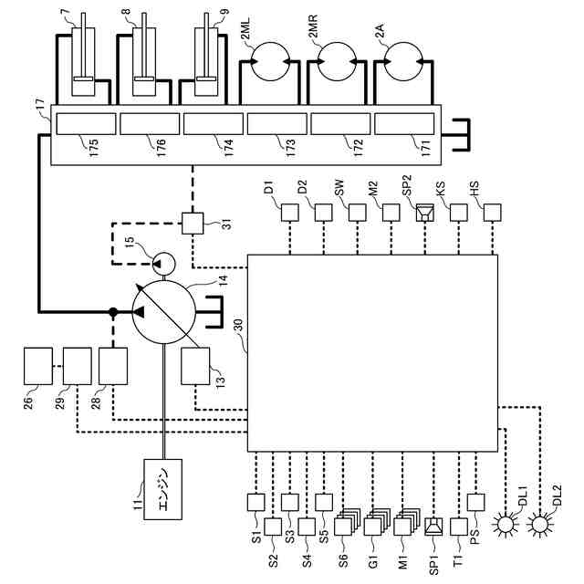
図1に示す作業機械の構成の一例を概略的に示す図である。
図1に示す作業機械の運転室内の上面図である。
操作者が搭乗している作業機械とその周囲にいる作業者の斜視図である。
情報伝達処理の流れの一例を示すフローチャートである。
音伝達処理の流れの一例を示すフローチャートである。
会話通知処理の流れの一例を示すフローチャートである。
本開示の実施形態に係る作業機械の別の構成例を示す作業機械の上面図である。
本開示の実施形態に係る操作システムの構成例を示す概要図である。
【発明を実施するための形態】
【0009】
以下、本開示の実施形態について図面を参照して説明する。以下で説明する実施形態は、例示であり、発明を限定するものではない。本開示の実施形態における全ての特徴及びその組み合わせは、必ずしも発明の本質的なものであるとは限らない。なお、各図面において同一の又は対応する構成には同一の又は対応する符号を付し、重複する説明を省略する場合がある。
【0010】
本開示の実施形態に係る作業機械100は、ショベルである。作業機械100は、クレーン、アスファルトフィニッシャ、又はフォークリフト等のショベル以外の機械であってもよい。また、図示例では、作業機械100としてのショベルは、エンドアタッチメントとしてバケット6を備えた掘削機であるが、バケット6以外のエンドアタッチメントを備えた林業機械等の応用機であってもよい。
(【0011】以降は省略されています)
この特許をJ-PlatPat(特許庁公式サイト)で参照する
関連特許
住友建機株式会社
作業機械、操作支援システム
17日前
住友建機株式会社
作業機械及び遠隔支援システム
3か月前
住友建機株式会社
作業機械、作業機械の操作システム
17日前
住友建機株式会社
作業機械及び作業機械の操作システム
17日前
住友建機株式会社
作業機械及び作業機械の操作システム
17日前
住友建機株式会社
作業機械、及び作業機械の制御システム
17日前
住友建機株式会社
作業機械、及び作業機械の制御システム
17日前
住友建機株式会社
作業機械、及び作業機械の制御システム
17日前
住友建機株式会社
作業機械、及び作業機械の制御システム
17日前
住友建機株式会社
作業機械、作業機械の制御システム、及び、作業機械の管理システム
17日前
JIG-SAW株式会社
施工システム、施工方法、および建設機械
1か月前
個人
鋼管
24日前
FKS株式会社
擁壁
13日前
鈴健興業株式会社
敷板部材
9日前
株式会社クボタ
作業車
11日前
株式会社奥村組
ケーソン工法
16日前
株式会社クボタ
作業車
11日前
個人
擁壁用ブロックおよび擁壁
10日前
株式会社ネクステリア
平板基礎
9日前
株式会社奥村組
ケーソン刃口金物
16日前
株式会社大林組
建物の構造
10日前
株式会社熊谷組
地盤改良方法
5日前
株式会社大林組
袋体付き排水パイプ
23日前
株式会社大林組
袋体付き排水パイプ
23日前
株式会社熊谷組
山留壁用親杭
2日前
株式会社熊谷組
密度計測方法
11日前
大和ハウス工業株式会社
杭抜き先端具
17日前
日立建機株式会社
作業機械
3日前
日立建機株式会社
作業機械
1か月前
日立建機株式会社
建設機械
3日前
日立建機株式会社
建設機械
3日前
日立建機株式会社
作業機械
2日前
日立建機株式会社
建設機械
9日前
日立建機株式会社
作業機械
2日前
日立建機株式会社
作業機械
13日前
日立建機株式会社
作業機械
2日前
続きを見る
他の特許を見る