TOP
|
特許
|
意匠
|
商標
特許ウォッチ
Twitter
他の特許を見る
公開番号
2025138112
公報種別
公開特許公報(A)
公開日
2025-09-25
出願番号
2024036951
出願日
2024-03-11
発明の名称
半導体モジュールおよび電力変換装置
出願人
株式会社明電舎
代理人
個人
,
個人
,
個人
,
個人
主分類
H02M
7/48 20070101AFI20250917BHJP(電力の発電,変換,配電)
要約
【課題】半導体モジュールにおいて、電力変換装置組立時の小型化、組立性の向上、放電抵抗の冷却効果の向上を図る。
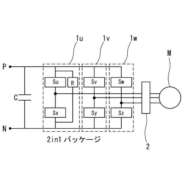
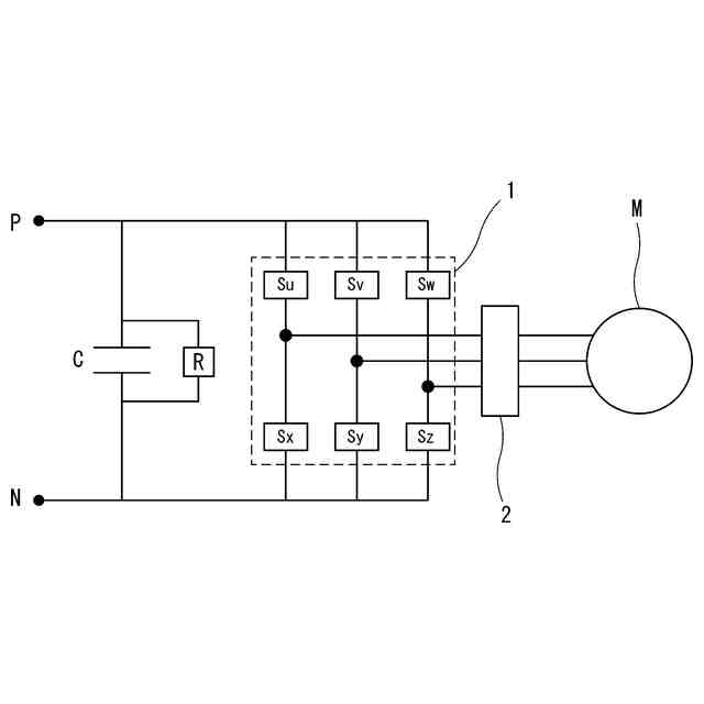
【解決手段】P極とN極との間にスイッチング素子Su,Sx、スイッチング素子Sv,Sy、スイッチング素子Sw,Szが直列接続される。2つのスイッチング素子が直列接続されたレグを3相分有する。6つのスイッチング素子Su~Sz(3相のレグ)で6in1タイプの半導体モジュール1を構成する。半導体モジュール1内のP極とN極との間に放電抵抗Rが接続される。
【選択図】図2
特許請求の範囲
【請求項1】
P極とN極との間に2つのスイッチング素子が直列接続されたレグを3相分有する6in1タイプの半導体モジュールであって、
前記半導体モジュール内の前記P極と前記N極との間に放電抵抗が接続されたことを特徴とする半導体モジュール。
続きを表示(約 620 文字)
【請求項2】
前記放電抵抗は、
3相のうち1つのレグに対してのみ並列に接続されたことを特徴とする請求項1記載の半導体モジュール。
【請求項3】
前記放電抵抗は、
3相すべてのレグに対して並列に接続されたことを特徴とする請求項1記載の半導体モジュール。
【請求項4】
前記スイッチング素子はSiCチップが搭載されたことを特徴とする請求項1記載の半導体モジュール。
【請求項5】
P極とN極との間に2つのスイッチング素子が直列接続されたレグを1相分有する2in1タイプの半導体モジュールであって、
前記スイッチング素子はSiCチップが搭載され、
前記半導体モジュール内の前記P極と前記N極との間に放電抵抗が接続されたことを特徴とする半導体モジュール。
【請求項6】
P極またはN極に接続されたスイッチング素子を有する1in1タイプの半導体モジュールであって、
前記スイッチング素子はSiCチップが搭載され、
前記半導体モジュール内の前記スイッチング素子に対して並列に放電抵抗が接続されたことを特徴とする半導体モジュール。
【請求項7】
請求項1または請求項5または請求項6の半導体モジュールと、
前記P極と前記N極との間に接続された平滑コンデンサと、
を備えたことを特徴とする電力変換装置。
発明の詳細な説明
【技術分野】
【0001】
本願発明は、半導体モジュール内部に放電抵抗を内蔵し、電力変換装置内の平滑コンデンサに充電された電荷を放電する技術に関する。
続きを表示(約 1,300 文字)
【背景技術】
【0002】
電力変換装置(例えばインバータ)内の平滑コンデンサに充電された電荷を放電する方法として、平滑コンデンサに対して並列に放電抵抗を設ける構成が一般的である。図1は、従来の一般的な電力変換装置を示す回路図である。従来、放電抵抗Rによく採用されていたのは、平滑コンデンサCに対してセメント抵抗のような外付けの放電抵抗R(常時放電抵抗)を接続する構成であったが、近年は小型化のために基板にチップ抵抗を直列に複数個並べて実装して放電抵抗Rとした構成も知られている。
【0003】
特許文献1、特許文献2には、小型化・生産性向上及び効率的な冷却を実現した方式として半導体モジュール内部に放電抵抗を実装する技術が開示されている。
【先行技術文献】
【特許文献】
【0004】
特開2009-71935号公報
WO2013/065182
【発明の概要】
【発明が解決しようとする課題】
【0005】
電力変換装置の小型化(高出力密度)実現において、個々のアイテムのダウンサイジング及び発熱が課題となる。放電抵抗Rの発熱に関しても同様で、以前からある外付けの放電抵抗(常時放電抵抗)や基板実装タイプの放電抵抗では、例えば熱伝導シートを介して電力変換装置の筐体へ放熱する等の必要があった。
【0006】
それを解決する方法として、特許文献1、2では半導体モジュール内に放電抵抗を配置し、半導体モジュールの冷却と放電抵抗の冷却を両立させる方法を開示している。
【0007】
ただし、この特許文献1、2は両面冷却で1in1と2in1のカード型タイプの半導体モジュールについてのみ説明しているものであり、世の中に多く出回っている片面冷却(フラット・ピンフィン等)で6in1の平型タイプの半導体モジュールに対しては説明されていない。
【0008】
一方、近年は半導体モジュール1内のチップにSiCチップを用いるものが多用され始めている。SiCチップは従来のSiチップと比べて小型である。一方、部品交換時の取り付け互換性の観点より、半導体モジュールの外形寸法は従来品から変更しない場合が多い。つまり、SiCチップを搭載した半導体モジュール1は、半導体モジュール1内に余剰なスペースが生じている。
【0009】
以上示したようなことから、半導体モジュールを用いて電力変換装置を組み立てた際の電力変換装置の小型化、組立性の向上、放電抵抗の冷却効果の向上を図ることが課題となる。
【課題を解決するための手段】
【0010】
本発明は、前記従来の問題に鑑み、案出されたもので、その一態様は、P極とN極との間に2つのスイッチング素子が直列接続されたレグを3相分有する6in1タイプの半導体モジュールであって、前記半導体モジュール内の前記P極と前記N極との間に放電抵抗が接続されたことを特徴とする。
(【0011】以降は省略されています)
この特許をJ-PlatPat(特許庁公式サイト)で参照する
関連特許
株式会社明電舎
回転機
1か月前
株式会社明電舎
ドローン
1か月前
株式会社明電舎
回転電機
2か月前
株式会社明電舎
成膜装置
26日前
株式会社明電舎
回転電機
2か月前
株式会社明電舎
回転電機
1か月前
株式会社明電舎
電力変換装置
2か月前
株式会社明電舎
電力変換装置
2か月前
株式会社明電舎
負荷制御装置
25日前
株式会社明電舎
負荷制御装置
25日前
株式会社明電舎
車両固定装置
1か月前
株式会社明電舎
負荷制御装置
25日前
株式会社明電舎
車両固定装置
1か月前
株式会社明電舎
電力系統システム
2か月前
株式会社明電舎
電流制御システム
1か月前
株式会社明電舎
センサ固定用治具
1か月前
株式会社明電舎
ロータ及び回転機
1か月前
株式会社明電舎
電力系統システム
1か月前
株式会社明電舎
オゾン水の生成装置
1か月前
株式会社明電舎
オゾン水の生成装置
1か月前
株式会社明電舎
オゾン水の生成装置
1か月前
株式会社明電舎
電極構造,真空インタラプタ
2か月前
株式会社明電舎
軸受及びそれを備えた回転機
2か月前
株式会社明電舎
遮断器のリンク機構、遮断器
1か月前
株式会社明電舎
不良検知装置及び不良検知方法
1か月前
株式会社明電舎
電流センサおよび電力変換装置
2か月前
株式会社明電舎
半導体モジュールおよび電力変換装置
1か月前
株式会社明電舎
ロータ、回転電機及び車両駆動用装置
1か月前
株式会社明電舎
架線位置計測装置及び架線位置計測方法
1か月前
株式会社明電舎
水冷式回転機のフレーム、及びその製造方法
1か月前
株式会社明電舎
目標車速パターンデータ生成方法及び試験方法
1か月前
株式会社明電舎
電力変換装置および電力変換装置のゲート指令生成方法
1か月前
株式会社明電舎
出力調整機構、電界放射装置及び電界放射装置の出力制御方法
1か月前
株式会社明電舎
絶縁型DC/DC変換器および絶縁型DC/DC変換器の制御方法
1か月前
株式会社明電舎
部分放電測定システムおよびその測定装置、部分放電測定方法、部分放電測定プログラム
2か月前
国立大学法人長岡技術科学大学
グリッドフォーミングインバータの制御装置および制御方法
1か月前
続きを見る
他の特許を見る