TOP
|
特許
|
意匠
|
商標
特許ウォッチ
Twitter
他の特許を見る
10個以上の画像は省略されています。
公開番号
2025134344
公報種別
公開特許公報(A)
公開日
2025-09-17
出願番号
2024032193
出願日
2024-03-04
発明の名称
冷媒循環システム
出願人
マツダ株式会社
代理人
個人
,
個人
,
個人
,
個人
,
個人
主分類
H02K
9/00 20060101AFI20250909BHJP(電力の発電,変換,配電)
要約
【課題】オイルを含有する冷媒によってモータの滑り軸受を潤滑する冷媒循環システムにおいて、回転軸と滑り軸受との接触を回避する。
【解決手段】CO
2
にオイルを含有させた冷媒を循環する冷媒循環システム100は、コンプレッサ3により圧縮された冷媒を用いて潤滑を行い、回転軸13を支持する滑り軸受14を備えるモータ1と、冷媒を滑り軸受に供給するための冷媒通路22と、冷媒通路から滑り軸受へと供給された冷媒の圧力を減圧させるように構成された減圧装置10と、モータにおいて回転軸が滑り軸受に接触する可能性を判定するように構成された加速度センサ47、外部情報取得装置49及び制御装置80と、を有し、制御装置は、回転軸が滑り軸受に接触する可能性があると判定されたときに、減圧装置を作動させる制御を行うように構成されている。
【選択図】図6
特許請求の範囲
【請求項1】
CO
2
にオイルを含有させた冷媒を循環する冷媒循環システムであって、
前記冷媒を圧縮するコンプレッサと、
ロータ及びステータと、前記ロータに連結された回転軸と、前記コンプレッサにより圧縮された液状の前記冷媒を用いて潤滑を行い、前記回転軸を支持する滑り軸受と、を備えるモータと、
前記冷媒を前記モータの前記滑り軸受に供給するための冷媒通路と、
前記冷媒通路から前記滑り軸受へと供給された前記冷媒の圧力を減圧させるように構成された減圧装置と、
前記モータにおいて前記回転軸が前記滑り軸受に接触する可能性を判定するように構成された接触判定装置と、
前記接触判定装置によって前記回転軸が前記滑り軸受に接触する可能性があると判定されたときに、前記減圧装置を作動させる制御を行うように構成された制御装置と、
を有する、ことを特徴とする冷媒循環システム。
続きを表示(約 1,200 文字)
【請求項2】
前記冷媒通路を第1冷媒通路とすると、前記冷媒循環システムは、前記モータから流出した前記冷媒を前記コンプレッサに供給するための第2冷媒通路を更に有し、
前記減圧装置は、負圧を貯留する減圧タンクと、前記第2冷媒通路に接続され、前記減圧タンクが設けられた減圧通路と、前記減圧通路上に設けられた減圧バルブと、を有し、
前記制御装置は、前記接触判定装置によって前記回転軸が前記滑り軸受に接触する可能性があると判定されたときに、前記減圧装置の前記減圧バルブを開くように構成されている、
請求項1に記載の冷媒循環システム。
【請求項3】
前記減圧装置は、前記コンプレッサの動作により作り出された負圧を前記減圧タンクに貯留するように構成されている、請求項2に記載の冷媒循環システム。
【請求項4】
前記冷媒通路を第1冷媒通路とすると、前記冷媒循環システムは、前記第1冷媒通路に連通し、前記コンプレッサからの前記冷媒を当該第1冷媒通路へと流す第3冷媒通路と、前記第1冷媒通路に連通し、前記オイルを当該第1冷媒通路へと流すオイル通路と、前記第3冷媒通路上に設けられた冷媒流量調整バルブと、前記オイル通路上に設けられたオイル流量調整バルブと、を更に有し、
前記制御装置は、前記接触判定装置によって前記回転軸が前記滑り軸受に接触する可能性があると判定されたときに、前記減圧装置を作動させる制御を行うと共に、前記冷媒流量調整バルブを全閉にし、且つ、前記オイル流量調整バルブを全開にする制御を行うように構成されている、
請求項1又は2に記載の冷媒循環システム。
【請求項5】
前記冷媒循環システムは、前記オイル通路に接続され、前記オイルを貯留するオイルタンクを更に有し、前記オイルタンクは、前記冷媒に含有される前記オイルを分離して、当該オイルを貯留するように構成されている、請求項4に記載の冷媒循環システム。
【請求項6】
前記冷媒循環システムは、車両に搭載され、
前記接触判定装置は、前記車両において前後方向、横方向、ヨー方向、ピッチ方向及びロール方向の少なくともいずれかに発生する加速度を検出する1つ以上のセンサを備え、当該1つ以上のセンサの出力に基づき、前記回転軸が前記滑り軸受に接触する可能性を判定するように構成されている、
請求項1又は2に記載の冷媒循環システム。
【請求項7】
前記冷媒循環システムは、車両に搭載され、
前記接触判定装置は、前記車両の外部情報を取得する外部情報取得装置を備え、当該外部情報取得装置により取得された前記外部情報に基づき、前記回転軸が前記滑り軸受に接触する可能性を判定するように構成されている、
請求項1又は2に記載の冷媒循環システム。
発明の詳細な説明
【技術分野】
【0001】
本発明は、オイルを含有する冷媒を循環する冷媒循環システムに関する。
続きを表示(約 2,100 文字)
【背景技術】
【0002】
従来から、エアコンなどで利用される冷凍サイクルにおいて、コンプレッサや熱交換器などを介して、冷媒を循環する冷媒循環システムが用いられている。この種の冷媒循環システムでは、一般的に、コンプレッサの潤滑やシールのためにオイル(冷凍機油)を含有する冷媒が用いられており、このオイルもシステム内を循環している。例えば、特許文献1には、システムの始動時に、コンプレッサから吐出されたオイルを含む冷媒を分離してオイルを取り出し、コンプレッサの吸入側にオイルのみを供給することで、コンプレッサを十分に潤滑させるようにした技術が開示されている。
【先行技術文献】
【特許文献】
【0003】
特開2006-170457号公報
【発明の概要】
【発明が解決しようとする課題】
【0004】
ところで、例えば車両の動力源(エンジンやモータ)などの回転軸を支持する軸受として、従来から転がり軸受や滑り軸受が用いられている。ここで、電気自動車などのモータに転がり軸受を適用すると、モータの回転軸が例えば30000rpmを超える高回転数で回転するので、転がり疲労により寿命が問題となる。他方で、オイルを潤滑剤として用いる一般的な滑り軸受をモータに適用すると、モータの回転軸によるオイル攪拌抵抗の損失が大きくなる。
【0005】
したがって、本件発明者は、モータを上記したような冷媒循環システムに適用し、このシステムで循環される冷媒、特にコンプレッサによる圧縮で液状になるCO
2
冷媒などを、潤滑剤として用いる滑り軸受を、モータの回転軸に適用することを考えた。それと共に、本件発明者は、モータの滑り軸受の潤滑性を確保するために、上記したようにオイルを含有する冷媒を用いることを考えた。
【0006】
ここで、車両が衝突したときや(このときには大きな衝撃荷重が発生する)、車両において前後方向、横方向、ヨー方向、ロール方向又はピッチ方向に大きな加速度が生じたときなどには、モータの回転軸が傾くことで、回転軸が滑り軸受に接触する可能性がある。このときには、冷媒中のオイルを利用して滑り軸受の負荷能力を速やかに向上させることにより、回転軸と滑り軸受との接触を回避できると良い。
【0007】
本発明は、上述した従来技術の問題点を解決するためになされたものであり、オイルを含有する冷媒を循環し、この冷媒によってモータの滑り軸受を潤滑する冷媒循環システムにおいて、モータの回転軸と滑り軸受との接触を回避することを目的とする。
【課題を解決するための手段】
【0008】
上記の目的を達成するために、本発明は、CO
2
にオイルを含有させた冷媒を循環する冷媒循環システムであって、冷媒を圧縮するコンプレッサと、ロータ及びステータと、ロータに連結された回転軸と、コンプレッサにより圧縮された液状の冷媒を用いて潤滑を行い、回転軸を支持する滑り軸受と、を備えるモータと、冷媒をモータの滑り軸受に供給するための冷媒通路と、冷媒通路から滑り軸受へと供給された冷媒の圧力を減圧させるように構成された減圧装置と、モータにおいて回転軸が滑り軸受に接触する可能性を判定するように構成された接触判定装置と、接触判定装置によって回転軸が滑り軸受に接触する可能性があると判定されたときに、減圧装置を作動させる制御を行うように構成された制御装置と、を有する、ことを特徴とする。
【0009】
このように構成された本発明では、モータにおいて回転軸が滑り軸受に接触する可能性があるときに、制御装置が減圧装置を作動させることにより、モータ内の圧力(雰囲気圧)が減圧されることで、回転軸と滑り軸受との間の冷媒の圧力が液化圧力未満になる。そのため、冷媒中の液状のCO
2
が気化して、冷媒中の高粘度のオイルが析出することで、析出したオイルが回転軸の外周面及び滑り軸受の内周面に付着する。その結果、回転軸の外周面及び滑り軸受の内周面に油膜(オイル含有率100%の冷媒、つまりオイルそのもの)が形成されることで、滑り軸受の負荷能力が速やかに向上することとなる。したがって、本発明によれば、回転軸と滑り軸受との物理的な接触を的確に回避することができる。
【0010】
本発明において、好ましくは、冷媒通路を第1冷媒通路とすると、冷媒循環システムは、モータから流出した冷媒をコンプレッサに供給するための第2冷媒通路を更に有し、減圧装置は、負圧を貯留する減圧タンクと、第2冷媒通路に接続され、減圧タンクが設けられた減圧通路と、減圧通路上に設けられた減圧バルブと、を有し、制御装置は、接触判定装置によって回転軸が滑り軸受に接触する可能性があると判定されたときに、減圧装置の減圧バルブを開くように構成されている。
このように構成された本発明によれば、減圧装置の減圧タンクに貯留した負圧を用いて、モータ内を速やかに減圧することができる。
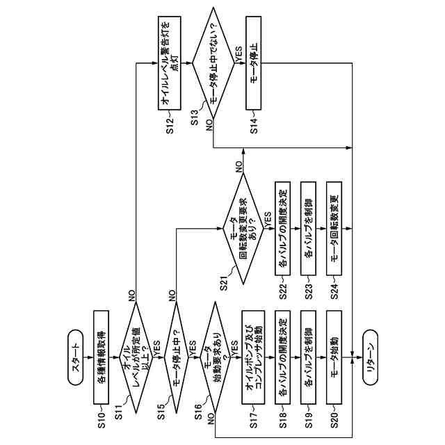
(【0011】以降は省略されています)
この特許をJ-PlatPat(特許庁公式サイト)で参照する
関連特許
マツダ株式会社
車載機器
3日前
マツダ株式会社
二次電池
3日前
マツダ株式会社
二次電池
3日前
マツダ株式会社
エンジン
4日前
マツダ株式会社
排気システム
5日前
マツダ株式会社
運転支援装置
3日前
マツダ株式会社
運転支援装置
3日前
マツダ株式会社
運転支援装置
3日前
マツダ株式会社
排気システム
5日前
マツダ株式会社
インバータ装置
4日前
マツダ株式会社
インバータ装置
4日前
マツダ株式会社
車両の前部構造
3日前
マツダ株式会社
インバータ装置
4日前
マツダ株式会社
インバータ装置
4日前
マツダ株式会社
バッテリの制御装置
6日前
マツダ株式会社
車両の下部車体構造
6日前
マツダ株式会社
車両の下部車体構造
10日前
マツダ株式会社
車両の下部車体構造
10日前
マツダ株式会社
二次電池の制御装置
5日前
マツダ株式会社
車両の下部車体構造
10日前
マツダ株式会社
車両の下部車体構造
10日前
マツダ株式会社
車両の下部車体構造
14日前
マツダ株式会社
車両の下部車体構造
14日前
マツダ株式会社
エンジンの制御装置
4日前
マツダ株式会社
車両の下部車体構造
14日前
マツダ株式会社
二次電池の制御装置
3日前
マツダ株式会社
モータ軸受システム
14日前
マツダ株式会社
モータ軸受システム
14日前
マツダ株式会社
自動変速機の油路構造
4日前
マツダ株式会社
車両運転支援システム
10日前
マツダ株式会社
バッテリ状態推定装置
6日前
マツダ株式会社
車両運転支援システム
14日前
マツダ株式会社
被覆金属材の試験方法
4日前
マツダ株式会社
車両運転支援システム
14日前
マツダ株式会社
エンジンの燃焼室構造
4日前
マツダ株式会社
エンジンの燃焼室構造
4日前
続きを見る
他の特許を見る