TOP
|
特許
|
意匠
|
商標
特許ウォッチ
Twitter
他の特許を見る
10個以上の画像は省略されています。
公開番号
2025140671
公報種別
公開特許公報(A)
公開日
2025-09-29
出願番号
2024040204
出願日
2024-03-14
発明の名称
車両の下部車体構造
出願人
マツダ株式会社
代理人
個人
,
個人
,
個人
,
個人
,
個人
主分類
B62D
25/08 20060101AFI20250919BHJP(鉄道以外の路面車両)
要約
【課題】、通常走行時に板金製のサスハウジングから車幅方向内側への荷重が伝達されたとしてもサスハウジングの内倒れ変形を抑制し、優れた操安性と良好な乗り心地とを得ること。
【解決手段】前後方向に延びる閉断面部3sを構成するフレーム3に設けられるとともにサスペンションを支持する板金製のサスハウジング4は、ダンパ取付け面部41と、ダンパ取付け面部41の周縁から下方に延びる周壁部42と、を有し、周壁部42よりも車幅方向内側には、周壁部42に備えた第1仕切壁部44,45と協働してフレーム3の閉断面部3sを前後方向に仕切る第2仕切壁部62,63を備えた。
【選択図】図3
特許請求の範囲
【請求項1】
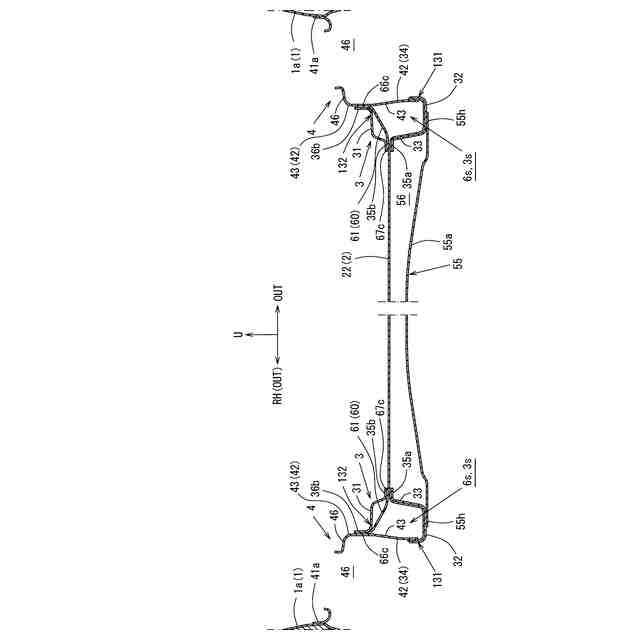
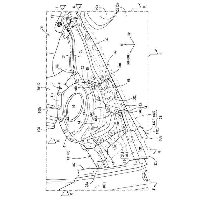
フロアパネルの車幅方向外側において前後方向に延びる閉断面部を構成するフレームと、
前記フレームに設けられるとともにサスペンションを支持する板金製のサスハウジングと、を備え、
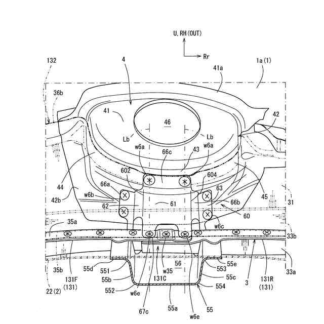
前記サスハウジングは、前記フレームの上面に沿うダンパ取付け面部と、前記ダンパ取付け面部の周縁から下方に延びる周壁部と、を有し、
前記周壁部よりも車幅方向内側には、前記周壁部に備えた第1仕切壁部と協働して前記フレームの前記閉断面部を前後方向に仕切る第2仕切壁部を備えたことを特徴とする
車両の下部車体構造。
続きを表示(約 740 文字)
【請求項2】
前記第1仕切壁部は前記第2仕切壁部と固定された
請求項1に記載の車両の下部車体構造。
【請求項3】
前記第1仕切壁部は、前記第2仕切壁部に対する固定部から前方、又は後方に離れるにつれ車幅方向外側に向かう湾曲形状を有する
請求項2に記載の車両の下部車体構造。
【請求項4】
前記第1仕切壁部は、前記周壁部において前方及び後方に前後一対となるようそれぞれ配設された
請求項1に記載の車両の下部車体構造。
【請求項5】
前記閉断面部の前後方向における、前記周壁部よりも車幅方向内側の位置には、車幅方向に沿う節部材を備え、前記節部材は、前方及び後方に前後一対となるように車幅方向に沿ってそれぞれ設けられた前記第2仕切壁部と、前後一対の前記第2仕切壁部を連結する連結部とを備えた
請求項1に記載の車両の下部車体構造。
【請求項6】
前記第2仕切壁部は、前記ダンパ取付け面部において上下方向に貫通形成された開口部と前後位置が重複する
請求項5に記載の車両の下部車体構造。
【請求項7】
前記サスハウジングに隣接する前記フレームは、車幅方向に沿う断面が上方に開口するU字形状の下部と、前記下部の上方に位置し、かつ前記下部と協働して前記閉断面部を構成する上部と、を有し、前記下部の外側側壁部は、前記下部の下壁部から上方に延びる第1部分と、前記第1部分の上端から前記第1部分よりも上方ほど車幅方向外側に傾斜する第2部分と、を有し、前記周壁部は前記第1部分、及び、前記第2部分に固定定された
請求項1乃至6のいずれか1項に記載の車両の下部車体構造。
発明の詳細な説明
【技術分野】
【0001】
この発明は、フロアパネルの車幅方向外側において前後方向に延びる閉断面部を構成するフレームと、フレームに設けられるサスハウジングとを備えた車両の下部車体構造に関する。
続きを表示(約 1,600 文字)
【背景技術】
【0002】
車両の下部車体構造は、通常走行時に優れた操安性と良好な乗り心地とを得るために、サスペンションを支持するサスペンションハウジング(以下、「サスハウジング」とも称する)を介してサスペンションから入力される荷重に対して剛性を確保することが重要である。
【0003】
このような車両の下部車体構造は、フロアパネルの車幅方向外側において前後方向に延びる閉断面部を構成するフレームが設けられ、フレームに対してサスハウジングを車幅方向外側に設けた構成が従来より存在するが、最近では特許文献1のように、サスハウジングをフレーム上に設ける構造も知られている。
【0004】
しかし、フレーム上にサスハウジングが設けられた構成においては、サスハウジング周辺のフレームの車幅方向に沿う断面、すなわちフレームの幅方向寸法が縮小され、フレーム自体の剛性が不足することが懸念される。
【0005】
さらに、特許文献1のサスハウジングは、形状自由度が高いとされるアルミダイカスト製であるが故に、それ自体にリブを設けるなどして所望の剛性を確保し易いことからフレームを補強することができる。一方、フレーム上に設けられるサスハウジングを、アルミダイカスト製よりも従来の製造プロセスで製造し易い等のメリットを有する板金製とすることも考えられるが、板金製とした場合には、アルミダイカスト製よりも形状自由度が低く剛性確保に重量がかさみがちとなる。
【0006】
すなわち、フレーム上にサスハウジングを設けてフレームの内部の断面が縮小された構成において、サスハウジングを形状自由度が低く剛性確保に重量がかさみがちな板金製とした場合には、通常走行時に前記フレームが車両正面視で中心軸回りの角変位を抑制することができずにサスハウジングの内倒れ変形を誘発するおそれがあり、結果として操安性や乗り心地に悪影響を及ぼすおそれがあった。
【先行技術文献】
【特許文献】
【0007】
特開2023-035561号公報
【発明の概要】
【発明が解決しようとする課題】
【0008】
この発明はこのような課題に鑑みてなされたもので、フレーム上にサスハウジングを設けて、サスハウジング周辺のフレームの車幅方向に沿う断面が縮小するとともに、サスハウジングを板金製とした構成において、通常走行時にサスハウジングから車幅方向内側への荷重が伝達されたとしてもサスハウジングの内倒れ変形を抑制し、優れた操安性と良好な乗り心地とを得ることができる車両の下部車体構造の提供を目的とする。
【課題を解決するための手段】
【0009】
この発明の車両の下部車体構造は、フロアパネルの車幅方向外側において前後方向に延びる閉断面部を構成するフレームと、前記フレームに設けられるとともにサスペンションを支持する板金製のサスハウジングと、を備え、前記サスハウジングは、前記フレームの上面に沿うダンパ取付け面部と、前記ダンパ取付け面部の周縁から下方に延びる周壁部と、を有し、前記周壁部よりも車幅方向内側には、前記周壁部に備えた第1仕切壁部と協働して前記フレームの前記閉断面部を前後方向に仕切る第2仕切壁部を備えたことを特徴とする。
【0010】
前記フレームの前記閉断面部を前後方向に仕切るとは、前記フレームの閉断面状の内部空間を前記サスハウジングに対して前側の内部空間と後側の内部空間とに仕切ることを示す。なお、第1仕切壁部と第2仕切壁部が協働して前記閉断面部を仕切るとは、前記閉断面部を前後方向に隙間なく仕切ることに限定せず、前記フレームを補強する機能を有する程度に仕切ることを含む。
(【0011】以降は省略されています)
この特許をJ-PlatPat(特許庁公式サイト)で参照する
関連特許
マツダ株式会社
二次電池
2日前
マツダ株式会社
エンジン
3日前
マツダ株式会社
車載機器
2日前
マツダ株式会社
二次電池
2日前
マツダ株式会社
排気システム
4日前
マツダ株式会社
排気システム
4日前
マツダ株式会社
運転支援装置
2日前
マツダ株式会社
運転支援装置
2日前
マツダ株式会社
運転支援装置
2日前
マツダ株式会社
インバータ装置
3日前
マツダ株式会社
インバータ装置
3日前
マツダ株式会社
インバータ装置
3日前
マツダ株式会社
インバータ装置
3日前
マツダ株式会社
車両の前部構造
2日前
マツダ株式会社
二次電池の制御装置
2日前
マツダ株式会社
車両の下部車体構造
5日前
マツダ株式会社
エンジンの制御装置
3日前
マツダ株式会社
二次電池の制御装置
4日前
マツダ株式会社
バッテリの制御装置
5日前
マツダ株式会社
エンジンの燃焼室構造
3日前
マツダ株式会社
車両運転支援システム
9日前
マツダ株式会社
エンジンの燃焼室構造
3日前
マツダ株式会社
自動変速機の油路構造
3日前
マツダ株式会社
バッテリ状態推定装置
5日前
マツダ株式会社
被覆金属材の試験方法
3日前
マツダ株式会社
車両のパワートレイン構造
3日前
マツダ株式会社
バッテリ温度制御システム
2日前
マツダ株式会社
車両のパワートレイン構造
3日前
マツダ株式会社
車両のパワートレイン構造
2日前
マツダ株式会社
車両のパワートレイン構造
3日前
マツダ株式会社
エンジンの排気バルブ制御装置
9日前
マツダ株式会社
電気自動車のバッテリ搭載構造
4日前
マツダ株式会社
車両の合流位置評価装置及び方法
2日前
マツダ株式会社
車両の合流位置評価装置及び方法
2日前
マツダ株式会社
車両の合流位置評価装置及び方法
2日前
マツダ株式会社
車両の合流位置評価装置及び方法
2日前
続きを見る
他の特許を見る