TOP
|
特許
|
意匠
|
商標
特許ウォッチ
Twitter
他の特許を見る
公開番号
2025132646
公報種別
公開特許公報(A)
公開日
2025-09-10
出願番号
2024030344
出願日
2024-02-29
発明の名称
電源装置
出願人
株式会社中電工
代理人
弁理士法人前田特許事務所
主分類
H02J
9/06 20060101AFI20250903BHJP(電力の発電,変換,配電)
要約
【課題】トランスの容量を低減する。
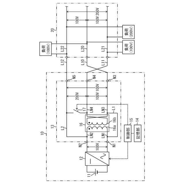
【解決手段】中性ノードN3は、配電設備20の中性線L20に接続される。第1出力ノードN4は、配電設備20の第1電源線L21に接続される。第2出力ノードN5は、配電設備20の第2電源線L22に接続される。トランス16は、第1入力ノードN1と第2入力ノードN2との間に接続される一次側巻線16aと、中性ノードN3と第1出力ノードN4との間に接続される二次側巻線16bとを有し、中性ノードN3と第1出力ノードN4との間の出力交流電圧が第1入力ノードN1と第2入力ノードN2との間の入力交流電圧に対して逆位相となるように構成される。第1接続線L1は、第1入力ノードN1と中性ノードN3とを接続する。第2接続線L2は、第2入力ノードN2と第2出力ノードN5とを接続する。
【選択図】図1
特許請求の範囲
【請求項1】
中性線と第1電源線と第2電源線とを有する配電設備に接続される電源装置であって、
入力交流電圧が供給される第1入力ノードおよび第2入力ノードと、
前記中性線に接続される中性ノードと、
前記第1電源線に接続される第1出力ノードと、
前記第2電源線に接続される第2出力ノードと、
前記第1入力ノードと前記第2入力ノードとの間に接続される一次側巻線と、前記中性ノードと前記第1出力ノードとの間に接続される二次側巻線とを有し、前記中性ノードと前記第1出力ノードとの間に印加される出力交流電圧が前記第1入力ノードと前記第2入力ノードとの間に印加される入力交流電圧に対して逆位相となるように構成されたトランスと、
前記第1入力ノードと前記中性ノードとを接続する第1接続線と、
前記第2入力ノードと前記第2出力ノードとを接続する第2接続線とを備える
電源装置。
続きを表示(約 290 文字)
【請求項2】
請求項1の電源装置において、
前記第2入力ノードと前記第1出力ノードとを電気的に接続する導通状態と、前記第2入力ノードと前記第1出力ノードとを電気的に遮断する遮断状態とに切り換え可能なスイッチを備え、
前記スイッチは、前記中性ノードと前記第1出力ノードとの間における出力電力が前記トランスの容量を上回る場合に、前記導通状態となる
電源装置。
【請求項3】
請求項1または2の電源装置において、
電池と、
前記電池から供給される直流電圧を前記入力交流電圧に変換する変換部とを備える
電源装置。
発明の詳細な説明
【技術分野】
【0001】
本発明は、電源装置に関する。
続きを表示(約 1,400 文字)
【背景技術】
【0002】
特許文献1には、電気回路チェック用電源装置が開示されている。この電源装置は、単相二線式の工事用仮設電源のコンセントに接続可能な入力用プラグと、一次側を単相二線式とし二次側を単相三線式とした単相複巻トランスと、トランスの二次側に接続された単相三線式の出力用接続具と、トランスの前後に介在させたブレーカとを備える。この電源装置は、例えば、集合住宅における各住戸内の電気配線のチェックやファンなどの性能チェックに使用される。
【先行技術文献】
【特許文献】
【0003】
実開平4-87481号公報
【発明の概要】
【発明が解決しようとする課題】
【0004】
特許文献1の電源装置では、軽量化などの目的のために、トランスの容量を低減することが好ましい。しかしながら、特許文献1の構成では、一次側を単相二線式とし二次側を単相三線式とした単相複巻トランスを採用しているので、トランスの容量を低減することが困難である。
【0005】
そこで、本発明は、トランスの容量を低減することが可能な電源装置を提供することを目的とする。
【課題を解決するための手段】
【0006】
本発明は、中性線と第1電源線と第2電源線とを有する配電設備に接続される電源装置に関する。この電源装置は、入力交流電圧が供給される第1入力ノードおよび第2入力ノードと、前記中性線に接続される中性ノードと、前記第1電源線に接続される第1出力ノードと、前記第2電源線に接続される第2出力ノードと、前記第1入力ノードと前記第2入力ノードとの間に接続される一次側巻線と、前記中性ノードと前記第1出力ノードとの間に接続される二次側巻線とを有し、前記中性ノードと前記第1出力ノードとの間に印加される出力交流電圧が前記第1入力ノードと前記第2入力ノードとの間に印加される入力交流電圧に対して逆位相となるように構成されたトランスと、前記一次側巻線の一端と前記二次側巻線の一端とを接続する第1接続線と、前記一次側巻線の他端と前記第2出力ノードとを接続する第2接続線とを備える。
【発明の効果】
【0007】
本発明によれば、トランスの一次側および二次側の両方を単相二線式にすることができるので、一次側が単相二線式で且つ二次側が単相三線式であるトランスを使用する場合よりも、トランスの容量を低減することができる。
【図面の簡単な説明】
【0008】
実施形態の電源装置の構成を例示する回路ブロック図である。
実施形態の変形例の電源装置の構成を例示する回路ブロック図である。
【発明を実施するための形態】
【0009】
以下、図面を参照して実施の形態を詳しく説明する。なお、図中同一または相当部分には同一の符号を付しその説明は繰り返さない。
【0010】
(電源装置)
図1は、実施形態の電源装置10の構成を例示する。電源装置10は、配電設備20に接続される。配電設備20は、中性線L20と、第1電源線L21と、第2電源線L22とを有する。例えば、配電設備20は、屋内(例えば住戸内)に設けられる単相三線式の分電盤である。
(【0011】以降は省略されています)
この特許をJ-PlatPat(特許庁公式サイト)で参照する
関連特許
個人
電気を重力で発電装置
17日前
個人
高圧電気機器の開閉器
4日前
キヤノン電子株式会社
モータ
24日前
キヤノン電子株式会社
モータ
16日前
日星電気株式会社
ケーブル組立体
1か月前
コーセル株式会社
電源装置
25日前
株式会社アイドゥス企画
減反モータ
4日前
トヨタ自動車株式会社
モータ
16日前
個人
二次電池繰返パルス放電器用印刷基板
1か月前
株式会社デンソー
電力変換装置
1か月前
トヨタ自動車株式会社
固定子の加熱装置
27日前
矢崎総業株式会社
電源回路
3日前
株式会社デンソー
非接触受電装置
1か月前
個人
非対称鏡像力を有する4層PWB電荷搬送体
11日前
ローム株式会社
モータドライバ回路
11日前
日産自動車株式会社
ロータシャフト
11日前
トヨタ自動車株式会社
ステータの製造装置
17日前
山洋電気株式会社
モータ
1か月前
日産自動車株式会社
ロータシャフト
11日前
株式会社明治ゴム化成
ワイヤレス給電用部品
26日前
京商株式会社
模型用非接触電力供給システム
4日前
株式会社アイシン
電力変換装置
16日前
株式会社マキタ
電動作業機
24日前
トヨタ紡織株式会社
ロータの製造装置
25日前
個人
電線盗難防止方法及び電線盗難防止装置
24日前
トヨタ自動車株式会社
可変界磁ロータ
19日前
豊田合成株式会社
車両用非接触充電装置
16日前
大阪瓦斯株式会社
充放電中継装置
17日前
ニデック株式会社
回転電機
16日前
株式会社ダイフク
非接触給電設備
1か月前
株式会社豊田自動織機
電力供給システム
16日前
ルネサスエレクトロニクス株式会社
半導体装置
16日前
本田技研工業株式会社
回転電機用ロータ
4日前
トヨタ自動車株式会社
車両照合システム
24日前
大阪瓦斯株式会社
充放電中継装置
17日前
日本パルスモーター株式会社
一定力発生器
1か月前
続きを見る
他の特許を見る