TOP
|
特許
|
意匠
|
商標
特許ウォッチ
Twitter
他の特許を見る
公開番号
2025132183
公報種別
公開特許公報(A)
公開日
2025-09-10
出願番号
2024029571
出願日
2024-02-29
発明の名称
化粧板及びそれを備えた収納家具
出願人
大建工業株式会社
代理人
弁理士法人前田特許事務所
主分類
A47B
96/20 20060101AFI20250903BHJP(家具;家庭用品または家庭用設備;コーヒーひき;香辛料ひき;真空掃除機一般)
要約
【課題】配線コードの収容作業を容易にする。
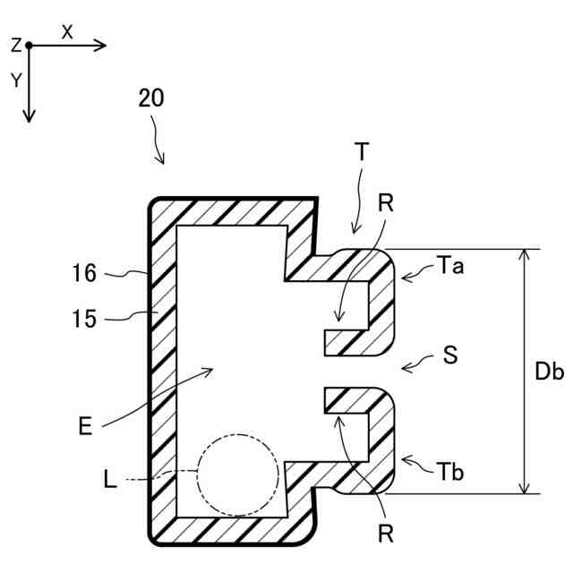
【解決手段】少なくとも1つの側面にその側面の延びる方向に沿って凹条Gが形成され、板状に設けられた化粧板本体10と、凹条Gが形成された側面に取り外し可能に設けられ、凹条Gに嵌合する凸条Tを有し、凸条Tの延びる方向に沿って中空部Eが形成された配線収容体20とを備えた化粧板30であって、凸条Tには、中空部Eに連通するスリットSが凸条Tの延びる方向に沿って設けられている。
【選択図】図1
特許請求の範囲
【請求項1】
少なくとも1つの側面に該側面の延びる方向に沿って凹条が形成され、板状に設けられた化粧板本体と、
上記凹条が形成された側面に取り外し可能に設けられ、該凹条に嵌合する凸条を有し、該凸条の延びる方向に沿って中空部が形成された配線収容体とを備えた化粧板であって、
上記凸条には、上記中空部に連通するスリットが該凸条の延びる方向に沿って設けられていることを特徴とする化粧板。
続きを表示(約 420 文字)
【請求項2】
請求項1に記載された化粧板であって、
上記凸条は、上記スリットを介して設けられた第1突起及び第2突起を有し、
上記第1突起の上記スリット側、及び上記第2突起の上記スリット側には、上記中空部側に突出するように返し部がそれぞれ設けられていることを特徴とする化粧板。
【請求項3】
請求項1に記載された化粧板であって、
上記配線収容体は、有機樹脂材料により構成され、
上記凸条の幅は、上記凹条の幅よりも大きくなっていることを特徴とする化粧板。
【請求項4】
請求項1~3の何れか1つに記載された化粧板を備えていることを特徴とする収納家具。
【請求項5】
請求項4に記載された収納家具において、
上記化粧板本体は、棚板の主部として設けられ、
上記配線収容体は、上記棚板の前方側に取り外し可能に設けられていることを特徴とする収納家具。
発明の詳細な説明
【技術分野】
【0001】
本発明は、化粧板及びそれを備えた収納家具に関するものである。
続きを表示(約 1,400 文字)
【背景技術】
【0002】
近年、住宅等の建築物の室内では、電化製品等の配線コードを収納家具等に収容することが提案されている。
【0003】
例えば、特許文献1には、前方に開口する棚収納空間に設けられた複数の棚板と、複数の棚板に亘って上下に設けられた方立とを備えた収納体において、棚板が設けられる側の方立の側面の後端面側に上下方向に延びる凹所が形成され、その凹所に配線ダクトが収納される収納棚が開示されている。
【先行技術文献】
【特許文献】
【0004】
特許第5991623号公報
【発明の概要】
【発明が解決しようとする課題】
【0005】
ところで、上記特許文献1の収納棚では、方立に設けられた配線ダクトの開口を閉塞するようにカバーが装着され、配線ダクト内に収容した配線コードを押さえながら、配線ダクトにカバーを装着する必要があり、その作業が煩わしいので、改善の余地がある。
【0006】
本発明は、かかる点に鑑みてなされたものであり、その目的とするところは、配線コードの収容作業を容易にすることにある。
【課題を解決するための手段】
【0007】
上記目的を達成するために、本発明に係る化粧板は、少なくとも1つの側面に該側面の延びる方向に沿って凹条が形成され、板状に設けられた化粧板本体と、上記凹条が形成された側面に取り外し可能に設けられ、該凹条に嵌合する凸条を有し、該凸条の延びる方向に沿って中空部が形成された配線収容体とを備えた化粧板であって、上記凸条には、上記中空部に連通するスリットが該凸条の延びる方向に沿って設けられていることを特徴とする。
【0008】
上記の構成によれば、板状の化粧板本体の少なくとも1つの側面にその側面の延びる方向に沿って凹条が形成され、その凹条が形成された化粧板本体の側面には、その凹条に嵌合する凸条を有する配線収容体が取り外し可能に設けられている。ここで、配線収容体には、凸条の延びる方向に沿って中空部が形成され、配線収容体の凸条には、中空部に連通するスリットが凸条の延びる方向に沿って設けられている。そのため、例えば、配線コードを配線収容体の凸条のスリットに沿って配置した後に、その配線コードをスリットから挿入することにより、配線収容体に配線コードを収容することができるので、配線コードの収容作業を容易にすることができる。そして、配線コードを収容した状態の配線収容体の凸条を化粧板本体の凹条に嵌合させて、化粧板本体に配線収容体を取り付けた化粧板により、その化粧板の長さや向きに応じて、配線コードを設置することができる。
【0009】
上記凸条は、上記スリットを介して設けられた第1突起及び第2突起を有し、上記第1突起の上記スリット側、及び上記第2突起の上記スリット側には、上記中空部側に突出するように返し部がそれぞれ設けられていてもよい。
【0010】
上記の構成によれば、凸条において、スリットを介して設けられた第1突起及び第2突起の各スリット側には、中空部側に突出するように返し部がそれぞれ設けられているので、配線収容体の中空部に収容した配線コードがスリットから抜け出ることを抑制することができる。
(【0011】以降は省略されています)
この特許をJ-PlatPat(特許庁公式サイト)で参照する
関連特許
大建工業株式会社
床材施工構造
1か月前
大建工業株式会社
音環境改善評価方法
1か月前
大建工業株式会社
音環境改善評価方法
1か月前
大建工業株式会社
音環境改善評価方法
1か月前
大建工業株式会社
階段用踏板及び階段
1か月前
大建工業株式会社
縦枠及び縦枠の継手部材
1か月前
大建工業株式会社
吸音体及び音環境調整構造
1か月前
大建工業株式会社
吸音体及び音環境調整構造
1か月前
大建工業株式会社
化粧板及び化粧板シリーズ
1か月前
大建工業株式会社
開口部構造及びカバー部材
1か月前
大建工業株式会社
化粧板及びそれを備えた収納家具
2か月前
個人
箸
1か月前
個人
家具
4か月前
個人
椅子
3か月前
個人
掃除機
9か月前
個人
自助箸
7か月前
個人
耳拭き棒
11か月前
個人
枕
9か月前
個人
枕
5か月前
個人
ソファー
2か月前
個人
体洗い具
10か月前
個人
掃除用具
4か月前
個人
屋外用箒
7か月前
個人
多用途紐
1か月前
個人
ハンガー
7か月前
個人
掃除道具
9か月前
個人
物品
3か月前
個人
開閉トング
6か月前
個人
掃除シート
9か月前
個人
組立式棚板
7か月前
個人
片手代替具
11か月前
個人
省煙消臭器
9か月前
個人
シャワー装置
6か月前
個人
受け皿
6か月前
個人
転倒防止装置
5か月前
個人
経典表示装置
5か月前
続きを見る
他の特許を見る