TOP
|
特許
|
意匠
|
商標
特許ウォッチ
Twitter
他の特許を見る
10個以上の画像は省略されています。
公開番号
2025128505
公報種別
公開特許公報(A)
公開日
2025-09-03
出願番号
2024025198
出願日
2024-02-22
発明の名称
放射性核種の製造方法及び放射性核種の製造装置
出願人
JFEエンジニアリング株式会社
,
国立大学法人東北大学
代理人
個人
,
個人
主分類
G21G
1/12 20060101AFI20250827BHJP(核物理;核工学)
要約
【課題】ターゲット材に電子線を照射して、効率的に放射性核種を生成する放射性核種の製造方法の提供する。
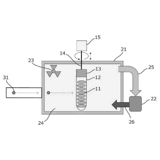
【解決手段】電子線加速器で加速した電子線31を、原料となる核種が存在するターゲット材11に照射してターゲット材11から生成する制動放射線と原料との反応を利用して、放射性核種を製造する放射性核種の製造方法であって、
工程A:ターゲット材11を、電子線透過性材料からなり、内部を密閉することが可能な管状容器12の内部に収容して密閉する工程
工程B:管状容器12に、管状容器12の軸周りの回転運動をさせると共に、電子線31によって、管状容器12の外壁面を、管状容器12の軸方向に往復して照射することにより、ターゲット材11に電子線31を照射して放射性核種を生成する工程
工程C:管状容器11を冷却媒体24によって冷却する工程、を有する。
【選択図】図1
特許請求の範囲
【請求項1】
電子線加速器で加速した電子線を、原料となる核種が存在するターゲット材に照射し、これによってターゲット材から生成する制動放射線と原料との反応を利用して、放射性核種を製造する放射性核種の製造方法であって、次の工程を有することを特徴とする放射性核種の製造方法。
工程A:前記ターゲット材を、電子線透過性材料からなり、内部を密閉することが可能な管状容器の内部に収容して密閉する工程
工程B:前記電子線が、前記管状容器の外壁面を、前記管状容器の外周面に沿って照射するとともに、前記管状容器の軸方向に往復して照射することにより、前記ターゲット材に前記電子線を照射して放射性核種を生成する工程
工程C:前記管状容器を冷却媒体によって冷却する工程
続きを表示(約 990 文字)
【請求項2】
前記工程Bにおいて、前記管状容器に、前記管状容器の軸周りの回転運動をさせると共に、前記管状容器に、前記管状容器の軸方向の往復運動をさせるようにした、請求項1に記載の放射性核種の製造方法。
【請求項3】
前記工程Bにおいて、前記管状容器に、前記管状容器の軸周りの回転運動をさせると共に、前記電子線加速器に、前記管状容器の軸方向の往復運動をさせるようにした、請求項1に記載の放射性核種の製造方法。
【請求項4】
前記工程Bにおいて、前記管状容器の中心軸が垂直方向と一致するように前記管状容器を支持する、請求項1乃至3のいずれか1項に記載の放射性核種の製造方法。
【請求項5】
前記工程Bにおいて、前記管状容器が垂直方向に対して角度を持つように前記管状容器を支持する、請求項1乃至3のいずれか1項に記載の放射性核種の製造方法。
【請求項6】
前記工程Bにおいて、前記管状容器が、電子線を横切るように振動するようにした、請求項1乃至3のいずれか1項に記載の放射性核種の製造方法。
【請求項7】
前記工程Bにおいて、前記電子線が前記管状容器の外壁面を前記管状容器の軸方向に揺動するように照射するようにした、請求項1乃至3のいずれか1項に記載の放射性核種の製造方法。
【請求項8】
前記工程Bにおいて、前記電子線が前記管状容器の外壁面を複数の方向から照射するようにした、請求項1乃至3のいずれか1項に記載の放射性核種の製造方法。
【請求項9】
前記ターゲット材が、モリブデン100(Mo-100)、ラジウム226(Ra-226)、ハフニウム178(Hf-178)、ゲルマニウム70(Ge-70)、亜鉛66、68(Zn-66、68)、チタン48(Ti-48)、及び、カルシウム48(Ca-48)またはそれらの化合物から選ばれる1種である、請求項1乃至3のいずれか1項に記載の放射性核種の製造方法。
【請求項10】
前記ターゲット材がモリブデン100であり、前記電子線を前記モリブデン100に照射することによってモリブデン100からモリブデン99を製造する、請求項9に記載の放射性核種の製造方法。
(【請求項11】以降は省略されています)
発明の詳細な説明
【技術分野】
【0001】
本発明は、放射性核種の製造方法及び放射性核種の製造装置に関する。
続きを表示(約 1,800 文字)
【背景技術】
【0002】
核医学の分野では、診断や治療等に放射性核種が利用されている。
一般に、放射性核種は、原料となる核種に放射線を照射して原子核反応により放射性核種(RI;Radioisotope)を生成させた後、目的の放射性核種を化学分離する方法で生産されている。原子核反応を惹起するための放射線としては、荷電粒子線、中性子線、制動放射線等が用いられている。
【0003】
診断に用いられる放射性核種としては、γ線を放出するテクネチウム99m(Tc-99m)、ガリウム67(Ga-67)等や、β線を放出するフッ素18(F-18)、酸素15(O-15)、窒素14(N-14)、炭素11(C-11)等が知られている。
【0004】
テクネチウム99mは、励起状態で準安定状態(meta stable)であり、基底状態に核異性体転移するときにγ線を放出する性質を持つため、診断用の放射性核種として多用されている。テクネチウム99mの一般的な原料は、モリブデン99である。親核種であるモリブデン99のβ崩壊によって、娘核種であるテクネチウム99mが生成されている。
【0005】
モリブデン99の半減期は、約66時間と短く、長期間にわたる貯蔵は困難である。そのため、使用直前の空輸が必須なケースが大半である。このような供給上の問題を解消するために、天然同位体の酸化モリブデン等を放射化する放射化法をはじめ、新たな生産法が検討されている。
【0006】
ターゲット材に放射線を照射して放射性核種を製造する際に、照射による発熱によって照射ターゲットが局所的に高温となり、溶融することがある。ターゲット材が溶融するとRIが漏洩する恐れがあるため、ターゲットの冷却が必要である。従来技術ではRIが作られるターゲットを細かく分割することによって高発熱部を分散し、冷却水・空気と接する面を広くするという冷却性能を向上させるアイデアが提案されている。
【0007】
特許文献1には図12A、12Bに示す従来の放射性核種の製造装置が示されている。
図12Aは、ターゲット装置10を備える放射性核種の製造装置100の構成図である。放射性核種の製造装置100は、ターゲット装置10と、粒子ビームを生成する加速器60を有する。
【0008】
図12Bはターゲット装置10の断面模式図である。
ターゲット装置10は、複数枚のターゲット材板20とターゲット材板20を、間隔を置いて配列状態で保持する保持フレーム30とで構成されている。ターゲット材板20は円盤状のモリブデン金属からなる。
【0009】
加速器60は、電子線を一直線上で加速する線形加速器(ライナック)である。加速器60には直線的に形成された円筒形の加速空洞62が接続されて、加速空洞62では電場を利用して電子線を加速して、所望のエネルギーの粒子ビーム(電子線EB)を生成する。
加速器60で生成された電子線EBはターゲット材板20に直接に照射され、電子線EBがターゲット材板20に衝突すると、制動放射が生じて制動放射線(制動放射光子)が発生し、ターゲット内に放射性核種を生成させる。
【0010】
ターゲット装置10は冷却装置50の内部に配置されている。冷却装置50には冷却水CWが供給される。この実施形態では熱交換器52および給水路54が冷却装置50に接続され、冷却水CWが循環的にターゲット装置10に供給される。
保持フレーム30は、隣り合うターゲット材板20同士の間に空隙部Vを設けてターゲット材板20を保持する。かかる空隙部Vを冷却水CWが通過することで、電子線EBや制動放射光子と衝突して発熱するターゲット材板20を冷却する。
照射後、ターゲット材板20は化学処理され、ターゲット材板20から放射性核種が分離される。
上記のように特許文献1ではターゲット材を複数個に分割することによって高発熱部を分散し、冷却水・空気と接する面を広くすることにより冷却性能を向上させている。
【先行技術文献】
【特許文献】
(【0011】以降は省略されています)
特許ウォッチbot のツイートを見る
この特許をJ-PlatPat(特許庁公式サイト)で参照する
関連特許
個人
常温核融合装置
5か月前
個人
常温核融合装置
5か月前
個人
常温核融合装置
5か月前
個人
トリチウムの除去装置
6か月前
個人
元素変換用固体核融合工程
3か月前
個人
廃炉方法及び固化材
6日前
個人
安山岩を利用した放射線消去装置
3か月前
個人
安山岩を利用した放射線消去装置
4か月前
個人
コンクリート船に乗せた、原子力発電
7か月前
パテントフレア株式会社
核融合反応促進法
5か月前
個人
金属製軽水炉使用済核燃料増殖原子炉
6か月前
パテントフレア株式会社
核融合反応促進法
5か月前
個人
はんれい岩を利用した放射線消去装置
3か月前
個人
装置、加速器、減速器、核変換システム
5か月前
合同会社日本レプトン
電子発生ペースト
10日前
株式会社エー・アンド・デイ
X線検査装置
5か月前
株式会社エー・アンド・デイ
X線検査装置
5か月前
個人
ホウ素を用いるミューオン触媒核融合システム
6か月前
栗田工業株式会社
放射性廃液の処理方法
6日前
PDRファーマ株式会社
遮蔽容器
4か月前
個人
核変換システム、加工装置、除去装置、切除装置
4か月前
個人
過剰熱発生方法
6か月前
住友重機械工業株式会社
搬送システム
2か月前
国立大学法人大阪大学
原子力発電装置
4か月前
株式会社シェルタージャパン
放射線遮蔽構造
7か月前
合同会社日本レプトン
電子発生器具及びその製造方法
10日前
浜松ホトニクス株式会社
電子線照射装置
5か月前
個人
共振励起型固体核融合装置と元素変換用固体核融合工程
3か月前
浜松ホトニクス株式会社
電子線照射装置
5か月前
合同会社日本レプトン
電子発生器具及びその製造方法
10日前
日揮株式会社
放射性廃棄物の固化処理方法
6か月前
株式会社アキュサイト
放射性物質の処理装置および方法
5か月前
個人
過剰熱起電力発生方法
4か月前
三菱重工業株式会社
加圧容器
1か月前
個人
重希ガス冷却増殖原子炉及び未臨界増殖原子炉及び申請書類
7か月前
株式会社大林組
埋め戻し材、埋め戻し材の製造方法
2か月前
続きを見る
他の特許を見る