TOP
|
特許
|
意匠
|
商標
特許ウォッチ
Twitter
他の特許を見る
公開番号
2025120854
公報種別
公開特許公報(A)
公開日
2025-08-18
出願番号
2024015985
出願日
2024-02-05
発明の名称
コンパレータ回路、電源回路
出願人
ローム株式会社
代理人
個人
,
個人
主分類
H03K
5/08 20060101AFI20250808BHJP(基本電子回路)
要約
【課題】コンパレータ回路のノイズ耐性を改善する。
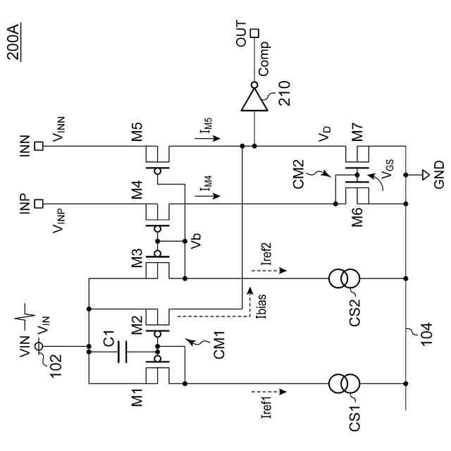
【解決手段】第1トランジスタM1は、第1基準電流Iref1の経路上に設けられる。第2トランジスタM2は第1カレントミラー回路CM1を形成する。第3トランジスタM3は、第2基準電流Iref2の経路上に設けられる。第4トランジスタM4は、ソースが第1入力ノードINPと接続され、ゲートが第3トランジスタM3のゲートと接続される。第5トランジスタM5は、ソースが第2入力ノードINNと接続され、ゲートが第3トランジスタM3のゲートと接続される。第6トランジスタM6は、ゲートおよびドレインが第4トランジスタM4のドレインと接続され、第7トランジスタM7のドレインは、第2トランジスタM2のドレインおよび第5トランジスタM5のドレインと接続される。キャパシタC1は、第1トランジスタM1のゲートソース間に接続される。
【選択図】図2
特許請求の範囲
【請求項1】
第1入力ノードと、
第2入力ノードと、
第1基準電流の経路上に設けられた第1トランジスタと、
前記第1トランジスタを入力とするカレントミラー回路を形成するように接続された第2トランジスタと、
第2基準電流の経路上に設けられ、ゲートドレイン間が接続された第3トランジスタと、
ソースが前記第1入力ノードと接続され、ゲートが前記第3トランジスタのゲートと接続された第4トランジスタと、
ソースが前記第2入力ノードと接続され、ゲートが前記第3トランジスタのゲートと接続された第5トランジスタと、
ゲートおよびドレインが前記第4トランジスタのドレインと接続された第6トランジスタと、
ゲートが前記第6トランジスタの前記ゲートと接続され、ドレインが前記第2トランジスタのドレインおよび前記第5トランジスタのドレインと接続された第7トランジスタと、
前記第1トランジスタのゲートソース間に接続されたキャパシタと、
を備える、コンパレータ回路。
続きを表示(約 120 文字)
【請求項2】
前記第1基準電流の経路上であって前記第1トランジスタのドレイン側に設けられた抵抗をさらに備える、請求項1に記載のコンパレータ回路。
【請求項3】
請求項1または2に記載のコンパレータ回路を備える、電源回路。
発明の詳細な説明
【技術分野】
【0001】
本開示は、コンパレータ回路に関する。
続きを表示(約 2,000 文字)
【背景技術】
【0002】
2つの電圧を比較するコンパレータ回路は、電子回路における基本要素である。DC/DCコンバータやモータドライバなど、スイッチングをともなう半導体集積回路はノイズを発生する。このような半導体集積回路において、電源ラインや接地ラインにノイズが重畳すると、コンパレータ回路が誤動作し、誤判定が発生しうる。
【先行技術文献】
【特許文献】
【0003】
特開2019-97121号公報
【0004】
[概要]
本開示は係る状況においてなされたものであり、そのある態様の例示的な目的のひとつは、誤動作を防止したコンパレータ回路の提供にある。
【0005】
本開示のある態様のコンパレータ回路は、第1入力ノードと、第2入力ノードと、第1基準電流の経路上に設けられた第1トランジスタと、第1トランジスタを入力とするカレントミラー回路を形成するように接続された第2トランジスタと、第2基準電流の経路上に設けられ、ゲートドレイン間が接続された第3トランジスタと、ソースが第1入力ノードと接続され、ゲートが第3トランジスタのゲートと接続された第4トランジスタと、ソースが第2入力ノードと接続され、ゲートが第3トランジスタのゲートと接続された第5トランジスタと、ゲートおよびドレインが第4トランジスタのドレインと接続された第6トランジスタと、ゲートが第6トランジスタのゲートと接続され、ドレインが第2トランジスタのドレインおよび第5トランジスタのドレインと接続された第7トランジスタと、第1トランジスタのゲートソース間に接続されたキャパシタと、を備える。
【0006】
なお、以上の構成要素を任意に組み合わせたもの、構成要素や表現を、方法、装置、システムなどの間で相互に置換したものもまた、本発明あるいは本開示の態様として有効である。さらに、この項目(課題を解決するための手段)の記載は、本発明の欠くべからざるすべての特徴を説明するものではなく、したがって、記載されるこれらの特徴のサブコンビネーションも、本発明たり得る。
【図面の簡単な説明】
【0007】
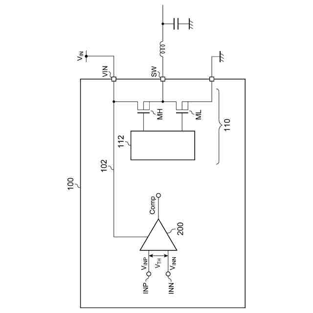
図1は、実施形態に係るコンパレータ回路を備える半導体集積回路の回路図である。
図2は、実施形態1に係るコンパレータ回路の回路図である。
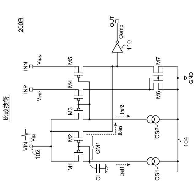
図3は、比較技術に係るコンパレータ回路の回路図である。
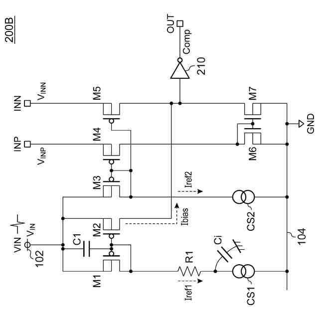
図4は、実施形態2に係るコンパレータ回路の回路図である。
【0008】
[詳細な説明]
(実施形態の概要)
本開示のいくつかの例示的な実施形態の概要を説明する。この概要は、後述する詳細な説明の前置きとして、実施形態の基本的な理解を目的として、1つまたは複数の実施形態のいくつかの概念を簡略化して説明するものであり、発明あるいは開示の広さを限定するものではない。この概要は、考えられるすべての実施形態の包括的な概要ではなく、すべての実施形態の重要な要素を特定することも、一部またはすべての態様の範囲を線引きすることも意図していない。便宜上、「一実施形態」は、本明細書に開示するひとつの実施形態(実施例や変形例)または複数の実施形態(実施例や変形例)を指すものとして用いる場合がある。
【0009】
一実施形態に係るコンパレータ回路は、第1入力ノードと、第2入力ノードと、第1基準電流の経路上に設けられた第1トランジスタと、第1トランジスタを入力とするカレントミラー回路を形成するように接続された第2トランジスタと、第2基準電流の経路上に設けられ、ゲートドレイン間が接続された第3トランジスタと、ソースが第1入力ノードと接続され、ゲートが第3トランジスタのゲートと接続された第4トランジスタと、ソースが第2入力ノードと接続され、ゲートが第3トランジスタのゲートと接続された第5トランジスタと、ゲートおよびドレインが第4トランジスタのドレインと接続された第6トランジスタと、ゲートが第6トランジスタのゲートと接続され、ドレインが第2トランジスタのドレインおよび第5トランジスタのドレインと接続された第7トランジスタと、第1トランジスタのゲートソース間に接続されたキャパシタと、を備える。
【0010】
第1トランジスタと第2トランジスタはカレントミラー回路を形成しており、第2トランジスタから第7トランジスタには、第1基準電流によって決まるバイアス電流が供給される。このバイアス電流は、第6トランジスタと第7トランジスタが形成するカレントミラー回路にアンバランスを生じさせる。その結果、第1入力電圧と第2入力電圧の電位差と、バイアス電流で決まる検出しきい値と、の比較結果が第7トランジスタのドレインに現れる。
(【0011】以降は省略されています)
この特許をJ-PlatPat(特許庁公式サイト)で参照する
関連特許
株式会社蜂鳥
増幅器
12日前
日本電波工業株式会社
圧電振動片
1か月前
日本電波工業株式会社
水晶振動子
1か月前
京セラ株式会社
差動信号フィルタデバイス
18日前
京セラ株式会社
差動信号フィルタデバイス
18日前
台灣晶技股ふん有限公司
水晶発振器
1か月前
富士電機株式会社
半導体装置
11日前
台灣晶技股ふん有限公司
水晶発振素子
1か月前
株式会社村田製作所
弾性波装置
11日前
ローム株式会社
自己診断システム
1か月前
住友電気工業株式会社
歪補償装置
5日前
国立大学法人東北大学
弾性表面波デバイス
1か月前
三菱電機株式会社
高周波増幅器モジュール
1か月前
株式会社村田製作所
高周波電力増幅器
10日前
株式会社村田製作所
高周波電力増幅器
10日前
日本電波工業株式会社
温度センサ内蔵型の水晶振動子
1か月前
台灣晶技股ふん有限公司
発振装置
1か月前
三安ジャパンテクノロジー株式会社
弾性波デバイス
1か月前
ローム株式会社
発振回路
1か月前
株式会社デンソー
差動リングオシレータ
18日前
ローム株式会社
信号伝達装置
26日前
セイコーエプソン株式会社
振動デバイス
1か月前
台灣晶技股ふん有限公司
共振装置
24日前
株式会社村田製作所
フィルタ装置
1か月前
株式会社村田製作所
移相回路
1か月前
日本放送協会
符号化器、復号器、送信装置及び受信装置
1か月前
乾坤科技股ふん有限公司
バスバーフィルタ
1か月前
セイコーNPC株式会社
発振器
1か月前
三安ジャパンテクノロジー株式会社
弾性波デバイス
1か月前
株式会社デンソー
スイッチング制御装置
1か月前
三菱電機株式会社
増幅器
1か月前
日清紡マイクロデバイス株式会社
差動回路
1か月前
株式会社村田製作所
電力増幅回路
1か月前
株式会社デンソー
スイッチ駆動装置
1か月前
日清紡マイクロデバイス株式会社
D級増幅回路
3日前
ローム株式会社
電圧電流変換回路および半導体集積回路
1か月前
続きを見る
他の特許を見る