TOP
|
特許
|
意匠
|
商標
特許ウォッチ
Twitter
他の特許を見る
10個以上の画像は省略されています。
公開番号
2025120838
公報種別
公開特許公報(A)
公開日
2025-08-18
出願番号
2024015963
出願日
2024-02-05
発明の名称
駆動回路
出願人
ローム株式会社
代理人
個人
,
個人
,
個人
,
個人
主分類
H03K
17/16 20060101AFI20250808BHJP(基本電子回路)
要約
【課題】信号の誤検出を抑制すること。
【解決手段】ハイサイドトランジスタの駆動回路であって、生成回路22と、レベルシフト回路23と、伝送ラインL1の電圧VL1及び伝送ラインL2の電圧VL2をクランプするクランプ回路24と、を備え、クランプ回路24は、ダイオード接続されたトランジスタ41であって、電源ラインPLHから伝送ラインL1に向けて充電電流Ic1を流すトランジスタ41と、ダイオード接続されたトランジスタ42であって、電源ラインPLHから伝送ラインL2に向けて充電電流Ic2を流すトランジスタ42と、トランジスタ41とトランジスタ42とを電源ラインPLHに共通に接続する抵抗素子43と、を備える。
【選択図】図5
特許請求の範囲
【請求項1】
ハイサイドトランジスタの駆動回路であって、
入力信号の第1エッジに応じてハイレベルの第1パルス信号を生成するとともに、前記入力信号の第2エッジに応じてハイレベルの第2パルス信号を生成する生成回路と、
前記第1パルス信号及び前記第2パルス信号を、ハイサイド電源電圧の電位をハイレベルとし、ハイサイド接地電位をローレベルとする信号に変換して第1伝送ライン及び第2伝送ラインにそれぞれ出力するレベルシフト回路と、
前記第1伝送ラインの第1電圧及び前記第2伝送ラインの第2電圧をクランプするクランプ回路と、
を備え、
前記クランプ回路は、
ダイオード接続された第1トランジスタであって、前記ハイサイド電源電圧を供給する電源ラインから前記第1伝送ラインに向けて前記第1伝送ラインを充電するための第1充電電流を流す前記第1トランジスタと、
ダイオード接続された第2トランジスタであって、前記電源ラインから前記第2伝送ラインに向けて前記第2伝送ラインを充電するための第2充電電流を流す前記第2トランジスタと、
前記第1トランジスタと前記第2トランジスタとを前記電源ラインに共通に接続する第1抵抗素子と、
を備える、駆動回路。
続きを表示(約 590 文字)
【請求項2】
前記クランプ回路は、
前記第1伝送ラインを前記電源ラインに接続する第2抵抗素子と、
前記第2伝送ラインを前記電源ラインに接続する第3抵抗素子と、
を更に備える、請求項1に記載の駆動回路。
【請求項3】
前記クランプ回路は、
前記電源ラインと前記第1伝送ラインとの間に設けられ、前記電源ラインと前記第1伝送ラインとを導通するオン状態と、前記電源ラインと前記第1伝送ラインとを遮断するオフ状態との間で切り替え可能な第1スイッチング素子と、
前記電源ラインと前記第2伝送ラインとの間に設けられ、前記電源ラインと前記第2伝送ラインとを導通するオン状態と、前記電源ラインと前記第2伝送ラインとを遮断するオフ状態との間で切り替え可能な第2スイッチング素子と、
前記第1電圧が前記第2電圧よりも低い場合に、前記第1スイッチング素子をオン状態に切り替える第1コンパレータと、
前記第2電圧が前記第1電圧よりも低い場合に、前記第2スイッチング素子をオン状態に切り替える第2コンパレータと、
を更に備える、請求項1又は請求項2に記載の駆動回路。
【請求項4】
前記第1トランジスタ及び前記第2トランジスタは、MOSトランジスタである、請求項1又は請求項2に記載の駆動回路。
発明の詳細な説明
【技術分野】
【0001】
本開示は、駆動回路に関する。
続きを表示(約 2,600 文字)
【背景技術】
【0002】
特許文献1には、直列に接続された上側スイッチング素子及び下側スイッチング素子のうちの、上側スイッチング素子をオンオフ制御する上側ドライバが記載されている。例えば、特許文献1に記載の上側ドライバにおいては、P端子とN端子との間に上側スイッチング素子と下側スイッチング素子とが直列に接続され、上側スイッチング素子と下側スイッチング素子とが接続されるノードが出力端子に接続されている。
【先行技術文献】
【特許文献】
【0003】
国際公開第2021/131157号
【0004】
[概要]
下側スイッチング素子がオンからオフに切り替えられると、上記出力端子の電圧が上昇する。このとき、上側ドライバには、信号の誤検出を回避することが求められる。
【0005】
本開示は、信号の誤検出を抑制可能な駆動回路を説明する。
【0006】
本開示の一側面に係る駆動回路は、ハイサイドトランジスタの駆動回路であって、入力信号の第1エッジに応じてハイレベルの第1パルス信号を生成するとともに、入力信号の第2エッジに応じてハイレベルの第2パルス信号を生成する生成回路と、第1パルス信号及び第2パルス信号を、ハイサイド電源電圧の電位をハイレベルとし、ハイサイド接地電位をローレベルとする信号に変換して第1伝送ライン及び第2伝送ラインにそれぞれ出力するレベルシフト回路と、第1伝送ラインの第1電圧及び第2伝送ラインの第2電圧をクランプするクランプ回路と、を備える。クランプ回路は、ダイオード接続された第1トランジスタであって、ハイサイド電源電圧を供給する電源ラインから第1伝送ラインに向けて第1伝送ラインを充電するための第1充電電流を流す第1トランジスタと、ダイオード接続された第2トランジスタであって、電源ラインから第2伝送ラインに向けて第2伝送ラインを充電するための第2充電電流を流す第2トランジスタと、第1トランジスタと第2トランジスタとを電源ラインに共通に接続する第1抵抗素子と、を備える。
【図面の簡単な説明】
【0007】
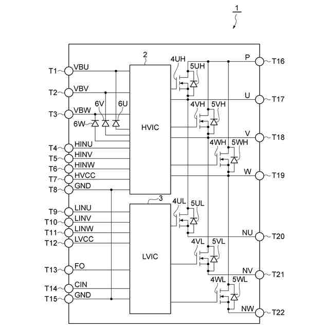
図1は、一実施形態に係るハイサイドトランジスタの駆動回路を含むIPM(Intelligent Power Module)の例示的な内部構成を示す図である。
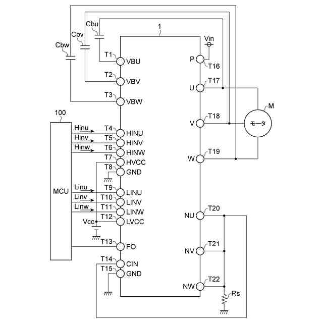
図2は、図1に示されるIPMの適用例を示す図である。
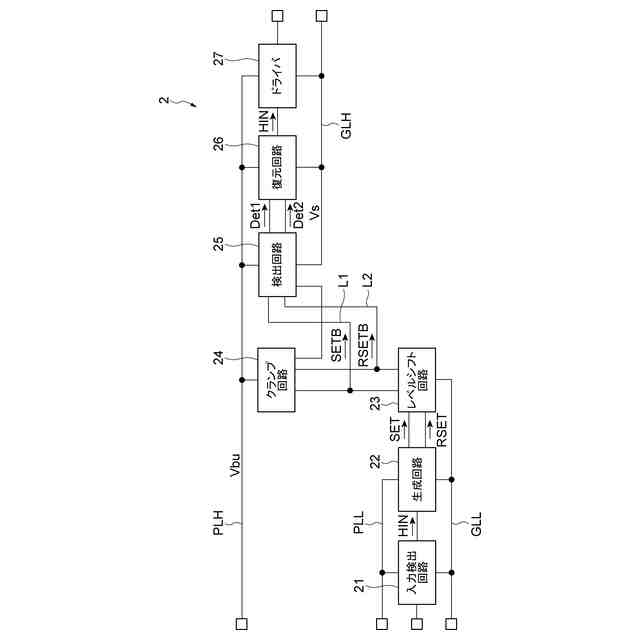
図3は、図1に示されるハイサイドトランジスタの駆動回路を概略的に説明するための図である。
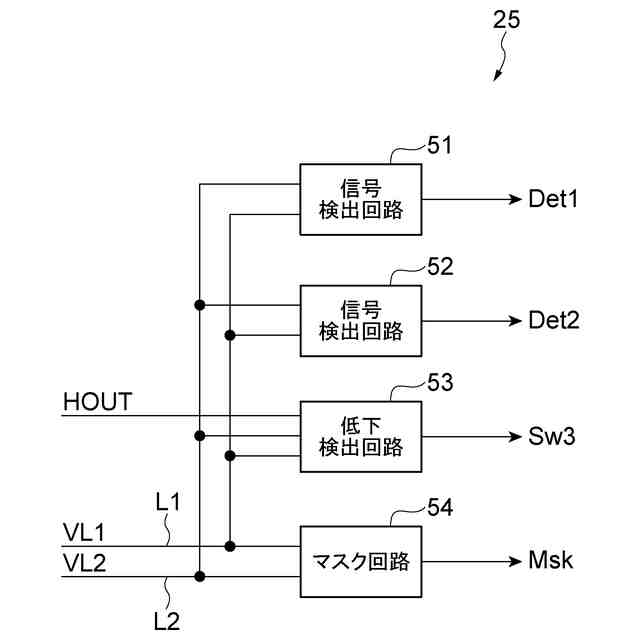
図4は、図3に示される検出回路を概略的に説明するための図である。
図5は、図3に示されるレベルシフト回路及びクランプ回路の例示的な回路構成を示す図である。
図6は、上回生時における電圧変化を説明するための図である。
図7は、図5に示される差動対回路の動作を説明するための図である。
図8は、図5に示される急速充電回路の動作を説明するための図である。
図9は、図5に示されるクランプ回路の、下回生時における動作を説明するための図である。
図10は、クランプ回路及び信号検出回路の別の回路構成を示す図である。
図11は、図4に示される信号検出回路の例示的な回路構成を示す図である。
図12は、図11に示される信号検出回路の、入力信号が入力されていない場合の動作を説明するための図である。
図13は、図11に示される信号検出回路の、入力信号が入力された場合の動作を説明するための図である。
図14は、図4に示される低下検出回路の例示的な回路構成を示す図である。
図15は、図14に示される低下検出回路の動作を説明するための図である。
図16は、信号検出を説明するための図である。
図17は、図14に示される低下検出回路が用いられない場合の信号検出を説明するための図である。
図18は、図4に示されるマスク回路の例示的な回路構成を示す図である。
図19は、図18に示されるマスク回路の動作を説明するための図である。
図20は、図18に示されるマスク回路による変化検出を説明するための図である。
図21は、遅延回路の例示的な回路構成を示す図である。
図22は、図21に示される遅延回路の遅延動作を説明するための図である。
図23は、遅延回路の別の例示的な回路構成を示す図である。
図24は、図23に示される遅延回路の遅延動作を説明するための図である。
図25は、図21に示される遅延回路における遅延時間のばらつきを説明するための図である。
図26は、遅延回路の更に別の例示的な回路構成を示す図である。
図27は、図26に示される遅延回路における遅延時間のばらつきを説明するための図である。
【0008】
[詳細な説明]
以下、図面を参照しながら本開示の実施形態が詳細に説明される。なお、図面の説明において同一要素には同一符号が付され、重複する説明は省略される。
【0009】
図1及び図2を参照しながら、一実施形態に係るハイサイドトランジスタの駆動回路を含むIPMを説明する。図1は、一実施形態に係るハイサイドトランジスタの駆動回路を含むIPMの例示的な内部構成を示す図である。図2は、図1に示されるIPMの適用例を示す図である。
【0010】
図1及び図2に示されるIPM1は、パワー素子とゲートドライバとを1パッケージに封入したデバイスである。IPM1のパッケージとしては、例えば、DIP(Dual In-line Package)が用いられる。IPM1のパッケージとして、HSDIP(Shrink Dual In-line Package with Heat Sink)及びSMD(Surface Mount Device)などの任意のパッケージが用いられ得る。IPM1は、例えば、MCU(Micro Control Unit)100によって制御され、モータMを駆動する。モータMの例としては、3相DC(Direct Current)ブラシレスモータが挙げられる。
(【0011】以降は省略されています)
この特許をJ-PlatPat(特許庁公式サイト)で参照する
関連特許
ローム株式会社
半導体装置
今日
ローム株式会社
半導体装置
5日前
ローム株式会社
半導体装置
12日前
ローム株式会社
半導体装置
12日前
ローム株式会社
半導体装置
12日前
ローム株式会社
半導体集積回路
12日前
ローム株式会社
定電圧生成回路
12日前
ローム株式会社
定電圧生成回路
12日前
ローム株式会社
サーマルプリントヘッド
12日前
ローム株式会社
電源制御装置及び電源装置
5日前
ローム株式会社
監視回路及びレジスタ制御装置
12日前
ローム株式会社
電源制御装置、スイッチング電源
5日前
ローム株式会社
整流回路およびAC/DCコンバータ
1日前
ローム株式会社
整流回路およびAC/DCコンバータ
1日前
ローム株式会社
整流回路およびAC/DCコンバータ
1日前
ローム株式会社
イグナイタおよび内燃機関点火システム
1日前
ローム株式会社
ドライバ、信号伝達装置、電子機器、車両
5日前
ローム株式会社
検出回路、信号伝達装置、電子機器、車両
12日前
ローム株式会社
サーマルプリントヘッド及びその製造方法
12日前
ローム株式会社
半導体装置、および半導体装置の製造方法
12日前
ローム株式会社
コントローラ、ターゲット、及び通信システム
12日前
ローム株式会社
窒化物半導体装置および窒化物半導体装置の製造方法
12日前
ローム株式会社
半導体装置
5日前
ローム株式会社
半導体装置
5日前
ローム株式会社
半導体装置
12日前
ローム株式会社
双方向DC/DCコンバータ、電源遮断保護回路および半導体装置
6日前
ローム株式会社
トランスデューサ、共振器、発振器及びトランスデューサの製造方法
5日前
ローム株式会社
トランスデューサ、及びその駆動方法、並びにシステム
12日前
株式会社蜂鳥
増幅器
14日前
エイブリック株式会社
増幅器
2か月前
エイブリック株式会社
増幅器
2か月前
エイブリック株式会社
増幅回路
2か月前
日本電波工業株式会社
水晶振動子
1か月前
日本電波工業株式会社
圧電振動片
2か月前
株式会社大真空
圧電振動デバイス
1日前
株式会社トーキン
ノイズフィルタ
3か月前
続きを見る
他の特許を見る