TOP
|
特許
|
意匠
|
商標
特許ウォッチ
Twitter
他の特許を見る
10個以上の画像は省略されています。
公開番号
2025112980
公報種別
公開特許公報(A)
公開日
2025-08-01
出願番号
2024007575
出願日
2024-01-22
発明の名称
測定装置、観察システム、及び測定方法
出願人
国立大学法人 筑波大学
代理人
弁理士法人酒井国際特許事務所
主分類
G01Q
60/10 20100101AFI20250725BHJP(測定;試験)
要約
【課題】測定対象の微細構造の状態変化を経時的に測定する測定装置を提供すること。
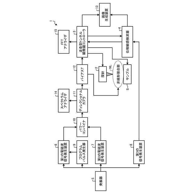
【解決手段】測定装置は、測定対象と相互作用する作用部材と、第1の周波数コムである第1の電磁波信号を発生する第1の信号発生装置と、第2の電磁波信号を発生する第2の信号発生装置と、参照信号を発生する第3の信号発生装置と、作用部材を測定対象と非線形接合部を形成するように配置し、第1の電磁波信号と、第2の電磁波信号とが、非線形接合部において測定対象との相互作用により発生したヘテロダインビート信号を検出する検出部と、参照信号を用いてヘテロダインビート信号から特定の周波数成分を抽出し、内包された精密分光情報を復調する位相敏感検波器と、クオーツ、又はルビジウムの遷移振動の周波数精度以上の周波数安定度を有する物質の振動を用いて、第1の電磁波信号、第2の電磁波信号、及び参照信号の周波数精度と位相とを同期させる発振器と、を備える。
【選択図】図1
特許請求の範囲
【請求項1】
測定対象と相互作用する作用部材と、
互いに隣接するスペクトル線の周波数の間隔が等間隔である複数のスペクトル線からなる第1の周波数コムである第1の電磁波信号を発生する第1の信号発生装置と、
第2の電磁波信号を発生する第2の信号発生装置と、
参照信号を発生する第3の信号発生装置と、
前記作用部材を前記測定対象と非線形接合部を形成するように配置した状態で、前記非線形接合部に入力された前記第1の電磁波信号と、前記非線形接合部に入力された前記第2の電磁波信号とが、前記非線形接合部において前記測定対象との相互作用により発生したヘテロダインビート信号を検出する検出部と、
前記参照信号を用いて前記ヘテロダインビート信号から特定の周波数成分を抽出し、内包された精密分光情報を復調する位相敏感検波器と、
クオーツ、又はルビジウムの遷移振動の周波数精度以上の周波数安定度を有する物質の振動を用いて、前記第1の電磁波信号、前記第2の電磁波信号、及び前記参照信号の周波数精度と位相とを同期させる発振器と、
を備えることを特徴とする測定装置。
続きを表示(約 1,100 文字)
【請求項2】
前記発振器は、クオーツ、ルビジウム、セシウム、イッテルビウム、ストロンチウム、又は光格子の振動を用いて、前記第1の電磁波信号、前記第2の電磁波信号、及び前記参照信号の位相を同期させることを特徴とする請求項1に記載の測定装置。
【請求項3】
前記発振器は、クオーツ、ルビジウム、セシウム、イッテルビウム、ストロンチウム、又は光格子の振動を用いて、前記第1の電磁波信号、前記第2の電磁波信号、及び前記参照信号の周波数精度を同期させることを特徴とする請求項1に記載の測定装置。
【請求項4】
前記第2の電磁波信号は、前記第1の周波数コムとは異なる第2の周波数コムであって、互いに隣接するスペクトル線の周波数の間隔が等間隔である複数のスペクトル線からなる第2の周波数コムであることを特徴とする請求項1に記載の測定装置。
【請求項5】
前記第1の周波数コムと前記第2の周波数コムとは、
前記間隔が所定量だけ異なり、
前記第1の周波数コムを構成する複数のスペクトル線の各々は、前記第2の周波数コムを構成する複数のスペクトル線のいずれかと近接して対をなし、
対をなすスペクトル線同士の周波数の差は、互いに隣接する対のうち、対をなすスペクトル線の周波数の平均の絶対値が大きい方の対が前記所定量だけ大きい、又は小さいことを特徴とする請求項4に記載の測定装置。
【請求項6】
前記第1の周波数コムと前記第2の周波数コムは、
前記間隔が所定量だけ異なり、
互いの中心周波数が等しい周波数コムであることを特徴とする請求項4に記載の測定装置。
【請求項7】
前記第1の周波数コムと前記第2の周波数コムは、
前記間隔が所定量だけ異なり、
互いの中心周波数が所定の周波数離間している周波数コムであることを特徴とする請求項4に記載の測定装置。
【請求項8】
前記作用部材は、前記測定対象に近接して配置される尖鋭な探針であることを特徴とする請求項1に記載の測定装置。
【請求項9】
前記第1の電磁波信号及び前記第2の電磁波信号は、前記測定対象と前記作用部材との間に流れるトンネル電流に重畳されることを特徴とする請求項1に記載の測定装置。
【請求項10】
前記ヘテロダインビート信号は、前記測定対象と前記作用部材との間に流れるトンネル電流に重畳されることを特徴とする請求項1に記載の測定装置。
(【請求項11】以降は省略されています)
発明の詳細な説明
【技術分野】
【0001】
本発明は、測定装置、観察システム、及び測定方法に関する。
続きを表示(約 1,600 文字)
【背景技術】
【0002】
従来、電子スピン検知を目的として、スピン偏極走査型トンネル電子顕微鏡(SP-STM:Spin Polarized-Scanning Tunneling Microscopy)や走査型近接場光顕微鏡(SNOM:Scanning Near field Optical Microscopy)などが開発されてきている。
【0003】
また、特許文献1には、互いに異なる周波数を有する2つの高周波信号を導入することにより、測定対象と走査型トンネル顕微鏡の探針との間に流れるトンネル電流に重畳されるヘテロダインビート信号を検出して、測定対象の電子状態等の状態を原子レベルの空間分解能で測定する技術が開示されている。特許文献1の技術では、測定対象と高周波信号との相互作用により発生する吸収、放射、励起等の周波数が未知である場合、いずれか一方の高周波信号の周波数を掃引して吸収等が起こる周波数を検出している。
【先行技術文献】
【特許文献】
【0004】
特開2007-183106号公報
【発明の概要】
【発明が解決しようとする課題】
【0005】
しかしながら、特許文献1の技術では、2つの高周波信号のいずれか一方の周波数を掃引して吸収等の周波数を検出する場合、測定対象の振動や回転やスピン等の微細構造の状態変化を原子分解能で経時的に測定することができなかった。
【0006】
本発明は、上記に鑑みてなされたものであって、測定対象の微細構造の状態変化を経時的に測定することができる測定装置、観察システム、及び測定方法を提供することを目的とする。
【課題を解決するための手段】
【0007】
上述した課題を解決し、目的を達成するために、測定装置は、測定対象と相互作用する作用部材と、互いに隣接するスペクトル線の周波数の間隔が等間隔である複数のスペクトル線からなる第1の周波数コムである第1の電磁波信号を発生する第1の信号発生装置と、第2の電磁波信号を発生する第2の信号発生装置と、参照信号を発生する第3の信号発生装置と、前記作用部材を前記測定対象と非線形接合部を形成するように配置した状態で、前記非線形接合部に入力された前記第1の電磁波信号と、前記非線形接合部に入力された前記第2の電磁波信号とが、前記非線形接合部において前記測定対象との相互作用により発生したヘテロダインビート信号を検出する検出部と、前記参照信号を用いて前記ヘテロダインビート信号から特定の周波数成分を抽出し、内包された精密分光情報を復調する位相敏感検波器と、クオーツ、又はルビジウムの遷移振動の周波数精度以上の周波数安定度を有する物質の振動を用いて、前記第1の電磁波信号、前記第2の電磁波信号、及び前記参照信号の周波数精度と位相とを同期させる発振器と、を備えることを特徴とする。
【0008】
また、本発明の一態様に係る測定装置は、前記発振器は、クオーツ、ルビジウム、セシウム、イッテルビウム、ストロンチウム、又は光格子の振動を用いて、前記第1の電磁波信号、前記第2の電磁波信号、及び前記参照信号の位相を同期させることを特徴とする。
【0009】
また、本発明の一態様に係る測定装置は、前記発振器は、クオーツ、ルビジウム、セシウム、イッテルビウム、ストロンチウム、又は光格子の振動を用いて、前記第1の電磁波信号、前記第2の電磁波信号、及び前記参照信号の周波数精度を同期させることを特徴とする。
【0010】
また、本発明の一態様に係る測定装置は、前記第2の電磁波信号は、前記第1の周波数コムとは異なる第2の周波数コムであって、互いに隣接するスペクトル線の周波数の間隔が等間隔である複数のスペクトル線からなる第2の周波数コムであることを特徴とする。
(【0011】以降は省略されています)
この特許をJ-PlatPat(特許庁公式サイト)で参照する
関連特許
国立大学法人 筑波大学
制振機構
1か月前
国立大学法人 筑波大学
制振機構
1か月前
国立大学法人 筑波大学
制振機構
1か月前
国立大学法人 東京大学
せん妄判定方法
3か月前
国立大学法人 筑波大学
超音波検査装置
2か月前
国立大学法人 筑波大学
火災検出システム
1か月前
国立大学法人 筑波大学
火災検出システム
1か月前
国立大学法人 筑波大学
火災検出システム
1か月前
国立大学法人 筑波大学
火災検出システム
1か月前
国立大学法人 筑波大学
レオロジー測定装置
1か月前
国立大学法人 筑波大学
麹菌組織物の製造方法
2か月前
国立大学法人 筑波大学
がん抑制剤およびがん抑制用医薬
1か月前
国立大学法人 筑波大学
眼科装置及び眼科装置の作動方法
1日前
国立大学法人 筑波大学
樹脂部材の加工装置および加工方法
今日
NTT株式会社
復号装置及び復号方法
1か月前
国立大学法人 筑波大学
測定方法、測定装置、及び観察システム
3か月前
国立大学法人 筑波大学
測定装置、観察システム、及び測定方法
3か月前
国立大学法人 筑波大学
フィラグリン遺伝子型決定法およびキット
4か月前
国立大学法人 筑波大学
微生物、植物成長補助剤、及び植物の生育方法
4か月前
国立大学法人 筑波大学
オンサイト参加システム及びオンサイト参加方法
3か月前
国立大学法人 筑波大学
補正装置、撮影装置、補正方法および撮影システム
3か月前
国立大学法人 筑波大学
殺虫剤、殺虫活性を有する新規化合物及びその用途
13日前
NTT株式会社
映像処理装置、方法及びプログラム
1か月前
NTT株式会社
情報処理装置、方法およびプログラム
2か月前
NTT株式会社
推論装置、推論方法、及びプログラム
3か月前
国立大学法人 筑波大学
慣性力設定装置、慣性力設定システム及び慣性力設定方法
3か月前
NTT株式会社
データ解析装置、方法およびプログラム
2か月前
国立大学法人 筑波大学
放射線遮蔽材用焼結体粒子、その製造方法及びその使用方法
28日前
国立大学法人 筑波大学
反応性スパッタリング方法及び反応性スパッタリングシステム
2か月前
国立大学法人 筑波大学
表面検査装置
4か月前
国立大学法人 筑波大学
光学素子、光線制御装置とその製造方法、およびディスプレイ
1か月前
NTT株式会社
情報処理装置、情報処理方法及びプログラム
2か月前
東京エレクトロン株式会社
成膜方法、成膜装置及び半導体装置
1か月前
三菱重工業株式会社
移動体、自己位置推定方法及びプログラム
1か月前
三菱重工業株式会社
情報処理装置、情報処理方法及びプログラム
1か月前
東洋紡株式会社
結核菌群検出用オリゴヌクレオチド及びその用途
1か月前
続きを見る
他の特許を見る