TOP
|
特許
|
意匠
|
商標
特許ウォッチ
Twitter
他の特許を見る
公開番号
2025175449
公報種別
公開特許公報(A)
公開日
2025-12-03
出願番号
2024081573
出願日
2024-05-20
発明の名称
シートカーペット
出願人
トヨタ紡織株式会社
代理人
弁理士法人岡田国際特許事務所
主分類
B60N
2/58 20060101AFI20251126BHJP(車両一般)
要約
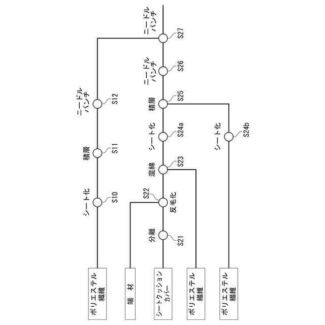
【課題】より性能に優れたシートカーペットを提供することを目的とする。
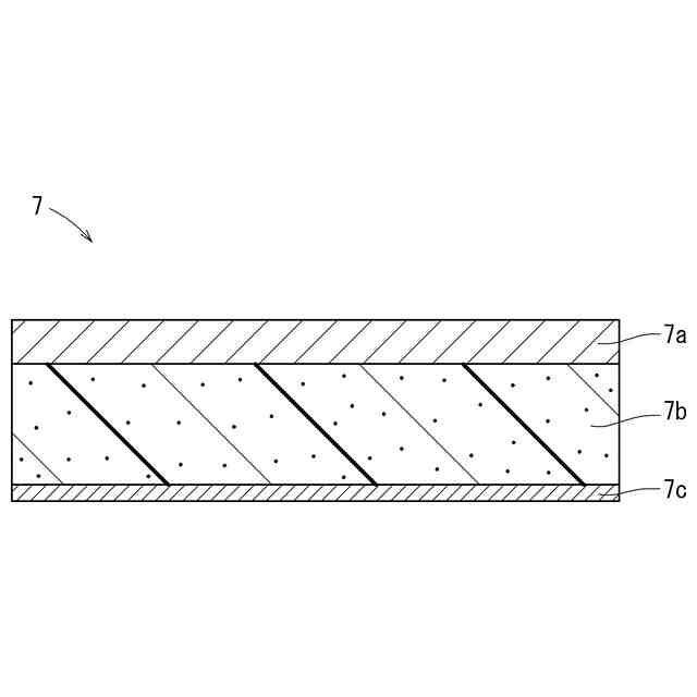
【解決手段】シートカーペット(1)は、複数の不織布を積層一体化して形成される。シートカーペット(1)は、対象物の被覆時に表面側とされる不織布であって、バージン原料からなる合成繊維を主体に形成される上層(2)と、上層(2)の裏側に配置される不織布であって、ファブリック製の表層を有するシート表皮の反毛処理材に合成繊維を混綿したリサイクル混合繊維で形成されたリサイクル層(4)を含む下層(3)と、を有する。
【選択図】図1
特許請求の範囲
【請求項1】
複数の不織布を積層一体化して形成されたシートカーペットであって、
対象物の被覆時に表面側とされる前記不織布であって、バージン原料からなる合成繊維を主体に形成される上層と、
前記上層の裏側に配置される前記不織布であって、ファブリック製の表層を有するシート表皮の反毛処理材に合成繊維を混綿したリサイクル混合繊維で形成されたリサイクル層を含む下層と、
を有するシートカーペット。
続きを表示(約 150 文字)
【請求項2】
請求項1に記載のシートカーペットであって、
前記下層は、前記リサイクル層と、バージン原料からなる合成繊維を主体として形成されたバージン層とが互いに一体となるように交絡された2層を有し、
前記リサイクル層は、前記上層と前記バージン層の間に挟まれているシートカーペット。
発明の詳細な説明
【技術分野】
【0001】
本発明は、原料にリサイクル材を含むシートカーペットに関する。
続きを表示(約 1,200 文字)
【背景技術】
【0002】
従来、リサイクル材を用いて車両の内装部品を製造することが知られている。リサイクル材を用いて製造された内装部品の適用先として、シートカーペットが挙げられる。
【0003】
シートカーペットは、シートカバーにおいて、着座面以外(シート側面や裏面等)を被覆する部分であり、乗員に見られる場所にありながらも、着座面と比較して目に付きにくい。そのため、シートカーペットに要求される意匠性は高いものではなく、リサイクル材を用いて製造する候補とされる。
【0004】
ところで、特許文献1では、ジーンズ製造工程で発生するジーンズ布端材、あるいは、ジーンズ古着から得られるジーンズ反毛をリサイクル材として使用して成形用吸音マットを製造する技術が開示されている。当該成形用吸音マットは、インシュレータダッシュとして用いられている。
【0005】
インシュレータダッシュもシートカーペットも、車室内で比較的乗員の目に付きにくい部分という点で共通しており、特許文献1のジーンズ反毛をリサイクル材として使用してシートカーペットを製造することが考えられる。
【先行技術文献】
【特許文献】
【0006】
特開2004-027383号公報
【発明の概要】
【発明が解決しようとする課題】
【0007】
しかしながら、原料にジーンズ反毛を含むシートカーペットは、車室内で使用することが困難であるという問題があった。シートカーペットは、乗り降りする際にこすれたり、強い日差しにさらされるため、耐光性・耐熱性・耐摩耗性に関し一定の性能を満たすことが必要とされる。ジーンズ自体はそのような性能を満たすことを想定して製造されたものでないので、ジーンズ反毛をリサイクル材として使用したシートカーペットに、一定の性能を満たすことは期待できない。
【0008】
そこで、本発明は、リサイクル材を用いたとしても性能低下を抑制できるシートカーペットを提供することを目的とする。
【課題を解決するための手段】
【0009】
上記課題を解決する手段として、本発明のシートカーペットは、次の手段をとる。
【0010】
すなわち、本発明の第1の発明は、複数の不織布を積層一体化して形成されたシートカーペットである。シートカーペットは、対象物の被覆時に表面側とされる前記不織布であって、バージン原料からなる合成繊維を主体に形成される上層と、前記上層の裏側に配置される前記不織布であって、ファブリック製の表層を有するシート表皮の反毛処理材に合成繊維を混綿したリサイクル混合繊維で形成されたリサイクル層を含む下層と、を有する。
(【0011】以降は省略されています)
この特許をJ-PlatPat(特許庁公式サイト)で参照する
関連特許
トヨタ紡織株式会社
フィルタ
9日前
トヨタ紡織株式会社
乗物用シート
28日前
トヨタ紡織株式会社
水流帯電装置
9日前
トヨタ紡織株式会社
電界紡糸装置
7日前
トヨタ紡織株式会社
乗物用シート
15日前
トヨタ紡織株式会社
搬送システム
1か月前
トヨタ紡織株式会社
シートバック
28日前
トヨタ紡織株式会社
シートバック
28日前
トヨタ紡織株式会社
振動刺激装置
15日前
トヨタ紡織株式会社
乗り物用シート
29日前
トヨタ紡織株式会社
アンカーカバー
8日前
トヨタ紡織株式会社
乗り物用シート
29日前
トヨタ紡織株式会社
ロックシステム
1か月前
トヨタ紡織株式会社
乗物用シート装置
1か月前
トヨタ紡織株式会社
ロータの製造装置
1か月前
トヨタ紡織株式会社
燃料電池システム
1か月前
トヨタ紡織株式会社
乗物用シート装置
28日前
トヨタ紡織株式会社
シートカーペット
2日前
トヨタ紡織株式会社
燃料電池スタック
1か月前
トヨタ紡織株式会社
クッションパッド
8日前
トヨタ紡織株式会社
シートクッション
8日前
トヨタ紡織株式会社
燃料電池システム
9日前
トヨタ紡織株式会社
表皮材及び内装部品
7日前
トヨタ紡織株式会社
表皮材及び内装部品
7日前
トヨタ紡織株式会社
パーソナルブース装置
15日前
トヨタ紡織株式会社
コネクタ及び二次電池
1か月前
トヨタ紡織株式会社
パーソナルブース装置
15日前
トヨタ紡織株式会社
モータコアの製造方法
7日前
トヨタ紡織株式会社
配車装置およびプログラム
1か月前
トヨタ紡織株式会社
乗物用シートのアームレスト
1か月前
豊田合成株式会社
車両用投影装置
1か月前
豊田合成株式会社
車両用照明装置
1か月前
トヨタ紡織株式会社
車両用ヘッドレスト及び車両用シート
1か月前
トヨタ紡織株式会社
シートパッド及びシートパッドの成形型
7日前
トヨタ紡織株式会社
シートパッド及びシートパッドの成形型
1か月前
トヨタ紡織株式会社
乗物用内装材及び乗物用内装材の製造方法
9日前
続きを見る
他の特許を見る