TOP
|
特許
|
意匠
|
商標
特許ウォッチ
Twitter
他の特許を見る
公開番号
2025167480
公報種別
公開特許公報(A)
公開日
2025-11-07
出願番号
2024072121
出願日
2024-04-26
発明の名称
乗物用シート装置
出願人
トヨタ紡織株式会社
代理人
名古屋国際弁理士法人
主分類
B60N
2/06 20060101AFI20251030BHJP(車両一般)
要約
【課題】 乗物の状態が時々刻々と変化する点に鑑みた乗物用シート装置の一例を開示する。
【解決手段】 乗物用シート装置は、乗物情報を利用して算出・決定された始動トルクにて電動モータが駆動されるので、乗物や利用者の状態に応じた適切な始動トルクにて可動部を稼働させることができ得る。さらに、可動部が稼働し始める時に大きな衝撃が発生することを抑制でき得るので、例えば、テーブルに置いていた物が落ちてしまう、又はドリンクホルダの飲み物が溢れてしまうといった不具合の発生を抑制でき得る。
【選択図】 図4
特許請求の範囲
【請求項1】
乗物に搭載される乗物用シート装置において、
可動部を稼働させる駆動力を発揮する電動モータと、
乗物情報を取得する情報取得部と、
前記電動モータの作動を制御する制御部であって、前記情報取得部にて取得された乗物情報を利用して始動時の発生トルクを制御する始動トルク制御が実行可能な制御部と
を備える乗物用シート装置。
続きを表示(約 240 文字)
【請求項2】
前記情報取得部は、乗物の加減速、乗物の傾斜角、前記電動モータの温度、室内の空気温度、前記電動モータに印加可能な電源電圧、及び着席者の体重のうち少なくとも1つを乗物情報として取得する請求項1に記載の乗物用シート装置。
【請求項3】
前記情報取得部は、着席者の睡眠状態、着席者の体調、飲食物の有無、シートバックのリクライニング角度、オットマンの角度、前席と後席との距離のうち少なくとも1つを乗物情報として取得する請求項1又は2に記載の乗物用シート装置。
発明の詳細な説明
【技術分野】
【0001】
本開示は、乗物に搭載される乗物用シート装置に関する。
続きを表示(約 1,200 文字)
【背景技術】
【0002】
例えば、特許文献1に記載の電動シートでは、電動モータの起動時のショックを抑制することを目的として、制限抵抗を電動モータの巻線抵抗に直列に配置して電動モータを低速起動させている。
【先行技術文献】
【特許文献】
【0003】
特開平6-141574号公報
【発明の概要】
【発明が解決しようとする課題】
【0004】
車両等の乗物においては、乗物の状態(例えば、坂道を下って状態や加減速中の状態等)又は着席者の状態(例えば、着席者の姿勢等)が時々刻々と変化する。本開示は、当該点に鑑みた乗物用シート装置の一例を開示する。
【課題を解決するための手段】
【0005】
乗物に搭載される乗物用シート装置は、例えば、以下の構成要件のうち少なくとも1つを備えることが望ましい。
すなわち、当該構成要件は、可動部(2)を稼働させる駆動力を発揮する電動モータ(9)と、乗物情報を取得する情報取得部(11)と、電動モータ(9)の作動を制御する制御部(10)であって、情報取得部(11)にて取得された乗物情報を利用して始動時の発生トルクを制御する始動トルク制御が実行可能な制御部(10)とである。
【0006】
これにより、当該乗物用シート装置では、乗物情報に応じたトルクにて電動モータを始動することが可能となる。したがって、乗物情報に適した加速度にて可動部を稼働させることが可能となり得る。
【0007】
なお、当該乗物用シート装置は、例えば、以下の構成であってもよい。
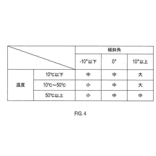
すなわち、情報取得部(11)は、乗物の加減速、乗物の傾斜角、電動モータ(9)の温度、室内の空気温度、電動モータ(9)に印加可能な電源電圧、及び着席者の体重のうち少なくとも1つを乗物情報として取得することが望ましい。
【0008】
さらに、情報取得部(11)は、着席者の睡眠状態、着席者の体調、飲食物の有無、シートバックのリクライニング角度、オットマンの角度、前席と後席との距離のうち少なくとも1つを乗物情報として取得することが望ましい。
【0009】
因みに、上記各括弧内の符号は、後述する実施形態に記載の具体的構成等との対応関係を示す一例であり、本開示は上記括弧内の符号に示された具体的構成等に限定されない。
【図面の簡単な説明】
【0010】
第1実施形態に係る乗物用シート装置を示す図である。
第1実施形態に係る駆動装置を示すブロック図である。
速度と時間経過との関係を示す図である。
始動トルクの大きさを示す図表である。
【発明を実施するための形態】
(【0011】以降は省略されています)
この特許をJ-PlatPat(特許庁公式サイト)で参照する
関連特許
個人
タイヤレバー
3か月前
個人
前輪キャスター
2か月前
個人
上部一体型自動車
1か月前
個人
ルーフ付きトライク
3か月前
個人
空間形成装置
9日前
個人
タイヤ脱落防止構造
2か月前
日本精機株式会社
表示装置
3か月前
個人
マスタシリンダ
1か月前
日本精機株式会社
表示装置
2か月前
日本精機株式会社
照明装置
4日前
日本精機株式会社
表示装置
3か月前
日本精機株式会社
表示装置
3か月前
個人
車両通過構造物
3か月前
個人
乗合路線バスの客室装置
3か月前
個人
常設収納型サンバイザー
15日前
個人
音声ガイド、音声サービス
3か月前
日本精機株式会社
車載表示装置
17日前
個人
回転窓ワイパー装置
9日前
株式会社ニフコ
収納装置
2か月前
株式会社豊田自動織機
産業車両
4日前
日本精機株式会社
車載表示装置
1か月前
日本精機株式会社
画像投映装置
1か月前
日本精機株式会社
車室演出装置
2か月前
株式会社豊田自動織機
産業車両
3か月前
株式会社ニフコ
照明装置
2か月前
日本精機株式会社
車載表示装置
10日前
個人
円湾曲ホイール及び球体輪
3か月前
日本精機株式会社
車載表示装置
12日前
日本精機株式会社
車両用投射装置
1か月前
日本精機株式会社
車両用報知装置
16日前
井関農機株式会社
作業車両
1か月前
極東開発工業株式会社
車両
3か月前
日本精機株式会社
車両用表示装置
3か月前
株式会社SUBARU
車両
1か月前
日本精機株式会社
車両用表示装置
1か月前
個人
音による速度計とプログラム
15日前
続きを見る
他の特許を見る