TOP
|
特許
|
意匠
|
商標
特許ウォッチ
Twitter
他の特許を見る
公開番号
2025173673
公報種別
公開特許公報(A)
公開日
2025-11-28
出願番号
2024079336
出願日
2024-05-15
発明の名称
作業車両の制御装置および作業車両の制御方法
出願人
株式会社小松製作所
代理人
弁理士法人志賀国際特許事務所
主分類
E02F
9/20 20060101AFI20251120BHJP(水工;基礎;土砂の移送)
要約
【課題】旋回において目標旋回半径との誤差を抑える。
【解決手段】制御装置は、第一時点における前記一対のクローラの速度比と、その速度比に従った制御の結果に係る作業車両の旋回半径とに基づいて、目標旋回半径と前記一対のクローラの速度比との関係を特定する。制御装置は、特定した関係に基づいて第二時点における目標旋回半径から、一対のクローラの速度比を決定する。
【選択図】図7
特許請求の範囲
【請求項1】
互いに独立に動作する一対のクローラを備える作業車両の制御装置であって、
第一時点における前記一対のクローラの速度パラメータと、前記速度パラメータに従った制御の結果に係る前記作業車両の旋回半径とに基づいて、目標旋回半径と前記一対のクローラの速度パラメータとの関係を特定し、
特定した前記関係に基づいて第二時点における目標旋回半径から、前記一対のクローラの速度パラメータを決定する、
作業車両の制御装置。
続きを表示(約 690 文字)
【請求項2】
前記一対のクローラの速度パラメータは、前記一対のクローラの速度比である、
請求項1に記載の作業車両の制御装置。
【請求項3】
予め、前記目標旋回半径と前記一対のクローラの速度パラメータとの関係を記憶し、
前記第一時点における前記一対のクローラの速度パラメータと前記速度パラメータに従った制御の結果に係る前記作業車両の旋回半径とに基づいて、前記関係を補正し、
補正した前記関係に基づいて第二時点における目標旋回半径から、前記一対のクローラの速度パラメータを決定する、
請求項1に記載の作業車両の制御装置。
【請求項4】
前記第一時点における前記一対のクローラの速度パラメータと前記速度パラメータに従った制御の結果に係る前記作業車両の旋回半径とから、旋回半径ごとの速度パラメータの補正係数を求める補正関数を求め、
前記補正関数に基づいて、前記関係を補正する、
請求項2に記載の作業車両の制御装置。
【請求項5】
互いに独立に動作する一対のクローラを備える作業車両の制御方法であって、
前記作業車両の制御装置が、
第一時点における前記一対のクローラの速度パラメータと、前記速度パラメータに従った制御の結果に係る前記作業車両の旋回半径とに基づいて、目標旋回半径と前記一対のクローラの速度パラメータとの関係を特定し、
特定した前記関係に基づいて第二時点における目標旋回半径から、前記一対のクローラの速度パラメータを決定する、
作業車両の制御方法。
発明の詳細な説明
【技術分野】
【0001】
本開示は、作業車両の制御装置および作業車両の制御方法に関する。
続きを表示(約 1,500 文字)
【背景技術】
【0002】
走行装置が一対のクローラで構成される作業車両が知られている。このような作業車両は、一対のクローラの速度比を異ならせることで進行方向を変更する。施工の目標地形は、円弧や直線を組み合わせた形状で表されることがある。このような目標地形に沿って施工を行うためには、作業車両を目標地形に沿って移動させる必要がある。
【先行技術文献】
【特許文献】
【0003】
特開2022-157259号公報
【発明の概要】
【発明が解決しようとする課題】
【0004】
作業車両の旋回半径は、一対のクローラの速度比およびゲージ幅(左右履帯間の距離)から幾何的に決定される。一方で、実際には走行する路面の表面状態やスリップの影響により、目標旋回半径と実旋回半径に乖離が生じるため、幾何的に決定された制御方法では経路追従性が高くない。
本開示の目的は、旋回走行において目標旋回半径との誤差を抑えることができる作業車両の制御装置および作業車両の制御方法を提供することにある。
【課題を解決するための手段】
【0005】
本発明の一態様によれば、作業車両の制御装置は、互いに独立に動作する一対のクローラを備える作業車両の制御装置であって、第一時点における前記一対のクローラの速度パラメータと、前記速度パラメータに従った制御の結果に係る前記作業車両の旋回半径とに基づいて、目標旋回半径と前記一対のクローラの速度パラメータとの関係を特定し、特定した前記関係に基づいて第二時点における目標旋回半径から、前記一対のクローラの速度パラメータを決定する。
【発明の効果】
【0006】
上記態様によれば、作業車両の制御装置は、旋回において目標旋回半径との誤差を抑えることができる。
【図面の簡単な説明】
【0007】
第一実施形態に係る作業車両の側面図である。
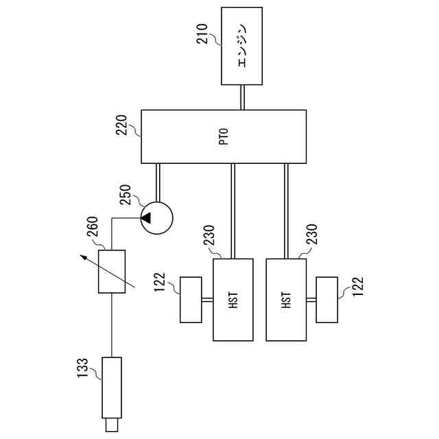
第一実施形態に係る作業車両の動力系を示す模式図である。
第一実施形態に係る作業車両の計測系および制御装置の構成を示す図である。
第一実施形態に係る旋回指令テーブルの例を示す図である。
第一実施形態における旋回指令比の計算方法を示す図である。
第一実施形態に係る補正関数の一例である。
第一実施形態に係る補正後の旋回指令テーブルの一例である。
第一実施形態に係る自動操舵制御を示すフローチャートである。
【発明を実施するための形態】
【0008】
〈第一実施形態〉
以下、図面を参照しながら実施形態について詳しく説明する。
図1は、第一実施形態に係る作業車両の側面図である。
第一実施形態に係る作業車両100は、例えばブルドーザである。作業車両100は、車体110、走行装置120、作業機130、運転室140を備える。
【0009】
走行装置120は、車体110の下部に設けられる。走行装置120は、クローラ121、スプロケット122を一対備える。一対のクローラ121は、ぞれぞれ車体110の左と右とに設けられ、互いに独立に動作する。スプロケット122の駆動によってクローラ121が回転することで、作業車両100が走行する。
【0010】
作業機130は、土砂等の掘削対象の掘削および運搬に用いられる。作業機130は、リフトフレーム131、ブレード132およびブレードリフトシリンダ133を備える。ブレード132は車体110の前方に配置される。
(【0011】以降は省略されています)
この特許をJ-PlatPat(特許庁公式サイト)で参照する
関連特許
株式会社小松製作所
作業機械および方法
1か月前
株式会社小松製作所
作業機械および方法
1か月前
株式会社小松製作所
作業機械および方法
21日前
株式会社小松製作所
作業機械および方法
1か月前
株式会社小松製作所
磁気結合型リアクトル
21日前
株式会社小松製作所
評価装置および評価方法
16日前
株式会社小松製作所
制御システムおよび制御方法
21日前
株式会社小松製作所
作業機械および作業機械の制御方法
8日前
株式会社小松製作所
作業機械および作業機械の制御方法
8日前
株式会社小松製作所
作業機械および作業機械の制御方法
1か月前
株式会社小松製作所
作業車両および作業車両の制御方法
1か月前
株式会社小松製作所
システム、作業機械、および制御方法
1か月前
株式会社小松製作所
作業車両の制御システム及び作業車両
1か月前
株式会社小松製作所
ファン駆動システム及びファン駆動方法
21日前
株式会社小松製作所
管理システム、管理装置、及び管理方法
今日
株式会社小松製作所
作業機械の点検支援システム及び点検支援方法
1か月前
株式会社小松製作所
作業車両の制御装置および作業車両の制御方法
今日
株式会社小松製作所
作業現場の従事者支援システム及び従事者支援方法
21日前
株式会社小松製作所
作業機械の制御システム、および作業機械の制御方法
21日前
株式会社小松製作所
作業機械の制御システム、および作業機械の制御方法
21日前
株式会社小松製作所
トレーニングシステムおよびステージデータの生成方法
21日前
株式会社小松製作所
認証情報表示システム、情報端末、及び認証情報表示方法
1か月前
株式会社小松製作所
表示制御装置、情報端末、表示制御方法、及び表示制御システム
1か月前
株式会社小松製作所
作業機械、作業機械を含むシステム、および作業機械の制御方法
1か月前
株式会社小松製作所
作業機械のペイロード算出システムおよび作業機械のペイロード算出方法
22日前
株式会社小松製作所
作業機械を含むシステム、作業機械、および作業機械の自動走行制御方法
1か月前
株式会社小松製作所
管理システム及び管理方法
8日前
株式会社小松製作所
作業機械の動作条件決定システム、作業機械、及び作業機械の動作条件決定方法
8日前
株式会社小松製作所
作業機械の動作条件決定システム、作業機械、及び作業機械の動作条件決定方法
8日前
株式会社小松製作所
消費電力予測装置、作業機械、消費電力予測システム、消費電力予測方法、およびプログラム
1日前
個人
バケット
29日前
個人
建物の不同沈下の修正方法
1か月前
鹿島建設株式会社
接続方法
9日前
千代田工営株式会社
回転貫入杭
1か月前
株式会社富田製作所
継手部構造
29日前
株式会社大林組
操縦装置
1か月前
続きを見る
他の特許を見る