TOP
|
特許
|
意匠
|
商標
特許ウォッチ
Twitter
他の特許を見る
公開番号
2025170433
公報種別
公開特許公報(A)
公開日
2025-11-18
出願番号
2025148168,2024170115
出願日
2025-09-08,2021-02-26
発明の名称
音響機器用嗜好性反映装置及び嗜好性反映方法
出願人
パナソニックオートモーティブシステムズ株式会社
代理人
個人
主分類
H04R
3/04 20060101AFI20251111BHJP(電気通信技術)
要約
【課題】固定的な出力特性ではなく、個別ユーザー毎の嗜好性に応じた出力特性を音響機器の出力音に反映する。
【解決手段】音響機器30に対し、ユーザーの嗜好性を反映するための音響機器用嗜好性反映装置10であって、音響機器30の出力音における周波数毎の出力レベルを規定する出力特性を記憶する特性記憶部13と、出力音に対するユーザーの反応を反映した反応情報に基づき、特性記憶部13に記憶された出力特性を選択する制御部11と、特性記憶部13において制御部11が選択した出力特性を参照し、出力音の出力特性を設定する特性設定部15と、を備え、反応情報は、ユーザーを撮像して得られる撮像情報である。
【選択図】図1
特許請求の範囲
【請求項1】
音響機器に対し、ユーザーの嗜好性を反映するための音響機器用嗜好性反映装置であって、
前記音響機器の出力音における周波数毎の出力レベルを規定する出力特性を記憶する特性記憶部と、
出力音に対するユーザーの反応を反映した反応情報に基づき、前記特性記憶部に記憶された出力特性を選択する制御部と、
前記特性記憶部において前記制御部が選択した出力特性を参照し、出力音の出力特性を設定する特性設定部と、
を備え、
前記反応情報は、ユーザーを撮像して得られる撮像情報である、
音響機器用嗜好性反映装置。
続きを表示(約 1,000 文字)
【請求項2】
前記撮像情報がポジティブである場合、前記制御部は既に設定された出力特性を変更しない、
請求項1に記載の音響機器用嗜好性反映装置。
【請求項3】
前記撮像情報がネガティブである場合、前記制御部はユーザーに対し、メッセージ出力部を介して出力音に対する評価を問うメッセージを送出する、
請求項1に記載の音響機器用嗜好性反映装置。
【請求項4】
前記制御部は前記反応情報に加えて、周辺環境のノイズに基づき、前記特性記憶部に記憶された出力特性を選択する、
請求項1から3のいずれか1項に記載の音響機器用嗜好性反映装置。
【請求項5】
前記音響機器がラジオであり、
前記制御部は前記反応情報に加えて、前記ラジオの受信電波の電界強度又は受信電波のマルチパス環境の少なくともいずれかに基づき、前記特性記憶部に記憶された出力特性を選択する、
請求項1から4のいずれか1項に記載の音響機器用嗜好性反映装置。
【請求項6】
前記制御部が出力特性を変更する場合、前記制御部は既に設定された出力特性に比べて、高周波領域の出力レベルが小さい出力特性を選択する、
請求項1から5のいずれか1項に記載の音響機器用嗜好性反映装置。
【請求項7】
前記制御部が出力特性を変更する場合、前記制御部は既に設定された出力特性に比べて、低周波領域の出力レベルが小さい出力特性を選択する、
請求項1から5のいずれか1項に記載の音響機器用嗜好性反映装置。
【請求項8】
前記制御部は前記出力特性の選択にあたって、ユーザーの出力音に対する反応を推定するための機械学習を行った学習済みモデルを搭載した人工知能を用いる、
請求項1から7のいずれか1項に記載の音響機器用嗜好性反映装置。
【請求項9】
音響機器に対し、ユーザーの嗜好性を反映するための音響機器用嗜好性反映装置が実行する嗜好性反映方法であって、
前記音響機器の出力音に対するユーザーの反応を反映した反応情報に基づき、出力音における周波数毎の出力レベルを規定する出力特性を選択し、
選択した出力特性を参照し、出力音の出力特性を設定し、
前記反応情報は、ユーザーを撮像して得られる撮像情報である、
嗜好性反映方法。
発明の詳細な説明
【技術分野】
【0001】
本開示は、音響機器用嗜好性反映装置及び嗜好性反映方法に関する。
続きを表示(約 1,700 文字)
【背景技術】
【0002】
特許文献1は、自動車用ユーザーもてなしシステムを開示している。本システムにおいては、もてなし動作部の動作内容がユーザー生体特性情報の内容に応じて変化し、ひいては、自動車利用に際してのユーザーへサービス(もてなし)効果を、ユーザーの精神状態あるいは体調に応じさらなる適正化を図ることができる。具体的には、機能抽出マトリックスから特定される機能に対する動作制御時の基準参照情報が抽出され、この基準参照情報に別途取得されたユーザー生体特性情報に反映される体調ないし精神状態を加味して、選択された機能の動作内容の適正化を図ることができる。
【先行技術文献】
【特許文献】
【0003】
特許第4572889号公報
【発明の概要】
【発明が解決しようとする課題】
【0004】
特許文献1は、自動車用ユーザーもてなしシステムにおいて、ユーザーの状態を検出し、検出結果に基づき車内照明やオーディオ用のコンテンツを変更する機能を開示している。しかしながら、本文献のシステムは、車両に搭乗したユーザー自身の嗜好性、環境等に応じて機器内部のパラメータ設定まで変更可能なものではなく、個別ユーザーに応じた細やかな設定変更を行うものではない。
【0005】
本開示は、個別ユーザーの音響についての嗜好性を音響機器の出力特性に反映するための音響機器用嗜好性反映装置及び嗜好性反映方法を提供する。
【課題を解決するための手段】
【0006】
本開示の音響機器用嗜好性反映装置は、音響機器に対し、ユーザーの嗜好性を反映するための音響機器用嗜好性反映装置であって、前記音響機器の出力音における周波数毎の出力レベルを規定する出力特性を記憶する特性記憶部と、出力音に対するユーザーの反応を反映した反応情報に基づき、前記特性記憶部に記憶された出力特性を選択する制御部と、前記特性記憶部において前記制御部が選択した出力特性を参照し、出力音の出力特性を設定する特性設定部と、を備え、前記反応情報は、ユーザーを撮像して得られる撮像情報である。
【0007】
本開示の嗜好性反映方法は、音響機器に対し、ユーザーの嗜好性を反映するための音響機器用嗜好性反映装置が実行する嗜好性反映方法であって、前記音響機器の出力音に対するユーザーの反応を反映した反応情報に基づき、出力音における周波数毎の出力レベルを規定する出力特性を選択し、選択した出力特性を参照し、出力音の出力特性を設定し、
前記反応情報は、ユーザーを撮像して得られる撮像情報である。
【発明の効果】
【0008】
本開示によれば、固定的な出力特性ではなく、個別ユーザー毎の音響についての嗜好性に応じた出力特性を音響機器の出力音に反映することができ、ユーザーの満足度をより上げることができる。
【図面の簡単な説明】
【0009】
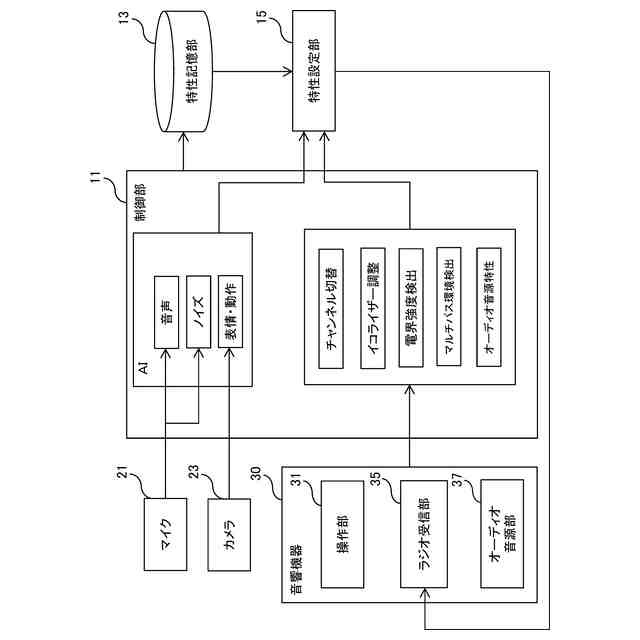
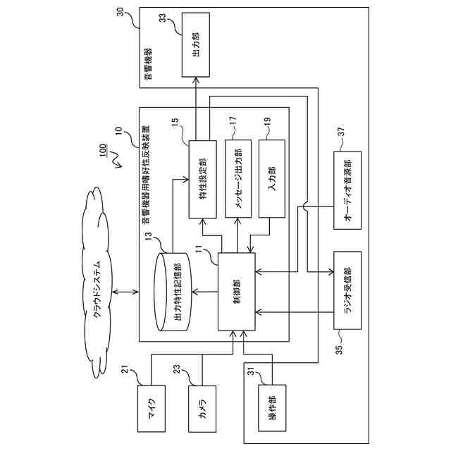
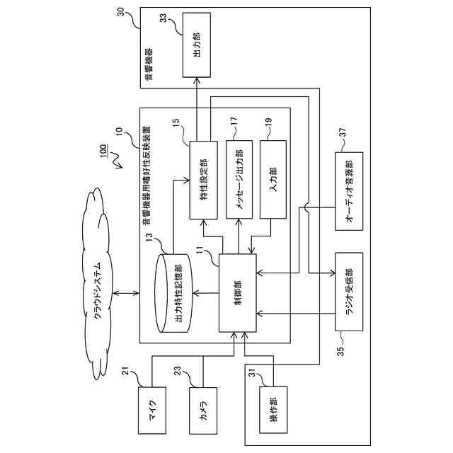
図1は、本開示の音響機器用嗜好性反映装置を含む音響システムのブロック図である。
図2Aは、従来技術の音響機器における出力特性を示す周波数特性グラフである。
図2Bは、本実施形態の音響機器用嗜好性反映装置における周波数特性グラフである。
図3は、音響機器用嗜好性反映装置の制御部が有する機能を分類したブロック図である。
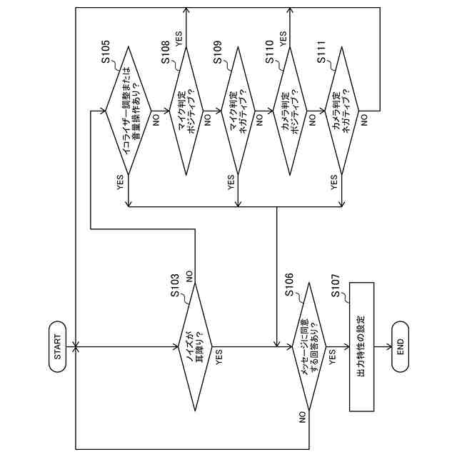
図4は、音響機器用嗜好性反映装置が実行する嗜好性反映方法の一例の手順を含むフローチャートである。
図5は、音響機器用嗜好性反映装置が実行する嗜好性反映方法の他の例の手順を含むフローチャートである。
【発明を実施するための形態】
【0010】
(発明者の知見)
ラジオ、カーステレオ等の音響機器は、出荷段階において出力音の特性に関わる音響特性が設定される。このような音響特性の設定は、例えば音質を低下させてでもノイズを低減させる設定を優先すべきか、あるいはその逆が良いか等、様々な試行錯誤を要する。
(【0011】以降は省略されています)
この特許をJ-PlatPat(特許庁公式サイト)で参照する
関連特許
個人
イヤーピース
12日前
個人
イヤーマフ
26日前
個人
監視カメラシステム
1か月前
個人
スイッチシステム
20日前
キーコム株式会社
光伝送線路
1か月前
個人
スキャン式車載用撮像装置
1か月前
サクサ株式会社
中継装置
1か月前
サクサ株式会社
中継装置
1か月前
WHISMR合同会社
収音装置
2か月前
アイホン株式会社
電気機器
2か月前
ヤマハ株式会社
放音制御装置
20日前
サクサ株式会社
無線通信装置
1か月前
キヤノン電子株式会社
画像読取装置
1か月前
個人
映像表示装置、及びARグラス
21日前
サクサ株式会社
無線システム
1か月前
サクサ株式会社
無線通信装置
1か月前
キヤノン電子株式会社
画像読取装置
2か月前
個人
ワイヤレスイヤホン対応耳掛け
2か月前
キヤノン電子株式会社
画像読取装置
20日前
株式会社リコー
画像形成装置
28日前
キヤノン電子株式会社
画像読取装置
12日前
個人
発信機及び発信方法
1か月前
キヤノン株式会社
撮像システム
2か月前
キヤノン電子株式会社
シート搬送装置
12日前
キヤノン株式会社
画像処理装置
15日前
日本電気株式会社
海底分岐装置
1か月前
大日本印刷株式会社
写真撮影装置
2か月前
株式会社NTTドコモ
端末
1か月前
株式会社NTTドコモ
端末
1か月前
株式会社NTTドコモ
端末
1か月前
株式会社松平商会
携帯機器カバー
2か月前
シャープ株式会社
端末装置
1か月前
パテントフレア株式会社
超高速電波通信
2か月前
キヤノン電子株式会社
画像処理システム
1か月前
株式会社JVCケンウッド
通信システム
1か月前
沖電気工業株式会社
画像形成装置
1か月前
続きを見る
他の特許を見る