TOP
|
特許
|
意匠
|
商標
特許ウォッチ
Twitter
他の特許を見る
公開番号
2025160490
公報種別
公開特許公報(A)
公開日
2025-10-22
出願番号
2025132309,2023557428
出願日
2025-08-07,2022-11-11
発明の名称
電池組立体の製造方法、電池組立体、およびそれを含む二次電池
出願人
エルジー エナジー ソリューション リミテッド
代理人
弁理士法人RYUKA国際特許事務所
主分類
H01M
10/04 20060101AFI20251015BHJP(基本的電気素子)
要約
【課題】負極、分離膜、および正極積層体を巻き取る電池組立体において、長さの短い分離膜または正極の末端が折れることを防止する電池組立体の製造方法、電池組立体、およびそれを含む二次電池を提供する。
【解決手段】負極1、第1分離膜3a、正極2、および第2分離膜3bが積層および巻き取られた電池組立体10であって、負極は負極集電体の両面に負極活物質が積層された負極活物質部1a、および負極集電体に負極活物質が積層されていない負極無地部1bを含み、負極無地部は、電池組立体の最外郭に巻き取って、負極、第1分離膜、正極、および第2分離膜のうち1つ以上の巻取り末端部に貼り付けられた第1シーリングテープ4をさらに含み、第1シーリングテープの一面には、第1分離膜及び第2分離膜の少なくとも1つ以上と、負極及び正極の少なくとも1つ以上が貼り付けられることを特徴とする、電池組立体とする。
【選択図】図2
特許請求の範囲
【請求項1】
負極、第1分離膜、正極、および第2分離膜が積層および巻き取られた電池組立体であって、
前記負極は
負極集電体の両面に負極活物質が積層された負極活物質部、および前記負極集電体に負極活物質が積層されていない負極無地部を含み、
前記負極無地部は、前記電池組立体の最外郭に巻き取って、
前記負極、前記第1分離膜、前記正極、および前記第2分離膜のうち1つ以上の巻取り末端部に貼り付けられた第1シーリングテープをさらに含み、
前記第1シーリングテープの一面には、前記第1分離膜及び第2分離膜の少なくとも1つ以上と、前記負極及び前記正極の少なくとも1つ以上が貼り付けられることを特徴とする、電池組立体。
続きを表示(約 1,000 文字)
【請求項2】
前記負極無地部の少なくとも一面に貼り付けられる第2シーリングテープをさらに含み、
前記第2シーリングテープは、一面の少なくとも一部が前記負極無地部の巻取り末端部を固定するように位置される、請求項1に記載の電池組立体。
【請求項3】
前記第2シーリングテープは、2つ以上が含まれ、前記負極無地部が巻き取られる方向の垂直方向に一定距離離間して位置される、請求項2に記載の電池組立体。
【請求項4】
前記第1シーリングテープは、2つ以上が含まれ、前記負極、前記第1分離膜、前記正極、および前記第2分離膜が巻き取られる方向の垂直方向に一定距離離間して位置される、請求項1に記載の電池組立体。
【請求項5】
前記第1シーリングテープは、長軸の長さが10mm~30mmであり、
前記長軸の長さは、前記電池組立体及び前記第1シーリングテープが巻き取られる方向の長さを意味する、
請求項1に記載の電池組立体。
【請求項6】
前記負極は、巻き取りが始まる巻き取り開始部、および巻き取りが終わる巻取り末端部のうち少なくとも1つに前記負極無地部が位置される、請求項1に記載の電池組立体。
【請求項7】
請求項1~6のいずれか一項に記載の電池組立体;
一側が開口し、内部に前記電池組立体を据え置く缶;および
前記缶の上部に結合されるキャップアセンブリ;
を含む、二次電池。
【請求項8】
負極集電体の両面に負極活物質が積層された負極活物質部、および前記負極集電体に前記負極活物質が積層されていない負極無地部を含む負極、第1分離膜、正極および第2分離膜の順で巻芯に供給されて巻き取る段階、および
前記負極、前記第1分離膜、前記正極、および前記第2分離膜の巻き取り末端部に第1シーリングテープを供給および貼り付ける段階を含み、
前記第1シーリングテープの一面には、前記第1分離膜及び第2分離膜の少なくとも1つ以上と、前記負極及び前記正極の少なくとも1つ以上が貼り付けられることを特徴とする、電池組立体の製造方法。
【請求項9】
前記負極無地部の巻取り末端部に第2シーリングテープを供給および貼り付けて巻き取る段階をさらに含む、請求項8に記載の電池組立体の製造方法。
発明の詳細な説明
【技術分野】
【0001】
本出願は、2021年11月11日付にて韓国特許庁に提出された韓国特許出願第10-2021-0154714号の出願日の利益を主張し、その内容のすべては本明細書に含まれる。
続きを表示(約 1,500 文字)
【0002】
本発明は、電池組立体の製造方法、電池組立体、およびそれを含む二次電池に関する。具体的には、本発明は、負極、分離膜、および正極巻取り時の分離膜の折りおよび段差を防止する電池組立体の製造方法、電池組立体、およびそれを含む二次電池に関する。
【背景技術】
【0003】
二次電池は、電池ケースの形状によって、電池組立体(または電池組立体)が円筒形または角形の金属缶に内蔵されている円筒形電池および角形電池と、電池組立体がアルミニウムラミネートシートのパウチ型ケースに内蔵されているパウチ型電池に分類される。
【0004】
また、電池ケースに内蔵される電池組立体は、正極/分離膜/負極の積層構造からなる充放電が可能な発電素子であり、活物質が塗布された長いシート状の正極と負極との間に分離膜を介して巻き取ったフォールディング型電池組立体(ゼリーロール)と、所定サイズの多数の正極と負極とを分離膜が介在された状態で順次積層したスタック型電池組立体に分類される。その中、ゼリーロールは製造が容易であり、重量当たりのエネルギー密度が高いという利点を有する。
【0005】
従来のゼリーロール型電池組立体は、正極/分離膜/負極の積層構造を巻き取る際に、最外郭が分離膜で巻き取られる。従来のゼリーロール型電池組立体は、最外郭に位置する分離膜の長さが正極、負極および正極と負極との間に位置する分離膜よりも長く含まれることがあり、したがって、最外郭に位置した分離膜を巻き取る遠心力により、正極、負極および正極と負極との間に位置した分離膜が折り曲げられるという問題が発生していた。
【0006】
したがって、このような問題を根本的に解決して、正極/分離膜/負極の積層構造を巻き取る際に、遠心力および電池組立体に含まれた構成の長さの差により、長さの短い構成が折れるという問題を改善することのできる、電池組立体の製造方法、電池組立体、およびそれらを含む二次電池に対する必要性が台頭している。
【発明の概要】
【発明が解決しようとする課題】
【0007】
上述した従来技術の問題点に着目して、本発明は、負極、分離膜、および正極積層体を巻き取る際に、長さの短い分離膜または正極の末端が折れることを防止する電池組立体の製造方法、電池組立体、およびそれを含む二次電池を提供しようとする。
【課題を解決するための手段】
【0008】
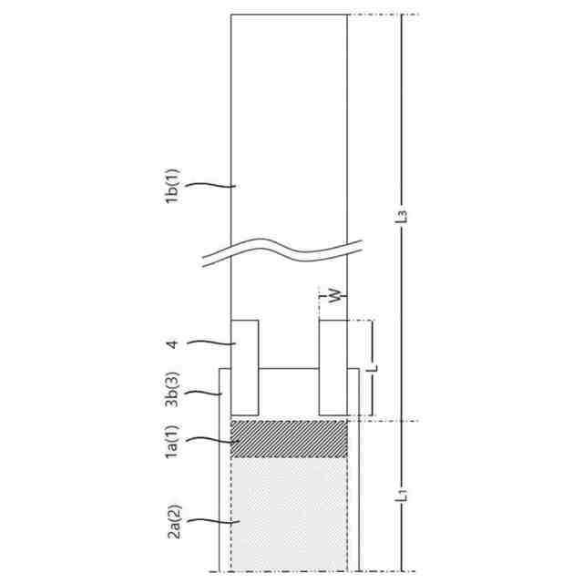
本発明の一実施態様は、負極、第1分離膜、正極、および第2分離膜が積層および巻き取られた電池組立体であって、前記電池組立体に含まれた前記負極は、負極集電体の一面に負極活物質が積層された負極活物質部および前記負極集電体の一面に負極活物質が未積層された負極無地部を含み、前記負極無地部は、前記電池組立体の最外郭に巻き取られる電池組立体を提供する。
【0009】
本発明の一実施態様は、前記負極、前記分離膜、および前記正極のうち1つ以上の巻取り末端部に取り付けられた第1シーリングテープをさらに含み、前記第1シーリングテープは、一面の少なくとも一部が前記負極、前記分離膜、および前記正極のうち1つ以上の巻取り末端部を固定するように位置される電池組立体を提供する。
【0010】
本発明の一実施態様は、前記負極無地部の少なくとも一面に貼り付けられる第2シーリングテープをさらに含み、前記第2シーリングテープは、一面の少なくとも一部が前記負極無地部の巻取り末端部と固定するように位置される電池組立体を提供する。
(【0011】以降は省略されています)
この特許をJ-PlatPat(特許庁公式サイト)で参照する
関連特許
APB株式会社
蓄電セル
7日前
東ソー株式会社
絶縁電線
9日前
個人
フレキシブル電気化学素子
21日前
マクセル株式会社
電源装置
1日前
ローム株式会社
半導体装置
8日前
日新イオン機器株式会社
イオン源
17日前
株式会社ユーシン
操作装置
21日前
ローム株式会社
半導体装置
28日前
株式会社東芝
端子台
1日前
ローム株式会社
半導体装置
23日前
株式会社GSユアサ
蓄電設備
21日前
株式会社GSユアサ
蓄電装置
28日前
株式会社ホロン
冷陰極電子源
15日前
株式会社GSユアサ
蓄電設備
21日前
太陽誘電株式会社
コイル部品
21日前
太陽誘電株式会社
全固体電池
28日前
株式会社ホロン
冷陰極電子源
28日前
オムロン株式会社
電磁継電器
22日前
株式会社GSユアサ
蓄電装置
2日前
株式会社GSユアサ
蓄電装置
2日前
トヨタ自動車株式会社
蓄電装置
21日前
日本特殊陶業株式会社
保持装置
28日前
トヨタ自動車株式会社
冷却構造
9日前
ノリタケ株式会社
熱伝導シート
21日前
日新イオン機器株式会社
基板処理装置
4日前
日本特殊陶業株式会社
保持装置
10日前
日本特殊陶業株式会社
保持装置
28日前
日東電工株式会社
積層体
22日前
TDK株式会社
電子部品
28日前
北道電設株式会社
配電具カバー
7日前
トヨタ自動車株式会社
蓄電装置
2日前
サクサ株式会社
電池の固定構造
21日前
トヨタ自動車株式会社
バッテリ
22日前
日本特殊陶業株式会社
保持装置
1か月前
トヨタ自動車株式会社
バッテリ
7日前
東レエンジニアリング株式会社
実装装置
22日前
続きを見る
他の特許を見る