TOP
|
特許
|
意匠
|
商標
特許ウォッチ
Twitter
他の特許を見る
10個以上の画像は省略されています。
公開番号
2025156403
公報種別
公開特許公報(A)
公開日
2025-10-14
出願番号
2025126517,2024108483
出願日
2025-07-29,2015-04-15
発明の名称
コンテンツ保護処理方法
出願人
マクセル株式会社
代理人
弁理士法人筒井国際特許事務所
主分類
H04N
21/835 20110101AFI20251002BHJP(電気通信技術)
要約
【課題】より付加価値の高い機能を実行可能な放送受信装置を提供する。
【解決手段】外部機器にデータを出力可能な放送受信装置40100であって、第一のデータフローを含むデジタル放送信号を受信する受信部と、通信回線を介してサーバ装置から、第一のデータフローと対応付けられた第二のデータフローを取得する通信部121と、同一ケーブル内に複数の伝送ラインを有するケーブルを介して外部機器へデータを出力可能なデジタルインタフェース40125と、を備える。デジタルインタフェースによるデータ出力制御状態には、第一のデータフローに含まれるデータのみを出力する第一の出力制御状態と、第一及び第二のデータフローに含まれるデータの両者を出力する第二の出力制御状態とがある。第二の出力制御状態においては、第一と第二のデータフローに含まれるデータを、複数の伝送ラインにおける異なる伝送ラインを介して出力する。
【選択図】図29A
特許請求の範囲
【請求項1】
放送局側から放送番組コンテンツを伝送し、放送受信装置で前記放送番組コンテンツを受信する伝送システムにおけるコンテンツ保護処理方法であって、
前記伝送システムにおいて、前記放送局側から前記放送受信装置へ前記放送番組コンテンツを伝送する伝送ステップと、
前記伝送ステップで伝送された前記放送番組コンテンツを前記放送受信装置が受信する受信ステップと、
前記受信ステップで受信した前記放送番組コンテンツを前記放送受信装置が蓄積する蓄積ステップと、
前記蓄積ステップで蓄積した前記放送番組コンテンツを前記放送受信装置が外部機器に出力する出力ステップと、
を備え、
前記蓄積ステップでは、前記受信ステップで受信した前記放送番組コンテンツが前記伝送システムにおいて1世代のみコピー可の保護が指定されて伝送されたコンテンツであるときには、前記放送番組コンテンツは前記放送受信装置のみで再生可能となるように暗号化した状態で蓄積可能であり、
前記蓄積ステップでは、前記受信ステップで受信した前記放送番組コンテンツが前記伝送システムにおいて所定複数回数コピー可の保護が指定されて伝送されたコンテンツであるときには、前記放送番組コンテンツは9回のコピーと1回のムーブが可能な状態で蓄積可能であり、
前記蓄積ステップにおける前記放送番組コンテンツの蓄積は、前記放送受信装置に備えられるイーサネットに対応したハードウェアで構成されるIPインタフェースを介して当該IPインタフェースの出力先にある蓄積部において行うことが可能であり、
前記外部機器が表示装置である場合の前記出力ステップにおける前記放送番組コンテンツの出力は、前記受信ステップで受信した前記放送番組コンテンツが前記伝送システムにおいていずれの解像度で伝送され前記蓄積ステップで蓄積されたコンテンツであっても、前記表示装置の解像度の対応性能に応じて行うことが可能であり、
前記出力ステップにおける前記放送番組コンテンツの出力は、HDMIにより行われる出力と、イーサネットに対応したハードウェアで構成されるIPインタフェースによって行われる出力とがあり、
前記蓄積ステップでの前記蓄積部への前記放送番組コンテンツの前記放送受信装置のみで再生可能となるように暗号化を施した状態での蓄積と、前記出力ステップでの前記放送番組コンテンツの前記外部機器への視聴用の出力とを、イーサネットに対応したハードウェアで構成される同一のIPインタフェースを介して行うことが可能であり、
前記外部機器のIPアドレスが前記放送受信装置のIPアドレスと同一のサブネット内にあるときの前記出力ステップでの前記外部機器への視聴用の出力および前記外部機器へのコピーおよび前記外部機器へのムーブが可能か禁止かの制御状態と、前記外部機器のIPアドレスが前記放送受信装置のIPアドレスと同一のサブネット内にないときの前記出力ステップでの前記外部機器への視聴用の出力および前記外部機器へのコピーおよび前記外部機器へのムーブが可能か禁止かの制御状態とを異ならせるものであり、
前記伝送システムにおいて1世代のみコピー可の保護が指定されて伝送され、前記受信ステップで受信され、前記蓄積ステップで蓄積された前記放送番組コンテンツを、前記外部機器へムーブする際には、ムーブ元の前記放送番組コンテンツは前記放送受信装置において再生不能化される、
コンテンツ保護処理方法。
発明の詳細な説明
【技術分野】
【0001】
本発明は、コンテンツ保護処理方法に関する。
続きを表示(約 4,500 文字)
【背景技術】
【0002】
デジタル放送サービスの拡張機能の1つに、放送波でデジタルデータを送信し、天気予報やニュース、おすすめ番組等の各種情報を表示するデータ放送がある。データ放送を受信可能なテレビ受信機は既に多数市販されており、また、データ放送受信に関する技術も下記特許文献1をはじめ多数が公表されている。
【先行技術文献】
【特許文献】
【0003】
特開2001-186486号公報
【発明の概要】
【発明が解決しようとする課題】
【0004】
近年のコンテンツ配信に関する環境変化に対して、テレビ受信機も様々な機能拡張を求められている。特にインターネット等のブロードバンドネットワーク環境を利用したコンテンツや連携アプリケーションの配信に対する要求、及び、映像コンテンツの高解像度化/高精細化に対する要求、等が多い。しかしながら、現行のテレビ受信機が備えるデータ放送受信機能等のみの流用、或いは、前記データ放送受信機能等の機能拡張のみでは、前記要求に応え得る高付加価値のテレビ受信機を提供することは難しい。
【0005】
本発明の目的は、より付加価値の高い機能を実行可能なコンテンツ保護処理方法を実現することである。
【課題を解決するための手段】
【0006】
前記課題を解決するための手段として、特許請求の範囲に記載の技術を用いる。
【0007】
一例を挙げるならば、放送局側から放送番組コンテンツを伝送し、放送受信装置で前記放送番組コンテンツを受信する伝送システムにおけるコンテンツ保護処理方法であって、前記伝送システムにおいて、前記放送局側から前記放送受信装置へ前記放送番組コンテンツを伝送する伝送ステップと、前記伝送ステップで伝送された前記放送番組コンテンツを前記放送受信装置が受信する受信ステップと、前記受信ステップで受信した前記放送番組コンテンツを前記放送受信装置が蓄積する蓄積ステップと、前記蓄積ステップで蓄積した前記放送番組コンテンツを前記放送受信装置が外部機器に出力する出力ステップと、を備え、前記蓄積ステップでは、前記受信ステップで受信した前記放送番組コンテンツが前記伝送システムにおいて1世代のみコピー可の保護が指定されて伝送されたコンテンツであるときには、前記放送番組コンテンツは前記放送受信装置のみで再生可能となるように暗号化した状態で蓄積可能であり、前記蓄積ステップでは、前記受信ステップで受信した前記放送番組コンテンツが前記伝送システムにおいて所定複数回数コピー可の保護が指定されて伝送されたコンテンツであるときには、前記放送番組コンテンツは9回のコピーと1回のムーブが可能な状態で蓄積可能であり、前記蓄積ステップにおける前記放送番組コンテンツの蓄積は、前記放送受信装置に備えられるイーサネットに対応したハードウェアで構成されるIPインタフェースを介して当該IPインタフェースの出力先にある蓄積部において行うことが可能であり、前記外部機器が表示装置である場合の前記出力ステップにおける前記放送番組コンテンツの出力は、前記受信ステップで受信した前記放送番組コンテンツが前記伝送システムにおいていずれの解像度で伝送され前記蓄積ステップで蓄積されたコンテンツであっても、前記表示装置の解像度の対応性能に応じて行うことが可能であり、前記出力ステップにおける前記放送番組コンテンツの出力は、HDMIにより行われる出力と、イーサネットに対応したハードウェアで構成されるIPインタフェースによって行われる出力とがあり、前記蓄積ステップでの前記蓄積部への前記放送番組コンテンツの前記放送受信装置のみで再生可能となるように暗号化を施した状態での蓄積と、前記出力ステップでの前記放送番組コンテンツの前記外部機器への視聴用の出力とを、イーサネットに対応したハードウェアで構成される同一のIPインタフェースを介して行うことが可能であり、前記外部機器のIPアドレスが前記放送受信装置のIPアドレスと同一のサブネット内にあるときの前記出力ステップでの前記外部機器への視聴用の出力および前記外部機器へのコピーおよび前記外部機器へのムーブが可能か禁止かの制御状態と、前記外部機器のIPアドレスが前記放送受信装置のIPアドレスと同一のサブネット内にないときの前記出力ステップでの前記外部機器への視聴用の出力および前記外部機器へのコピーおよび前記外部機器へのムーブが可能か禁止かの制御状態とを異ならせるものであり、前記伝送システムにおいて1世代のみコピー可の保護が指定されて伝送され、前記受信ステップで受信され、前記蓄積ステップで蓄積された前記放送番組コンテンツを、前記外部機器へムーブする際には、ムーブ元の前記放送番組コンテンツは前記放送受信装置において再生不能化される、コンテンツ保護処理方法を用いる。
【発明の効果】
【0008】
本発明の技術を用いることにより、より付加価値の高い機能を実行可能なコンテンツ保護処理方法を実現することができる。
【図面の簡単な説明】
【0009】
実施例1に係る放送受信装置を含む放送通信システムの一例を示すシステム構成図である。
MMTにおける符号化信号の概要の説明図である。
MMTにおけるMPUの構成図である。
MMTにおけるMMTPパケットの構成図である。
MMTを用いる放送システムのプロトコルスタックの概念図である。
放送システムで用いる制御情報の階層構成図である。
放送システムのTLV-SIで使用されるテーブルの一覧である。
放送システムのTLV-SIで使用される記述子の一覧である。
放送システムのMMT-SIで使用されるメッセージの一覧である。
放送システムのMMT-SIで使用されるテーブルの一覧である。
放送システムのMMT-SIで使用される記述子の一覧(その1)である。
放送システムのMMT-SIで使用される記述子の一覧(その2)である。
放送システムのデータ伝送と各テーブルの関係を示す図である。
実施例1に係る放送受信装置のブロック図である。
実施例1に係る放送受信装置の提示機能の論理的プレーン構造の構成図である。
実施例1に係る放送受信装置のクロック同期/提示同期のシステム構成図である。
実施例1に係る放送受信装置のソフトウェア構成図である。
実施例1に係る放送局サーバのブロック図である。
実施例1に係るサービス事業者サーバのブロック図である。
実施例1に係る携帯情報端末のブロック図である。
実施例1に係る携帯情報端末のソフトウェア構成図である。
放送システムのMH-TOTのデータ構造を示す図である。
放送システムのJST_timeパラメータのフォーマットを示す図である。
実施例1に係る放送受信装置のMJDからの現在日付の算出方法を示す図である。
放送システムのNTP形式の構成を示す図である。
放送システムのMPUタイムスタンプ記述子のデータ構造を示す図である。
放送システムのTMCC拡張情報領域の時刻情報のデータ構造を示す図である。
実施例1に係る放送受信装置のチャンネルスキャン時の動作シーケンス図である。
放送システムのTLV-NITのデータ構造を示す図である。
放送システムの衛星分配システム記述子のデータ構造を示す図である。
放送システムのサービスリスト記述子のデータ構造を示す図である。
放送システムのAMTのデータ構造を示す図である。
実施例1に係る放送受信装置の選局時の動作シーケンス図である。
放送システムのMPTのデータ構造を示す図である。
放送システムのLCTのデータ構造を示す図である。
LCTに基づくレイアウト番号へのレイアウトの割当の例を示す図である。
LCTに基づくレイアウト番号へのレイアウトの割当の例を示す図である。
LCTに基づくレイアウト番号へのレイアウトの割当の例を示す図である。
LCTに基づくレイアウト番号へのレイアウトの割当の例を示す図である。
LCTに基づく画面レイアウト制御の例外処理の動作を説明する図である。
LCTに基づく画面レイアウト制御の例外処理の動作を説明する図である。
放送システムのMH-EITのデータ構造を示す図である。
実施例1に係る放送受信装置のEPG画面の画面表示図である。
実施例1に係る放送受信装置のEPG画面の画面表示図である。
実施例1に係る放送受信装置のEPG画面の画面表示図である。
実施例1に係る放送受信装置の緊急警報放送表示時の画面表示図である。
実施例2に係る放送受信装置のブロック図である。
放送サービス切り替え時の現在時刻表示の不整合を説明する図である。
実施例2に係る現在時刻情報参照元の選択制御の動作を説明する図である。
実施例2に係る現在時刻情報の更新処理の動作シーケンス図である。
実施例2に係る放送受信装置のEPG画面の画面表示図である。
実施例2に係る放送受信装置のEPG画面の画面表示図である。
実施例3に係る放送通信システムのシステム構成図である。
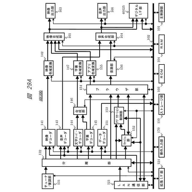
実施例3に係る放送受信装置のブロック図である。
実施例3に係る放送受信装置のソフトウェア構成図である。
実施例3に係る放送受信装置とモニタ装置のインタフェース構成図である。
放送サービスのデータ構成を説明する図である。
放送サービスのデータ構成を説明する図である。
実施例3に係る放送受信装置のデータ出力制御の動作を説明する図である。
放送サービスのデータ構成を説明する図である。
放送サービスのデータ構成を説明する図である。
実施例3に係る放送受信装置のデータ出力制御の動作を説明する図である。
実施例4に係る放送受信装置のソフトウェア構成図である。
実施例4に係る放送受信装置とモニタ装置のインタフェース構成図である。
放送システムのMH-AITのデータ構造を示す図である。
放送サービスのデータ構成を説明する図である。
【発明を実施するための形態】
【0010】
以下、本発明の実施形態の例を、図面を用いて説明する。
(実施例1)
(【0011】以降は省略されています)
この特許をJ-PlatPat(特許庁公式サイト)で参照する
関連特許
マクセル株式会社
電源装置
10日前
マクセル株式会社
粘着テープ
5日前
マクセル株式会社
扁平形電池
17日前
マクセル株式会社
空中浮遊映像表示装置
4日前
マクセル株式会社
空中浮遊映像表示システム
13日前
マクセル株式会社
応答出力装置およびシステム
11日前
マクセル株式会社
応答出力装置および応答出力システム
5日前
マクセル株式会社
樹脂発泡糸の製造方法及びラム押出成形機
4日前
マクセル株式会社
放送システム、放送受信装置、放送局装置および放送方法
16日前
マクセル株式会社
表示制御方法
23日前
マクセル株式会社
印刷用メタルマスク
16日前
マクセル株式会社
アプリケーション起動方法
18日前
マクセル株式会社
近赤外用結像レンズ系、カメラモジュール、車載システム、移動体
23日前
マクセル株式会社
連携通報システム、携帯型通信装置、及び携帯型通信装置における連携通報方法
18日前
マクセル株式会社
電磁ノイズ抑制シート及びその製造方法、並びに電磁ノイズ抑制シートを用いたケーブル
16日前
個人
イヤーピース
2日前
個人
イヤーマフ
16日前
個人
監視カメラシステム
25日前
キーコム株式会社
光伝送線路
26日前
個人
スイッチシステム
10日前
WHISMR合同会社
収音装置
1か月前
サクサ株式会社
中継装置
1か月前
サクサ株式会社
中継装置
1か月前
個人
スキャン式車載用撮像装置
25日前
キヤノン株式会社
撮像装置
2か月前
アイホン株式会社
電気機器
1か月前
株式会社リコー
画像形成装置
18日前
キヤノン電子株式会社
画像読取装置
2か月前
個人
映像表示装置、及びARグラス
11日前
サクサ株式会社
無線システム
1か月前
キヤノン電子株式会社
画像読取装置
10日前
キヤノン電子株式会社
画像読取装置
2日前
株式会社リコー
画像形成装置
3か月前
株式会社リコー
画像形成装置
2か月前
サクサ株式会社
無線通信装置
1か月前
株式会社リコー
画像形成装置
2か月前
続きを見る
他の特許を見る