TOP
|
特許
|
意匠
|
商標
特許ウォッチ
Twitter
他の特許を見る
10個以上の画像は省略されています。
公開番号
2025154867
公報種別
公開特許公報(A)
公開日
2025-10-10
出願番号
2024058111
出願日
2024-03-29
発明の名称
発電セルおよび燃料電池スタック
出願人
本田技研工業株式会社
代理人
個人
,
個人
主分類
H01M
8/0273 20160101AFI20251002BHJP(基本的電気素子)
要約
【課題】発電性能に悪影響を与える樹脂紛を生じさせことなく、セル積層体の位置を良好に拘束することが可能な発電セルを提供する。
【解決手段】発電セルは、電解質膜と電極とを含む膜電極接合体と、膜電極接合体を支持する樹脂製の枠部材と、を有する膜電極構造体と、膜電極構造体との間に反応ガスが流れる流路を形成するように膜電極構造体に対向して配置された金属製のセパレータと、を備える。枠部材の外縁部は、セパレータの外縁部よりも外側に突出する突出部を有するとともに、突出部の外縁を含む第1領域の厚さが第1領域の内側の第2領域の厚さよりも厚くなるように構成される。
【選択図】図4
特許請求の範囲
【請求項1】
電解質膜と電極とを含む膜電極接合体と、該膜電極接合体を支持する樹脂製の枠部材と、を有する膜電極構造体と、
前記膜電極構造体との間に反応ガスが流れる流路を形成するように前記膜電極構造体に対向して配置された金属製のセパレータと、を備え、
前記枠部材の外縁部は、前記セパレータの外縁部よりも外側に突出する突出部を有するとともに、前記突出部の外縁を含む第1領域の厚さが前記第1領域の内側の第2領域の厚さよりも厚くなるように構成されることを特徴とする発電セル。
続きを表示(約 620 文字)
【請求項2】
請求項1に記載の発電セルにおいて、
前記枠部材は、前記膜電極接合体が配置される開口部を有するフィルム部材と、前記第1領域に配置され、前記フィルム部材の表面に貼着された補強部材と、を有することを特徴とする発電セル。
【請求項3】
請求項2に記載の発電セルにおいて、
前記補強部材の厚さは、前記フィルム部材の厚さよりも厚く、
前記補強部材の外縁は、前記フィルム部材の外縁よりも外側に突出する、または、前記フィルム部材の外縁と同一位置に位置することを特徴とする発電セル。
【請求項4】
請求項2または3に記載の発電セルにおいて、
前記セパレータは、凹凸状に構成され、
前記セパレータの外縁部は、前記フィルム部材の表面から所定高さだけ離れて前記フィルム部材の表面と略平行に延在し、
前記補強部材の厚さは、前記所定高さ以下であることを特徴とする発電セル。
【請求項5】
複数の請求項1に記載の発電セルを所定方向に積層して構成されたセル積層体と、
前記セル積層体を包囲する筐体と、を備え、
前記枠部材は、略矩形板状を呈し、
前記突出部の外縁は、前記所定方向に直交する平面に沿った前記セル積層体の移動を制限するように前記筐体に支持された位置決め部材に当接または近接して配置されることを特徴とする燃料電池スタック。
発明の詳細な説明
【技術分野】
【0001】
本発明は、燃料電池用の発電セルおよび燃料電池スタックに関する。
続きを表示(約 1,900 文字)
【背景技術】
【0002】
近年、より多くの人が手ごろで信頼でき、持続可能かつ先進的なエネルギへのアクセスを確保できるようにするため、エネルギの効率化に貢献する燃料電池に関する技術開発が行われている。この種の燃料電池に用いられる燃料電池スタックに関する技術として、従来、セル積層体とケースとの間に拘束部材を設け、セル積層体の位置を拘束するようにした技術が知られている(例えば特許文献1参照)。特許文献1では、セル積層体の外側面に当接して樹脂製の拘束部材が配置される。
【先行技術文献】
【特許文献】
【0003】
特許第6870603号公報
【発明の概要】
【発明が解決しようとする課題】
【0004】
しかしながら、セル積層体の外側面には金属製の薄板であるセパレータの縁が位置する。このため、外部からの衝撃によってセル積層体と拘束部材とが繰り返し接触することにより拘束部材が摩耗し、セル積層体の周囲に、発電性能に悪影響を与える樹脂紛が生じるおそれがある。
【課題を解決するための手段】
【0005】
本発明の一態様である発電セルは、電解質膜と電極とを含む膜電極接合体と、膜電極接合体を支持する樹脂製の枠部材と、を有する膜電極構造体と、膜電極構造体との間に反応ガスが流れる流路を形成するように膜電極構造体に対向して配置された金属製のセパレータと、を備える。枠部材の外縁部は、セパレータの外縁部よりも外側に突出する突出部を有するとともに、突出部の外縁を含む第1領域の厚さが第1領域の内側の第2領域の厚さよりも厚くなるように構成される。
【0006】
本発明の他の態様である燃料電池スタックは、複数の上述した発電セルを所定方向に積層して構成されたセル積層体と、セル積層体を包囲する筐体と、を備える。枠部材は、略矩形板状を呈し、突出部の外縁は、所定方向に直交する平面に沿ったセル積層体の移動を制限するように筐体に支持された位置決め部材に当接または近接して配置される。
【発明の効果】
【0007】
本発明によれば、発電性能に悪影響を与える樹脂紛を生じさせことなく、セル積層体の位置を良好に拘束することができる。
【図面の簡単な説明】
【0008】
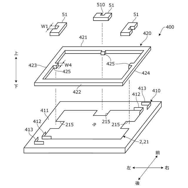
本発明の実施形態に係る発電セルを含む燃料電池スタックの全体構成を概略的に示す斜視図。
図1の燃料電池スタックに含まれるセル積層体の発電領域における要部構成を示す断面図。
図1の燃料電池スタックに含まれる単位セルの分解斜視図。
図1のIV-IV線に沿った断面図。
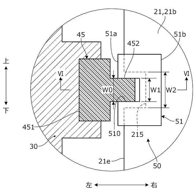
補強部材の一例を示す図4のV部拡大図。
図5のVI-VI線に沿った断面図。
発電セルの製造工程に含まれる補強部材の接着工程を説明する図。
図4の変形例を示す図。
本発明の実施形態に係る発電セルに含まれる一体化電極アッセンブリの図4とは異なる構成を示す平面図。
図9Aの第1変形例を示す図。
図9Aの第2変形例を示す図。
図9Aの第3変形例を示す図。
図5とは異なる補強部材の一例を示す図。
図10のXI-XI線に沿った断面図。
補強部材の接着工程を説明する図。
溶着工程を説明する図。
図10の変形例を示す図。
【発明を実施するための形態】
【0009】
以下、図1~図9Dを参照して本発明の実施形態について説明する。本発明の実施形態に係る発電セルは、燃料電池の主たる構成要素である燃料電池スタックに含まれる。燃料電池は、例えば車両に搭載され、車両駆動用の電力を発生することができる。燃料電池は、航空機や船舶等の車両以外の移動体、ロボットの他、各種産業機械に搭載することもできる。
【0010】
まず、燃料電池スタックの全体構成を概略的に説明する。図1は、本発明の実施形態に係る燃料電池スタック100の全体構成を概略的に示す斜視図である。以下では、便宜上、図示のように互いに直交する三軸方向を、前後方向、左右方向および上下方向と定義し、この定義に従い各部の構成を説明する。これらの方向は、車両の前後方向、左右方向および上下方向と同一であるとは限らない。図1の前後方向は、燃料電池スタック100の積層方向であり、燃料電池スタック100の組立時には積層方向を重力方向に一致させる。
(【0011】以降は省略されています)
この特許をJ-PlatPat(特許庁公式サイト)で参照する
関連特許
東レ株式会社
多孔質炭素シート
1か月前
個人
フレキシブル電気化学素子
4日前
日本発條株式会社
積層体
15日前
キヤノン株式会社
電子機器
1か月前
エイブリック株式会社
半導体装置
1か月前
エイブリック株式会社
半導体装置
1か月前
ローム株式会社
半導体装置
13日前
個人
防雪防塵カバー
15日前
株式会社ユーシン
操作装置
4日前
ローム株式会社
半導体装置
1か月前
ローム株式会社
半導体装置
11日前
ローム株式会社
半導体装置
13日前
ローム株式会社
半導体装置
13日前
ローム株式会社
半導体装置
6日前
株式会社ティラド
面接触型熱交換器
26日前
株式会社ホロン
冷陰極電子源
11日前
太陽誘電株式会社
コイル部品
4日前
株式会社GSユアサ
蓄電装置
15日前
株式会社GSユアサ
蓄電装置
11日前
個人
半導体パッケージ用ガラス基板
14日前
株式会社GSユアサ
蓄電設備
4日前
オムロン株式会社
電磁継電器
5日前
太陽誘電株式会社
全固体電池
11日前
ニチコン株式会社
コンデンサ
27日前
ニチコン株式会社
コンデンサ
27日前
東レ株式会社
ガス拡散層の製造方法
1か月前
株式会社GSユアサ
蓄電設備
4日前
日本特殊陶業株式会社
保持装置
13日前
トヨタ自動車株式会社
蓄電装置
4日前
日本特殊陶業株式会社
保持装置
15日前
トヨタ自動車株式会社
二次電池
15日前
TDK株式会社
電子部品
11日前
トヨタ自動車株式会社
バッテリ
5日前
サクサ株式会社
電池の固定構造
4日前
株式会社ヨコオ
コネクタ
1か月前
日本特殊陶業株式会社
保持装置
11日前
続きを見る
他の特許を見る