TOP
|
特許
|
意匠
|
商標
特許ウォッチ
Twitter
他の特許を見る
公開番号
2025153617
公報種別
公開特許公報(A)
公開日
2025-10-10
出願番号
2024056177
出願日
2024-03-29
発明の名称
塗工装置
出願人
リンテック株式会社
代理人
IBC一番町弁理士法人
主分類
B05C
1/08 20060101AFI20251002BHJP(霧化または噴霧一般;液体または他の流動性材料の表面への適用一般)
要約
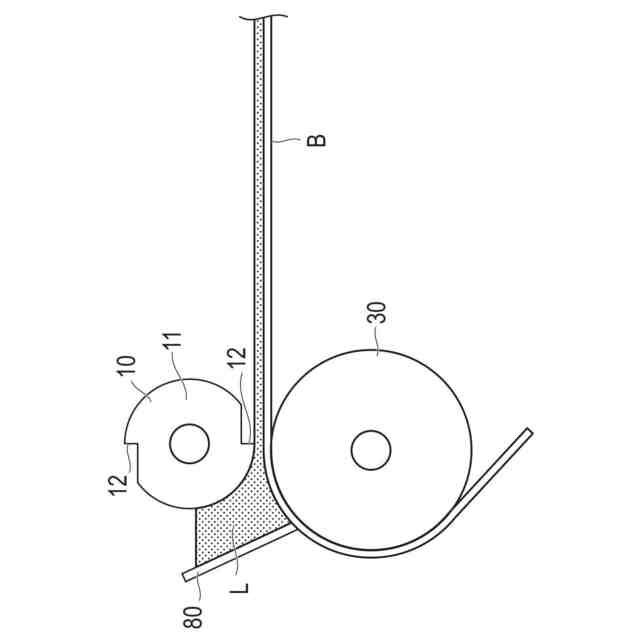
【課題】コンマ型ロールの中央部が上方および下方に撓むことを抑制できる塗工装置を提供する。
【解決手段】塗工装置1は、幅方向に延在するとともに、エッジ12を外周に備えるコンマ型ロール10と、コンマ型ロールのエッジに対して所定の隙間を介して配置される塗工ロール30と、コンマ型ロールの上方および下方へのベンディングを規制する規制部60と、を有する。
【選択図】図1
特許請求の範囲
【請求項1】
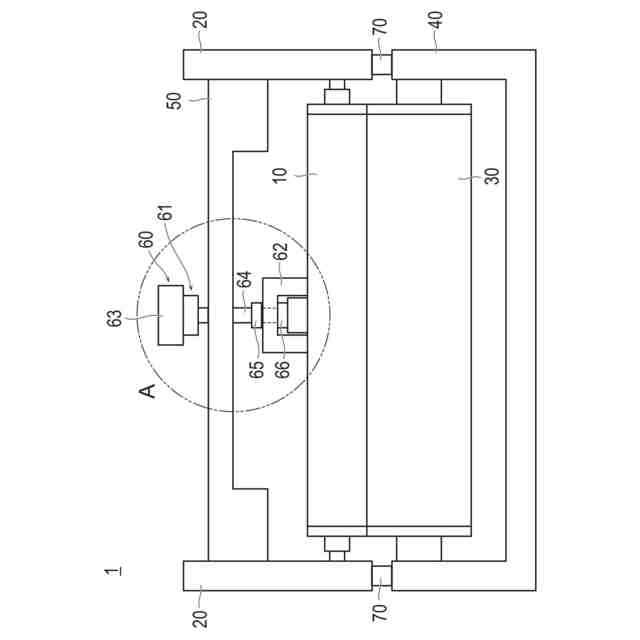
幅方向に延在するとともに、エッジを外周に備えるコンマ型ロールと、
前記コンマ型ロールの前記エッジに対して所定の隙間を介して配置される塗工ロールと、
前記コンマ型ロールの上方および下方へのベンディングを規制する規制部と、を有する塗工装置。
続きを表示(約 560 文字)
【請求項2】
前記規制部は、
上下方向に延在するねじ部と、
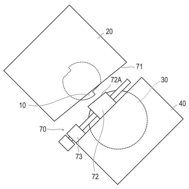
前記コンマ型ロールに固定され、少なくとも水平方向に延在する延在部を備えるとともに、前記ねじ部が通過可能な貫通部を備える固定部材と、
前記ねじ部に固定され、前記延在部を挟み込むように配置されるとともに、前記貫通部よりも径の大きい一対の拡径部と、を有する、請求項1に記載の塗工装置。
【請求項3】
前記コンマ型ロールが取り付けられる第1フレームと、
前記塗工ロールが取り付けられる第2フレームと、をさらに有し、
前記第1フレームおよび前記第2フレームは相対的に接近離間可能に構成される、請求項1または2に記載の塗工装置。
【請求項4】
前記幅方向の両端において、前記コンマ型ロールおよび前記塗工ロール間の前記隙間を調整する一対の調整部をさらに有し、
前記調整部は、
前記第1フレームに設けられる第1接触部と、
前記第2フレームにスライド移動可能に取り付けられ、前記第1接触部に接触可能であるとともに、水平面に対して前記第1接触部と同じ角度だけ傾斜して構成される第2接触部と、
前記第2接触部をスライド移動させる移動部と、を有する、請求項3に記載の塗工装置。
発明の詳細な説明
【技術分野】
【0001】
本発明は、塗工装置に関する。
続きを表示(約 1,100 文字)
【背景技術】
【0002】
従来、エッジを外周に備えるコンマ型ロールと、エッジに対して所定の隙間を介して配置される塗工ロールと、を有する塗工装置において、塗工液の粘性が高いことに起因して塗工時にコンマ型ロールの中央部が上方に撓んで、幅方向に均一に塗工できない課題があった。
【0003】
これに関連して、例えば下記の特許文献1には、ロッドによってコンマ型ロールの上方へのベンディングを規制する規制装置を備える塗工装置が開示されている。この塗工装置によれば、コンマ型ロールの中央部が上方に撓むことを規制することができる。
【先行技術文献】
【特許文献】
【0004】
特許第5627937号
【発明の概要】
【発明が解決しようとする課題】
【0005】
一方、本発明者らは、コンマ型ロールの自重によって、コンマ型ロールの中央部が下方に撓んで幅方向に均一に塗工できないという課題を発見した。
【0006】
本発明は、上記課題を解決するために発明されたものであり、コンマ型ロールの中央部が上方および下方に撓むことを抑制できる塗工装置を提供することを目的とする。
【課題を解決するための手段】
【0007】
本発明の上記目的は、下記の手段によって達成される。
【0008】
(1)
幅方向に延在するとともに、エッジを外周に備えるコンマ型ロールと、
前記コンマ型ロールの前記エッジに対して所定の隙間を介して配置される塗工ロールと、
前記コンマ型ロールの上方および下方へのベンディングを規制する規制部と、を有する塗工装置。
【0009】
(2)
前記規制部は、
上下方向に延在するねじ部と、
前記コンマ型ロールに固定され、少なくとも水平方向に延在する延在部を備えるとともに、前記ねじ部が通過可能な貫通部を備える固定部材と、
前記ねじ部に固定され、前記延在部を挟み込むように配置されるとともに、前記貫通部よりも径の大きい一対の拡径部と、を有する、(1)に記載の塗工装置。
【0010】
(3)
前記コンマ型ロールが取り付けられる第1フレームと、
前記塗工ロールが取り付けられる第2フレームと、をさらに有し、
前記第1フレームおよび前記第2フレームは相対的に接近離間可能に構成される、(1)または(2)に記載の塗工装置。
(【0011】以降は省略されています)
この特許をJ-PlatPat(特許庁公式サイト)で参照する
関連特許
ベック株式会社
被膜形成方法
7日前
アイカ工業株式会社
塗料仕上げ工法
26日前
スズカファイン株式会社
多色性塗膜
15日前
トヨタ自動車株式会社
塗布装置
13日前
株式会社カネカ
塗布装置
15日前
日本ライナー株式会社
塗装装置
27日前
個人
スプレー缶高所対応携帯ホルダー
26日前
能美防災株式会社
水噴霧ヘッド
11日前
ブラザー工業株式会社
塗工装置
4日前
ブラザー工業株式会社
塗工装置
4日前
東レエンジニアリング株式会社
粉体吐出装置
5日前
ブラザー工業株式会社
塗工装置
4日前
東レエンジニアリング株式会社
スリットダイ
7日前
旭サナック株式会社
粉体塗装装置
1か月前
個人
散水形態を変更可能な吐水装置
12日前
ブラザー工業株式会社
静電塗工装置
4日前
株式会社トーモク
印刷装置および印刷方法
26日前
トリニティ工業株式会社
回転霧化式塗装機
11日前
Mipox株式会社
塗装物の製造方法
1か月前
有限会社橋本漆芸
ガラス瓶の漆調塗装及び加飾
1か月前
リンテック株式会社
塗工装置
4日前
Mipox株式会社
機能性部材の製造方法
1か月前
アネスト岩田株式会社
静電噴霧装置
1か月前
芝浦機械株式会社
塗工装置
15日前
株式会社リコー
液吐出装置、及び液吐出方法
19日前
株式会社リコー
塗装システム、及び塗装方法
15日前
株式会社スギノマシン
ウォータージェットガン用グリップ
5日前
株式会社リコー
液体吐出ヘッドおよび液体吐出装置
12日前
株式会社リコー
塗装装置、及び塗装システム
1か月前
ブラザー工業株式会社
塗布装置
4日前
ニッカ株式会社
粉体スプレーの高電圧検出装置
27日前
株式会社島津製作所
ネブライザ
1か月前
株式会社吉野工業所
トリガー式液体噴出器
6日前
株式会社SCREENホールディングス
塗布装置
1か月前
菊水化学工業株式会社
模様形成用治具及び塗装方法
26日前
ブラザー工業株式会社
静電塗工装置
4日前
続きを見る
他の特許を見る