TOP
|
特許
|
意匠
|
商標
特許ウォッチ
Twitter
他の特許を見る
公開番号
2025148259
公報種別
公開特許公報(A)
公開日
2025-10-07
出願番号
2025030969
出願日
2025-02-28
発明の名称
被膜形成方法
出願人
ベック株式会社
代理人
主分類
B05D
1/28 20060101AFI20250930BHJP(霧化または噴霧一般;液体または他の流動性材料の表面への適用一般)
要約
【課題】本発明の被膜形成方法は、鱗片状粒子の疎密の偏りが抑制され、鱗片状粒子に由来する色味と模様のバランスが良好な意匠を呈する美観性に優れた被膜を形成することができる。
【解決手段】被塗面に対し、第1被覆材及び第2被覆材を順に塗装する被膜形成方法であって、上記第1被覆材は、樹脂成分の固形分100質量部に対し、粒子径1~1000μmの粉体成分を70~1000質量部含み、上記第2被覆材は、樹脂成分、及び鱗片状粒子を含み、上記第2被覆材は、被覆材中に上記鱗片状粒子を4~20質量%含み、上記第2被覆材を、ローラーで塗付することを特徴とする。
【選択図】なし
特許請求の範囲
【請求項1】
被塗面に対し、第1被覆材及び第2被覆材を順に塗装する被膜形成方法であって、
上記第1被覆材は、樹脂成分(A)の固形分100質量部に対し、粒子径1~1000μmの粉体成分(B)を70~1000質量部含み、
上記第2被覆材は、樹脂成分(C)及び鱗片状粒子(D)を含み、
上記第2被覆材は、被覆材中に上記鱗片状粒子(D)を4~20質量%含み、
上記第2被覆材を、ローラーで塗付することを特徴とする被膜形成方法。
続きを表示(約 170 文字)
【請求項2】
上記鱗片状粒子(D)は、上記鱗片状粒子(D)の総量中、短径0.7mm超2mm以下の鱗片状中粒子(DM)を50質量%以上含み、
上記鱗片状中粒子(DM)は、ベース色鱗片状中粒子(DMb)とアクセント色鱗片状中粒子(DMa)の質量比が95:5~5:95であることを特徴とする請求項1に記載の被膜形成方法。
発明の詳細な説明
【技術分野】
【0001】
本発明は、新規な被膜形成方法に関するものである。
続きを表示(約 1,400 文字)
【背景技術】
【0002】
従来、建築物や土木構造物に自然石調の美観性を付与する装飾仕上げ工法が知られている。近年、自然石特有の多彩な色彩等の意匠性を有する装飾仕上げが望まれるケースも増えている。
このような工法としては、例えば、雲母等の鱗片状粒子を含む被覆材を吹付け、鏝、ローラー等各種の塗装方法で塗装することが記載されている。(例えば、特許文献1、特許文献2、特許文献3等)
【先行技術文献】
【特許文献】
【0003】
特開平6-262134号公報
特開2007-262294号公報
特開2019-135282号公報
【発明の概要】
【発明が解決しようとする課題】
【0004】
しかしながら、上記特許文献1~3のように鱗片状粒子を含む被覆材を各種の塗装方法で塗装した場合であっても、鱗片状粒子どうしの部分的な重りや密集部、あるいは疎ら部等により、形成される模様や色味にムラを生じるおそれがあった。また、吹付け塗装と比較すると、ローラーを用いて塗装する場合には、鱗片状粒子の偏りが生じやすく、美観性に劣る場合があった。
【0005】
本発明は、このような点に鑑みなされたものであり、ローラー塗装において、鱗片状粒子の疎密の偏りが抑制され、鱗片状粒子に由来する色味と模様のバランスが良好な意匠を呈する美観性に優れた被膜を形成することができる被膜形成方法を提供することを目的とするものである。
【課題を解決するための手段】
【0006】
本発明者は上記課題を解決するため鋭意検討を行った結果、少なくとも2種の特定の被覆材を順に塗装する被膜形成方法に想到し、本発明を完成させるに至った。
【0007】
すなわち、本発明は、以下の特徴を有するものである。
1.被塗面に対し、第1被覆材及び第2被覆材を順に塗装する被膜形成方法であって、
上記第1被覆材は、樹脂成分(A)の固形分100質量部に対し、粒子径1~1000μmの粉体成分(B)を70~1000質量部含み、
上記第2被覆材は、樹脂成分(C)及び鱗片状粒子(D)を含み、
上記第2被覆材は、被覆材中に上記鱗片状粒子(D)を4~20質量%含み、
上記第2被覆材を、ローラーで塗付することを特徴とする被膜形成方法。
2.上記鱗片状粒子(D)は、上記鱗片状粒子(D)の総量中、短径0.7mm超2mm以下の鱗片状中粒子(DM)を50質量%以上含み、
上記鱗片状中粒子(DM)は、ベース色鱗片状中粒子(DMb)とアクセント色鱗片状中粒子(DMa)の質量比が95:5~5:95であることを特徴とする1.に記載の被膜形成方法。
【発明の効果】
【0008】
本発明によれば、鱗片状粒子の疎密の偏りが抑制され、鱗片状粒子に由来する色味と模様のバランスが良好な意匠を呈する美観性に優れた被膜を形成することができる。
【図面の簡単な説明】
【0009】
ローラーの一例を示す図である。
【発明を実施するための形態】
【0010】
以下、本発明を実施するための形態について説明する。
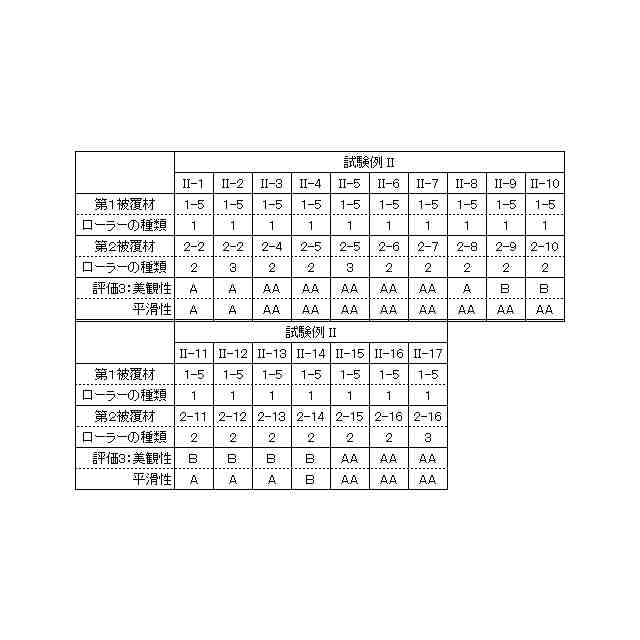
(【0011】以降は省略されています)
この特許をJ-PlatPat(特許庁公式サイト)で参照する
関連特許
ベック株式会社
被膜形成方法
今日
ベック株式会社
被膜形成方法
今日
ベック株式会社
被膜形成方法
2か月前
ベック株式会社
顔料分散液
1か月前
ベック株式会社
被膜形成方法
今日
ベック株式会社
被膜形成方法
3か月前
ベック株式会社
被膜形成方法
3か月前
ベック株式会社
装飾被膜の形成方法
2か月前
アイカ工業株式会社
塗料仕上げ工法
19日前
スズカファイン株式会社
多色性塗膜
8日前
株式会社吉野工業所
キャップ
3か月前
トヨタ自動車株式会社
塗布装置
6日前
個人
スプレー缶高所対応携帯ホルダー
19日前
日本ライナー株式会社
塗装装置
20日前
能美防災株式会社
水噴霧ヘッド
4日前
プルガティオ株式会社
噴霧装置
3か月前
プルガティオ株式会社
噴霧装置
3か月前
プルガティオ株式会社
噴霧装置
3か月前
株式会社カネカ
塗布装置
8日前
ヒット工業株式会社
マスキング具
1か月前
株式会社吉野工業所
ポンプ式吐出器
3か月前
中外炉工業株式会社
塗工装置
2か月前
東レエンジニアリング株式会社
スリットダイ
今日
株式会社吉野工業所
吐出器
3か月前
旭サナック株式会社
粉体塗装装置
29日前
株式会社吉野工業所
吐出器
3か月前
AWJ株式会社
ステンシルプレートセット
1か月前
積水ハウス株式会社
接着剤塗布装置
2か月前
株式会社大関
塗装用ローラとその製造方法
3か月前
株式会社トーモク
印刷装置および印刷方法
19日前
三菱鉛筆株式会社
多液混合型塗布具
2か月前
個人
散水形態を変更可能な吐水装置
5日前
トリニティ工業株式会社
回転霧化式塗装機
4日前
株式会社吉野工業所
ノズル部材
3か月前
Mipox株式会社
塗装物の製造方法
1か月前
株式会社吉野工業所
吐出器
2か月前
続きを見る
他の特許を見る