TOP
|
特許
|
意匠
|
商標
特許ウォッチ
Twitter
他の特許を見る
10個以上の画像は省略されています。
公開番号
2025148914
公報種別
公開特許公報(A)
公開日
2025-10-08
出願番号
2024049270
出願日
2024-03-26
発明の名称
発電システムの制御装置、発電システム、水力発電システム
出願人
ダイキン工業株式会社
代理人
弁理士法人前田特許事務所
主分類
F03B
15/16 20060101AFI20251001BHJP(液体用機械または機関;風力原動機,ばね原動機,重力原動機;他類に属さない機械動力または反動推進力を発生するもの)
要約
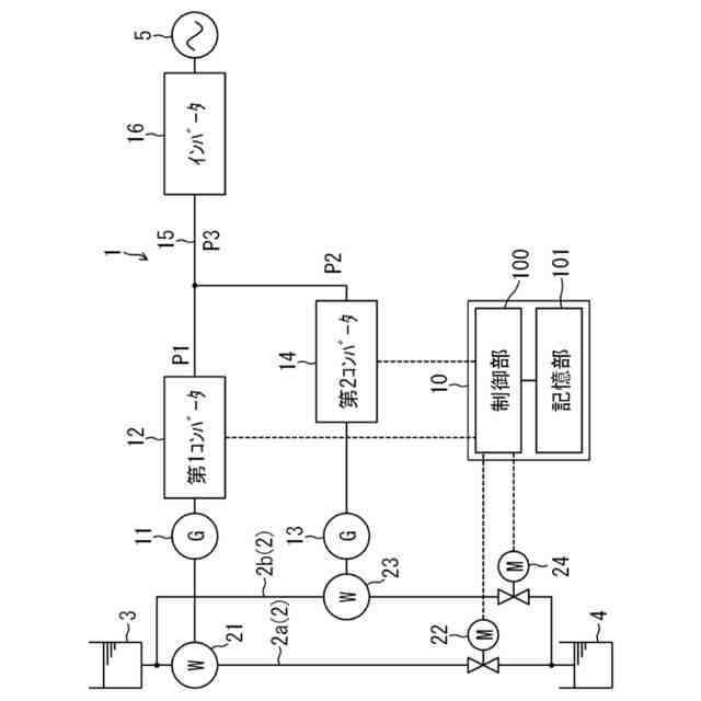
【課題】複数の発電機の電力に基づいて得られる合成電力における脈動を抑制する。
【解決手段】第1コンバータ(12)は、第1発電機(11)により生成された電力を第1電力(P1)に変換して直流部(15)に供給する。第2コンバータ(14)は、第2発電機(13)により生成された電力を第2電力(P2)に変換して直流部(15)に供給する。制御部(100)は、第1電力(P1)に含まれる複数の脈動のピーク時点の一部または全部が第2電力(P2)に含まれる複数の脈動のピーク時点と一致しないように、第1発電機(11)を制御する。
【選択図】図1
特許請求の範囲
【請求項1】
第1発電機(11)と、前記第1発電機(11)により生成された電力を第1電力(P1)に変換して直流部(15)に供給する第1コンバータ(12)と、第2発電機(13)と、第2発電機(13)により生成された電力を第2電力(P2)に変換して前記直流部(15)に供給する第2コンバータ(14)とを備えた発電システムの制御装置であって、
前記第1電力(P1)に含まれる複数の脈動のピーク時点の一部または全部が前記第2電力(P2)に含まれる複数の脈動のピーク時点と一致しないように、前記第1発電機(11)を制御する制御部(100)を備える
発電システムの制御装置。
続きを表示(約 2,500 文字)
【請求項2】
請求項1の発電システムの制御装置において、
前記制御部(100)は、前記第1発電機(11)の回転数が第1回転数になるように、前記第1発電機(11)を制御し、
前記第1発電機(11)の極数とスロット数との最小公倍数と前記第1回転数との積は、前記第2発電機(13)の極数とスロット数との最小公倍数と前記第2発電機(13)の回転数との積とは異なる
発電システムの制御装置。
【請求項3】
請求項2の発電システムの制御装置において、
前記発電システムは、
流体が流れる第1流路(2a)に設けられ、前記第1発電機(11)を駆動する第1流体機械(21)と、
前記第1流路(2a)において前記第1流体機械(21)と直列に設けられ、前記第1流路(2a)を流れる流体の流量を調整可能な第1調整機構(22)とを備え、
前記制御部(100)は、前記第1流路(2a)を流れる流体の流量が第1流量になるように、前記第1調整機構(22)を制御する
発電システムの制御装置。
【請求項4】
請求項3の発電システムの制御装置において、
前記制御部(100)は、
前記第1流路(2a)を流れる流体の流量が増加する方向に前記第1発電機(11)の回転数が変化すると、前記第1流路(2a)を流れる流体の流量が減少するように前記第1調整機構(22)を制御し、
前記第1流路(2a)を流れる流体の流量が減少する方向に前記第1発電機(11)の回転数が変化すると、前記第1流路(2a)を流れる流体の流量が増加するように前記第1調整機構(22)を制御する
発電システムの制御装置。
【請求項5】
請求項1の発電システムの制御装置において、
前記制御部(100)は、
前記第1発電機(11)の回転数が第1回転数になるように、前記第1発電機(11)を制御し、
前記第2発電機(13)の回転数が第2回転数になるように、前記第2発電機(13)を制御し、
前記第1発電機(11)の極数とスロット数との最小公倍数と前記第1回転数との積は、前記第2発電機(13)の極数とスロット数との最小公倍数と前記第2回転数との積とは異なる
発電システムの制御装置。
【請求項6】
請求項5の発電システムの制御装置において、
前記発電システムは、
流体が流れる第1流路(2a)に設けられ、前記第1発電機(11)を駆動する第1流体機械(21)と、
前記第1流路(2a)において前記第1流体機械(21)と直列に設けられ、前記第1流路(2a)を流れる流体の流量を調整可能な第1調整機構(22)と、
流体が流れる第2流路(2b)に設けられ、前記第2発電機(13)を駆動する第2流体機械(23)と、
前記第2流路(2b)において前記第2流体機械(23)と直列に設けられ、前記第2流路(2b)を流れる流体の流量を調整可能な第2調整機構(24)とを備え、
前記第2流路(2b)は、前記第1流路(2a)と合流し、
前記制御部(100)は、前記第1流路(2a)を流れる流体の流量と前記第2流路(2b)を流れる流体の流量との合計が目標流量となるように、前記第1調整機構(22)または前記第2調整機構(24)を制御する
発電システムの制御装置。
【請求項7】
請求項6の発電システムの制御装置において、
前記制御部(100)は、
前記第1流路(2a)を流れる流体の流量と前記第2流路(2b)を流れる流体の流量との合計が増加すると、前記第1流路(2a)を流れる流体の流量または前記第2流路(2b)を流れる流体の流量が減少するように、前記第1調整機構(22)または前記第2調整機構(24)を制御し、
前記第1流路(2a)を流れる流体の流量と前記第2流路(2b)を流れる流体の流量との合計が減少すると、前記第1流路(2a)を流れる流体の流量または前記第2流路(2b)を流れる流体の流量が増加するように、前記第1調整機構(22)または前記第2調整機構(24)を制御する
発電システムの制御装置。
【請求項8】
請求項6の発電システムの制御装置において、
前記制御部(100)は、
前記第1流路(2a)を流れる流体の流量が第1流量になるように、前記第1調整機構(22)を制御し、
前記第2流路(2b)を流れる流体の流量が第2流量になるように、前記第2調整機構(24)を制御し、
前記第1流量と前記第2流量との合計は、前記目標流量であり、
前記第1流量と前記第2流量との比は、前記第1回転数と前記第2回転数との比と同一である
発電システムの制御装置。
【請求項9】
請求項1の発電システムの制御装置において、
前記制御部(100)は、前記第2発電機(13)の回転角に対して前記第1発電機(11)の回転角がずれることで、前記第1電力(P1)に含まれる複数の脈動のピーク時点の一部または全部が前記第2電力(P2)に含まれる複数の脈動のピーク時点と一致しなくなるように、前記第1発電機(11)を制御する
発電システムの制御装置。
【請求項10】
請求項1の発電システムの制御装置において、
前記発電システムは、電力消費器(17)を備え、
前記制御部(100)は、前記直流部(15)における電力であり前記第1電力(P1)と前記第2電力(P2)とを合成することで得られる第3電力(P3)のうち閾値(Pth)を上回る電力脈動が前記電力消費器(17)により消費されるように、前記電力消費器(17)を制御する
発電システムの制御装置。
(【請求項11】以降は省略されています)
発明の詳細な説明
【技術分野】
【0001】
本開示は、発電システムの制御装置、発電システム、水力発電システムに関する。
続きを表示(約 1,700 文字)
【背景技術】
【0002】
特許文献1には、複数の水車と、複数の水車に対応して個別に設けられ水車の回転をエネルギーとして発電を行う複数の発電装置と、複数の発電装置を統括制御して発電電力を出力する制御装置とを備えた水力発電装置が開示されている。
【先行技術文献】
【特許文献】
【0003】
特開2022-101760号公報
【発明の概要】
【発明が解決しようとする課題】
【0004】
特許文献1の発電システムでは、複数の発電機から出力された複数の発電電力を合成することで1つの合成電力を生成する場合、複数の発電電力の各々に含まれる複数の脈動のピーク時点が一致していると、合成電力に含まれる脈動の振幅が大きくなってしまう。このように、複数の発電機の電力に基づいて得られる合成電力に含まれる脈動を抑制することが困難である。
【課題を解決するための手段】
【0005】
本開示の第1の態様は、第1発電機(11)と、前記第1発電機(11)により生成された電力を第1電力(P1)に変換して直流部(15)に供給する第1コンバータ(12)と、第2発電機(13)と、第2発電機(13)により生成された電力を第2電力(P2)に変換して前記直流部(15)に供給する第2コンバータ(14)とを備えた発電システムの制御装置に関し、この発電システムの制御装置は、前記第1電力(P1)に含まれる複数の脈動のピーク時点の一部または全部が前記第2電力(P2)に含まれる複数の脈動のピーク時点と一致しないように、前記第1発電機(11)を制御する制御部(100)を備える。
【0006】
第1の態様では、第1電力(P1)に含まれる複数の脈動のピーク時点と第2電力(P2)に含まれる複数の脈動のピーク時点とが完全に一致している場合よりも、直流部(15)において生成される電力であり第1電力(P1)と第2電力(P2)とを合成することで得られる第3電力(P3)における脈動を抑制することができる。
【0007】
本開示の第2の態様は、第1の態様の発電システムの制御装置において、前記制御部(100)は、前記第1発電機(11)の回転数が第1回転数になるように、前記第1発電機(11)を制御し、前記第1発電機(11)の極数とスロット数との最小公倍数と前記第1回転数との積は、前記第2発電機(13)の極数とスロット数との最小公倍数と前記第2発電機(13)の回転数との積とは異なる発電システムの制御装置である。
【0008】
第2の態様では、「第1発電機(11)の極数とスロット数との最小公倍数」と「第1回転数(第1発電機(11)の回転数)」との積を、「第2発電機(13)の極数とスロット数との最小公倍数」と「第2発電機(13)の回転数」との積とは異なるようにすることができる。これにより、第1電力(P1)に含まれる複数の脈動のピーク時点の一部または全部を、第2電力(P2)に含まれる複数の脈動のピーク時点と一致しないようにすることができるので、第3電力(P3)における脈動を抑制することができる。
【0009】
本開示の第3の態様は、第2の態様の発電システムの制御装置において、前記発電システムは、流体が流れる第1流路(2a)に設けられ、前記第1発電機(11)を駆動する第1流体機械(21)と、前記第1流路(2a)において前記第1流体機械(21)と直列に設けられ、前記第1流路(2a)を流れる流体の流量を調整可能な第1調整機構(22)とを備え、前記制御部(100)は、前記第1流路(2a)を流れる流体の流量が第1流量になるように、前記第1調整機構(22)を制御する発電システムの制御装置である。
【0010】
第3の態様では、第1発電機(11)の回転数を第1回転数にすることができ、且つ、第1流路(2a)を流れる流体の流量を第1流量にすることができる。
(【0011】以降は省略されています)
この特許をJ-PlatPat(特許庁公式サイト)で参照する
関連特許
ダイキン工業株式会社
冷凍装置
3日前
ダイキン工業株式会社
流体機械
2日前
ダイキン工業株式会社
空気調和装置
7日前
ダイキン工業株式会社
固体冷凍装置
7日前
ダイキン工業株式会社
空調ゾーニング方法
1日前
ダイキン工業株式会社
熱源ユニット及び冷凍装置
3日前
ダイキン工業株式会社
スクロール圧縮機、及び冷凍装置
7日前
ダイキン工業株式会社
半導体装置及び半導体装置の製造方法
1日前
ダイキン工業株式会社
ベッド構造、及びベッド構造の製造方法
2日前
ダイキン工業株式会社
電力変換装置およびヒートポンプシステム
1日前
ダイキン工業株式会社
半導体装置、電力変換装置、及び空気調和装置
2日前
ダイキン工業株式会社
電力変換装置及びそれを有するヒートポンプシステム
1日前
ダイキン工業株式会社
リモートコントローラ、リモートコントローラの製造方法
1日前
ダイキン工業株式会社
発電システムの制御装置、発電システム、水力発電システム
2日前
ダイキン工業株式会社
発泡成形用樹脂組成物、発泡成形体及び発泡成形体の製造方法
1日前
ダイキン工業株式会社
電子デバイス、電子機器、電子機器システム、空調システム及び空調装置
1日前
ダイキン工業株式会社
冷媒を含む組成物、その使用、並びにそれを有する冷凍機及びその冷凍機の運転方法
9日前
ダイキン工業株式会社
発泡成形用樹脂組成物、発泡成形体、発泡成形体の製造方法、発泡電線及び発泡電線の製造方法
1日前
ダイキン工業株式会社
環境推定装置、表示システム、空気調和システム、環境推定方法、プログラム、環境推定システム、および学習済みモデルの製造方法
7日前
ダイキン工業株式会社
フッ素系ポリマー組成物、電気化学デバイス用バインダー、電極合剤、電極、及び、二次電池
7日前
ダイキン工業株式会社
フルオロポリマーの製造方法、ポリテトラフルオロエチレンの製造方法、パーフルオロエラストマーの製造方法および組成物
7日前
個人
風力発電機
2か月前
個人
風車用回転翼
2か月前
個人
磁力スロープ
1か月前
個人
波力発電装置
2か月前
個人
折り畳み式風車
2か月前
個人
風力発電装置
1か月前
個人
閉空間推進移動装置
1か月前
東レ株式会社
風車ブレード
1か月前
個人
プラズマエンジン
4か月前
個人
水力発電用水の循環活動
11日前
個人
波受け板を用いた波浪発電装置
3日前
株式会社 林物産発明研究所
発電装置
21日前
個人
水車発電と水の循環供給装置
1か月前
株式会社ゲットクリーンエナジー
発電機
1か月前
株式会社高橋監理
浮体式洋上風力発電所
3か月前
続きを見る
他の特許を見る