TOP
|
特許
|
意匠
|
商標
特許ウォッチ
Twitter
他の特許を見る
10個以上の画像は省略されています。
公開番号
2025147610
公報種別
公開特許公報(A)
公開日
2025-10-07
出願番号
2024047946
出願日
2024-03-25
発明の名称
軸受装置および異常検知システム
出願人
NTN株式会社
代理人
個人
,
個人
,
個人
,
個人
,
個人
主分類
F16C
41/00 20060101AFI20250930BHJP(機械要素または単位;機械または装置の効果的機能を生じ維持するための一般的手段)
要約
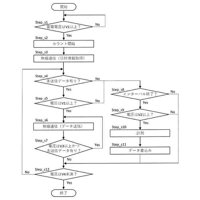
【課題】外部装置でセンサ信号の精度の高い時間合わせを可能にする軸受装置を提供する。
【解決手段】外輪と内輪とを含む軸受、内輪と外輪との相対回転によって発電する発電部、発電部で発電した電力を蓄える蓄電部、軸受に関する状態値を検出してセンサ信号を出力するセンサ、センサから出力したセンサ信号のデータを保存するデータ蓄積部、データ蓄積部に保存したデータを外部装置に向けて送信するデータ通信部、およびデータの保存とデータの送信とを制御する制御部を備える軸受装置であって、制御部は、蓄電部の電圧が閾値以上となったときに予め定めた時間間隔でカウントを開始し、センサからセンサ信号が出力された時のカウント数と、その時のセンサ信号のデータとを対応させてデータ蓄積部に保存し、外部装置から時間情報を取得して、時間情報と、対応して保存されたカウント数およびセンサ信号のデータとを紐づける。
【選択図】図4
特許請求の範囲
【請求項1】
外輪と内輪とを含む軸受、前記内輪と前記外輪との相対回転によって発電する発電部、前記発電部で発電した電力を蓄える蓄電部、前記軸受に関する状態値を検出してセンサ信号を出力するセンサ、前記センサから出力した前記センサ信号のデータを保存するデータ蓄積部、前記データ蓄積部に保存した前記データを外部装置に向けて送信するデータ通信部、および前記データの保存と前記データの送信とを制御する制御部を備える軸受装置であって、
前記制御部は、
前記蓄電部の電圧が閾値以上となったときに予め定めた時間間隔でカウントを開始し、
前記センサから前記センサ信号が出力された時のカウント数と、その時の前記センサ信号の前記データとを対応させて前記データ蓄積部に保存し、
前記外部装置から時間情報を取得して、前記時間情報と、対応して保存された前記カウント数および前記センサ信号のデータとを紐づける、
軸受装置。
続きを表示(約 860 文字)
【請求項2】
請求項1の軸受装置において、
前記制御部が前記カウントを開始する際の前記閾値は、前記外部装置とのデータ通信が可能となる電圧基準値、または前記センサ信号の取得が可能となる電圧基準値に基づいて設定される、軸受装置。
【請求項3】
請求項2の軸受装置において、
前記閾値は、前記外部装置とのデータ通信が可能となる電圧基準値に基づいて設定され、
前記外部装置から前記時間情報を取得してから、
所定の量だけ、前記センサから前記センサ信号が出力された時の前記カウント数と、そのカウント数の時の前記時間情報と、前記カウント数に対応して保存された前記センサ信号のデータとを紐づけて前記データ蓄積部に保存し、
前記データ通信部から、前記データ蓄積部に保存した前記データを外部装置に向けて送信する、
軸受装置。
【請求項4】
請求項2の軸受装置において、
前記閾値は、前記センサ信号の取得が可能となる電圧基準値に基づいて設定され、
所定の量だけ、前記センサから前記センサ信号が出力された時の前記カウント数と、その時の前記センサ信号のデータとを対応させて前記データ蓄積部に保存してから、
前記外部装置から前記時間情報を取得し、
前記データ通信部から、前記センサから前記センサ信号が出力された時の前記カウント数と、そのカウント数の時の前記時間情報と、前記カウント数に対応して保存された前記センサ信号のデータとを紐づけて外部装置に向けて送信する、
軸受装置。
【請求項5】
請求項1~4のいずれか一項に記載の軸受装置が組み込まれた設備において、
前記データ通信部が送信した前記データと、前記外部装置で取得したデータであって前記センサから出力したセンサ信号以外の他のセンサ信号のデータとを時間を対応させて、前記設備または前記軸受の異常を判定する、
異常検知システム。
発明の詳細な説明
【技術分野】
【0001】
本発明は、転がり軸受等の軸受とデータ通信を行うセンサユニットとを備える軸受装置およびこれを使用した異常検知システムに関する。
続きを表示(約 1,800 文字)
【背景技術】
【0002】
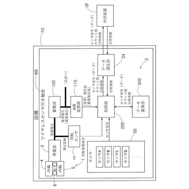
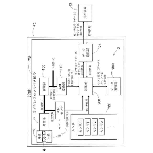
従来から、データ通信を行う電子部品や軸受の状態を検出するためのセンサ等を回路基板等に実装してセンサユニットを構成し、そのセンサユニットを軸受の内輪または外輪に固定した軸受装置(センサ付き軸受とも呼ぶ)が例えば知られている。
【0003】
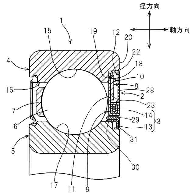
センサ付き軸受は、例えば内輪回転で用いられる軸受の一方端に発電機及び回路基板が配置される。軸受外輪には発電機のステータが固定され、ステータにはコイルが保持される。軸受内輪には発電機のロータとしてN極S極が交互に着磁された磁気リングが固定される。軸受の内外輪の相対回転に伴い、電磁誘導作用によりコイルに交流電圧が生成されることで、発電機で発電が行われる。発電部で発電した電力は例えば、軸受装置の各部で消費され、また蓄電部にも蓄えられうる。各回路やセンサ、無線デバイスを搭載する(電子)回路基板は、例えばステータを介して軸受外輪に固定され、さらに電子回路保護材で封止される。
【0004】
発電機で生成した交流電圧(電力)は電源回路へ入力される。電源回路によって、交流電圧を直流電圧へ整流し、その後、センサや電子部品の動作に必要な一定電圧を得る。センサは加速度センサや温度センサ等であり、一定電圧下で駆動させて軸受の状態である振動加速度や温度等の軸受に関する状態値のセンサ信号を得る。回転速度は発電機の出力の電圧変動(典型的には交流出力)を処理して得られる。例えば交流出力の交番周波数やピーク電圧から回転速度情報の取得が可能である。
【0005】
得られたセンサ信号と回転速度のデータは、例えば(電子)回路基板上のデータ通信を行う電子部品によって外部装置へ向けて送信される。ワイヤレスセンサ付き軸受では、Bluetooth Low Energy(2.4GHz)等の規格に従って無線で外部装置に向けて送信する。送信されたデータは外部のデータ集積装置等で受信する。
【0006】
特許文献1では、従来技術として、発電部、蓄電部、データ蓄積部たるセンサ信号記憶回路、制御部、およびデータ通信部たる通信回路を軸受に備えた回転装置が開示されている。この従来技術では、軸受の回転により発電部で発電した電力を蓄電部に蓄え、蓄電部の電圧に応じて、センサで検出したデータの上記記憶回路への書き込みおよび通信回路による外部装置への無線送信の可否を切り替えることで、電力不足による意図しないタイミングでの動作停止等の誤動作を防止するとともに、通信回路等の消費電力を低く抑えている。
【先行技術文献】
【特許文献】
【0007】
特許7020250号公報
【発明の概要】
【発明が解決しようとする課題】
【0008】
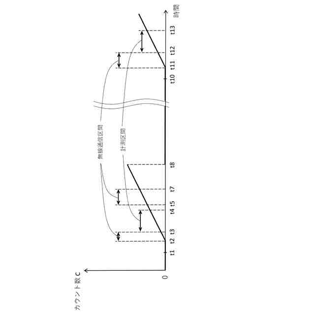
センサ付き軸受は、軸受の回転により発電部(発電機)で発電した電力を蓄電部に蓄えて電子回路を動作させるため、軸受が回転しないと蓄電部の蓄電電圧が低下して回路の動作が停止する。よって、センサ信号を取得した日時等の時間情報(センサ信号の日時情報)を保持することができない。
【0009】
そこで、常用電源として一次電池をセンサ付き軸受の制御部等に備えることが考えられる。しかし、(ワイヤレス)センサ付き軸受等の軸受装置は、機械設備内のモータや歯車等の回転軸の支持軸受として回転部の異常を検知するために使用されることが多いため、定期交換が必要な一次電池の利用は、機械設備の分解作業を伴うためコスト増加につながり易く、また容量の大きな電池の利用を所望する場合には軸受の小型化に不適である。そのため、日時情報を保持するために制御部等に一次電池を搭載することは困難である。
【0010】
特許文献1に記載のワイヤレスセンサ付き軸受は、蓄電部の電圧に応じて記憶回路の書き込みおよび通信回路の無線通信の可否を切り替えるが、センサで検出したデータを書き込んだ後に蓄電部の電圧が低いと、無線通信は通信可能な電圧に高まるまで待つ必要があり、センサでデータを検出した日時(時刻)と、データを無線通信で外部装置に送信した日時との間にずれが生じる場合がある。
(【0011】以降は省略されています)
この特許をJ-PlatPat(特許庁公式サイト)で参照する
関連特許
NTN株式会社
ハンド
2か月前
NTN株式会社
玉軸受
1か月前
NTN株式会社
把持装置
2か月前
NTN株式会社
焼成軸受
1か月前
NTN株式会社
焼成軸受
1か月前
NTN株式会社
軸受装置
1か月前
NTN株式会社
軸受装置
1か月前
NTN株式会社
焼結軸受
1か月前
NTN株式会社
作業装置
1か月前
NTN株式会社
密封装置
1か月前
NTN株式会社
軸受装置
1か月前
NTN株式会社
軸受装置
1か月前
NTN株式会社
把持装置
2か月前
NTN株式会社
転がり軸受
2か月前
NTN株式会社
転がり軸受
1か月前
NTN株式会社
ボールねじ
27日前
NTN株式会社
焼入れ方法
26日前
NTN株式会社
荷積込装置
1か月前
NTN株式会社
転がり軸受
1か月前
NTN株式会社
回転伝達装置
1か月前
NTN株式会社
シール付軸受
1か月前
NTN株式会社
回転伝達装置
1か月前
NTN株式会社
状態監視装置
2か月前
NTN株式会社
回転伝達装置
1か月前
NTN株式会社
車輪用軸受装置
1か月前
NTN株式会社
リンク作動装置
1か月前
NTN株式会社
ボールねじ装置
27日前
NTN株式会社
ボールねじ装置
27日前
NTN株式会社
円すいころ軸受
27日前
NTN株式会社
車輪用軸受装置
1か月前
NTN株式会社
電動オイルポンプ
2か月前
NTN株式会社
状態監視システム
2か月前
NTN株式会社
軸受装置及び間座
1か月前
NTN株式会社
密封装置付き軸受
24日前
NTN株式会社
電食防止転がり軸受
2か月前
NTN株式会社
転動部材及び転動部品
3日前
続きを見る
他の特許を見る