TOP
|
特許
|
意匠
|
商標
特許ウォッチ
Twitter
他の特許を見る
10個以上の画像は省略されています。
公開番号
2025146577
公報種別
公開特許公報(A)
公開日
2025-10-03
出願番号
2024098281
出願日
2024-06-18
発明の名称
半導体集積回路、メモリコントローラ及び半導体集積回路の制御方法
出願人
キオクシア株式会社
代理人
弁理士法人志賀国際特許事務所
主分類
H02M
3/07 20060101AFI20250926BHJP(電力の発電,変換,配電)
要約
【課題】回路素子のばらつきの影響による変動が小さい降圧電圧を得ることができる半導体集積回路を提供する。
【解決手段】本実施形態の半導体集積回路は、複数の降圧回路と、複数の入力スイッチと、複数の出力スイッチとを備える。複数の降圧回路は、入力された第1の電圧又は第2の電圧を降圧し、第1の降圧電圧又は第2の降圧電圧を出力する。複数の入力スイッチは、それぞれが複数の降圧回路の入力端に設けられ、第1の電圧又は第2の電圧の入力を切り替える。複数の出力スイッチは、それぞれが複数の降圧回路の出力端に設けられ、第1の降圧電圧又は第2の降圧電圧の出力を切り替える。
【選択図】図5
特許請求の範囲
【請求項1】
入力された第1の電圧又は第2の電圧を降圧し、第1の降圧電圧又は第2の降圧電圧を出力する複数の降圧回路と、
それぞれが前記複数の降圧回路の入力端に設けられ、前記第1の電圧又は前記第2の電圧の入力を切り替える複数の入力スイッチと、
それぞれが前記複数の降圧回路の出力端に設けられ、前記第1の降圧電圧又は前記第2の降圧電圧の出力を切り替える複数の出力スイッチと、
を備える半導体集積回路。
続きを表示(約 1,600 文字)
【請求項2】
前記複数の降圧回路は、第1、第2、第3及び第4の降圧回路を含み、
前記複数の入力スイッチは、第1、第2、第3及び第4の入力スイッチを含み、
前記複数の出力スイッチは、第1、第2、第3及び第4の出力スイッチを含み、
前記第1の入力スイッチ、前記第2の入力スイッチ、前記第1の出力スイッチ、及び、前記第2の出力スイッチは、互いに同期して接続先を切り替え、
前記第3の入力スイッチ、前記第4の入力スイッチ、前記第3の出力スイッチ、及び、前記第4の出力スイッチは、互いに同期して接続先を切り替える請求項1に記載の半導体集積回路。
【請求項3】
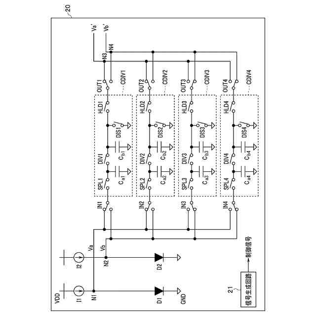
前記第1、前記第2、前記第3及び前記第4の降圧回路は、それぞれ、前記第1の電圧又は前記第2の電圧の充電を制御する第1のスイッチと、前記第1の電圧又は前記第2の電圧で充電する第1の容量と、充電された前記第1の容量と並列に接続されることで降圧する第2の容量と、前記第1の容量と前記第2の容量を接続し、前記第1の降圧電圧又は前記第2の降圧電圧への降圧を制御する第2のスイッチと、前記第2の容量の電荷を放電する第3のスイッチと、前記第2の容量を放電するまたは降圧動作を行うときの出力からの切り離しを制御する第4のスイッチとを有する請求項2に記載の半導体集積回路。
【請求項4】
前記複数の入力スイッチを制御する制御信号を生成して出力する信号生成回路をさらに設け、
前記制御信号は、前記複数の降圧回路のそれぞれに設けられた前記第1のスイッチに供給される制御信号を分周した信号である請求項3に記載の半導体集積回路。
【請求項5】
前記第1の降圧回路の前記第1のスイッチと前記第3の降圧回路の前記第1のスイッチは同期してオン/オフし、
前記第2の降圧回路の前記第1のスイッチと前記第4の降圧回路の前記第1のスイッチは同期してオン/オフする請求項3に記載の半導体集積回路。
【請求項6】
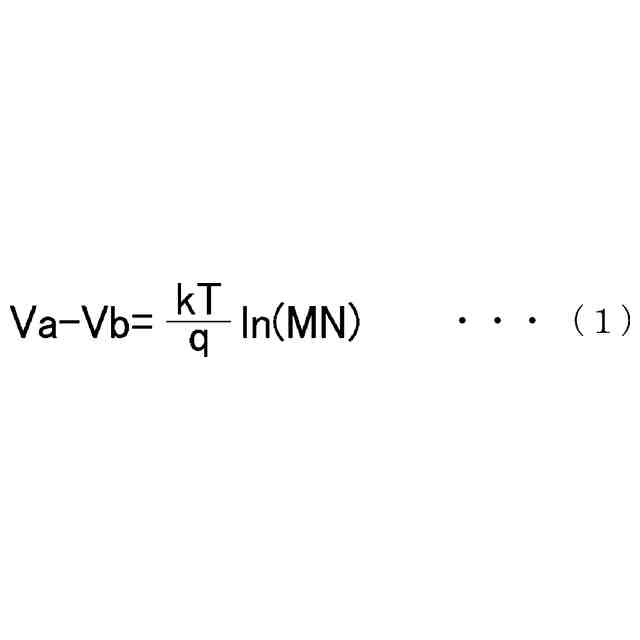
前記第1の電圧は、一端が第1の定電流源に接続される第1のダイオードにかかる電圧であり、
前記第2の電圧は、一端が第2の定電流源に接続されて前記第1のダイオードと並列な第2のダイオードにかかる電圧である請求項1に記載の半導体集積回路。
【請求項7】
前記第1の降圧電圧又は前記第2の降圧電圧に基づいて温度特性を持つ出力電流を生成し、生成した前記出力電流を他の回路に入力することで、前記他の回路における温度依存性を無くす制御を可能にする、請求項3に記載の半導体集積回路。
【請求項8】
請求項1に記載の半導体集積回路と、
半導体記憶装置の書き込み及び読み出しを制御する制御回路と、
を有するメモリコントローラ。
【請求項9】
入力された第1の電圧又は第2の電圧を降圧し、第1の降圧電圧又は第2の降圧電圧を出力する複数の降圧回路と、それぞれが前記複数の降圧回路の入力端に設けられ、前記第1の電圧又は前記第2の電圧の入力を切り替える複数の入力スイッチと、それぞれが前記複数の降圧回路の出力端に設けられ、前記第1の降圧電圧又は前記第2の降圧電圧の出力を切り替える複数の出力スイッチと、を備える半導体集積回路の制御方法であって、
前記複数の降圧回路は、第1、第2、第3及び第4の降圧回路を含み、
前記複数の入力スイッチは、第1、第2、第3及び第4の入力スイッチを含み、
前記複数の出力スイッチは、第1、第2、第3及び第4の出力スイッチを含み、
前記第1の入力スイッチ、前記第2の入力スイッチ、前記第1の出力スイッチ、及び、前記第2の出力スイッチは、互いに同期して接続先を切り替え、
前記第3の入力スイッチ、前記第4の入力スイッチ、前記第3の出力スイッチ、及び、前記第4の出力スイッチは、互いに同期して接続先を切り替える半導体集積回路の制御方法。
発明の詳細な説明
【技術分野】
【0001】
本実施形態は、半導体集積回路、メモリコントローラ及び半導体集積回路の制御方法に関する。
続きを表示(約 1,600 文字)
【背景技術】
【0002】
従来、ダイオード電圧差を利用して回路素子の温度特性を補正する回路において、ダイオード電圧差を入力する回路の入力電圧範囲に適した電圧に変換するために、電圧降圧回路が用いられる。一般的に、高精度な温度特性補正機能を実現するために、電圧降圧回路の出力である降圧電圧には回路素子のばらつきの影響による変動が小さいことが求められる。
【先行技術文献】
【特許文献】
【0003】
米国特許出願公開第2022/0268810号明細書
米国特許第5600186号明細書
米国特許出願公開第2001/0001544号明細書
【発明の概要】
【発明が解決しようとする課題】
【0004】
本実施形態は、回路素子のばらつきの影響による変動が小さい降圧電圧を得ることができる半導体集積回路、メモリコントローラ及び半導体集積回路の制御方法を提供することを目的とする。
【課題を解決するための手段】
【0005】
本実施形態の半導体集積回路は、複数の降圧回路と、複数の入力スイッチと、複数の出力スイッチとを備える。複数の降圧回路は、入力された第1の電圧又は第2の電圧を降圧し、第1の降圧電圧又は第2の降圧電圧を出力する。複数の入力スイッチは、それぞれが複数の降圧回路の入力端に設けられ、第1の電圧又は第2の電圧の入力を切り替える。複数の出力スイッチは、それぞれが複数の降圧回路の出力端に設けられ、第1の降圧電圧又は第2の降圧電圧の出力を切り替える。
【図面の簡単な説明】
【0006】
メモリシステムの構成の一例を示すブロック図である。
比較例1に係る電圧降圧回路の構成を説明するための回路図である。
比較例2に係る電圧降圧回路の構成を説明するための回路図である。
比較例2の電圧降圧回路のスイッチの制御波形を示すタイミングチャートである。
本実施形態の電圧降圧回路の構成を説明するための回路図である。
本実施形態の電圧降圧回路のスイッチの制御波形を示すタイミングチャートである。
電流生成回路の構成を説明するための回路図である。
【発明を実施するための形態】
【0007】
以下、図面を参照して本発明の実施形態について詳細に説明する。
(第1の実施形態)
(メモリシステムの構成)
【0008】
図1は、メモリシステムの構成の一例を示すブロック図である。本実施形態のメモリシステム1は、メモリコントローラ3と不揮発性メモリ2とを備える。なお、不揮発性メモリ2は、複数のメモリチップを含む場合がある。メモリシステム1は、ホスト装置4と接続可能である。ホスト装置4は、例えば、パーソナルコンピュータ、携帯端末などの電子機器である。
【0009】
メモリシステム1は、ホスト装置4が搭載されたマザーボード上に、メモリシステム1を構成する複数のチップを実装して構成してもよいし、メモリシステム1を1つのモジュールで実現するシステムLSI(Large-Scale Integrated Circuit)またはSoC(System-on-a-Chip)として構成してもよい。メモリシステム1の例としては、SDカードのようなメモリカード、SSD(Solid-State-Drive)、およびeMMC(embedded-Multi-Media-Card)などが挙げられる。
【0010】
不揮発性メモリ2は、複数のメモリセルを備えたNAND型メモリであり、データを不揮発に記憶する。
(【0011】以降は省略されています)
この特許をJ-PlatPat(特許庁公式サイト)で参照する
関連特許
キオクシア株式会社
記憶装置
今日
キオクシア株式会社
記憶装置
2日前
キオクシア株式会社
記憶装置
4日前
キオクシア株式会社
記憶装置
2日前
キオクシア株式会社
記憶装置
8日前
キオクシア株式会社
半導体装置
今日
キオクシア株式会社
半導体装置
2日前
キオクシア株式会社
半導体装置
8日前
キオクシア株式会社
磁気メモリ
1か月前
キオクシア株式会社
磁気メモリ
1か月前
キオクシア株式会社
半導体装置
1日前
キオクシア株式会社
半導体装置
1日前
キオクシア株式会社
磁気記憶装置
2日前
キオクシア株式会社
通信システム
2日前
キオクシア株式会社
磁気記憶装置
2日前
キオクシア株式会社
基板ユニット
4日前
キオクシア株式会社
磁気記憶装置
4日前
キオクシア株式会社
磁気記憶装置
4日前
キオクシア株式会社
磁気記憶装置
1日前
キオクシア株式会社
情報処理装置
16日前
キオクシア株式会社
半導体記憶装置
14日前
キオクシア株式会社
メモリシステム
24日前
キオクシア株式会社
半導体製造装置
1か月前
キオクシア株式会社
半導体記憶装置
2日前
キオクシア株式会社
半導体記憶装置
2日前
キオクシア株式会社
メモリデバイス
2日前
キオクシア株式会社
メモリシステム
1か月前
キオクシア株式会社
半導体記憶装置
1か月前
キオクシア株式会社
半導体記憶装置
1か月前
キオクシア株式会社
メモリシステム
1か月前
キオクシア株式会社
半導体記憶装置
28日前
キオクシア株式会社
半導体記憶装置
24日前
キオクシア株式会社
半導体記憶装置
14日前
キオクシア株式会社
半導体記憶装置
16日前
キオクシア株式会社
半導体記憶装置
4日前
キオクシア株式会社
半導体記憶装置
4日前
続きを見る
他の特許を見る