TOP
|
特許
|
意匠
|
商標
特許ウォッチ
Twitter
他の特許を見る
10個以上の画像は省略されています。
公開番号
2025146126
公報種別
公開特許公報(A)
公開日
2025-10-03
出願番号
2024046745
出願日
2024-03-22
発明の名称
クレーン
出願人
株式会社三井E&S
代理人
清流国際弁理士法人
,
個人
,
個人
主分類
B66C
13/12 20060101AFI20250926BHJP(巻上装置;揚重装置;牽引装置)
要約
【課題】突入電流の発生による電力供給装置から出力される電流値の増大をより確実に抑制するクレーンを提供する。
【解決手段】コンバータ21とインバータ22と電動モータ23とを備えるクレーン10において、コンバータ21から出力される直流電力の電流値が、コンバータ21の定格電流値Ir以上であり、かつ、電動モータ23の力行駆動時に生じる突入電流によるピーク電流値Ipよりも小さい制限電流値Ibに制限されていて、少なくともインバータ22から電動モータ23に供給される交流電力の電流値が制限電流値Ibよりも大きくなる時間を含む時間には、コンバータ21に対してインバータ22と並列に接続される蓄電装置24を備える。
【選択図】図3
特許請求の範囲
【請求項1】
電力供給装置からの交流電力を直流電力に変換するコンバータと、このコンバータから出力された直流電力を交流電力に変換するインバータと、このインバータから出力された交流電力により駆動する電動モータと、を備えるクレーンにおいて、
前記コンバータから出力された直流電力の電流値が、前記コンバータの定格電流値以上であり、かつ、前記電動モータの力行駆動時に生じる突入電流によるピーク電流値よりも小さい制限電流値に制限されていて、
少なくとも前記インバータから前記電動モータに供給される交流電力の電流値が前記制限電流値よりも大きくなる時間を含む時間には、前記コンバータに対して前記インバータと並列に接続される蓄電装置を備えるクレーン。
続きを表示(約 580 文字)
【請求項2】
前記蓄電装置は、常時、前記コンバータに対して前記インバータと並列に接続される請求項1に記載のクレーン。
【請求項3】
前記コンバータに信号線を介して接続されていて、前記コンバータから出力された直流電力の電流値を前記制限電流値に制限するデータ処理を実行する制御装置を備える請求項1に記載のクレーン。
【請求項4】
前記制御装置は、前記蓄電装置の充電容量を監視して、前記充電容量が予め設定した下限充電容量以上の場合に前記コンバータから出力された直流電力の電流値を前記制限電流値に制限し、前記充電容量が前記下限充電容量未満の場合にその電流値への制限を解除するデータ処理を実行する請求項3に記載のクレーン。
【請求項5】
前記制限電流値として、前記コンバータの定格電流値の1.0倍以上、かつ、1.5倍以下の値が用いられる請求項1に記載のクレーン。
【請求項6】
前記電力供給装置が物流施設で運用される多数のクレーンで共用されていて、前記電力供給装置から給電装置を介して前記コンバータに交流電力が供給されている請求項1に記載のクレーン。
【請求項7】
水素燃料を用いる内燃機関とこの内燃機関の動力により回転する発電機とを有する前記電力供給装置を備える請求項1に記載のクレーン。
発明の詳細な説明
【技術分野】
【0001】
本発明は、クレーンに関し、より詳しくは、突入電流の発生による電力供給装置から出力される電流値の増大を抑制するクレーンに関する。
続きを表示(約 2,300 文字)
【背景技術】
【0002】
コンテナターミナルなどの物流施設で物品を荷役する多数のクレーンは、共通の電力供給装置(例えば、変電所)から供給された電力を使用する電動モータによりコンテナの荷役動作や自身の走行動作などの動作を行っている。電力供給装置の許容電流値は、物流施設のそれぞれの装置や機器(多数のクレーンのそれぞれの電動モータも含む)の全てが定格電流で駆動することを前提として設定されている。つまり、多数のクレーンのそれぞれの電流モータが定格電流で駆動していれば、電力供給装置から出力される電流値が許容電流値を超えることはない。
【0003】
しかしながら、多数のクレーンのそれぞれは個別に動作しており、多数のクレーンのそれぞれの電動モータの力行駆動の開始直後に突入電流(始動電流)の発生のタイミングが重複する場合がある。突入電流のピーク電流値は定格電流値よりも大きく、突入電流が発生するタイミングの重複数が過大となると、一時的に電力供給装置から出力された電流値が許容電流値を超えて、電力供給装置が停止する。その結果、物流施設の全体の荷役が停滞してしまう。
【0004】
受電部が流すことができる許容電力が荷役用モータにおける最大負荷時に荷役用モータに供給される電力よりも少なく制限されており、受電部が給電部に接続されている場合であっても、荷役用モータおよび走行用モータに供給される電力が不足する場合には、充放電部から電力が供給されるヤードクレーンが提案されている(特許文献1参照)。特許文献1で提案されているクレーンは、コンテナの重量が所定重量よりも大きい場合に、受電部から出力された電力と充放電部から出力された電力との二つの電力が巻上用モータやトロリ駆動モータに供給され、コンテナの重量が所定重量よりも小さい場合に、受電部から出力された電力のみの電力がそれらのモータに供給される。
【0005】
上述した突入電流は電動モータの力行駆動の開始直後に発生しており、コンテナの重量の大きさや電動モータの負荷に関係なく発生する。それ故、提案のクレーンでは、コンテナの重量が所定重量よりも小さい場合に、電動モータに突入電流が生じたとしても、充放電部の電力が供給されることが無い。このように、提案のクレーンは、対策対象が突入電流に特化していないため、多数のクレーンでの突入電流の重複による電力供給装置の停止を対策するには突入電流に特有の考慮をする必要がある。それ故、突入電流の発生による電力供給装置から出力される交流電力の電流値の増大をより確実に抑制するには改善の余地がある。
【先行技術文献】
【特許文献】
【0006】
特開2009-137749号公報
【発明の概要】
【発明が解決しようとする課題】
【0007】
本発明の目的は、突入電流の発生による電力供給装置から出力される交流電力の電流値の増大をより確実に抑制するクレーンを提供することである。
【課題を解決するための手段】
【0008】
上記の目的を達成する本発明のクレーンは、電力供給装置からの交流電力を直流電力に変換するコンバータと、このコンバータから出力された直流電力を交流電力に変換するインバータと、このインバータから出力された交流電力により駆動する電動モータと、を備えるクレーンにおいて、前記コンバータから出力された直流電力の電流値が、前記コンバータの定格電流値以上であり、かつ、前記電動モータの力行駆動時に生じる突入電流によるピーク電流値よりも小さい制限電流値に制限されていて、少なくとも前記インバータから前記電動モータに供給される交流電力の電流値が前記制限電流値よりも大きくなる時間を含む時間には、前記コンバータに対して前記インバータと並列に接続される蓄電装置を備えることを特徴とする。
【発明の効果】
【0009】
本発明によれば、コンバータから出力された直流電力の電流値が制限されており、電動モータの力行駆動時に突入電流が生じた場合、コンバータからインバータへ供給される直流電力が不足するが、この不足分が蓄電装置により補われる。つまり、突入電流の発生時に電力不足に陥ることなく、突入電流の発生による電力供給装置から出力される電流値の増大をより確実に抑制することができる。これにより、電力供給装置から出力される交流電力の電流値が所定値を超えることを防いで、その電流値を所定値未満に維持することができる。
【図面の簡単な説明】
【0010】
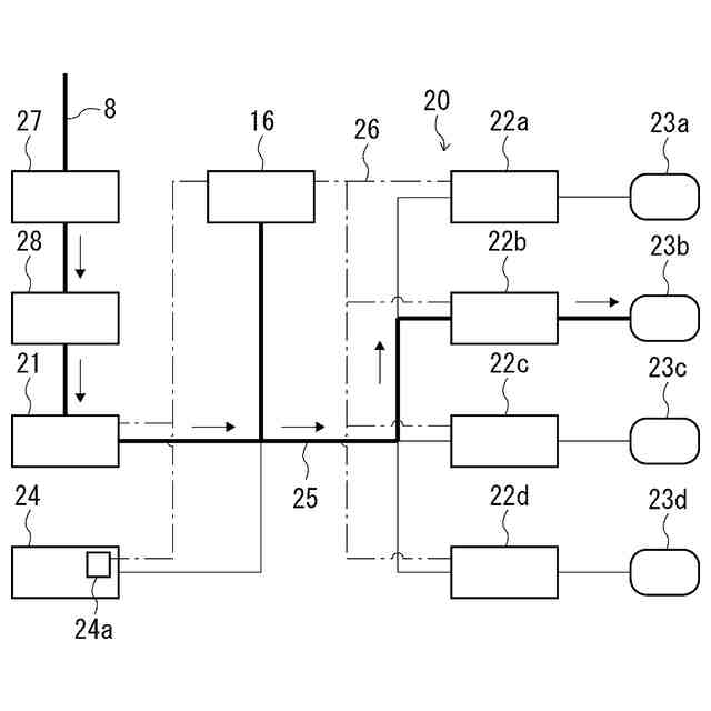
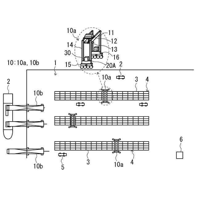
クレーンの実施形態を例示する説明図である。
力行駆動した電動モータでの時間の経過に伴う電流値の変動を例示する説明図である。
図1の動力システムを例示する説明図である。
コンバータでの時間の経過に伴う電流値の変動を例示する説明図である。
蓄電装置での充電容量と電圧値との相関を例示する説明図である。
電動モータの回生駆動時の動力システムでの電力の流れを例示する説明図である。
電動モータの力行駆動中の突入電流の発生時の動力システムでの電力の流れを例示する説明図である。
電動モータの力行駆動中の突入電流の発生時以外の動力システムでの電力の流れを例示する説明図である。
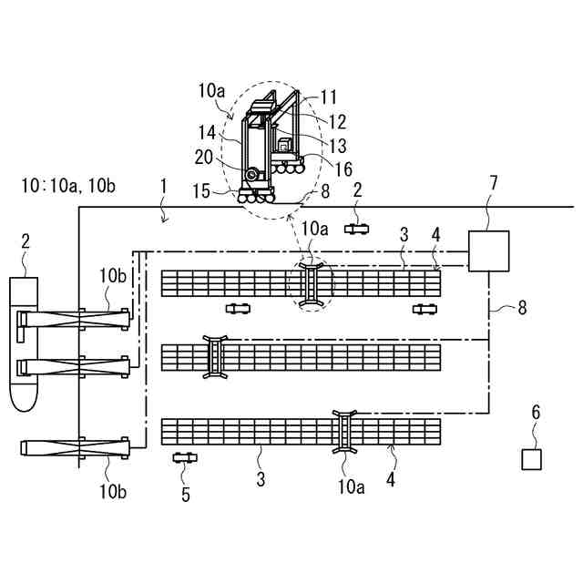
クレーンの実施形態の変形例を例示する説明図である。
図9の動力システムを例示する説明図である。
【発明を実施するための形態】
(【0011】以降は省略されています)
この特許をJ-PlatPat(特許庁公式サイト)で参照する
関連特許
株式会社三井E&S
アンモニア改質装置
1か月前
株式会社三井E&S
クレーン及びクレーンの使用方法
1日前
株式会社三井E&S
縦型圧縮機及び縦型圧縮機の製造方法
9日前
株式会社三井E&S
クレーンおよびクレーンの脱輪防止方法
15日前
株式会社三井E&S
内燃機関及び内燃機関における排ガス浄化方法
9日前
株式会社三井E&S
水素ガスの供給方法及び水素ガスの供給システム
12日前
株式会社三井E&S
水素ガスの供給方法及び水素ガスの供給システム
12日前
株式会社三井E&S
水素ガス製造装置、水素ガス供給装置、燃料電池システム、移動体、及び水素ガス製造方法
17日前
個人
自走手摺
3か月前
個人
転落防止階段
9日前
個人
小型クレーン
3日前
ユニパルス株式会社
吊具
5か月前
個人
海上コンテナ昇降装置
11か月前
ユニパルス株式会社
荷役装置
10か月前
ユニパルス株式会社
吊具装置
11か月前
株式会社豊田自動織機
荷役車両
10か月前
株式会社豊田自動織機
荷役車両
9か月前
ユニパルス株式会社
リフト装置
5か月前
水戸工業株式会社
吊り具
7か月前
株式会社いうら
車椅子用昇降機
3か月前
株式会社豊田自動織機
産業車両
11か月前
株式会社豊田自動織機
産業車両
1か月前
ユニパルス株式会社
荷役助力装置
4か月前
株式会社大林組
安全支援システム
2か月前
愛知製鋼株式会社
受け架台
2か月前
ユニパルス株式会社
荷役助力装置
5か月前
個人
垂直自動搬送機
1か月前
株式会社伊藤
滑り止め装置
3か月前
岐阜工業株式会社
運搬台車
10日前
大栄産業株式会社
クランプ
5か月前
白山工業株式会社
バランサ
7か月前
ユニパルス株式会社
荷役助力装置
6か月前
個人
エアバック式レスキュー用品
1か月前
株式会社ユピテル
システム等
7か月前
株式会社キトー
タイヤ用吊具
6か月前
個人
アウトリガー用転倒防止ベース
2日前
続きを見る
他の特許を見る