TOP
|
特許
|
意匠
|
商標
特許ウォッチ
Twitter
他の特許を見る
10個以上の画像は省略されています。
公開番号
2025159813
公報種別
公開特許公報(A)
公開日
2025-10-22
出願番号
2024062591
出願日
2024-04-09
発明の名称
水素ガス製造装置、水素ガス供給装置、燃料電池システム、移動体、及び水素ガス製造方法
出願人
株式会社三井E&S
代理人
弁理士法人グローバル・アイピー東京
主分類
C01B
3/04 20060101AFI20251015BHJP(無機化学)
要約
【課題】液化アンモニアを原料として順次生成されるガスが滞ることなく下流側に流れるようにし、分離膜の上流側と下流側の間の差圧を形成するための減圧機を別途必要とせず、高圧の圧縮機を用いることなく窒素除去を行うことができ、それにより消費される動力が少なく、小型で簡素な水素ガス製造装置を提供する。
【解決手段】実施形態の水素ガス製造装置は、液化アンモニアのタンクと、アンモニアガスの分解ガスから、残留アンモニアガス及び窒素ガスを除去する1次精製部及び2次精製部と、減圧機とを備える。窒素ガスが除去される精製部の分離膜は、分離膜の上流側と下流側の間の差圧により水素ガスを窒素ガスから分離する。減圧機は、水素ガスが流れる精製ガスラインに設けられ、減圧機の上流側を減圧する。前記差圧は、タンク内圧と減圧機の上流側の圧力との間に形成された圧力差の一部として形成される。
【選択図】図1
特許請求の範囲
【請求項1】
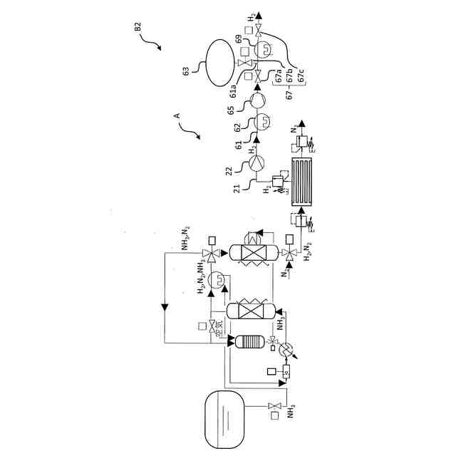
液化アンモニアを原料として供給しながら、供給される前記液化アンモニア、前記液化アンモニアを気化させたアンモニアガス、前記アンモニアガスを分解して得た分解ガス、前記分解ガスを精製した精製ガスを一方向に順次流して水素ガスを製造する水素ガス製造装置であって、
液化アンモニアを貯蔵するタンクと、
前記タンクから前記液化アンモニアを下流側に導く原料アンモニアラインと、
前記原料アンモニアライン内に設けられ、前記液化アンモニアを気化させてアンモニアガスにする気化器と、
気化した前記アンモニアガスを分解用温度に加熱する昇温用加熱器と、
前記気化器の下流側において前記原料アンモニアラインと接続され、前記分解用温度に加熱された前記アンモニアガスを触媒に接触させて分解し、水素ガス、窒素ガス及び残留アンモニアガスを含む分解ガスを生成させるアンモニア分解部と、
前記アンモニア分解部と接続され、前記分解ガスを下流側に導く分解ガスラインと、
前記分解ガスライン内に設けられ、前記分解ガスを冷却する冷却器と、
前記冷却器の下流側において前記分解ガスラインと接続され、冷却された前記分解ガスから前記残留アンモニアガス及び前記窒素ガスの一方を除去し1次精製ガスを生成する1次精製部と、
前記1次精製部と接続され、前記1次精製ガスを下流側に導く1次精製ガスラインと、
前記1次精製ガスラインと接続され、前記1次精製ガスから前記残留アンモニアガス及び前記窒素ガスの他方を除去し2次精製ガスを生成する2次精製部と、
前記2次精製部と接続され、前記2次精製ガスを下流側に導き、排出する2次精製ガスラインと、を備え、
前記1次精製部及び前記2次精製部のうち前記残留アンモニアガスが除去される方の精製部は、前記残留アンモニアガスを吸着させる吸着剤を有するアンモニア吸着部であり、
前記1次精製部及び前記2次精製部のうち前記窒素ガスが除去される方の精製部は、分離膜を有し、前記分離膜は、前記分離膜の上流側と下流側の間につくられた差圧により前記水素ガスを選択的に透過させて前記窒素ガスから分離するよう構成されている、水素分離部であり、
前記水素ガス製造装置は、前記1次精製ガスライン及び前記2次精製ガスラインのうち、前記水素分離部と接続され、前記分離膜を透過した前記水素ガスが流れる精製ガスラインに設けられた減圧機であって、当該精製ガスラインを流れる前記精製ガスを吸い込んで下流側に排出することで前記減圧機の上流側の当該精製ガスの圧力を減圧する減圧機をさらに備え、
前記減圧機の上流側の前記圧力が減圧されることにより、前記タンクから前記2次精製ガスラインにかけて前記液化アンモニア及び前記ガスが下流側に流れるよう、前記タンク内で気化したアンモニアガスの蒸気圧と、前記減圧機の上流側の前記圧力との間に圧力差が形成され、前記圧力差の一部として前記差圧が形成される、水素ガス製造装置。
続きを表示(約 1,600 文字)
【請求項2】
前記分離膜の上流側に、前記分解ガス又は前記1次精製ガスの圧力を加圧する加圧機を備えていない、請求項1に記載の水素ガス製造装置。
【請求項3】
前記水素分離部の上流側に、前記分解ガス又は前記1次精製ガスの圧力を加圧する加圧機を備えている、請求項1に記載の水素ガス製造装置。
【請求項4】
前記タンクは、前記タンク内を加熱することにより、前記タンクから前記2次精製ガスラインにかけての前記液化アンモニア及び前記ガスの下流側への流れが保たれるように前記蒸気圧を維持する保温用加熱器を有している、請求項1又は2に記載の水素ガス製造装置。
【請求項5】
前記冷却器及び前記気化器は、前記分解ガスが流れる第1高温側流路と、前記液化アンモニアが流れる第1低温側流路とを有する第1熱交換器を構成してなり、
前記第1熱交換器は、前記第1高温側流路を流れる前記分解ガスと、前記第1低温側流路を流れる前記液化アンモニアとの熱交換によって、前記分解ガスが冷却され、前記液化アンモニアが加熱され気化されるよう構成される、請求項1又は2に記載の水素ガス製造装置。
【請求項6】
前記冷却器を第1冷却器というとき、前記分解ガスライン内の前記第1冷却器の上流側又は下流側に設けられ、前記分解ガスを冷却する第2冷却器をさらに備える、請求項5に記載の水素ガス製造装置。
【請求項7】
前記第2冷却器を通る前記分解ガスが、外部の空気、又は、外部の空気との熱交換により冷却された液体冷媒、との熱交換により冷却される、請求項6に記載の水素ガス製造装置。
【請求項8】
前記昇温用加熱器は、前記原料アンモニアライン内の前記気化器の下流側に設けられ、
前記アンモニア分解部から又は前記アンモニア分解部の下流側において取り出された、前記分解ガス、前記1次精製ガス及び前記2次精製ガスのいずれかのガスの一部を空気と共に燃焼させ、燃焼ガスを排出する燃焼器と、
前記燃焼器と接続され、前記燃焼ガスが流れる燃焼ガスラインと、をさらに備え、
前記燃焼ガスラインの一部及び前記昇温用加熱器は、前記燃焼ガスが流れる第2高温側流路と、前記アンモニアガスが流れる第2低温側流路とを有する第2熱交換器を構成してなり、
前記第2熱交換器は、前記第2高温側流路を流れる前記燃焼ガスと、前記第2低温側流路を流れる前記アンモニアガスとの熱交換によって、前記燃焼ガスが冷却され、前記アンモニアガスが昇温されるよう構成される、請求項1又は2に記載の水素ガス製造装置。
【請求項9】
前記アンモニア吸着部は、前記残留アンモニアガスを吸着した前記吸着剤を加熱する再生用加熱器と、不活性ガスを外部から導入するための不活性ガス導入ラインと、前記吸着剤から脱離した前記残留アンモニアガスが流れる脱離アンモニア排出ラインとを備え、
前記アンモニア吸着部は、前記再生用加熱器により加熱されることにより、前記吸着剤に吸着された前記残留アンモニアガスが前記吸着剤から脱離し、前記不活性ガス導入ラインを通って導入された前記不活性ガスと共に、前記脱離アンモニア排出ラインを通って前記アンモニア吸着部から排出されるよう構成される、請求項1に記載の水素ガス製造装置。
【請求項10】
前記アンモニア分解部から又は前記アンモニア分解部の下流側において取り出された、前記分解ガス、前記1次精製ガス及び前記2次精製ガスのいずれかのガスの一部を空気と共に燃焼させ、燃焼ガスを排出する燃焼器をさらに備え、
前記不活性ガスと共に排出された前記残留アンモニアガスは、前記燃焼器に導かれ、燃焼される、請求項9に記載の水素ガス製造装置。
(【請求項11】以降は省略されています)
発明の詳細な説明
【技術分野】
【0001】
本発明は、液化アンモニアを原料として水素ガスを製造する水素ガス製造装置、水素ガス供給装置、燃料電池システム、移動体、及び水素ガス製造方法に関する。
続きを表示(約 2,900 文字)
【背景技術】
【0002】
カーボンニュートラルの潮流から、燃料電池自動車(FCV)や、家庭用又は業務用のオンサイト設備に燃料電池が広く利用されている。燃料電池の燃料ガスとなる水素ガスを製造する際に二酸化炭素を発生させない方法として、アンモニアを原料として水素ガスを製造する方法が知られている。この方法では、一般に、高温にしたアンモニアガスを触媒と接触させて分解することにより、主として水素ガス及び窒素ガスからなる混合ガスを生成することを行う。
【0003】
アンモニア分解ガスには、窒素ガスのほか、未分解の残留アンモニアなどが含まれている。残留アンモニアが水素ガスと共に燃料電池の負極(燃料極)に供給されると、負極の白金触媒が被毒して触媒活性が低下し、燃料電池の発電性能が低下するという問題がある。そのため、アンモニア分解ガス中に残留するアンモニアは十分に除去されることが好ましい。従来、ゼオライト等の吸着剤にアンモニアを吸着させ、アンモニア分解ガスから除去することが知られている(例えば、非特許文献1、3、特許文献1~3)。
【0004】
また、アンモニア分解ガスから窒素ガスが除去されていないと、発電時の最大出力が低下するため、アンモニア分解ガス中の窒素ガスは除去されることが好ましい。従来、アンモニア分解ガス中の窒素ガスを除去するために、圧力スイング(PSA)法や深冷分離法を用いて窒素ガスを除去することが知られている(例えば、非特許文献1、2、特許文献3)。
【先行技術文献】
【特許文献】
【0005】
特開2017-104778号公報
国際公開第2023/022995号
特開昭54-126689号公報
【非特許文献】
【0006】
大陽日酸株式会社,内閣府・戦略的イノベーション創造プログラム(SIP),課題「エネルギーキャリア」,研究テーマ「アンモニア水素ステーション基盤技術」終了報告書(公開用),2019年3月25日
沼田昭浩,“深冷分離法による水素の回収”,日立評論,Vol.53,No.12,p.1164-1971(1971)
Junyoung Cha et al.,“Ammonia as an efficient COx-free hydrogen carrier Fundamentals and feasibility analyses for fuel cell applications”,Applied Energy,Vol. 224,p.194-204(2018)
【発明の概要】
【発明が解決しようとする課題】
【0007】
特許文献1、3および非特許文献1に記載された、液化アンモニアを原料とする水素製造プロセスにおいては、アンモニアの触媒分解による水素の生成後に、吸着剤を用いた吸着による残留アンモニアの除去、およびPSA法または深冷分離法による窒素の分離除去を行うことによる、精製された水素の製造方法が開示されている。これらによって得られる精製された水素は、小型高効率の発電システムとして広く実用化されている固体高分子型燃料電池(PEFC)用の燃料として用いることが可能である。また非特許文献2においては、関連する深冷分離法の詳細が開示されている。これらにおけるPSA法や深冷分離法による窒素除去には、一般に高圧の圧縮機を必要とし、その設置スペースを必要とする。さらに、PSA法においては、加圧下での吸着剤への窒素吸着、および減圧時の吸着剤からの窒素脱離排出の繰り返しによって窒素除去を行うので、圧縮機を頻繁に起動し、駆動し続けなければならないため、消費される動力が大きい。また深冷分離法においても、一層の高圧条件下や、高圧状態からの断熱膨張等を用いた冷却条件下で、窒素を液化ないし吸着剤に吸着させて分離除去するため、その消費動力は非常に大きくなる。こうした操作を要するPSA法や深冷分離法を行うためには大型の装置が必要となり、移動体や小型のオンサイト設備に搭載あるいは設置することは困難である。
【0008】
一方、非特許文献3には、アンモニアの触媒分解による水素生成工程、およびその後の吸着剤を用いた吸着による残留アンモニアガスの除去工程のみから構成され、消費動力が大きく大型の設備を必要とする上述のPSA法や深冷分離法による窒素分離工程が省略された、液化アンモニアを原料とする水素製造プロセスが開示されている。非特許文献3の水素製造プロセスにおいては、製造された水素を固体高分子型燃料電池(PEFC)用の燃料として用いる場合に、該燃料電池(PEFC)の負極触媒を被毒させる上述の残留アンモニアガスが除去されているので、製造される水素を該燃料電池(PEFC)の燃料として使用でき、また消費動力が小さく、移動体や小型のオンサイト設備に搭載あるいは設置が可能な、装置の小型軽量化が可能である。しかしながら、非特許文献3のプロセスでは窒素分離が行われないため、製造される水素中にはモル比で水素:窒素=75:25に相当する窒素が残留する。このため、非特許文献3のプロセスでは、製造される水素を燃料電池(PEFC)に供給して発電する際に、窒素の混在によって負極での水素濃度の低下に基づく濃度分極が増大し、特に高出力時に発電効率の顕著な低下を招く。
【0009】
また、特許文献2においては、非特許文献3と同様に上述の窒素分離工程が省略され、アンモニアの触媒分解による水素生成工程および残留アンモニアガスの吸着除去工程のみからなる水素製造プロセスで製造される、窒素を含有する水素を燃料電池(PEFC)に供給して発電する態様が示され、特に、燃料電池(PEFC)側の負極に溝を切る等の変形を加えたり、発電中に負極において高濃度に蓄積される窒素を間欠的にパージするなどによって、上述の発電効率の低下を改善する態様が開示されている。しかし、こうした態様によっても、濃度分極の増大による発電効率の低下は本質的に避けがたい上、一般に市販される仕様と異なる特殊な燃料電池(PEFC)が必要となること自体、汎用性の面において問題がある。
【0010】
本発明は、液化アンモニアを原料として供給しながら水素ガスを製造する際に、液化アンモニアのタンク内の蒸気圧と、分離膜の下流側の圧力との圧力差を設けることで、液化アンモニアを原料として順次生成されるガスが滞ることなく下流側に流れるようにし、その圧力差の一部として、分離膜の上流側と下流側の間の差圧を形成することにより、上記圧力差を形成するための減圧機とは別の減圧機を上記差圧の形成のために用いる必要がなく、加えて、高圧の圧縮機を用いることなく窒素除去を行うことができ、消費される動力が少なく、小型で簡素な水素ガス製造装置を提供し、水素ガス供給装置、燃料電池システム、移動体、及び水素ガス製造方法を提供することを目的とする。
【課題を解決するための手段】
(【0011】以降は省略されています)
この特許をJ-PlatPat(特許庁公式サイト)で参照する
関連特許
株式会社三井E&S
アンモニア改質装置
1か月前
株式会社三井E&S
クレーン及びクレーンの使用方法
14日前
株式会社三井E&S
縦型圧縮機及び縦型圧縮機の製造方法
22日前
株式会社三井E&S
クレーンおよびクレーンの脱輪防止方法
28日前
株式会社三井E&S
内燃機関及び内燃機関における排ガス浄化方法
22日前
株式会社三井E&S
水素ガスの供給方法及び水素ガスの供給システム
25日前
株式会社三井E&S
水素ガスの供給方法及び水素ガスの供給システム
25日前
株式会社三井E&S
水素ガス製造装置、水素ガス供給装置、燃料電池システム、移動体、及び水素ガス製造方法
1か月前
個人
一酸化炭素の製造方法
15日前
株式会社タクマ
固体炭素化設備
1か月前
東洋アルミニウム株式会社
水素発生材料
1日前
東洋アルミニウム株式会社
水素発生材料
1日前
三菱重工業株式会社
加熱装置
1か月前
株式会社トクヤマ
酸性次亜塩素酸水の製造方法
23日前
東ソー株式会社
CHA型ゼオライトの製造方法
1か月前
東ソー株式会社
CHA型ゼオライトの製造方法
1か月前
日揮触媒化成株式会社
珪酸液およびその製造方法
1か月前
デンカ株式会社
窒化ケイ素粉末
1か月前
デンカ株式会社
窒化ケイ素粉末
1か月前
株式会社三井E&S
アンモニア改質装置
1か月前
住友化学株式会社
無機アルミニウム化合物粉末
22日前
三菱ケミカル株式会社
槽の洗浄方法及びシリカ粒子の製造方法
1か月前
デンカ株式会社
窒化ケイ素粉末の製造方法
1か月前
大阪瓦斯株式会社
酸化物複合体
1か月前
浅田化学工業株式会社
アルミナ水分散液の製造方法
14日前
デンカ株式会社
セラミックス粉末の製造方法
1か月前
デンカ株式会社
アルミナ粉末、無機粉末および樹脂組成物
9日前
デンカ株式会社
アルミナ粉末、無機粉末および樹脂組成物
9日前
デンカ株式会社
アルミナ粉末、無機粉末および樹脂組成物
9日前
JFEエンジニアリング株式会社
ドライアイス製造システム
23日前
トヨタ自動車株式会社
光触媒を用いた水素ガス製造装置
1か月前
トヨタ自動車株式会社
光触媒を用いた水素ガス製造装置
1か月前
トヨタ自動車株式会社
光触媒を用いた水素ガス製造装置
1か月前
デンカ株式会社
窒化ホウ素粉末の製造方法
1か月前
大阪瓦斯株式会社
水素製造装置及びその運転方法
1か月前
トヨタ自動車株式会社
光触媒を用いた水素ガス製造装置
1か月前
続きを見る
他の特許を見る