TOP
|
特許
|
意匠
|
商標
特許ウォッチ
Twitter
他の特許を見る
10個以上の画像は省略されています。
公開番号
2025069110
公報種別
公開特許公報(A)
公開日
2025-04-30
出願番号
2024182020
出願日
2024-10-17
発明の名称
タイヤ用吊具
出願人
株式会社キトー
代理人
個人
主分類
B66C
1/30 20060101AFI20250422BHJP(巻上装置;揚重装置;牽引装置)
要約
【課題】タイヤの外周側を保持可能であると共に、タイヤの位置ずれを防いで良好にタイヤを吊り上げることが可能なタイヤ用吊具を提供する。
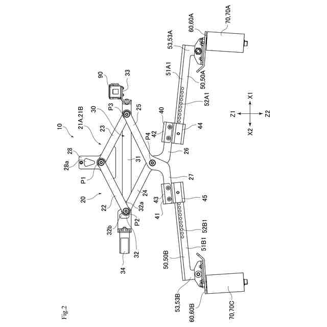
【解決手段】タイヤ用吊具10は、吊り下げ時には上下方向に伸長し、かつ水平方向に収縮する菱形リンク機構20と、菱形リンク機構20に保持される一対のアーム50と、一対のアーム50にそれぞれ取り付けられている一対のローラ支持板60と、一対のローラ支持板60に回転自在に支持され、タイヤを保持する少なくとも3つ以上のクランプローラ部材70とを備え、菱形リンク機構20の水平方向への収縮動作に伴って、クランプローラ部材70はタイヤの外周面に当接すると共に、タイヤを平面視する方向において、少なくとも3つ以上のクランプローラ部材70は、少なくとも3つ以上のクランプローラ部材70の中心またはタイヤとの接点を結んで形成される保持平面内にタイヤの回転中心が位置するように配置されている。
【選択図】図1
特許請求の範囲
【請求項1】
タイヤの外周面を把持して昇降させるためのタイヤ用吊具であって、
昇降装置と接続するための係止部を有すると共に、吊り下げ時には垂直方向に伸長し、かつ水平方向に収縮する菱形リンク機構と、
前記菱形リンク機構に保持される一対のアームと、
一対の前記アームにそれぞれ取り付けられている一対の支持板と、
一対の前記支持板に支持され、前記タイヤの外周面に当接する状態で、当該タイヤを保持する少なくとも3つ以上の保持部材と、
を備え、
それぞれの前記支持板に支持された前記保持部材は、回転自在な少なくとも1つ以上のクランプローラ部材を含み、
前記菱形リンク機構の前記水平方向への収縮動作に伴って、前記保持部材は、前記タイヤの外周面に当接すると共に、
把持される前記タイヤを平面視する方向において、少なくとも3つ以上の前記保持部材は、当該少なくとも3つ以上の前記保持部材の中心または前記タイヤとの接点を結んで形成される保持平面内に前記タイヤの回転中心が位置するように配置されている、
ことを特徴とするタイヤ用吊具。
続きを表示(約 990 文字)
【請求項2】
請求項1に記載のタイヤ用吊具であって、
一方の前記支持板と他方の前記支持板の少なくとも一方に支持された前記保持部材は、タイヤの外周面と面接触する押圧部材を含んでいる、
ことを特徴とするタイヤ用吊具。
【請求項3】
請求項1に記載のタイヤ用吊具であって、
前記タイヤの外周面を把持している状態において、前記保持部材は、下側に向かうにつれて、他の前記保持部材に向かう傾斜角度を有している、
ことを特徴とするタイヤ用吊具。
【請求項4】
請求項1に記載のタイヤ用吊具であって、
一対の前記支持板の一方には、所定間隔離れた状態で一対の前記クランプローラ部材が回転自在に支持されていると共に、
一対の前記支持板の他方には、所定間隔離れた状態で一対の前記クランプローラ部材が回転自在に支持されている、
ことを特徴とするタイヤ用吊具。
【請求項5】
請求項3に記載のタイヤ用吊具であって、
一対の前記アームのそれぞれには、複数の位置決め孔が設けられていて、
前記菱形リンク機構の伸縮による前記保持部材の開閉動作が前記タイヤのサイズに応じ、前記タイヤの外周面を把持している状態の前記傾斜角度が略一定で当該タイヤの挟持及び挟持解除が行えるよう、選択された前記位置決め孔にピン部材を差し込むことで、スライド移動させた前記保持部材の間隔を選択的に規定する、
ことを特徴とするタイヤ用吊具。
【請求項6】
請求項5に記載のタイヤ用吊具であって、
いずれかの前記位置決め孔に前記ピン部材を挿通した挿通状態から、前記位置決め孔から前記ピン部材を引き抜いた退避状態へと、前記ピン部材を変位させることが可能な移動部材と、
前記移動部材を付勢して、前記ピン部材を前記挿通状態に保持する付勢手段と、を有する、
ことを特徴とするタイヤ用吊具。
【請求項7】
請求項6に記載のタイヤ用吊具であって、
前記保持部材には前記移動部材の上方近傍に、前記移動部材を指でつまみながらの前記支持板のスライド移動を容易化するための握りとなるグリップ部材が設けられている、
ことを特徴とするタイヤ用吊具。
発明の詳細な説明
【技術分野】
【0001】
本発明は、タイヤを吊り上げるためのタイヤ用吊具に関する。
続きを表示(約 1,500 文字)
【背景技術】
【0002】
たとえば、タイヤを吊り上げるためのタイヤ用吊具としては、特許文献1および特許文献2に示すような構成が存在している。特許文献1には、タイヤが複数個積み重ねられた状態において、タイヤの内周側に吊具の棒状部を差し込んで、タイヤの内周側からチャッキングし、巻上げフックを介してホイストで吊り上げる構成について開示されている。なお、特許文献2にも、特許文献1と同様の構成が開示されている。
【先行技術文献】
【特許文献】
【0003】
特開平6-312838号公報(図13参照)
実開平5-78686号公報(図6参照)
【発明の概要】
【発明が解決しようとする課題】
【0004】
ところで、特許文献1および特許文献2に開示の構成では、タイヤの内周側からチャッキングする構成となっている。したがって、タイヤの内周側にホイールが取り付けられてしまうと、タイヤを吊り上げることが困難となっている。
【0005】
また、タイヤの外周側から吊り上げるために、タイヤの外周を、一対のクランプ部で挟持する構成を有するタイヤ用吊具を開発したとしても、一対のクランプ部での挟持の際に、タイヤの中心から位置ずれし、良好にタイヤを吊り上げることができない虞がある。
【0006】
本発明は上記の事情に鑑みなされたもので、タイヤの外周側を保持可能であると共に、タイヤの位置ずれを防いで良好にタイヤを吊り上げることが可能なタイヤ用吊具を提供することを目的とする。
【課題を解決するための手段】
【0007】
[1]上記課題を解決するために、本発明の第1の観点によると、タイヤの外周面を把持して昇降させるためのタイヤ用吊具であって、昇降装置と接続するための係止部を有すると共に、吊り下げ時には垂直方向に伸長し、かつ水平方向に収縮する菱形リンク機構と、菱形リンク機構に保持される一対のアームと、一対のアームにそれぞれ取り付けられている一対の支持板と、一対の支持板に支持され、タイヤの外周面に当接する状態で、当該タイヤを保持する少なくとも3つ以上の保持部材と、を備え、それぞれの支持板に支持された保持部材は、回転自在な少なくとも1つ以上のクランプローラ部材を含み、菱形リンク機構の水平方向への収縮動作に伴って、保持部材は、タイヤの外周面に当接すると共に、把持されるタイヤを平面視する方向において、少なくとも3つ以上の保持部材は、当該少なくとも3つ以上の保持部材の中心またはタイヤとの接点を結んで形成される保持平面内にタイヤの回転中心が位置するように配置されている、ことを特徴とするタイヤ用吊具が提供される。
【0008】
[2]また、本発明の他の側面は、上述の[1]記載の発明において、一方の支持板と他方の支持板の少なくとも一方に支持された保持部材は、タイヤの外周面と面接触する押圧部材を含んでいる、ことが好ましい。
【0009】
[3]また、本発明の他の側面は、上述の[1]記載の発明において、タイヤの外周面を把持している状態において、保持部材は、下側に向かうにつれて、他の保持部材に向かう傾斜角度を有している、ことが好ましい。
【0010】
[4]また、本発明の他の側面は、上述の[1]記載の発明において、一対の支持板の一方には、所定間隔離れた状態で一対のクランプローラ部材が回転自在に支持されていると共に、一対の支持板の他方には、所定間隔離れた状態で一対のクランプローラ部材が回転自在に支持されている、ことが好ましい。
(【0011】以降は省略されています)
この特許をJ-PlatPat(特許庁公式サイト)で参照する
関連特許
株式会社キトー
電気チェーンブロック
2日前
個人
自走手摺
2か月前
ユニパルス株式会社
吊具
4か月前
個人
海上コンテナ昇降装置
10か月前
ユニパルス株式会社
吊具装置
10か月前
ユニパルス株式会社
荷役装置
9か月前
水戸工業株式会社
吊り具
6か月前
株式会社豊田自動織機
荷役車両
8か月前
株式会社豊田自動織機
産業車両
1か月前
株式会社豊田自動織機
産業車両
10か月前
株式会社豊田自動織機
荷役車両
9か月前
ユニパルス株式会社
リフト装置
4か月前
株式会社いうら
車椅子用昇降機
2か月前
株式会社伊藤
滑り止め装置
2か月前
大栄産業株式会社
クランプ
4か月前
ユニパルス株式会社
荷役助力装置
3か月前
ユニパルス株式会社
荷役助力装置
5か月前
個人
エアバック式レスキュー用品
5日前
白山工業株式会社
バランサ
6か月前
愛知製鋼株式会社
受け架台
1か月前
株式会社大林組
安全支援システム
1か月前
個人
垂直自動搬送機
1か月前
ユニパルス株式会社
荷役助力装置
4か月前
株式会社ユピテル
システム等
6か月前
個人
建築部材の吊り上げ装置
12か月前
株式会社キトー
タイヤ用吊具
5か月前
株式会社豊田自動織機
フォークリフト
24日前
株式会社豊田自動織機
フォークリフト
7か月前
フジテック株式会社
エレベータ
8か月前
株式会社五十鈴製作所
搬送装置
4か月前
中国計量大学
電子安全クランプ
13日前
大和ハウス工業株式会社
吊上具
2か月前
新英運輸株式会社
自動車用台車
5か月前
中坪造園有限会社
吊り荷降ろし具
4か月前
山崎産業株式会社
手摺り拭用器具
1か月前
有限会社サエキ
玉掛用器具
9か月前
続きを見る
他の特許を見る