TOP
|
特許
|
意匠
|
商標
特許ウォッチ
Twitter
他の特許を見る
公開番号
2025145318
公報種別
公開特許公報(A)
公開日
2025-10-03
出願番号
2024045427
出願日
2024-03-21
発明の名称
半導体集積回路、受信装置、及び受信方法
出願人
キオクシア株式会社
代理人
弁理士法人鈴榮特許綜合事務所
主分類
H04L
7/00 20060101AFI20250926BHJP(電気通信技術)
要約
【課題】受信信号に基づき好適にデータを再生する半導体集積回路、受信装置、及び受信方法を提供する。
【解決手段】実施形態の半導体集積回路は、第1クロック信号に基づいてアナログ信号から第1デジタル値をサンプルする第1コンバータと、第1クロック信号から第1位相シフトした第2クロック信号に基づいてアナログ信号から第2デジタル値をサンプルする第2コンバータと、第3クロック信号が有する第1周波数を動作周波数として用いて、第1デジタル値及び第2デジタル値に基づいて、第1クロック信号及び第2クロック信号の位相ずれを算出する第1処理回路と、第4クロック信号が有する、第1周波数の2
m
倍(mは1以上の整数)の第2周波数を動作周波数として用いて、第1処理回路により算出された位相ずれに基づいて、第1クロック信号及び第2クロック信号の位相ずれを補正する制御信号を生成する第2処理回路と、を備える。
【選択図】図2
特許請求の範囲
【請求項1】
第1クロック信号に基づいてアナログ信号から第1デジタル値をサンプルする第1コンバータと、
前記第1クロック信号から第1位相シフトした第2クロック信号に基づいて前記アナログ信号から第2デジタル値をサンプルする第2コンバータと、
第3クロック信号が有する第1周波数を動作周波数として用いて、前記第1デジタル値及び前記第2デジタル値に基づいて、前記第1クロック信号及び前記第2クロック信号の位相ずれを算出する第1処理回路と、
第4クロック信号が有する、前記第1周波数の2
m
倍(mは1以上の整数)の第2周波数を動作周波数として用いて、前記第1処理回路により算出された前記位相ずれに基づいて、前記第1クロック信号及び前記第2クロック信号の位相ずれを補正する制御信号を生成する第2処理回路と、
を備える半導体集積回路。
続きを表示(約 1,200 文字)
【請求項2】
前記第1処理回路は、
前記第3クロック信号の前記第1周波数を動作周波数として用いて、前記第1デジタル値及び前記第2デジタル値から第1信号及び第2信号をそれぞれ生成する第1回路と、
前記第3クロック信号の前記第1周波数を動作周波数として用いて、前記第1信号及び前記第2信号から前記第1クロック信号及び前記第2クロック信号の前記位相ずれを検出する第2回路と、
を含む、
請求項1に記載の半導体集積回路。
【請求項3】
前記第2処理回路は、
前記第4クロック信号の前記第2周波数を動作周波数として用いて、前記第2回路により検出された前記位相ずれを積算し、前記位相ずれの積算値を算出する第3回路と、
前記第4クロック信号の前記第2周波数を動作周波数として用いて、前記第3回路により算出された前記積算値に応じた前記制御信号を生成する第4回路と、
を含む、
請求項2に記載の半導体集積回路。
【請求項4】
前記制御信号に基づいて、前記第1クロック信号及び前記第2クロック信号の位相ずれを補正するための第3信号を生成する第1回路と、
前記第3信号に基づいて、前記位相ずれが補正された前記第1クロック信号及び前記第2クロック信号を生成する第2回路と、
をさらに備える、
請求項1に記載の半導体集積回路。
【請求項5】
前記第1処理回路は、前記第1デジタル値及び前記第2デジタル値が含むオフセット誤差及びゲイン誤差を補正する回路を含む、
請求項1に記載の半導体集積回路。
【請求項6】
前記第4クロック信号の前記第2周波数は、前記第3クロック信号の前記第1周波数の2倍である、
請求項1に記載の半導体集積回路。
【請求項7】
請求項1乃至請求項6のいずれか1項に記載の半導体集積回路と、
前記半導体集積回路から出力された信号の処理を制御する制御回路と、
を備える、受信装置。
【請求項8】
第1クロック信号に基づいてアナログ信号から第1デジタル値をサンプルすることと、
前記第1クロック信号から第1位相シフトした第2クロック信号に基づいて前記アナログ信号から第2デジタル値をサンプルすることと、
第3クロック信号が有する第1周波数を動作周波数として用いて、前記第1デジタル値及び前記第2デジタル値に基づいて、前記第1クロック信号及び前記第2クロック信号の位相ずれを算出することと、
第4クロック信号が有する、前記第1周波数の2
m
倍(mは1以上の整数)の第2周波数を動作周波数として用いて、算出された前記位相ずれに基づいて、前記第1クロック信号及び前記第2クロック信号の位相ずれを補正する制御信号を生成することと、
を備える、受信方法。
発明の詳細な説明
【技術分野】
【0001】
本発明の実施形態は、半導体集積回路、受信装置、及び受信方法に関する。
続きを表示(約 1,700 文字)
【背景技術】
【0002】
送信装置と受信装置とは伝送路を介して接続される。受信装置は、伝送路を通過した受信信号を受信する。受信装置は、受信信号を処理する半導体集積回路を備える。受信装置は、受信信号に基づき、クロック信号を再生する。受信装置は、再生されたクロック信号に基づき、受信信号からデータを再生する。
【先行技術文献】
【特許文献】
【0003】
特開2023-136009号公報
【発明の概要】
【発明が解決しようとする課題】
【0004】
受信信号に基づき好適にデータを再生する半導体集積回路、受信装置、及び受信方法を提供する。
【課題を解決するための手段】
【0005】
実施形態の半導体集積回路は、第1コンバータと、第2コンバータと、第1処理回路と、第2処理回路とを備える。第1コンバータは、第1クロック信号に基づいてアナログ信号から第1デジタル値をサンプルする。第2コンバータは、第1クロック信号から第1位相シフトした第2クロック信号に基づいてアナログ信号から第2デジタル値をサンプルする。第1処理回路は、第3クロック信号が有する第1周波数を動作周波数として用いて、第1デジタル値及び第2デジタル値に基づいて、第1クロック信号及び第2クロック信号の位相ずれを算出する。第2処理回路は、第4クロック信号が有する、第1周波数の2
m
倍(mは1以上の整数)の第2周波数を動作周波数として用いて、第1処理回路により算出された位相ずれに基づいて、第1クロック信号及び第2クロック信号の位相ずれを補正する制御信号を生成する。
【図面の簡単な説明】
【0006】
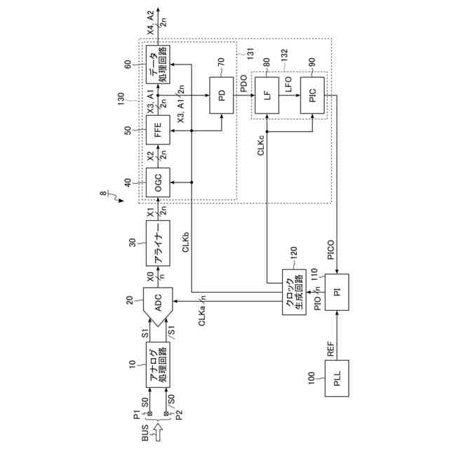
実施形態に係る受信装置を含む情報処理システムの構成の一例を示すブロック図である。
実施形態に係る受信装置における受信回路の構成の一例を示すブロック図である。
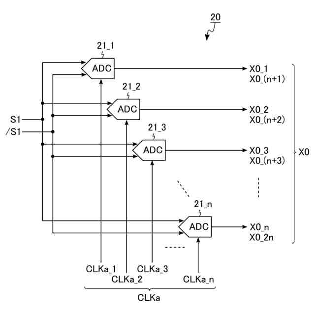
実施形態に係る受信回路におけるADCの構成の一例を示すブロック図である。
実施形態に係る受信回路における位相検出回路の構成の一例を示すブロック図である。
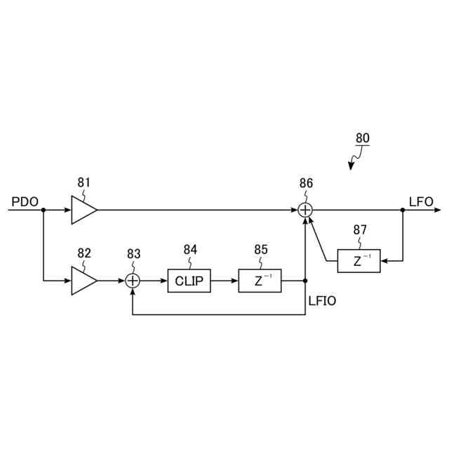
実施形態に係る受信回路におけるループフィルタの構成の一例を示すブロック図である。
実施形態に係る受信装置における受信回路の動作の一例を示すフローチャートである。
実施形態に係るADCにおける信号とクロック信号との関係を示すタイミングチャートである。
比較例のADCにおける信号とクロック信号との関係を示すタイミングチャートである。
【発明を実施するための形態】
【0007】
以下、図面を参照して実施形態について説明する。以下の説明において、同一の機能及び構成を有する構成要素については、共通する参照符号を付し、さらに、共通する参照符号の末尾に文字又は数字を付加する場合がある。また、機能ブロックは、ハードウェア、コンピュータソフトウェアのいずれかまたは両者を組み合わせたものとして実現することができる。機能ブロックが以下の例のように区別されていることは必須ではない。例えば、一部の機能が例示の機能ブロックとは別の機能ブロックによって実行されてもよい。さらに、例示の機能ブロックがさらに細かい機能サブブロックに分割されていてもよい。
【0008】
1.実施形態の構成
実施形態の受信装置の構成について説明する。
【0009】
1.1 情報処理システム
先ず、実施形態の受信装置を含む情報処理システムの構成について説明する。図1は、実施形態の受信装置を含む情報処理システムの構成の一例を示すブロック図である。
【0010】
情報処理システム1は、シリアル通信によって情報を伝送するシステムである。情報処理システム1は、ホストデバイス2及びメモリシステム3を含む。メモリシステム3は、ホストバスBUSを介してホストデバイス2に接続可能である。
(【0011】以降は省略されています)
この特許をJ-PlatPat(特許庁公式サイト)で参照する
関連特許
個人
店内配信予約システム
2か月前
サクサ株式会社
中継装置
2か月前
WHISMR合同会社
収音装置
22日前
アイホン株式会社
電気機器
16日前
キヤノン株式会社
撮像装置
1か月前
キヤノン株式会社
撮像装置
3か月前
キヤノン株式会社
電子機器
2か月前
個人
ワイヤレスイヤホン対応耳掛け
14日前
株式会社リコー
画像形成装置
1か月前
日本精機株式会社
画像投映システム
2か月前
キヤノン電子株式会社
画像読取装置
23日前
株式会社リコー
画像形成装置
1か月前
キヤノン電子株式会社
モバイル装置
2か月前
ヤマハ株式会社
信号処理装置
3か月前
株式会社リコー
画像形成装置
1か月前
電気興業株式会社
無線中継器
3か月前
株式会社ニコン
撮像装置
2か月前
キヤノン株式会社
撮像システム
16日前
ブラザー工業株式会社
読取装置
1か月前
大日本印刷株式会社
写真撮影装置
15日前
キヤノン電子株式会社
シート材搬送装置
1か月前
有限会社フィデリックス
マイクロフォン
今日
パテントフレア株式会社
超高速電波通信
1か月前
株式会社JVCケンウッド
通信システム
今日
国立大学法人電気通信大学
小型光学装置
1か月前
株式会社松平商会
携帯機器カバー
25日前
DXO株式会社
情報処理システム
2か月前
株式会社小糸製作所
画像照射装置
1か月前
沖電気工業株式会社
画像形成装置
4日前
パテントフレア株式会社
水中電波通信法
2か月前
テックス通信株式会社
電話システム
2か月前
日本無線株式会社
無線通信システム
8日前
株式会社JVCケンウッド
スピーカ
23日前
株式会社オーディオテクニカ
受光器
2か月前
個人
外部ヘッダ変換通信装置および通信網
3か月前
日本無線株式会社
無線通信システム
1か月前
続きを見る
他の特許を見る