TOP
|
特許
|
意匠
|
商標
特許ウォッチ
Twitter
他の特許を見る
10個以上の画像は省略されています。
公開番号
2025144114
公報種別
公開特許公報(A)
公開日
2025-10-02
出願番号
2024043732
出願日
2024-03-19
発明の名称
排気システム
出願人
株式会社大気社
代理人
弁理士法人太陽国際特許事務所
主分類
F24F
7/06 20060101AFI20250925BHJP(加熱;レンジ;換気)
要約
【課題】汚染源から発生する汚染空気の状態に応じて汚染空気の排気を効率的に行う。
【解決手段】制御装置10は、排気装置40によって汚染源から発生する汚染空気を排気する際に、状態検出装置30から汚染空気の分布状態を表す分布データを取得し、汚染空気を排気装置40に誘導するように送風装置20から送る噴流状態の空気の風量及び風向の少なくとも一方を、取得した分布データに応じて制御可能とする。
【選択図】図1
特許請求の範囲
【請求項1】
排気装置によって汚染源から発生する汚染空気を排気する際に、状態検出装置から前記汚染空気の分布状態を表す分布データを取得する取得部と、
前記汚染空気を前記排気装置に誘導するように送風装置から送る噴流状態の空気の風量及び風向の少なくとも一方を、前記取得部により取得した前記分布データに応じて制御可能とする制御部と、
を備えた制御装置。
続きを表示(約 1,700 文字)
【請求項2】
前記制御部は、前記取得部により取得した前記分布データに基づいて、前記空気の風量及び風向の少なくとも一方についての制御値を算出し、算出した制御値を提示する制御を行う、
請求項1に記載の制御装置。
【請求項3】
前記汚染空気の分布データを分類する所定のパターンと、前記送風装置が送る空気の風量及び風向の少なくとも一方についての制御値とを対応付けたデータテーブルを更に備え、
前記制御部は、前記取得部により取得した前記分布データを所定のパターン毎に分類し、分類した所定のパターンに対応する制御値を前記データテーブルから特定し、特定した制御値に基づいて、前記空気の風量及び風向の少なくとも一方を制御する、
請求項1に記載の制御装置。
【請求項4】
前記汚染空気の分布データと、前記送風装置が送る空気の風量及び風向の少なくとも一方についての制御値とを対応付けた教師有りデータを用いて機械学習することにより生成され、かつ、入力された分布データに対応する制御値を出力する学習済みモデルを更に備え、
前記制御部は、前記取得部により取得した前記分布データを前記学習済みモデルに入力し、前記学習済みモデルから出力される制御値に基づいて、前記空気の風量及び風向の少なくとも一方を制御する、
請求項1に記載の制御装置。
【請求項5】
前記取得部は、前記汚染源周辺の温度、前記汚染源周辺の湿度、前記汚染空気の移動速度、及び前記汚染空気の物性の少なくとも1つを含む環境情報を更に取得し、
前記制御部は、前記空気の風量及び風向の少なくとも一方を、前記取得部により取得した前記分布データ及び前記環境情報に応じて制御可能とする、
請求項1に記載の制御装置。
【請求項6】
前記制御部は、前記取得部により取得した前記分布データに応じて、前記空気の風量及び風向の少なくとも一方と共に、前記排気装置の前記汚染空気の吸い込み量を制御可能とする、
請求項1に記載の制御装置。
【請求項7】
排気装置によって汚染源から発生する汚染空気を排気する際に、状態検出装置から前記汚染空気の分布状態を表す分布データを取得し、
前記汚染空気を前記排気装置に誘導するように送風装置から送る噴流状態の空気の風量及び風向の少なくとも一方を、取得した前記分布データに応じて制御可能とする、
処理をコンピュータが実行する制御方法。
【請求項8】
排気装置によって汚染源から発生する汚染空気を排気する際に、状態検出装置から前記汚染空気の分布状態を表す分布データを取得し、
前記汚染空気を前記排気装置に誘導するように送風装置から送る噴流状態の空気の風量及び風向の少なくとも一方を、取得した前記分布データに応じて制御可能とする、
処理をコンピュータに実行させるための制御プログラム。
【請求項9】
汚染源から発生する汚染空気を排気する排気装置と、
前記汚染空気を前記排気装置に誘導するように噴流状態の空気を送る送風装置と、
を備える排気システムにおいて、
前記汚染空気の分布状態を検出する状態検出装置と、
前記排気装置によって前記汚染源から発生する前記汚染空気を排気する際に、前記状態検出装置から前記汚染空気の分布状態を表す分布データを取得する取得部と、
前記取得部により取得した前記分布データに応じて、前記送風装置から送る前記空気の風量及び風向の少なくとも一方を制御する制御部と、
を備えた排気システム。
【請求項10】
前記送風装置は、
空気を送る送風ファンと、
前記送風ファンが送る前記空気の風向を規定するノズルと、
前記送風ファンが送る前記空気の風量を変更する風量変更部と、
前記ノズルの向きを変更する風向変更部と、
を含む、
請求項9に記載の排気システム。
(【請求項11】以降は省略されています)
発明の詳細な説明
【技術分野】
【0001】
本開示は、制御装置、制御方法、制御プログラム、及び排気システムに関する。
続きを表示(約 1,500 文字)
【背景技術】
【0002】
工場等の作業現場においては、生産装置等の汚染源から有害物質を含んだ汚染空気が排出される場合がある。一般的に、汚染源の上方には排気装置が設けられ、排気装置によって汚染空気が排気される。
【0003】
汚染空気を排気する技術に関し、例えば、特許文献1には、所望の方向に汚染空気を誘導するための排気補助装置が記載されている。排気補助装置の上方には排気装置が設けられ、排気補助装置の上面に汚染空気を発生する汚染源が載置される。排気補助装置により汚染源の下方から一定量の空気が噴出され、この噴出空気によって汚染空気が上方の排気装置に向けて誘導される。
【先行技術文献】
【特許文献】
【0004】
特開2020-186892号公報
【発明の概要】
【発明が解決しようとする課題】
【0005】
ところで、上記特許文献1に記載の技術によれば、排気補助装置と排気装置との間には一定の空間があり、汚染空気はこの空間を下方から上方に向けて移動するため、この空間の側方から気流による外乱があると、汚染空気が側方に流されて、排気装置によって捕捉することが困難となる。このため、排気装置が汚染空気を捕捉可能なように、汚染空気の状態に係わらず排気補助装置は常に所定以上の風量で運転する必要があり、省エネルギー性の観点から効率的ではない場合がある。
【0006】
本開示は、上記の点に鑑みてなされたものであり、汚染源から発生する汚染空気の状態に応じて汚染空気の排気を効率的に行うことができる制御装置、制御方法、制御プログラム、及び排気システムを提供することを目的とする。
【課題を解決するための手段】
【0007】
本開示の一態様に係る制御装置は、排気装置によって汚染源から発生する汚染空気を排気する際に、状態検出装置から前記汚染空気の分布状態を表す分布データを取得する取得部と、前記汚染空気を前記排気装置に誘導するように送風装置から送る噴流状態の空気の風量及び風向の少なくとも一方を、前記取得部により取得した前記分布データに応じて制御可能とする制御部と、を備える。
【0008】
この態様によれば、汚染源から発生する汚染空気の状態に応じて汚染空気の排気を効率的に行うことができる。
【発明の効果】
【0009】
本開示によれば、汚染源から発生する汚染空気の状態に応じて汚染空気の排気を効率的に行うことができる。
【図面の簡単な説明】
【0010】
第1の実施形態に係る排気システムの構成の一例を概略的に示す側面図である。
第1の実施形態に係る制御装置のハードウェア構成の一例を示すブロック図である。
第1の実施形態に係る制御装置の機能的な構成の一例を示すブロック図である。
(A)は送風装置に状態検出装置が一体で設けられた構成の一例を概略的に示す図である。(B)は(A)に示す複数台の送風装置が生産装置を囲んで90度おきに配置された状態を示す平面図である。
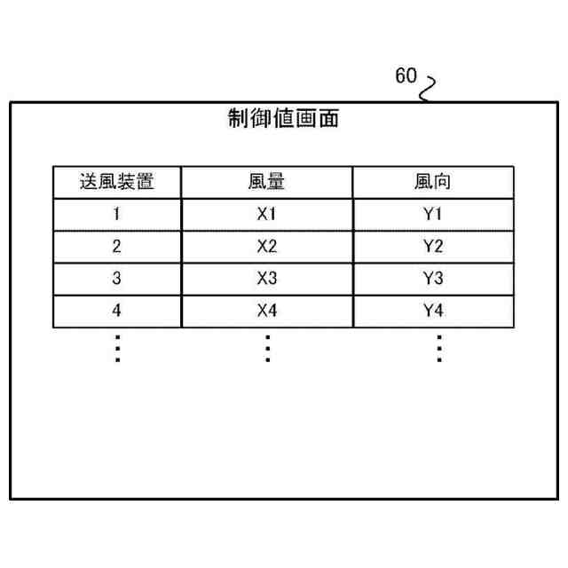
実施形態に係る制御値画面の一例を示す正面図である。
実施形態に係るデータテーブルの一例を示す図である。
実施形態に係る学習済みモデルの一例を示す図である。
第1の実施形態に係る制御プログラムによる処理の流れの一例を示すフローチャートである。
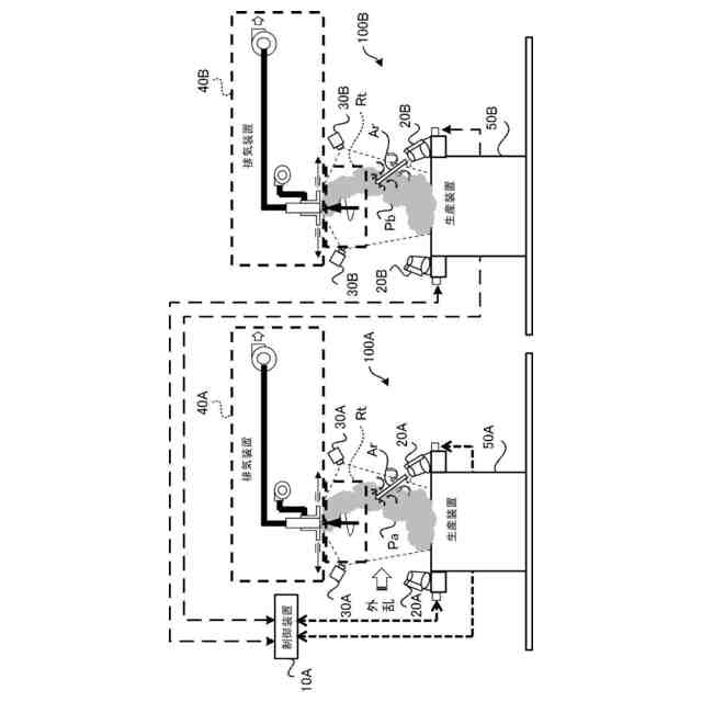
第2の実施形態に係る複数の排気システムが並ぶ構成の一例を概略的に示す側面図である。
【発明を実施するための形態】
(【0011】以降は省略されています)
この特許をJ-PlatPat(特許庁公式サイト)で参照する
関連特許
株式会社大気社
排気システム
1か月前
株式会社大気社
気体処理装置
1か月前
株式会社大気社
二酸化炭素回収装置
1か月前
株式会社大気社
二酸化炭素回収装置
1か月前
株式会社大気社
送風装置及び気体処理装置
1か月前
株式会社大気社
剥離装置、剥離装置の制御方法及びプログラム
1か月前
株式会社大気社
研磨材分離装置、研磨材分離装置の制御方法及びプログラム
1か月前
個人
集熱器具
19日前
株式会社トヨトミ
五徳
1か月前
株式会社コロナ
空調装置
3か月前
株式会社コロナ
空調装置
2か月前
株式会社コロナ
空調装置
1か月前
株式会社コロナ
空調装置
1か月前
株式会社コロナ
空調装置
1か月前
株式会社コロナ
給湯装置
3か月前
個人
油ハネ防止カーテン
22日前
株式会社コロナ
加湿装置
2か月前
株式会社コロナ
空調装置
1か月前
個人
UFO型空気清浄機
7日前
個人
住宅換気空調システム
3か月前
株式会社コロナ
空気調和機
3か月前
株式会社コロナ
空気調和機
3か月前
個人
太陽光パネル傾斜装置
1か月前
株式会社コロナ
風呂給湯機
2か月前
ホーコス株式会社
排気フード
3か月前
株式会社コロナ
貯湯式給湯機
1か月前
株式会社コロナ
直圧式給湯機
4か月前
株式会社コロナ
温水暖房装置
1か月前
株式会社コロナ
暖房システム
1か月前
株式会社パロマ
給湯器
4か月前
株式会社コロナ
直圧式給湯機
3か月前
株式会社コロナ
貯湯式給湯機
2か月前
個人
シンプルクーラー
1か月前
ホーコス株式会社
換気扇取付枠
2か月前
株式会社コロナ
輻射式冷房装置
3か月前
三菱電機株式会社
換気扇
1か月前
続きを見る
他の特許を見る