TOP
|
特許
|
意匠
|
商標
特許ウォッチ
Twitter
他の特許を見る
10個以上の画像は省略されています。
公開番号
2025143736
公報種別
公開特許公報(A)
公開日
2025-10-02
出願番号
2024043126
出願日
2024-03-19
発明の名称
電力変換装置、電力変換装置の制御プログラム及び電力変換装置の制御方法
出願人
株式会社デンソー
,
株式会社SOKEN
代理人
個人
,
個人
,
個人
,
個人
,
個人
主分類
H02J
7/02 20160101AFI20250925BHJP(電力の発電,変換,配電)
要約
【課題】システムにおける電力損失を低減することができる電力変換装置を提供する。
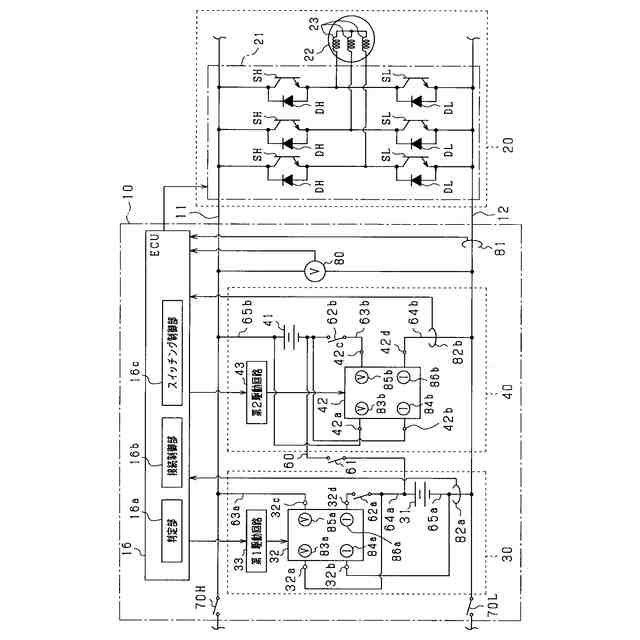
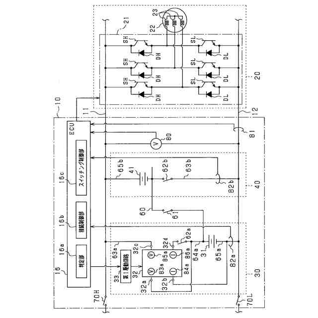
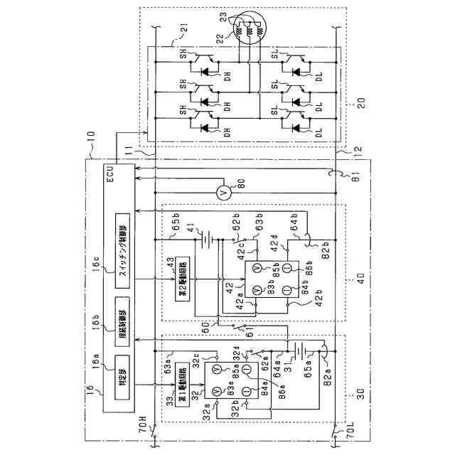
【解決手段】電力変換装置は、電力変換システム10に適用され、高電位側経路11と、低電位側経路12と、各モジュール経路63a~65a,63b~65bと、第1,第2並列接続スイッチ62a,62bと、直列接続経路60と、直列接続スイッチ61と、第1,第2電力変換器32,42とを備えている。直列接続スイッチ61がオンされ、かつ各並列接続スイッチ62a,62bがオフされた状態において、第1,第2蓄電池モジュール30,40が直列接続される。各電力変換器32,42は、各蓄電池モジュール30,40が直列接続された状態において、各電力変換器32,42の2次側端子対と、各蓄電池31,41とが電気的に遮断されるように設けられている。
【選択図】 図1
特許請求の範囲
【請求項1】
複数の蓄電部(31,41,51)を備えるシステム(10)に適用される電力変換装置において、
複数の前記蓄電部の正極側を接続する正極経路(11,63a,64a,65b,65c,263b,264b)と、
複数の前記蓄電部の負極側を接続する負極経路(12,63b,63c,64b,64c,65a,265b)と、
複数の前記蓄電部ごとに、前記正極経路及び前記負極経路のうち少なくとも一方に設けられた並列接続スイッチ(62a,62b,62c,62d,262b,362a,362b,362c,362d)と、
複数の前記蓄電部を直列接続する直列接続経路(60,60a,60b)と、
前記直列接続経路に設けられた直列接続スイッチ(61,61a,61b)と、
複数の前記蓄電部のうち少なくとも1つの特定蓄電部(31,41,51)に対応して設けられ、1次側端子対及び2次側端子対を有する電力変換器(32,42,52,242)と、
を備え、
前記電力変換器の前記1次側端子対が前記特定蓄電部に対して並列接続され、
前記電力変換器の前記2次側端子対が前記特定蓄電部に対して直列接続され、
前記直列接続スイッチがオフされ、かつ前記並列接続スイッチがオンされた状態において、前記正極経路、前記負極経路及び前記電力変換器を介して複数の前記蓄電部が並列接続され、
前記直列接続スイッチがオンされ、かつ前記並列接続スイッチがオフされた状態において、前記直列接続経路を介して複数の前記蓄電部が直列接続され、
前記電力変換器は、複数の前記蓄電部が直列接続された状態において、前記2次側端子対と、複数の前記蓄電部とが電気的に遮断されるように設けられている、電力変換装置。
続きを表示(約 2,000 文字)
【請求項2】
前記特定蓄電部は、複数の前記蓄電部の直列接続体において最も低電位側の低電位蓄電部(31)であり、
前記電力変換器(32)の前記2次側端子対は、前記正極経路のうち前記特定蓄電部の正極側を介して、前記特定蓄電部に対して直列接続される、請求項1に記載の電力変換装置。
【請求項3】
前記特定蓄電部は、複数の前記蓄電部の直列接続体において最も高電位側の高電位蓄電部(41)であり、
前記電力変換器(42)の前記2次側端子対は、前記負極経路のうち前記特定蓄電部の負極側を介して、前記特定蓄電部に対して直列接続される、請求項1に記載の電力変換装置。
【請求項4】
前記システムは、少なくとも3つの前記蓄電部を備え、
前記特定蓄電部は、前記各蓄電部の直列接続体において、最も低電位側の低電位蓄電部(31)と最も高電位側の高電位蓄電部(41)との間において接続される中間蓄電部(51)であり、
前記電力変換器(52)の前記2次側端子対は、前記負極経路のうち前記特定蓄電部の負極側と、前記正極経路のうち前記特定蓄電部の正極側とのうちいずれか一方を介して、前記特定蓄電部に対して直列接続される、請求項1に記載の電力変換装置。
【請求項5】
複数の前記蓄電部は、前記正極経路及び前記負極経路を介して高圧負荷(20)に接続されており、
前記電力変換器の前記2次側端子対は、前記蓄電部の電圧よりも低い電圧が供給されることにより動作する低圧負荷(100)に並列接続可能とされており、
前記並列接続スイッチ(362a,362b,362c,362d)は、
前記正極経路及び前記負極経路のうち、前記電力変換器の前記2次側端子対の一方及び前記特定蓄電部を接続する経路(63b,64a)と、
前記正極経路及び前記負極経路のうち、前記電力変換器の前記2次側端子対の他方及び前記高圧負荷を接続する経路(63a,64b)と、
に設けられている、請求項2~4のいずれか1項に記載の電力変換装置。
【請求項6】
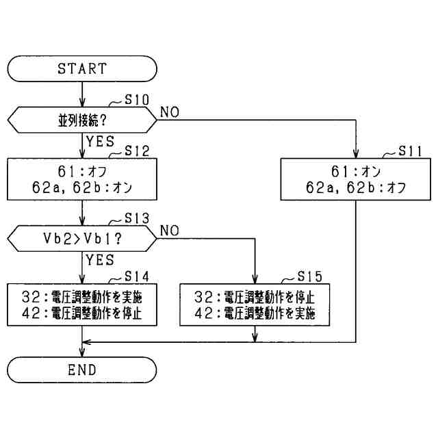
前記システムに対する要求に基づいて、複数の前記蓄電部を並列接続状態及び直列接続状態のうちいずれにするかを判定する判定部(16a)と、
前記判定部の判定結果に基づいて、複数の前記蓄電部が並列接続された状態及び複数の前記蓄電部が直列接続された状態のいずれかとすべく、前記直列接続スイッチ及び前記並列接続スイッチを制御する接続制御部(16b)と、
複数の前記蓄電部が並列接続された場合に、複数の前記蓄電部の間の電圧差を調整するための前記電力変換器のスイッチング制御を行うスイッチング制御部(16c)と、
を備える、請求項1~4のいずれか1項に記載の電力変換装置。
【請求項7】
前記特定蓄電部は、複数の前記蓄電部のうち少なくとも2つであり、
前記スイッチング制御部は、複数の前記蓄電部の電圧に基づいて、前記スイッチング制御を行う前記電力変換器を選択する、請求項6に記載の電力変換装置。
【請求項8】
前記特定蓄電部は、複数の前記蓄電部のうち少なくとも2つであり、
前記各電力変換器の2次側端子対は、負荷(100)に並列接続可能とされており、
前記スイッチング制御部は、複数の前記蓄電部が並列接続された場合に、
複数の前記蓄電部のうち他の蓄電部よりも電圧が低い前記特定蓄電部に対応する前記電力変換器である調整用電力変換器において、複数の前記蓄電部の間の電位差を調整するための前記スイッチング制御を行い、
前記各電力変換器のうち前記調整用電力変換器とは別の電力変換器において、前記負荷に電力を供給するための前記スイッチング制御を行う、請求項6に記載の電力変換装置。
【請求項9】
前記各電力変換器の2次側端子対が、負荷(100)に並列接続可能とされており、
前記スイッチング制御部は、複数の前記蓄電部が直列接続された場合に、前記各電力変換器のうち2次側端子対を前記負荷に並列接続した電力変換器において、前記負荷に電力を供給するための前記スイッチング制御を行う、請求項6に記載の電力変換装置。
【請求項10】
前記特定蓄電部は、複数の前記蓄電部のうち少なくとも2つであり、
前記スイッチング制御部は、複数の前記蓄電部が直列接続された状態において、前記負荷の要求電力が低い場合、前記要求電力が高い場合に比べて、前記負荷に電力供給するための前記スイッチング制御を行う電力変換器の数を少なくする、請求項9に記載の電力変換装置。
(【請求項11】以降は省略されています)
発明の詳細な説明
【技術分野】
【0001】
本開示は、電力変換装置、電力変換装置の制御プログラム及び電力変換装置の制御方法に関する。
続きを表示(約 1,700 文字)
【背景技術】
【0002】
従来、複数の蓄電池を備えるシステムに適用される電力変換装置が知られている。電力変換装置は、各蓄電池の間の電力変換を行う。このような技術の例として、特許文献1に開示された技術が挙げられる。
【先行技術文献】
【特許文献】
【0003】
特開2022-23722号公報
【発明の概要】
【発明が解決しようとする課題】
【0004】
複数の蓄電部を備えるシステムにおいて、電力変換装置における導通損失の発生に起因して、電力損失が増大することが懸念される。
【0005】
本開示の目的は、システムにおける電力損失を低減することができる電力変換装置、電力変換装置の制御プログラム及び電力変換装置の制御方法を提供することである。
【課題を解決するための手段】
【0006】
本開示は、
複数の蓄電部を備えるシステムに適用される電力変換装置において、
複数の前記蓄電部の正極側を接続する正極経路と、
複数の前記蓄電部の負極側を接続する負極経路と、
複数の前記蓄電部ごとに、前記正極経路及び前記負極経路のうち少なくとも一方に設けられた並列接続スイッチと、
複数の前記蓄電部を直列接続する直列接続経路と、
前記直列接続経路に設けられた直列接続スイッチと、
複数の前記蓄電部のうち少なくとも1つの特定蓄電部に対応して設けられ、1次側端子対及び2次側端子対を有する電力変換器と、
を備え、
前記電力変換器の前記1次側端子対が前記特定蓄電部に対して並列接続され、
前記電力変換器の前記2次側端子対が前記特定蓄電部に対して直列接続され、
前記直列接続スイッチがオフされ、かつ前記並列接続スイッチがオンされた状態において、前記正極経路、前記負極経路及び前記電力変換器を介して複数の前記蓄電部が並列接続され、
前記直列接続スイッチがオンされ、かつ前記並列接続スイッチがオフされた状態において、前記直列接続経路を介して複数の前記蓄電部が直列接続され、
前記電力変換器は、複数の前記蓄電部が直列接続された状態において、前記2次側端子対と、前記各蓄電部とが電気的に遮断されるように設けられている。
【0007】
上述したシステムにおいて、直列接続スイッチがオフされ、かつ並列接続スイッチがオンされた状態では、正極経路、負極経路及び電力変換器を介して複数の蓄電部が並列接続される。この場合に、電力変換器は、蓄電部に対して直列接続された2次側端子対の電圧を制御するのに用いられる。
【0008】
一方、直列接続スイッチがオンされ、かつ並列接続スイッチがオフされた状態では、直列接続経路を介して複数の蓄電部が直列接続される。これにより、各蓄電部の直列接続体の電圧が出力可能とされる。
【0009】
ここで、複数の蓄電部が直列接続される場合では、電力変換器の動作が不要とされ得る。しかしながら、本開示とは異なり、各蓄電部の直列接続体の通電経路に、電力変換器の2次側端子対及び蓄電部を直列接続する経路が含まれる構成では、電力変換器に不要な電流が流れ得る。そのため、電力変換器における導通損失が発生し、システムにおいて電力損失が増大することが懸念される。
【0010】
そこで、本開示では、電力変換器が、複数の蓄電部のうち少なくとも1つの特定蓄電部に対応して設けられる。電力変換器の2次側端子対が、特定蓄電部に対して直列接続される。そして、電力変換器は、複数の蓄電部が直列接続された状態において、2次側端子対と、各蓄電部とが電気的に遮断されるように設けられている。これにより、各蓄電部の直列接続体の通電電流が電力変換器に流れることを抑制でき、電力変換器における導通損失の発生を抑制できる。そのため、システムにおける電力損失を低減することができる。
【図面の簡単な説明】
(【0011】以降は省略されています)
この特許をJ-PlatPat(特許庁公式サイト)で参照する
関連特許
株式会社デンソーウェーブ
筐体
6日前
株式会社デンソー
回転機
6日前
株式会社デンソー
車載器
19日前
株式会社デンソー
接合体
1か月前
株式会社デンソー
電子装置
14日前
株式会社デンソーエレクトロニクス
発音装置
23日前
株式会社デンソー
電子装置
23日前
株式会社デンソー
ねじ部材
19日前
株式会社デンソー
ステータ
1か月前
株式会社デンソー
検出装置
5日前
株式会社デンソー
電子装置
13日前
株式会社デンソー
太陽電池
1か月前
株式会社デンソー
ステータ
19日前
株式会社デンソー
ステータ
19日前
株式会社デンソーエレクトロニクス
発音装置
1か月前
株式会社デンソー
反力装置
13日前
株式会社デンソー
ステータ
1か月前
株式会社デンソー
電流センサ
6日前
株式会社デンソー
半導体装置
19日前
株式会社デンソー
レーダ装置
12日前
株式会社デンソー
農業用装置
15日前
株式会社デンソーテン
インバータ
13日前
株式会社デンソー
レーダ装置
23日前
株式会社デンソー
半導体装置
1日前
株式会社デンソー
ステータコア
26日前
株式会社デンソー
電圧検出回路
15日前
株式会社デンソーテン
車載映像装置
19日前
株式会社デンソー
電子制御装置
19日前
株式会社デンソー
電力変換装置
15日前
株式会社デンソー
小型電動車両
1か月前
株式会社デンソー
電力変換装置
19日前
株式会社デンソー
車両制御装置
13日前
株式会社デンソー
制御システム
26日前
株式会社デンソー
運航管理装置
12日前
株式会社デンソー
電圧変換回路
1か月前
株式会社デンソー
通信システム
1か月前
続きを見る
他の特許を見る