TOP
|
特許
|
意匠
|
商標
特許ウォッチ
Twitter
他の特許を見る
10個以上の画像は省略されています。
公開番号
2025143124
公報種別
公開特許公報(A)
公開日
2025-10-01
出願番号
2024042879
出願日
2024-03-18
発明の名称
便器装置
出願人
株式会社LIXIL
代理人
個人
,
個人
,
個人
主分類
E03D
9/08 20060101AFI20250924BHJP(上水;下水)
要約
【課題】騒音の発生を抑制する便器装置を提供すること。
【解決手段】便器装置1は、便器本体2の後部に配置され、衛生洗浄装置4を有する機能部3と、衛生洗浄装置4の動作を制御する制御部6と、を備え、衛生洗浄装置4は、人体を洗浄する洗浄水を吐出するノズル41を洗浄するノズル洗浄部43と、ノズル41が進退する機能部3の開放部分33aを開閉するシャッター部42を洗浄するシャッター洗浄部44と、を有し、制御部6は、ノズル洗浄部43及びシャッター洗浄部44の両方に同時に通水することで、ノズル洗浄部43に給水するノズル洗浄用水回路131及びシャッター洗浄部44に給水するシャッター洗浄用水回路132のエアを抜くエア抜き制御を実行する。
【選択図】図11
特許請求の範囲
【請求項1】
便器本体の後部に配置され、衛生洗浄装置を有する機能部と、
前記衛生洗浄装置の動作を制御する制御部と、を備え、
前記衛生洗浄装置は、
人体を洗浄する洗浄水を吐出するノズルを洗浄するノズル洗浄部と、
前記ノズルが進退する前記機能部の開放部分を開閉するシャッター部を洗浄するシャッター洗浄部と、を有し、
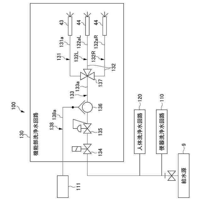
前記制御部は、前記ノズル洗浄部及び前記シャッター洗浄部の両方に同時に通水することで、前記ノズル洗浄部に給水するノズル洗浄用水回路及び前記シャッター洗浄部に給水するシャッター洗浄用水回路のエアを抜くエア抜き制御を実行する、便器装置。
続きを表示(約 790 文字)
【請求項2】
前記ノズル洗浄用水回路に連通するノズル洗浄部用連通孔と、前記シャッター洗浄用水回路に連通するシャッター洗浄部用連通孔と、に接続される給水路の流路を切替える切替弁をさらに有し、
前記制御部は、前記切替弁を、前記ノズル洗浄部用連通孔及び前記シャッター洗浄部用連通孔の両方に通水可能に動作させる前記エア抜き制御を実行する、請求項1に記載の便器装置。
【請求項3】
便器本体の後部に配置され、衛生洗浄装置を有する機能部と、
前記衛生洗浄装置の動作を制御する制御部と、を備え、
前記衛生洗浄装置は、
人体を洗浄する洗浄水を吐出するノズルを洗浄するノズル洗浄部と、
前記ノズルが進退する前記機能部の開放部分を開閉するシャッター部を洗浄するシャッター洗浄部と、を有し、
前記制御部は、前記シャッター洗浄部に給水するシャッター洗浄用水回路に通水した後、前記ノズル洗浄部に給水するノズル洗浄用水回路に通水することで、前記ノズル洗浄用水回路及び前記シャッター洗浄用水回路のエアを抜くエア抜き制御を実行する、便器装置。
【請求項4】
大気開放されるバキュームブレーカーをさらに有し、
前記制御部は、前記ノズルの洗浄後に、前記切替弁を介して、前記ノズル洗浄用水回路と前記バキュームブレーカーと接続させるか、又は、
前記シャッター部の洗浄後に、前記切替弁を介して、前記シャッター洗浄用水回路と前記バキュームブレーカーとを接続させる、水抜き制御を実行する、請求項2に記載の便器装置。
【請求項5】
前記機能部に配置され、前記便器本体側へ温風を送風可能な温風乾燥装置をさらに有し、
前記制御部は、前記水抜き制御の間、前記温風乾燥装置の作動を禁止する、請求項4に記載の便器装置。
発明の詳細な説明
【技術分野】
【0001】
本発明は、便器装置に関する。
続きを表示(約 1,800 文字)
【背景技術】
【0002】
従来、人体の局部を洗浄する衛生洗浄装置が設けられた便器装置が知られている。衛生洗浄装置は、人体を洗浄するノズルと、ノズル自体を洗浄するノズル洗浄部を有し、ノズル洗浄部には、複数の吐水孔が設けられて洗浄水をノズルに吐水するように構成されている(例えば、特許文献1参照)。
【先行技術文献】
【特許文献】
【0003】
特開2020-117900号公報
【発明の概要】
【発明が解決しようとする課題】
【0004】
ノズル洗浄部等には、使用しない間は内部に空気が滞留している。この滞留した空気が、使用時に吐水される際に、供給される洗浄水で押されて圧力がかかり、吐水孔を通過する際に音が発生し、異音が生じる場合があった。
【課題を解決するための手段】
【0005】
本発明は、便器本体の後部に配置され、衛生洗浄装置を有する機能部と、前記衛生洗浄装置の動作を制御する制御部と、を備え、前記衛生洗浄装置は、人体を洗浄する洗浄水を吐出するノズルを洗浄するノズル洗浄部と、前記ノズルが進退する前記機能部の開放部分を開閉するシャッター部を洗浄するシャッター洗浄部と、を有し、前記制御部は、前記ノズル洗浄部及び前記シャッター洗浄部の両方に同時に通水することで、前記ノズル洗浄部に給水するノズル洗浄用水回路及び前記シャッター洗浄部に給水するシャッター洗浄用水回路のエアを抜くエア抜き制御を実行する、便器装置に関する。
【0006】
本発明は、便器本体の後部に配置され、衛生洗浄装置を有する機能部と、前記衛生洗浄装置の動作を制御する制御部と、を備え、前記衛生洗浄装置は、人体を洗浄する洗浄水を吐出するノズルを洗浄するノズル洗浄部と、前記ノズルが進退する前記機能部の開放部分を開閉するシャッター部を洗浄するシャッター洗浄部と、を有し、前記制御部は、前記シャッター洗浄部に給水するシャッター洗浄用水回路に通水した後、前記ノズル洗浄部に給水するノズル洗浄用水回路に通水することで、前記ノズル洗浄用水回路及び前記シャッター洗浄用水回路のエアを抜くエア抜き制御を実行する、便器装置に関する。
【図面の簡単な説明】
【0007】
本実施形態の便器装置の斜視図である。
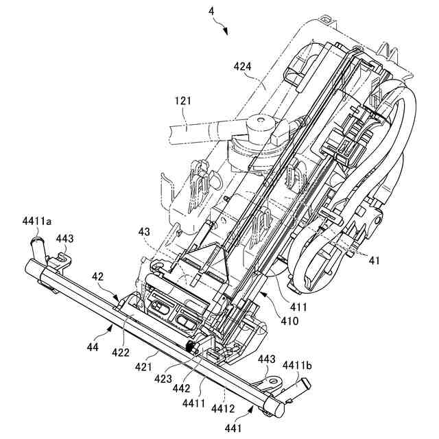
本実施形態の機能部の斜視図である。
本実施形態のノズルユニット、シャッター部及びシャッター洗浄部の斜視図である。
本実施形態の洗浄ノズルの先端近傍の縦断面図である。
本実施形態の機能部の前側を裏面から見た部分斜視図である。
本実施形態の便器装置における水回路のブロック図である。
本実施形態の切替弁、バキュームブレーカー及びホースを示す斜視図である。
本実施形態の切替弁の展開図である。
本実施形態の切替弁のケースを内側から見た正面図である。
図8のA-A線切断面を示す図である。
図10の状態からディスクを回転させた状態を示す図である。
本実施形態のノズル洗浄用水回路を通水した状態を示す図である。
本実施形態のエア抜き制御を示す図である。
本実施形態のシャッター洗浄用水回路を通水した状態示す図である。
本実施形態のシャッター洗浄用水回路における水抜き制御を示す図である。
本実施形態のノズル洗浄用水回路における水抜き制御を示す図である。
【発明を実施するための形態】
【0008】
以下、本開示の実施形態について、図面を参照しながら詳細に説明する。以下の説明において、便座21に着座した使用者から見た場合の前後の向きを前後方向Yとする。便座21に着座した使用者から見た場合の左右の向きを左右方向Xとする。便器装置1が設置される床面に対する鉛直方向に沿う上下の向きを上下方向Zとする。
【0009】
図1に示すように、本実施形態に係る便器装置1は、便器本体2と、便座21と、便蓋22と、機能部3と、衛生洗浄装置4(図2及び図3参照)と、制御部6(図2参照)と、を備える。
【0010】
便器本体2は、前部側に上方が開口したボウル部20aを有する。便器本体2の後部の下方内部には、便器本体2を洗浄する便器洗浄水を貯水する便器洗浄タンク111が配置されている。
(【0011】以降は省略されています)
この特許をJ-PlatPat(特許庁公式サイト)で参照する
関連特許
株式会社LIXIL
カーテンウォール
15日前
株式会社LIXIL
カーテンウォール
15日前
株式会社LIXIL
カバー材及び改装建具
2日前
株式会社LIXIL
カバー材及び改装建具
2日前
株式会社LIXIL
カバー材及び改装建具
2日前
株式会社LIXIL
混合装置及び水回り装置
8日前
株式会社LIXIL
支援装置、支援プログラム、及び方法
18日前
株式会社LIXIL
床モジュール、床構造体及び床構造体の施工方法
11日前
株式会社LIXIL
管理装置、管理方法、及びコンピュータプログラム
2日前
株式会社LIXIL
管理装置、管理方法、及びコンピュータプログラム
2日前
株式会社LIXIL
管理装置、管理方法、及びコンピュータプログラム
2日前
株式会社LIXIL
屋根構造体
17日前
株式会社LIXIL
制御装置、コンピュータプログラム、調整方法、及び、制御システム
8日前
株式会社LIXIL
吐水システム、浴室ユニット、コンピュータプログラム及び制御方法
16日前
大和ハウス工業株式会社
外壁の断熱改修構造および外壁の断熱改修方法
8日前
株式会社LIXIL
制御装置、混合装置ユニット、水回り装置、コンピュータプログラム、及び制御方法
8日前
株式会社LIXIL
制御装置、混合装置ユニット、水回り装置、コンピュータプログラム、及び制御方法
8日前
個人
蛇口
4か月前
個人
ドクター中まミズつクル
1か月前
TOTO株式会社
トイレ装置
25日前
株式会社田中設備
蓋体
17日前
ヒロテツ工業株式会社
溝カバー
4か月前
株式会社タカギ
水栓装置
4か月前
TOTO株式会社
排水システム
23日前
TOTO株式会社
排水システム
23日前
株式会社KVK
水栓
2か月前
ミサワホーム株式会社
外構
22日前
株式会社KVK
水栓
2か月前
TOTO株式会社
便座装置
1か月前
タイガースポリマー株式会社
側溝
1か月前
株式会社KVK
水栓
2か月前
株式会社KVK
水栓
11日前
TOTO株式会社
トイレ装置
1か月前
TOTO株式会社
トイレ装置
1か月前
TOTO株式会社
トイレ装置
1か月前
株式会社大林組
雨水桝蓋
4か月前
続きを見る
他の特許を見る