TOP
|
特許
|
意匠
|
商標
特許ウォッチ
Twitter
他の特許を見る
公開番号
2025142870
公報種別
公開特許公報(A)
公開日
2025-10-01
出願番号
2024042465
出願日
2024-03-18
発明の名称
振動発生装置
出願人
株式会社アイシン
代理人
個人
,
個人
主分類
A61H
7/00 20060101AFI20250924BHJP(医学または獣医学;衛生学)
要約
【課題】空気袋を用いて、ユーザに対して振動を与えることができる振動発生装置を提供する。
【解決手段】空気圧システム20は、空気の供給に伴い膨張する一方で空気の排出に伴い収縮する空気袋21と、空気袋21に向けて空気を送出するポンプ22と、開度に応じた量の空気を空気袋21から排出させる排気弁28と、排気弁28の開度を制御する制御部34と、を備える。制御部34は、排気弁28の開度を「0」よりも大きな開度であって空気袋21を膨張させる開度である給気開度とする状態と、排気弁28の開度を給気開度よりも大きな開度であって空気袋21を収縮させる開度である排気開度とする状態と、を交互に切り換える。
【選択図】図2
特許請求の範囲
【請求項1】
ユーザが着座するシートに内蔵され、空気の供給に伴い膨張する一方で空気の排出に伴い収縮する空気袋と、
前記空気袋に向けて空気を送出するポンプと、
開度に応じた量の空気を前記空気袋から排出させる排気弁と、
前記排気弁の開度を制御する制御部と、を備え、
前記制御部は、前記排気弁の開度を「0」よりも大きな開度であって前記空気袋を膨張させる開度である給気開度とする状態と、前記排気弁の開度を前記給気開度よりも大きな開度であって前記空気袋を収縮させる開度である排気開度とする状態と、を交互に切り換える
振動発生装置。
続きを表示(約 470 文字)
【請求項2】
前記シートにおける前記空気袋を内蔵する部分に対するユーザの接触圧力を検出し、前記接触圧力に応じた検出信号を前記制御部に送信する圧力センサをさらに備え、
前記制御部は、前記接触圧力が低い場合には、前記接触圧力が高い場合よりも、前記給気開度及び前記排気開度の少なくとも一方を小さくする
請求項1に記載の振動発生装置。
【請求項3】
前記ポンプは、空気の送出量が周期的に変化するものであって、
前記制御部は、前記ポンプの前記送出量の周期的な変化に合わせて前記排気弁の開度を前記給気開度及び前記排気開度に切り換える
請求項1又は請求項2に記載の振動発生装置。
【請求項4】
前記ポンプの前記送出量が相対的に多い期間を増大期間とし、前記ポンプの前記送出量が相対的に少ない期間を減少期間としたとき、
前記制御部は、前記増大期間では前記排気弁の開度を前記給気開度とし、前記減少期間では前記排気弁の開度を前記排気開度とする
請求項3に記載の振動発生装置。
発明の詳細な説明
【技術分野】
【0001】
本発明は、振動発生装置に関する。
続きを表示(約 1,500 文字)
【背景技術】
【0002】
特許文献1には、車両用シートが記載されている。シートは、ユーザの臀部及び脚部を支持するシートクッションと、ユーザの背中を支持するシートバックと、を備える。さらに、シートは、シートクッション及びシートバックに内蔵される複数の空気袋と、複数の空気袋に向けて空気を送出するポンプと、複数の空気袋とポンプとの接続態様を切り換えるバルブ装置と、を備える。シートにおいて、ポンプとバルブ装置とが制御されることにより、複数の空気袋が膨張したり収縮したりする。こうして、シートは、ユーザの身体部位のうちシートクッション又はシートバックに接する部分をマッサージする。
【先行技術文献】
【特許文献】
【0003】
特開2021-45280号公報
【発明の概要】
【発明が解決しようとする課題】
【0004】
上記のようなシートは、空気袋を用いたユーザに対する入力を多様化することが望まれている。
【課題を解決するための手段】
【0005】
上記課題を解決する振動発生装置は、ユーザが着座するシートに内蔵され、空気の供給に伴い膨張する一方で空気の排出に伴い収縮する空気袋と、前記空気袋に向けて空気を送出するポンプと、開度に応じた量の空気を前記空気袋から排出させる排気弁と、前記排気弁の開度を制御する制御部と、を備え、前記制御部は、前記排気弁の開度を「0」よりも大きな開度であって前記空気袋を膨張させる開度である給気開度とする状態と、前記排気弁の開度を前記給気開度よりも大きな開度であって前記空気袋を収縮させる開度である排気開度とする状態と、を交互に切り換える。
【発明の効果】
【0006】
振動発生装置は、空気袋を用いて、ユーザに対して振動を与えることができる。
【図面の簡単な説明】
【0007】
図1は、振動発生装置を備えるシートの模式図である。
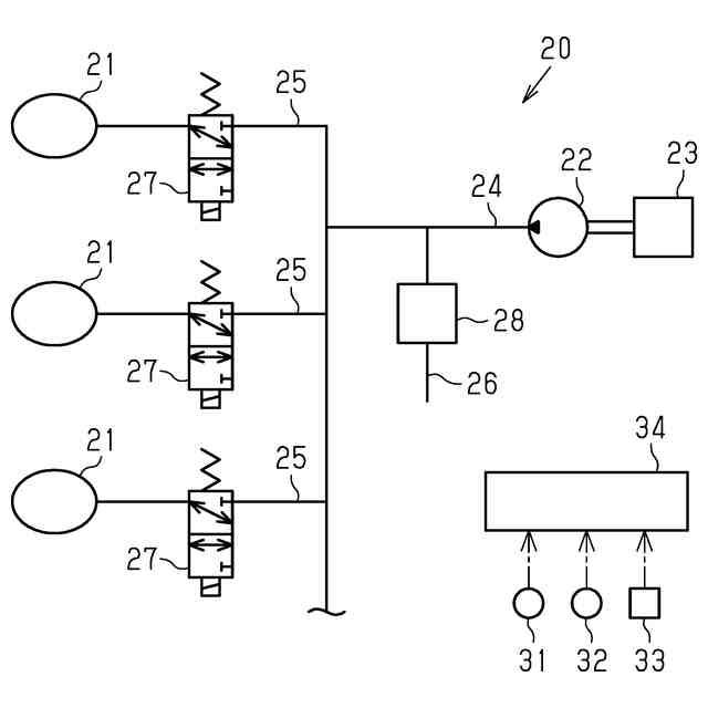
図2は、図1の振動発生装置の一部を示す模式図である。
図3は、図1の振動発生装置のポンプの送出量と排気弁の開度との関係を示すタイミングチャートである。
図4は、図1の振動発生装置の制御部が実行する処理の流れを説明するフローチャートである。
【発明を実施するための形態】
【0008】
以下、振動発生装置を空気圧システムに具体化した実施形態について図面を参照しつつ説明する。
<本実施形態の構成>
図1に示すように、シート10は、シートクッション11と、シートバック12と、ヘッドレスト13と、空気圧システム20と、を備える。
【0009】
シート10は、例えば、車両の運転席、助手席及び後部座席などに採用される車両用シートである。他の実施形態において、シート10は、施設などで利用されるマッサージシートであってもよい。シートクッション11は、シート10に着座するユーザの臀部及び大腿部を主に支持する部位である。シートバック12は、シート10に着座するユーザの腰部及び背中を主に支持する部位である。ヘッドレスト13は、シート10に着座するユーザの頭部を支持する部位である。
【0010】
<空気圧システム20>
図1及び図2に示すように、空気圧システム20は、複数の空気袋21と、ポンプ22と、電気モータ23と、接続流路24と、複数の分岐流路25と、排気流路26と、複数の切換弁27と、排気弁28と、を備える。また、空気圧システム20は、圧力センサ31と、回転角センサ32と、操作部33と、制御部34と、を備える。
(【0011】以降は省略されています)
この特許をJ-PlatPat(特許庁公式サイト)で参照する
関連特許
株式会社アイシン
空気袋
2日前
株式会社アイシン
駆動装置
今日
株式会社アイシン
電動ポンプ
1か月前
株式会社アイシン
コンデンサ
26日前
株式会社アイシン
温度調節器
12日前
株式会社アイシン
温度調節器
2日前
株式会社アイシン
鋳ぐるみ品
2日前
株式会社アイシン
自律移動体
1か月前
株式会社アイシン
温度調節器
12日前
株式会社アイシン
直流回転電機
26日前
株式会社アイシン
冷却プレート
26日前
株式会社アイシン
電力変換装置
28日前
株式会社アイシン
電力変換装置
28日前
株式会社アイシン
温度調節装置
26日前
株式会社アイシン
排熱回収装置
22日前
株式会社アイシン
車両駆動装置
22日前
株式会社アイシン
運転支援装置
22日前
株式会社アイシン
車両下部構造
21日前
株式会社アイシン
マニホールド
今日
株式会社アイシン
乗員検知装置
13日前
株式会社アイシン
物体検出装置
12日前
株式会社アイシン
振動発生装置
今日
株式会社アイシン
立体構造基板
2日前
株式会社アイシン
ポンプケース
5日前
株式会社アイシン
心拍検出装置
5日前
株式会社アイシン
駐車支援装置
5日前
株式会社アイシン
ロータリバルブ
2日前
株式会社アイシン
ロータリバルブ
2日前
株式会社アイシン
核磁気共鳴装置
6日前
株式会社アイシン
バッテリ温調器
2日前
株式会社アイシン
車両用駆動装置
29日前
株式会社アイシン
ドアロック装置
12日前
株式会社アイシン
車両用駆動装置
26日前
株式会社アイシン
燃料電池システム
23日前
株式会社アイシン
状態推定システム
12日前
株式会社アイシン
情報処理システム
21日前
続きを見る
他の特許を見る