TOP
|
特許
|
意匠
|
商標
特許ウォッチ
Twitter
他の特許を見る
公開番号
2025139161
公報種別
公開特許公報(A)
公開日
2025-09-26
出願番号
2024037953
出願日
2024-03-12
発明の名称
水栓装置
出願人
SANEI株式会社
代理人
弁理士法人岡田国際特許事務所
主分類
E03C
1/05 20060101AFI20250918BHJP(上水;下水)
要約
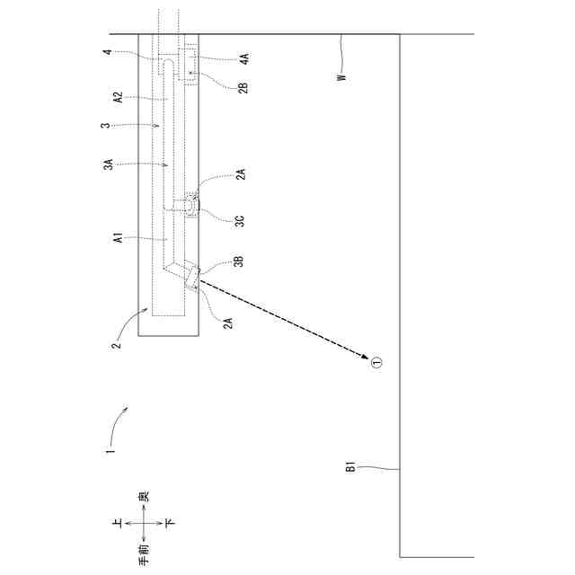
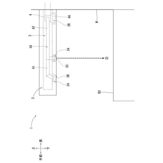
【課題】選定されるボウルに応じて吐水位置を変えることが可能な水栓装置を提供すること。
【解決手段】水栓装置1は、壁面Wから張り出す棚部2と、棚部2に下向きに吐水するように設けられる吐水部3と、を有する。吐水部3は、棚部2に沿って延びる吐水管3Aと、吐水管3Aの分岐により互いに離隔して配置される2つの吐水口(第1吐水口3B及び第2吐水口3C)と、を備える。水栓装置1は、吐水管3Aの分岐された第1分岐管A1と第2分岐管A2とに対する通水を使用者の手の差し出し位置によって変化しないように選択的に切り替えることが可能な切替弁4を有する。
【選択図】図1
特許請求の範囲
【請求項1】
壁面から張り出す棚部と、該棚部に下向きに吐水するように設けられる吐水部と、を有する水栓装置であって、
前記吐水部が、前記棚部に沿って延びる吐水管と、該吐水管の分岐により互いに離隔して配置される複数の吐水口と、を備え、
前記吐水管の分岐された各分岐管に対する通水を使用者の手の差し出し位置によって変化しないように選択的に切り替えることが可能な切替弁を更に有する水栓装置。
続きを表示(約 750 文字)
【請求項2】
請求項1に記載の水栓装置であって、
複数の前記吐水口のうちの2つの前記吐水口が、互いに前記棚部の張出方向に離隔して配置される水栓装置。
【請求項3】
請求項2に記載の水栓装置であって、
2つの前記吐水口のうちの一方が、前記棚部の棚幅方向の両端よりも中央寄りの位置に配置され、他方が、前記一方に対して前記棚幅方向に離隔して配置されると共に、前記一方の配置された前記棚幅方向に向かって斜めに吐水するように設けられる水栓装置。
【請求項4】
請求項2に記載の水栓装置であって、
2つの前記吐水口のうちの一方が、他方よりも前記張出方向に位置すると共に、前記棚部を前記張出方向に斜めに越えて吐水するように設けられる水栓装置。
【請求項5】
請求項4に記載の水栓装置であって、
前記他方が、前記一方に対して棚幅方向に離隔して配置されると共に、前記一方の配置された前記棚幅方向に向かって斜めに吐水するように設けられる水栓装置。
【請求項6】
請求項1から請求項5のいずれかに記載の水栓装置であって、
前記吐水管が、前記棚部の内部に収容され、
複数の前記吐水口が、前記棚部の下部に形成された対応する各吐水孔から下方へ吐水するように前記棚部の内部に収容される水栓装置。
【請求項7】
請求項1から請求項5のいずれかに記載の水栓装置であって、
前記切替弁を操作する操作部が、前記棚部の下部に設けられる水栓装置。
【請求項8】
請求項7に記載の水栓装置であって、
前記操作部が、全ての前記吐水口よりも前記壁面に近い位置に配置される水栓装置。
発明の詳細な説明
【技術分野】
【0001】
本発明は、水栓装置に関する。詳しくは、壁面から張り出す棚部と、棚部に設けられる吐水部と、を有する水栓装置に関する。
続きを表示(約 1,100 文字)
【背景技術】
【0002】
特許文献1には、洗面化粧台の壁面から張り出す棚部の下面に吐水口が設けられた水栓装置が開示されている。吐水口は、その直下に設けられるボウルに向かって湯水を吐水するように設けられている。
【0003】
詳しくは、吐水口は、棚部の張り出しよりも大きな水受け面を成すボウルに対して、より手前側の領域に吐水を行えるよう、斜め手前側に向かって吐水を行う構成とされる。それにより、ボウルの手前側に立つ使用者が、ボウルの奥まで手を差し出さなくても、吐水口から吐水される湯水を受けられるようになっている。
【先行技術文献】
【特許文献】
【0004】
特開2019-148094号公報
【発明の概要】
【発明が解決しようとする課題】
【0005】
特許文献1に記載の構成では、吐水口の向きに適合した形状や大きさのボウルしか使用することができず、ボウル選定の自由度が低い。そこで、本発明は、選定されるボウルに応じて吐水位置を変えることが可能な水栓装置を提供する。
【課題を解決するための手段】
【0006】
上記課題を解決するために、本発明の水栓装置は、次の手段をとる。
【0007】
すなわち、本発明の第1の発明は、壁面から張り出す棚部と、該棚部に下向きに吐水するように設けられる吐水部と、を有する水栓装置であって、前記吐水部が、前記棚部に沿って延びる吐水管と、該吐水管の分岐により互いに離隔して配置される複数の吐水口と、を備え、前記吐水管の分岐された各分岐管に対する通水を使用者の手の差し出し位置によって変化しないように選択的に切り替えることが可能な切替弁を更に有する水栓装置である。
【0008】
第1の発明によれば、切替弁により、互いに離隔して配置される複数の吐水口の中から吐水使用するものを選択的に切り替えることができる。それにより、吐水部の直下に設けられるボウルの形状や大きさ、位置等の条件に合わせて、最適な位置にある吐水口を吐水使用できるようにすることができる。すなわち、選定されるボウルに応じて吐水位置を適切に変えることができる。
【0009】
本発明の第2の発明は、上記第1の発明において、複数の前記吐水口のうちの2つの前記吐水口が、互いに前記棚部の張出方向に離隔して配置される水栓装置である。
【0010】
第2の発明によれば、張り出し量の異なる大小のボウルのどちらが選定されても、それぞれのボウルの大きさに合った位置にある吐水口を吐水使用できるように切り替えることができる。
(【0011】以降は省略されています)
この特許をJ-PlatPat(特許庁公式サイト)で参照する
関連特許
SANEI株式会社
水栓装置
9日前
SANEI株式会社
自動水栓
18日前
SANEI株式会社
シャワー装置
3日前
SANEI株式会社
シャワー装置
3日前
SANEI株式会社
シャワー装置
3日前
SANEI株式会社
水栓接続構造
6日前
SANEI株式会社
水栓操作装置
16日前
SANEI株式会社
水栓操作装置
16日前
個人
蛇口
3か月前
個人
ドクター中まミズつクル
16日前
株式会社タカギ
水栓装置
3か月前
ヒロテツ工業株式会社
溝カバー
3か月前
株式会社KVK
水栓
1か月前
株式会社KVK
水栓
1か月前
タイガースポリマー株式会社
側溝
25日前
株式会社KVK
水栓
1か月前
TOTO株式会社
便座装置
25日前
個人
夜露から水を創る用具と装置
4か月前
TOTO株式会社
トイレ装置
25日前
TOTO株式会社
トイレ装置
25日前
TOTO株式会社
トイレ装置
25日前
株式会社タカギ
水栓装置
2か月前
株式会社大林組
雨水桝蓋
3か月前
株式会社 林物産発明研究所
土木構造体
3か月前
三興建設株式会社
排泄物処理装置
4か月前
ホーコス株式会社
床置型グリース阻集器
25日前
TOTO株式会社
浴室床
2か月前
TOTO株式会社
洗面器及び洗面台
1か月前
TOTO株式会社
洗面器及び洗面台
1か月前
TOTO株式会社
洗い場床
2か月前
三興建設株式会社
下水道バイパス装置
1か月前
TOTO株式会社
排水管継手
1か月前
TOTO株式会社
トイレ装置
2か月前
TOTO株式会社
トイレ装置
2か月前
丸一株式会社
排水装置及び封水形成部材
3か月前
TOTO株式会社
排水管継手
1か月前
続きを見る
他の特許を見る