TOP
|
特許
|
意匠
|
商標
特許ウォッチ
Twitter
他の特許を見る
公開番号
2025131255
公報種別
公開特許公報(A)
公開日
2025-09-09
出願番号
2024028879
出願日
2024-02-28
発明の名称
有機物含有排水の処理方法
出願人
栗田工業株式会社
代理人
個人
,
個人
主分類
C02F
3/08 20230101AFI20250902BHJP(水,廃水,下水または汚泥の処理)
要約
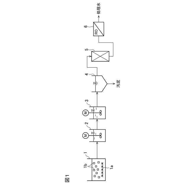
【課題】有機物含有排水を流動床担体を用いて好気性生物処理した後、凝集処理し、次いで膜分離する有機物含有排水の処理方法において、膜分離工程における処理を安定化させる。
【解決手段】有機物含有排水を流動床担体を用いて好気性生物処理する生物処理工程と、該生物処理工程からの生物処理水に凝集剤を添加して凝集処理する凝集処理工程と、該凝集処理工程からの凝集処理水を膜分離により固液分離する固液分離工程とを有する有機物含有排水の処理方法において、前記流動床担体に付着した後生動物を含む微小動物の数を、槽容積1mL当り20000個以下に維持することを特徴とする有機物含有排水の処理方法。
【選択図】図1
特許請求の範囲
【請求項1】
有機物含有排水を流動床担体を用いて好気性生物処理する生物処理工程と、
該生物処理工程からの生物処理水に凝集剤を添加して凝集処理する凝集処理工程と、
該凝集処理工程からの凝集処理水を膜分離により固液分離する固液分離工程と
を有する有機物含有排水の処理方法において、
前記流動床担体に付着した後生動物を含む微小動物の数を、槽容積1mL当り20000個以下に維持することを特徴とする有機物含有排水の処理方法。
続きを表示(約 870 文字)
【請求項2】
前記固液分離工程の下流側において、水に含まれる溶存物質を膜分離により除去する高度処理工程を有する請求項1の有機物含有排水の処理方法。
【請求項3】
前記流動床担体がスポンジ状担体である請求項1の有機物含有排水の処理方法。
【請求項4】
前記微小動物数を、後生動物数と、原生動物数に所定係数(ただし、0.01~0.5から選択された値)を乗じた数との和とする請求項1の有機物含有排水の処理方法。
【請求項5】
前記槽容積1mL当りの微小動物数が20000個を超えたときに、前記凝集工程における凝集剤添加量をそれまでの平均添加量の1.2~3.0倍とする対策を行う請求項1の有機物含有排水の処理方法。
【請求項6】
前記槽容積1mL当りの微小動物数が20000個を超えたときに、前記生物処理工程における曝気量をそれまでの平均曝気量の1.2~2.5倍とする対策を行う請求項1の有機物含有排水の処理方法。
【請求項7】
前記槽容積1mL当りの微小動物数が20000個を超えたときに、前記生物処理工程における曝気量をそれまでの平均曝気量の0.7~0.9倍とし、かつ、溶存酸素濃度を2mg/L以上とする対策を行う請求項1の有機物含有排水の処理方法。
【請求項8】
前記槽容積1mL当りの微小動物数が20000個を超えたときに、対策として、前記生物処理工程における曝気時間/曝気停止時間の比を2~10とする間欠曝気を行う請求項1の有機物含有排水の処理方法。
【請求項9】
前記総容積1mL当りの微小動物数が10000個以下になるまで、前記対策を継続する請求項5~8のいずれかの有機物含有排水の処理方法。
【請求項10】
前記生物処理工程を行う生物処理槽のBOD容積負荷が0.2~2.0kg/m
3
/dである請求項1の有機物含有排水の処理方法。
(【請求項11】以降は省略されています)
発明の詳細な説明
【技術分野】
【0001】
本発明は有機物含有排水の処理方法に係り、特に有機物含有排水を生物処理し、更に凝集処理及び固液分離する有機物含有排水の処理方法に関する。
続きを表示(約 1,300 文字)
【背景技術】
【0002】
有機物含有排水を曝気槽で好気性生物処理した後、凝集処理したり、膜分離処理する有機物含有排水の処理方法は、近年広い分野で活用されている。生物処理水を限外濾過(UF)膜による固液分離や、逆浸透(RO)膜を主体とした高度処理を行うことにより、生物処理水中の有機物質や無機物を除去し、再利用することができるが、膜を閉塞させる物質が流入すると通水が困難になり、洗浄が必要になる。
【0003】
生物処理水の処理水質が変動すると、後段の膜分離処理工程に流入する水質も変動し、膜閉塞の原因となる。このような事態を防ぐため、生物処理の原水水質、処理水水質、流入負荷、運転条件(水温、pH、DO等)は注意深く管理されているが、これらの項目では把握しきれない生物相の変化により、膜処理情況が悪化し、急遽、膜洗浄や通水量を下げる必要が生じる場合がある。
【0004】
生物処理には浮遊状態の微生物(汚泥)を利用した活性汚泥(生物沈殿型)、膜式活性汚泥等と、担体に付着した汚泥を利用した生物膜法がある。生物膜法の中でも流動担体を用いた流動床法は高負荷運転が可能で設置面積を小さくできるため、近年の排水回収における生物処理では広く採用されている。
【0005】
流動床法は、浮遊汚泥方式に比べて運転が容易であるところから、生物相の管理・制御への関心が低く、生物相の管理不足による後段高度処理への影響が見落とされてきた。
【先行技術文献】
【特許文献】
【0006】
特開2013-121558号公報
【発明の概要】
【発明が解決しようとする課題】
【0007】
有機物含有排水を生物処理した後、膜分離処理して処理水を回収する場合、逆浸透(RO)膜に代表される微細な孔径を持つ膜分離装置は、高分子量の有機物質をも除去することができ、高度な処理水質が得られるため、広く使用されてきている。一方、これらの膜分離装置は、膜孔径が小さいため、流入する有機物質濃度が高いと、膜面に有機物質が蓄積し易く、濾過抵抗の上昇が著し、通水が困難になる。
【0008】
本発明は、有機物含有排水を流動床担体を用いて好気性生物処理した後、凝集処理し、次いで膜分離する有機物含有排水の処理方法において、膜分離工程における処理を安定化させることを課題とする。
【課題を解決するための手段】
【0009】
本発明は、次を要旨とする。
【0010】
[1] 有機物含有排水を流動床担体を用いて好気性生物処理する生物処理工程と、
該生物処理工程からの生物処理水に凝集剤を添加して凝集処理する凝集処理工程と、
該凝集処理工程からの凝集処理水を膜分離により固液分離する固液分離工程と
を有する有機物含有排水の処理方法において、
前記流動床担体に付着した後生動物を含む微小動物の数を、槽容積1mL当り20000個以下に維持することを特徴とする有機物含有排水の処理方法。
(【0011】以降は省略されています)
この特許をJ-PlatPat(特許庁公式サイト)で参照する
関連特許
栗田工業株式会社
電気脱イオン装置
14日前
栗田工業株式会社
放射性廃液の処理方法
2日前
栗田工業株式会社
有機性排水の生物処理方法
5日前
栗田工業株式会社
有機物含有排水の処理方法
22日前
栗田工業株式会社
電気脱イオン装置及びその運転方法
1か月前
栗田工業株式会社
2段電気脱イオンシステムの運転方法
23日前
栗田工業株式会社
有価金属回収システムおよび有価金属の回収方法
1か月前
栗田工業株式会社
純水製造システム、及び純水製造システムの運転方法
12日前
栗田工業株式会社
推定システム、推定方法及びコンピュータープログラム
21日前
栗田工業株式会社
混合イオン交換樹脂の分離塔、およびこれを用いた混合イオン交換樹脂の分離方法
1か月前
栗田工業株式会社
pH・酸化還元電位調整水の製造装置、pH・酸化還元電位調整水の製造方法および半導体装置の製造方法
1か月前
東レ株式会社
浄水器
12日前
日本ソリッド株式会社
ダム湖の取水方法
21日前
株式会社エム・アイ・エス
汚泥乾燥装置
13日前
個人
浄水装置
12日前
栗田工業株式会社
電気脱イオン装置
14日前
個人
浄水処理システムおよび浄水処理方法
14日前
個人
浄化処理装置
21日前
株式会社バンブーケミカル研究所
流体除菌機器
21日前
栗田工業株式会社
有機物含有排水の処理方法
22日前
栗田工業株式会社
有機性排水の生物処理方法
5日前
株式会社石垣
汚泥性状予測方法及び汚泥性状一定制御方法
2日前
WOTA株式会社
排水処理システム及び排水処理方法
20日前
WOTA株式会社
排水処理システム及び排水処理方法
20日前
WOTA株式会社
排水処理システム及び排水処理方法
20日前
オルガノ株式会社
水処理装置およびその運転方法
26日前
株式会社ササクラ
造水システム
22日前
株式会社ササクラ
造水システム
20日前
パナソニックIPマネジメント株式会社
軟水化装置
22日前
オルガノ株式会社
水処理システムおよびその運転方法
28日前
オルガノ株式会社
水処理システムおよびその運転方法
今日
水ing株式会社
汚泥処理方法および装置
12日前
株式会社フジタ
水処理装置
2日前
栗田工業株式会社
2段電気脱イオンシステムの運転方法
23日前
有限会社クリーンエコ
環境汚染浄化補助剤を使用する汚水処理システム
12日前
株式会社丸島アクアシステム
曝気装置
12日前
続きを見る
他の特許を見る