TOP
|
特許
|
意匠
|
商標
特許ウォッチ
Twitter
他の特許を見る
公開番号
2025152810
公報種別
公開特許公報(A)
公開日
2025-10-10
出願番号
2024054913
出願日
2024-03-28
発明の名称
汚泥減容システム
出願人
三浦工業株式会社
,
株式会社ベネアス
代理人
個人
,
個人
主分類
C02F
11/18 20060101AFI20251002BHJP(水,廃水,下水または汚泥の処理)
要約
【課題】可溶化された汚泥の効率的な冷却方法を提供することで可溶化装置の稼働率、ひいては汚泥処理効率の上昇を実現し、また、可溶化された汚泥から発する不快な臭気を処理しつつ、可溶化処理後の固液分離の効率化を図った汚泥減容システムを提供すること。
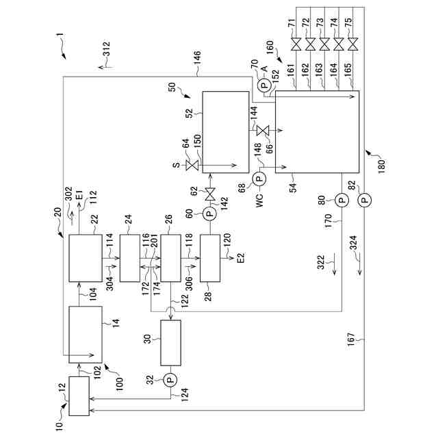
【解決手段】汚泥減容システム1は、汚泥分離機構20から分離された汚泥を高温高圧水で可溶化する可溶化装置52と、可溶化装置52に接続され可溶化された汚泥を貯留するための非圧力容器である可溶化後貯留槽54と、可溶化後貯留槽54に接続され可溶化後貯留槽54で発生するフラッシュ蒸気を排出するフラッシュ蒸気排出ライン146と、フラッシュ蒸気排出ライン146に接続されフラッシュ蒸気に含まれる有機物を処理するフラッシュ蒸気処理部100とを備える。
【選択図】図1
特許請求の範囲
【請求項1】
活性汚泥処理装置と水熱可溶化装置とを備える汚泥減容システムであって、
前記活性汚泥処理装置は、好気槽と汚泥分離機構とを備え、
前記水熱可溶化装置は、前記汚泥分離機構から分離された汚泥を高温高圧水で可溶化する可溶化装置と、前記可溶化装置に接続され可溶化された汚泥を貯留するための非圧力容器である貯留槽と、前記貯留槽に接続され前記貯留槽で発生するフラッシュ蒸気を排出するフラッシュ蒸気排出ラインと、前記フラッシュ蒸気排出ラインに接続されフラッシュ蒸気に含まれる有機物を処理するフラッシュ蒸気処理部とを備える汚泥減容システム。
続きを表示(約 790 文字)
【請求項2】
前記フラッシュ蒸気処理部は、スクラバー処理、生物処理、吸着処理及び燃焼処理のうちの少なくとも1つを行う請求項1に記載の汚泥減容システム。
【請求項3】
前記フラッシュ蒸気排出ラインは、前記好気槽に接続され、前記フラッシュ蒸気に含まれる前記有機物は前記好気槽内の水に溶解させて生物処理される請求項1に記載の汚泥減容システム。
【請求項4】
前記水熱可溶化装置は、前記貯留槽の下部に外気を送気する送気設備を更に備える請求項1から3の何れか1項に記載の汚泥減容システム。
【請求項5】
前記活性汚泥処理装置と前記水熱可溶化装置との間に、濃縮機又は脱水機のうち少なくとも1つを更に備え、
前記貯留槽の下部から可溶化残渣を引き抜き、前記濃縮機又は前記脱水機に供給する可溶化残渣排出ラインを更に備える請求項1から3の何れか1項に記載の汚泥減容システム。
【請求項6】
前記貯留槽から可溶化上澄み液を引き抜き、前記好気槽に供給する可溶化上澄み液ラインを更に備える請求項1から3の何れか1項に記載の汚泥減容システム。
【請求項7】
前記可溶化上澄み液ラインの途中に嫌気槽を更に備える請求項6に記載の汚泥減容システム。
【請求項8】
前記可溶化上澄み液ラインは、一端側が前記貯留槽の異なる高さに接続される複数の導出ラインと、前記複数の導出ラインの他端側が集約される排出ラインとを備え、
前記複数の導出ラインそれぞれには、流路を開閉するバルブが配置される請求項6に記載の汚泥減容システム。
【請求項9】
前記水熱可溶化装置は、前記貯留槽に水及びキレート剤のうちの少なくとも1つを供給する供給ラインを更に備える請求項1又は2に記載の汚泥減容システム。
発明の詳細な説明
【技術分野】
【0001】
本発明は、汚泥減容システムに関する。
続きを表示(約 1,300 文字)
【背景技術】
【0002】
有機廃棄物、特に活性汚泥法などの有機性排水処理の際に排出される有機性汚泥の減容方法として、水熱処理と微生物処理とを組み合わせた方法が知られている。この処理方法では、有機性汚泥の固形成分を水熱処理によって可溶化する。つづいて、可溶化された有機性汚泥の液体成分を微生物処理する。特許文献1は、このような有機廃棄物の処理方法の一例を開示する。
【先行技術文献】
【特許文献】
【0003】
特開2005-021797号公報公報
【発明の概要】
【発明が解決しようとする課題】
【0004】
ところで、水熱処理では、汚泥が入れられた可溶化装置に蒸気を吹き込むことによって汚泥を加熱し、汚泥を可溶化する形態が知られている。
【0005】
水熱処理を適用した可溶化装置は、通常、圧力容器である。大量の水分を含んだ汚泥を密閉容器内で水の沸点以上にまで加熱し、その高温高圧水によって汚泥を構成する有機高分子を低分子化することで可溶化するためである。
【0006】
汚泥の水熱処理によって可溶化された成分は生分解性が向上しているため、微生物処理させることにより二酸化炭素やメタン等へ変換されることで汚泥が減容されるが、微生物は高温環境で死滅してしまうため、可溶化処理後の汚泥を冷却した状態で微生物処理に供する必要がある。
【0007】
しかしながら、可溶化処理後の汚泥を可溶化装置内で冷却すると、その冷却工程の間は次の可溶化処理に移行することができないため、可溶化装置の稼働率の低下、ひいては汚泥の処理効率が低下してしまう。
【0008】
また、水熱処理の反応条件をより厳しくする(温度、圧力を上げる、時間を長くする等)ことによって汚泥の可溶化率、ひいては汚泥の減容化率を上げることが可能であるが、可溶化率の上昇とともに過度な低分子化も進行して揮発性有機物を生成してしまうため、可溶化処理後の汚泥からは不快な臭気を発するようになる。
【0009】
さらに別の課題として、汚泥中の金属成分や水熱処理の副反応で生じてしまう炭化物等は水に対する溶解度が低いため、水熱処理後にも溶け残り(可溶化残渣)が発生し、この可溶化残渣は微生物ではほとんど分解することができないことが挙げられる。すなわち、可溶化後の汚泥に対してpH調整剤や凝集剤などの薬剤を添加して可溶化残渣を凝集させ、濃縮機や脱水機等で(生分解性の高い)液体成分と(生分解性の低い)可溶化残渣とに固液分離する必要があるが、当然のことながら効率的な固液分離方法(省薬剤化や濃縮機・脱水機の小型化、省電力化など)が求められる。
【0010】
そこで本発明は、可溶化された汚泥の効率的な冷却方法を提供することで可溶化装置の稼働率、ひいては汚泥処理効率の向上を実現し、また、可溶化された汚泥から発する不快な臭気(揮発性有機物)を処理しつつ、可溶化処理後の固液分離の効率化(省薬剤化や濃縮機・脱水機の小型化、省電力化など)を図る汚泥減容システムを提供することを目的とする。
【課題を解決するための手段】
(【0011】以降は省略されています)
この特許をJ-PlatPat(特許庁公式サイト)で参照する
関連特許
三浦工業株式会社
燃焼装置
3日前
三浦工業株式会社
燃焼システム
1日前
三浦工業株式会社
劣化検出装置
8日前
三浦工業株式会社
台数制御装置
8日前
三浦工業株式会社
汚泥減容方法
9日前
三浦工業株式会社
水蒸気発生装置
1日前
三浦工業株式会社
ウエスコポンプ
1日前
三浦工業株式会社
二重管接続構造
2日前
三浦工業株式会社
水素燃焼ボイラ
23日前
三浦工業株式会社
汚泥減容システム
1日前
三浦工業株式会社
熱媒供給システム
15日前
三浦工業株式会社
船舶用発電システム
8日前
三浦工業株式会社
ヒータ装置及び貫流ボイラ
24日前
東京瓦斯株式会社
電力供給システム
1日前
メタウォーター株式会社
焼却システム及び燃焼制御方法
22日前
メタウォーター株式会社
焼却システム及び熱媒供給制御方法
22日前
栗田工業株式会社
排水回収装置
8日前
三浦工業株式会社
汚泥減容方法
9日前
栗田工業株式会社
用水の水質予測方法
8日前
栗田工業株式会社
有機性排水の生物処理方法
15日前
株式会社石垣
汚泥性状予測方法及び汚泥性状一定制御方法
12日前
株式会社神鋼環境ソリューション
貯留槽
1日前
水ing株式会社
廃溶液の処理方法
2日前
栗田工業株式会社
水質予測方法及び水質制御方法
8日前
オルガノ株式会社
尿素処理装置および尿素処理方法
9日前
株式会社クボタ
電解水生成装置
2日前
株式会社クボタ
電解水生成装置
2日前
株式会社クボタ
電解水生成装置
2日前
株式会社クボタ
電解水生成装置
2日前
パナソニックIPマネジメント株式会社
軟水化装置
2日前
パナソニックIPマネジメント株式会社
軟水化装置
2日前
オルガノ株式会社
水処理システムおよびその運転方法
10日前
水ing株式会社
排水処理方法及び装置
8日前
三浦工業株式会社
汚泥減容システム
1日前
株式会社フジタ
水処理装置
12日前
パナソニックIPマネジメント株式会社
電解水生成装置
1日前
続きを見る
他の特許を見る