TOP
|
特許
|
意匠
|
商標
特許ウォッチ
Twitter
他の特許を見る
10個以上の画像は省略されています。
公開番号
2025175867
公報種別
公開特許公報(A)
公開日
2025-12-03
出願番号
2024082177
出願日
2024-05-20
発明の名称
アンテナ装置
出願人
日本特殊陶業株式会社
代理人
個人
主分類
H01Q
13/08 20060101AFI20251126BHJP(基本的電気素子)
要約
【課題】単体のパッチアンテナを用いて、アレイ化に伴う装置の大型化や構成の複雑化を招くことなく、放射指向性を広い角度に保つとともに正面方向から傾いた特定方向をピークとする放射指向性を実現し得るアンテナ装置を提供する。
【解決手段】
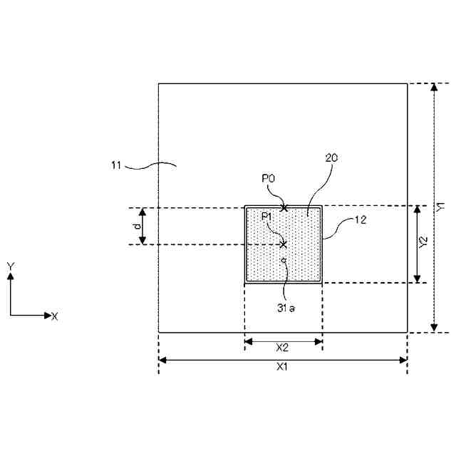
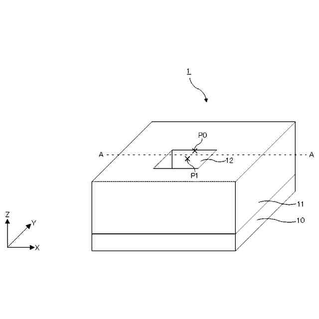
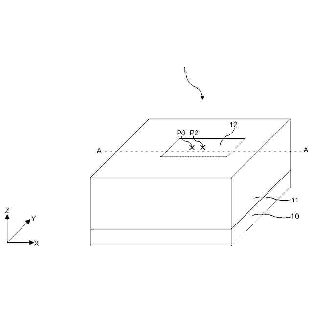
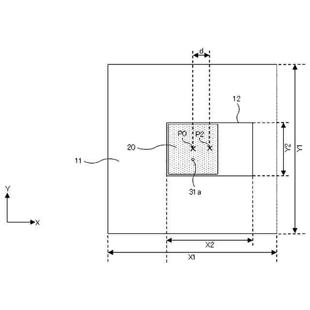
誘電体基板を用いて構成されたアンテナ装置1は、所定の導体層に形成されるパッチアンテナ20と、この所定の導体層の上方に配置された誘電体層11に形成され誘電体基板の厚さ方向であるZ方向から見た平面視でパッチアンテナ20を取り囲む形状を有するキャビティ12と、Z方向に所定の導体層を挟んで誘電体層11と対向して配置されるグランド導体21、22、23とを備えており、Z方向から見た平面視でキャビティの中心は誘電体基板の中心から所定の方向に所定の距離dだけ離れた位置に設定される。
【選択図】図3
特許請求の範囲
【請求項1】
誘電体基板を用いて構成されたアンテナ装置であって、
前記誘電体基板の所定の導体層に形成されるパッチアンテナと、
前記誘電体基板の前記所定の導体層の上方に配置された誘電体層に形成され、前記誘電体基板の厚さ方向である第1の方向から見た平面視で前記パッチアンテナを取り囲む形状を有するキャビティと、
前記第1の方向に前記所定の導体層を挟んで前記誘電体層と対向して配置されるグランド導体と、
を備え、
前記第1の方向から見た平面視で、前記キャビティの中心は、前記誘電体基板の中心から所定の方向に所定の距離だけ離れた位置に設定されることを特徴とするアンテナ装置。
続きを表示(約 560 文字)
【請求項2】
前記第1の方向から見た平面視で、前記パッチアンテナの中心は前記キャビティの中心に一致することを特徴とする請求項1に記載のアンテナ装置。
【請求項3】
前記パッチアンテナ及び前記キャビティは、それぞれ前記第1の方向から見た平面視で矩形の形状を有することを特徴とする請求項1に記載のアンテナ装置。
【請求項4】
前記第1の方向から見た平面視で、前記キャビティは前記所定の方向を長辺とする長方形状であり、前記パッチアンテナの中心は前記キャビティの中心に一致しないことを特徴とする請求項3に記載のアンテナ装置。
【請求項5】
前記第1の方向から見た平面視で、前記パッチアンテナの中心は前記誘電体基板の中心に一致することを特徴とする請求項4に記載のアンテナ装置。
【請求項6】
前記キャビティの前記第1の方向に沿った高さは、前記誘電体基板における使用周波数の波長λに対し、0.7λから0.8λの範囲内に設定されることを特徴とする請求項1に記載のアンテナ装置。
【請求項7】
前記グランド導体は、前記第1の方向に延伸する複数のビア導体を介して相互に接続される複数の導体層に形成されることを特徴とする請求項1に記載のアンテナ装置。
発明の詳細な説明
【技術分野】
【0001】
本発明は、誘電体基板を用いて構成されたアンテナ装置に関するものである。
続きを表示(約 2,500 文字)
【背景技術】
【0002】
5Gや6Gなどの移動通信においては、建物の内部や屋外などの様々な環境の下で高周波帯域の電波の送受信を行うため、アンテナ装置には、多様な方向の電波を送受信し得る広い角度の放射指向性を有することが要求される。また、この種のアンテナ装置の用途によっては、広い角度の放射指向性を得ることに加えて、アンテナ装置の正面方向から横方向に傾いた方向に放射指向性のピークを制御することが要求される場合もある。こうした要求に対応するために、複数のアンテナ素子をアレイ状に並べたアレイアンテナを構成し、全体的に広角度の放射指向性を実現する手法が知られている。例えば、特許文献1には、複数のアンテナをアレイ状に配列したアレイアンテナにおいて、各アンテナに位相差を与えてビームフォーミングを行い、広角度かつ所望の特定方向をピークとする放射指向性を得ることが可能な技術が開示されている。
【先行技術文献】
【特許文献】
【0003】
特許第6818757号公報
【発明の概要】
【発明が解決しようとする課題】
【0004】
近年のアンテナ装置においては、小型軽量化の観点から誘電体基板を用いる構造が広く利用されている。例えば、誘電体基板に1つのパッチアンテナを形成すればアンテナ装置の小型化が容易であるが、広角度かつ所望の特定方向をピークとする放射指向性を実現することは困難である。このような放射指向性を実現するには、前述したように、誘電体基板に複数のパッチアンテナ等のアンテナをアレイ状に並べてアレイアンテナを構成する必要がある。
しかし、誘電体基板を用いたアレイアンテナは、複数のアンテナを配置するためのスペースが必要であり、サイズが拡大してアンテナ装置の小型化が困難になる。また、複数のアンテナにビームフォーミングのための位相差を与える複雑な電子回路を形成する必要があり、部品コストと実装コストの両方の増加を招くことになるし、誘電体基板の製作時の寸法公差も厳しくなる。
以上のように、上記従来の手法により誘電体基板を用いたアンテナ装置を構成する場合、小型かつ低コストで広角度かつ所望の特定方向をピークとする放射指向性を実現することは困難であった。
【0005】
本発明は上記の課題を解決するためになされたものであり、誘電体基板を用いてアンテナ装置を構成する場合、1つのパッチアンテナのみを配置して広い角度で所望の方向をピークとする放射指向性を保ちつつ、アンテナ装置の小型化と低コスト化が可能なアンテナ装置を実現するものである。
【課題を解決するための手段】
【0006】
上記課題を解決するために、本発明のアンテナ装置(1)は、誘電体基板を用いて構成されたアンテナ装置であって、前記誘電体基板の所定の導体層に形成されるパッチアンテナ(20)と、前記誘電体基板の前記所定の導体層の上方に配置された誘電体層(11)に形成され、前記誘電体基板の厚さ方向である第1の方向(Z)から見た平面視で前記パッチアンテナを取り囲む形状を有するキャビティ(12)と、前記第1の方向に前記所定の導体層を挟んで前記誘電体層と対向して配置されるグランド導体(21、22、23)とを備え、前記第1の方向から見た平面視で、前記キャビティの中心は、前記誘電体基板の中心から所定の方向に所定の距離(d)だけ離れた位置に設定されることを特徴としている。
【0007】
本発明のアンテナ装置によれば、誘電体基板を用いたアンテナ装置には、所定の導体層のパッチアンテナと、その直下のグランド導体と、パッチアンテナの上方の誘電体層のキャビティとが形成され、このキャビティは、第1の方向から見た平面視で、パッチアンテナを取り囲むとともに、キャビティの中心が誘電体基板の中心から所定の方向に所定の距離だけ離れた位置に設定されている。このような構造により、給電構造を経てパッチアンテナから放射される電波は、上方のキャビティの側面の誘電体表面の電磁界分布の影響で放射指向性が広角度化するとともに、キャビティの配置の影響により正面方向から傾いた方向がピークとなるように放射指向性を制御可能となる。従って、複数のアンテナをアレイ状に配置するためのスペース増加やビームフォーミング時の位相制御のための複雑な電子回路が不要となり、アンテナ装置の小型化と低コスト化を容易に達成することができる。
【0008】
本発明において、パッチアンテナは多様な位置に配置することができる。例えば、第1の方向から見た平面視で、パッチアンテナの中心をキャビティの中心に一致させる配置を採用することができる。この場合は、キャビティに加えて、パッチアンテナの中心も誘電体基板の中心から所定の方向に所定の距離だけ離れた位置に設定される。
【0009】
本発明において、パッチアンテナ及びキャビティは、それぞれ第1の方向から見た平面視で多様な形状とすることができる。例えば、パッチアンテナ及びキャビティを、矩形の形状で構成してもよい。この場合の一態様として、第1の方向から見た平面視で、キャビティを所定の方向を長辺とする長方形状とし、パッチアンテナの中心をキャビティの中心に一致させない配置を採用することができる。この配置においては、例えば、第1の方向から見た平面視で、パッチアンテナの中心を誘電体基板の中心に一致させることができる。
【0010】
本発明において、キャビティの第1の方向に沿った高さは、誘電体基板における使用周波数の波長λに対し、0.7λから0.8λの範囲内に設定することが望ましい。また、本発明において、グランド導体は、第1の方向に延伸する複数のビア導体を介して相互に接続される複数の導体層に形成することができる。これにより、グランド導体の面積を拡大してグランドを強化し、アンテナ特性の向上が可能となる。
【発明の効果】
(【0011】以降は省略されています)
この特許をJ-PlatPat(特許庁公式サイト)で参照する
関連特許
日本特殊陶業株式会社
センサ
7日前
日本特殊陶業株式会社
センサ
1か月前
日本特殊陶業株式会社
賦形体
14日前
日本特殊陶業株式会社
保持装置
1か月前
日本特殊陶業株式会社
圧電素子
1か月前
日本特殊陶業株式会社
反応装置
今日
日本特殊陶業株式会社
保持装置
26日前
日本特殊陶業株式会社
保持装置
19日前
日本特殊陶業株式会社
ガスセンサ
21日前
日本特殊陶業株式会社
ガスセンサ
5日前
日本特殊陶業株式会社
化学センサ
28日前
日本特殊陶業株式会社
電極埋設部材
27日前
日本特殊陶業株式会社
アンテナ装置
今日
日本特殊陶業株式会社
アンテナ装置
今日
日本特殊陶業株式会社
アンテナ装置
今日
日本特殊陶業株式会社
スパークプラグ
26日前
日本特殊陶業株式会社
無鉛圧電磁器組成物
1か月前
日本特殊陶業株式会社
セルスタックシステム
26日前
日本特殊陶業株式会社
アンモニアの合成装置
1か月前
日本特殊陶業株式会社
アンモニアの合成装置
1か月前
日本特殊陶業株式会社
超音波トランスデューサ
5日前
日本特殊陶業株式会社
超音波トランスデューサ
5日前
日本特殊陶業株式会社
電極および蓄電デバイス
27日前
日本特殊陶業株式会社
電極および蓄電デバイス
27日前
日本特殊陶業株式会社
検知装置および検知方法
26日前
日本特殊陶業株式会社
アンモニアの合成システム
1か月前
日本特殊陶業株式会社
磁性コイル、および無線給電用デバイス
26日前
日本特殊陶業株式会社
無線給電用コイル、および無線給電用デバイス
13日前
日本特殊陶業株式会社
多孔性担体、触媒体、および多孔性担体の製造方法
7日前
日本特殊陶業株式会社
屋内緑化システム、制御方法、および制御プログラム
6日前
日本特殊陶業株式会社
酸素発生反応用触媒、電極、および電気化学デバイス
19日前
日本特殊陶業株式会社
センサ素子、ガスセンサ、およびセンサ素子の製造方法
27日前
日本特殊陶業株式会社
インターカレーションのための溶液、インターカレーション方法、電極の製造方法、電極および電気化学素子
1か月前
日本特殊陶業株式会社
電気化学セル、固体酸化物形電解セル、セルスタック、ホットモジュール、およびガス製造装置
1か月前
東ソー株式会社
絶縁電線
1か月前
APB株式会社
蓄電セル
1か月前
続きを見る
他の特許を見る