TOP
|
特許
|
意匠
|
商標
特許ウォッチ
Twitter
他の特許を見る
公開番号
2025175036
公報種別
公開特許公報(A)
公開日
2025-11-28
出願番号
2025147080,2021573740
出願日
2025-09-04,2020-07-21
発明の名称
矩形衝撃波形の植込型パルス発生器
出願人
バイオトロニック エスエー アンド カンパニー カーゲー
,
BIOTRONIK SE & Co. KG
代理人
弁理士法人浅村特許事務所
主分類
A61N
1/39 20060101AFI20251120BHJP(医学または獣医学;衛生学)
要約
【課題】本発明は、電気回路を備える移植可能なパルス発生器に関するものである。
【解決手段】本電気回路は、一次エネルギー蓄積手段と、少なくとも一つの二次エネルギー蓄積手段と、制御ユニットとを備え、制御ユニットは、パルス送出の第1段階の第1間隔において、一次エネルギー蓄積手段が治療用電流経路を介して放電されるように、電気回路の電気スイッチを作動させ、電気回路の電気スイッチは、一次エネルギー源と少なくとも一つの二次エネルギー源が直列に固定接続されており、植込型パルス発生器が大概矩形のパルス波形を有する衝撃を与えるように作動させるように構成される。
【選択図】図2A
特許請求の範囲
【請求項1】
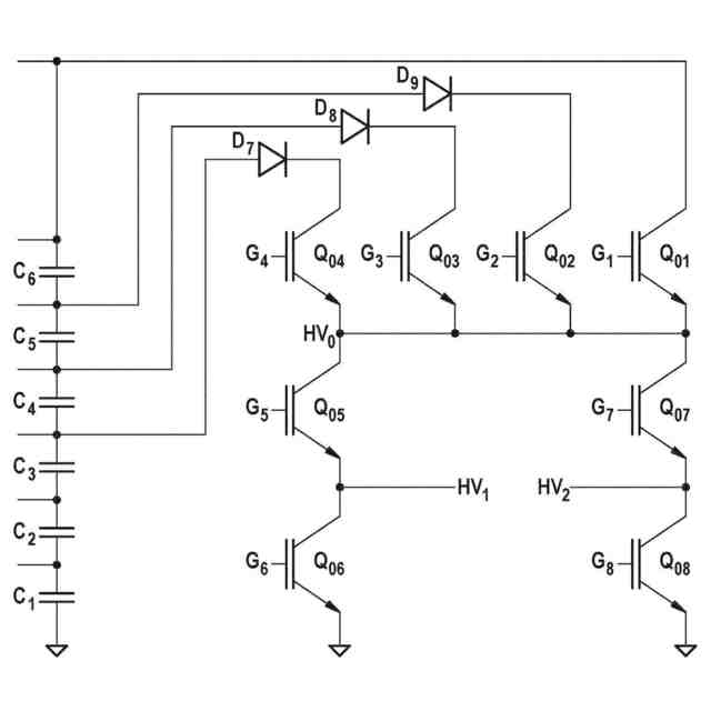
電気回路を備えた植込型パルス発生器であって、
一次エネルギー蓄積手段(C
0
、C
1
、C
2
、C
3
)と、
少なくとも1つの二次エネルギー蓄積手段(C
4
、C
5
、C
6
)と、
制御ユニットと、
を備え、
前記制御ユニットは、
パルス送出の第1段階の第1間隔において、治療用電流経路を介して前記一次エネルギー蓄積手段(C
0
、C
1
、C
2
、C
3
)が放電されるように、前記電気回路内の電気スイッチ(S
1
、Q04)を作動させ、
前記パルス送出の前記第1段階の第2間隔において、前記一次エネルギー蓄積手段(C
0
、C
1
、C
2
、C
3
)と前記少なくとも1つの二次エネルギー蓄積手段(C
4
、C
5
、C
6
)が前記治療用電流経路を介して放電されるように、前記電気回路内の電気スイッチ(S
2
、S
3
、S
4
、Q03、Q02、Q01)を作動させるように構成され、
前記一次エネルギー蓄積手段(C
0
、C
1
、C
2
、C
3
)と、前記少なくとも1つの二次エネルギー蓄積手段(C
4
、C
5
、C
6
)とは、直列に固定的に接続されている、または接続可能であり、
前記植込型パルス発生器は、大概矩形のパルス波形を持つ衝撃を与えるように構成されており、
前記植込型パルス発生器は、複数の二次エネルギー蓄積手段(C
4
、C
5
、C
6
)を備えており、
前記制御ユニットは、前記第2間隔において、
前記一次エネルギー蓄積手段(C
0
、C
1
、C
2
、C
3
)およびすべての前記二次エネルギー蓄積手段(C4、C5、C6)が順番に前記治療用電流経路を介して放電されるように、または、
前記一次エネルギー蓄積手段(C
0
発明の詳細な説明
【技術分野】
【0001】
本発明は、植込型パルス発生器に関するものである。
続きを表示(約 1,600 文字)
【0002】
現在、植込型除細動器(ICD:implantable Cardioverter defibrillators)の除細動には必ずコンデンサ放電が使われており、除細動の間、一定の静電容量から衝撃エネルギー全体を取り出している。指数関数的に低下する電圧波形はその特徴である。
【0003】
衝撃電圧の最小化に対応した衝撃波形は、すでに体外式除細動器に採用されている。
【0004】
指数関数的な衝撃波形の欠点は、効果的な除細動を行うために必要なピーク電圧が高いことである。特に、非経静脈的な除細動器(S-ICD(商標)などの皮下ICDS)の場合、ピーク電圧が1300Vを超えるため、適切な高電圧部品が必要となり、設計ルールに準拠しなければならない。
【発明の概要】
【発明が解決しようとする課題】
【0005】
そこで、本発明の目的は、より低い衝撃電圧で治療効果の高い衝撃を与えることができる植込型パルス発生器を提供することである。
【課題を解決するための手段】
【0006】
この目的は、請求項1の特徴を有する移植可能なパルス発生器と、請求項11の特徴を有する方法とによって達成される。適切な実施形態は、従属請求項および以下の説明に記載されている。
【0007】
請求項1によれば、電気回路を備えた植込型パルス発生器が提供される。電気回路は、
一次エネルギー蓄積手段と、
少なくとも1つの二次エネルギー蓄積手段と、
制御ユニットとを備え、
制御ユニットは、
パルス送出の第1段階の第1間隔において、治療用電流経路を介して一次エネルギー蓄積手段が放電されるように、電気回路内の電気スイッチを作動させ、
パルス送出の第1段階の第2間隔において、少なくとも1つの二次エネルギー蓄積手段が治療用電流経路を介して放電されるように、電気回路内の電気スイッチを作動させるように構成され、
一次エネルギー蓄積手段と少なくとも1つの二次エネルギー蓄積手段が直列に固定的に接続されている、または接続可能であり、
植込型パルス発生器は、大概矩形のパルス波形を有する衝撃を与えるように構成されており、
植込型パルス発生器は、複数の二次エネルギー蓄積手段を備えており、
制御ユニットは、第2間隔において、
一次エネルギー蓄積手段および前記二次エネルギー蓄積手段のすべてが治療用電流経路を介して順番に放電されるように、または、
一次エネルギー蓄積手段と、複数の二次エネルギー蓄積手段のいずれかが治療用電流経路を介して放電されるように、
電気回路内の電気スイッチを作動させるようにさらに構成されている。
【0008】
特に、治療用電流経路は、治療用電気パルスをターゲット組織、好ましくは患者の心臓組織に送出するために、好ましくは心臓組織の除細動のために治療用電気衝撃を送出するために使用される。
【0009】
さらに、特に1次エネルギー蓄積手段と少なくとも1つの2次エネルギー蓄積手段は、パルス送出の第1段階の第2間隔において、治療用電流経路を介して放電される。
【0010】
有利には、本発明によるパルス発生器によって、大概矩形のパルス波形を有する衝撃伝達が達成され、特に、パルス伝達中の実質的に矩形の電圧または電流波形が達成される。このようにして、必要な最大衝撃電圧を低減しつつ、治療上有効な(除細動)パルスを定義された時間にわたって送出することが可能である。本発明によるアプローチは、有利にも、特に最大必要衝撃電圧を低減することによって、植込型除細動器のためのよりコスト効率の高い設計、および既存の高電圧コンポーネントおよびプラットフォームの使用を可能にする。
(【0011】以降は省略されています)
この特許をJ-PlatPat(特許庁公式サイト)で参照する
関連特許
個人
貼付剤
1か月前
個人
簡易担架
14日前
個人
足踏み器具
21日前
個人
腋臭防止剤
14日前
個人
短下肢装具
4か月前
個人
白内障治療法
8か月前
個人
嚥下鍛錬装置
4か月前
個人
排尿補助器具
1か月前
個人
前腕誘導装置
4か月前
個人
洗井間専家。
8か月前
個人
矯正椅子
6か月前
個人
腰ベルト
1か月前
個人
歯の修復用材料
5か月前
個人
ウォート指圧法
1か月前
個人
汚れ防止シート
2か月前
個人
バッグ式オムツ
5か月前
個人
胸骨圧迫補助具
2か月前
個人
アイマスク装置
3か月前
個人
ホバーアイロン
7か月前
個人
哺乳瓶冷まし容器
4か月前
個人
美容セット
23日前
個人
湿布連続貼り機。
3か月前
個人
歯の保護用シール
6か月前
個人
陣痛緩和具
4か月前
個人
シャンプー
7か月前
個人
車椅子持ち上げ器
8か月前
三生医薬株式会社
錠剤
8か月前
個人
排尿排便補助器具
16日前
株式会社大野
骨壷
4か月前
個人
エア誘導コルセット
2か月前
個人
服薬支援装置
8か月前
株式会社結心
手袋
8か月前
個人
性行為補助具
3か月前
株式会社八光
剥離吸引管
5か月前
株式会社コーセー
化粧料
1か月前
個人
治療用酸化防御装置
2か月前
続きを見る
他の特許を見る