TOP
|
特許
|
意匠
|
商標
特許ウォッチ
Twitter
他の特許を見る
公開番号
2025172457
公報種別
公開特許公報(A)
公開日
2025-11-26
出願番号
2024077978
出願日
2024-05-13
発明の名称
信号検出回路
出願人
いすゞ自動車株式会社
代理人
弁理士法人鈴榮特許綜合事務所
主分類
G01R
19/165 20060101AFI20251118BHJP(測定;試験)
要約
【課題】ダウンコンバータを用いずに、機器の動作電圧とは異なる電源からの電圧を用いて信号を検出する信号検出回路を提供すること。
【解決手段】実施形態に係る信号検出回路は、リレーを介して電源からの電圧が供給される抵抗と、抵抗に接続され、抵抗に接続され、抵抗により降圧された電圧により、リレーに入力信号が入力された状態を検出可能であるECUと、を備える。
【選択図】 図2
特許請求の範囲
【請求項1】
リレーを介して電源からの電圧が供給される抵抗と、
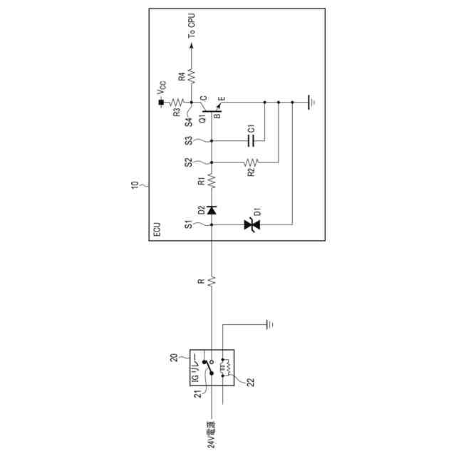
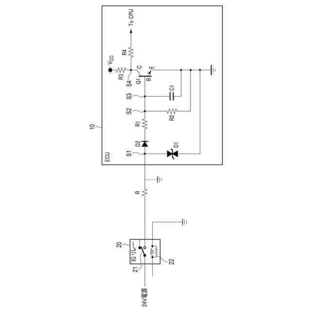
前記抵抗に接続され、前記抵抗により降圧された電圧により、前記リレーに入力信号が入力された状態を検出可能であるECUと、
を備える信号検出回路。
続きを表示(約 650 文字)
【請求項2】
前記ECUは、
第1の抵抗を介して前記抵抗とベースで接続され、エミッタが接地されるトランジスタと、
一端が前記第1の抵抗と前記トランジスタの間の配線に接続され、他端が接地される第2の抵抗と、
一端が前記第1の抵抗と前記トランジスタの間の配線に接続され、他端が接地されるコンデンサと、
一端が前記トランジスタのコレクタに接続され、他端が常時電源に接続される第3の抵抗と、
を備え、前記抵抗は、前記リレーがON状態の際の前記第2の抵抗に掛かる電圧が、前記リレーがOFF状態の際の前記第2の抵抗に掛かる電圧より大きくなるように設定される、
請求項1に記載の信号検出回路。
【請求項3】
前記抵抗は、前記電源の最大作動電圧値および最小作動電圧値の両方において、前記リレーがON状態の際の前記第2の抵抗に掛かる電圧が、前記リレーがOFF状態の際の前記第2の抵抗に掛かる電圧より大きくなるように設定される、
請求項2に記載の信号検出回路。
【請求項4】
前記抵抗は、前記抵抗と前記ECUとの間で断線した場合においても、焼損しない電気容量を有するように設定される、
請求項1に記載の信号検出回路。
【請求項5】
前記抵抗の前記電気容量は、前記電源の最大作動電圧値の2乗を前記抵抗の抵抗値で割った電力値よりも大きくなるように設定される、
請求項4に記載の信号検出回路。
発明の詳細な説明
【技術分野】
【0001】
本発明の実施形態は、信号検出回路に関する。
続きを表示(約 1,300 文字)
【背景技術】
【0002】
一般的に、24V電源を用いる車両で12V機器を動作させる場合、ダウンコンバータを用いて電圧値を24Vから12Vに降圧し、降圧された12Vを用いて12V機器を動作させるのが一般的である(例えば、特許文献1を参照)。
【先行技術文献】
【特許文献】
【0003】
特開2015-159642号公報
【発明の概要】
【発明が解決しようとする課題】
【0004】
しかしながら、車両のモデルチェンジを実施し、新たなECUが追加されるたびにダウンコンバータの設定を変更しなくてはならず、手間であるという問題がある。
【0005】
この発明は、上記事情に着目してなされたもので、その目的とするところは、ダウンコンバータを用いずに、機器の動作電圧とは異なる電源からの電圧を用いて信号を検出することが可能な信号検出回路を提供することにある。
【課題を解決するための手段】
【0006】
一実施形態に係る信号検出回路は、リレーを介して電源からの電圧が供給される抵抗と、前記抵抗に接続され、前記抵抗により降圧された電圧により、前記リレーに入力信号が入力された状態を検出可能であるECUと、を備えるものである。
【発明の効果】
【0007】
上述の信号検出回路によれば、ダウンコンバータを用いずに、機器の動作電圧とは異なる電源からの電圧を用いて信号を検出する信号検出回路を提供することができる。
【図面の簡単な説明】
【0008】
図1は、従来技術の信号検出回路の構成を示した図である。
図2は、一実施形態に係る電力検出回路の一例を示す図である。
図3は、一実施形態に係るイグニッション信号がIGリレーに入力されていない場合の電流の流れを示した図である。
図4は、一実施形態に係るイグニッション信号がIGリレーに入力された場合の電流の流れを示した図である。
図5は、抵抗とECUとの間で断線した場合の一例を示す回路図である。
【発明を実施するための形態】
【0009】
以下、図面を参照しながら信号検出回路ついて詳細に説明する。なお、以下の実施形態では、同一の番号を付した部分については同様の動作を行うものとして、重ねての説明を省略する。例えば、複数の同一または類似の要素が存在する場合に、各要素を区別せずに説明するために共通の符号を用いることがあるし、各要素を区別して説明するために当該共通の符号に加えて枝番号を用いることもある。
【0010】
[実施形態]
最初に、従来技術について説明する。
商用車などの車両は、一般に24V電源を用いている。しかしながら、当該車両は、一般車両で用いる、12Vで動作する機器(以下12V機器と記載する)も使用する。そのため、一般的には、24V電源と12V機器との間にダウンコンバータを配置し、降圧した電圧を12V機器で用いるのが一般的である。
(【0011】以降は省略されています)
この特許をJ-PlatPat(特許庁公式サイト)で参照する
関連特許
いすゞ自動車株式会社
車両用灯具
16日前
いすゞ自動車株式会社
ガス処理装置
1か月前
いすゞ自動車株式会社
ガス処理装置
1か月前
いすゞ自動車株式会社
電源駆動回路
2日前
いすゞ自動車株式会社
信号検出回路
2日前
いすゞ自動車株式会社
排気処理装置
8日前
いすゞ自動車株式会社
姿勢補正装置
21日前
いすゞ自動車株式会社
バッテリ取付構造
16日前
いすゞ自動車株式会社
二酸化炭素回収装置
今日
いすゞ自動車株式会社
二酸化炭素回収装置
今日
いすゞ自動車株式会社
バッテリの支持構造
16日前
いすゞ自動車株式会社
バッテリの支持構造
16日前
いすゞ自動車株式会社
バッテリの支持構造
16日前
いすゞ自動車株式会社
バッテリの組立構造
16日前
いすゞ自動車株式会社
バッテリー交換台車
16日前
いすゞ自動車株式会社
二酸化炭素回収装置
今日
いすゞ自動車株式会社
電動車両の制御システム
16日前
いすゞ自動車株式会社
電動車両の制御システム
16日前
いすゞ自動車株式会社
電動車両の制御システム
16日前
いすゞ自動車株式会社
計測システムおよび車両
今日
いすゞ自動車株式会社
モータのコイルの製造方法
1か月前
いすゞ自動車株式会社
バッテリ取付装置、及び車両
16日前
いすゞ自動車株式会社
バッテリ取付装置、及び車両
16日前
いすゞ自動車株式会社
ピストン、エンジン、及び車両
1か月前
いすゞ自動車株式会社
電動車両のバッテリ交換システム
16日前
いすゞ自動車株式会社
モータのコイルの製造方法、及びモータのコイル
1か月前
いすゞ自動車株式会社
基板取付構造およびフレキシブルプリント回路基板
1か月前
いすゞ自動車株式会社
バッテリコネクタの組付構造、バッテリユニット、および、バッテリユニットの支持構造
16日前
日本精機株式会社
検出装置
23日前
個人
採尿及び採便具
29日前
個人
計量機能付き容器
18日前
個人
アクセサリー型テスター
1か月前
個人
高精度同時多点測定装置
1か月前
甲神電機株式会社
電流検出装置
23日前
株式会社カクマル
境界杭
8日前
株式会社ミツトヨ
測定器
1か月前
続きを見る
他の特許を見る