TOP
|
特許
|
意匠
|
商標
特許ウォッチ
Twitter
他の特許を見る
公開番号
2025172420
公報種別
公開特許公報(A)
公開日
2025-11-26
出願番号
2024077921
出願日
2024-05-13
発明の名称
二酸化炭素回収システム
出願人
株式会社豊田中央研究所
代理人
個人
,
個人
主分類
B01D
53/62 20060101AFI20251118BHJP(物理的または化学的方法または装置一般)
要約
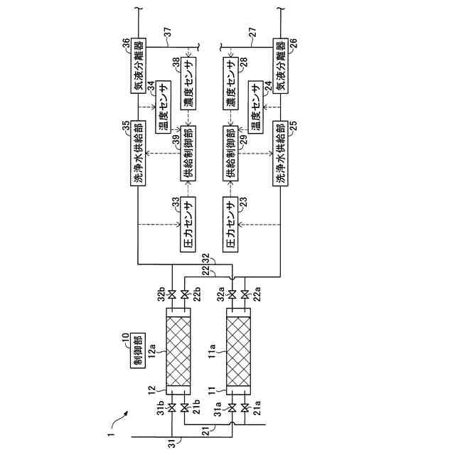
【課題】アミン系化合物を吸着材として用いた二酸化炭素回収システムにおいて、アミン系化合物の付着によって流路における圧力損失が増大するのを抑制することができる技術を提供する。
【解決手段】二酸化炭素を含む排気ガスから二酸化炭素を回収する二酸化炭素回収システムであって、二酸化炭素を吸着可能なアミン系化合物を担持した吸着材が内部に含まれ、当該内部に排気ガスが流入する回収器と、回収器に接続され、回収器から送出されるガスが流れる送出流路と、送出流路におけるアミン系化合物の付着度合いを表した付着指標値を測定する指標値測定部と、送出流路へ洗浄水を供給可能な洗浄水供給部と、洗浄水供給部による洗浄水の供給を制御する供給制御部と、を備え、供給制御部は、付着指標値が閾値よりも大きくなっている場合、送出流路への洗浄水の供給を開始するよう洗浄水供給部を制御する。
【選択図】図1
特許請求の範囲
【請求項1】
二酸化炭素を含む排気ガスから二酸化炭素を回収する二酸化炭素回収システムであって、
二酸化炭素を吸着可能なアミン系化合物を担持した吸着材が内部に含まれ、当該内部に前記排気ガスが流入する回収器と、
前記回収器に接続され、前記回収器から送出されるガスが流れる送出流路と、
前記送出流路における前記アミン系化合物の付着度合いを表した付着指標値を測定する指標値測定部と、
前記送出流路へ洗浄水を供給可能な洗浄水供給部と、
前記洗浄水供給部による前記洗浄水の供給を制御する供給制御部と、を備え、
前記供給制御部は、前記付着指標値が閾値よりも大きくなっている場合、前記送出流路への前記洗浄水の供給を開始するよう前記洗浄水供給部を制御する、二酸化炭素回収システム。
続きを表示(約 390 文字)
【請求項2】
請求項1に記載の二酸化炭素回収システムであって、
前記洗浄水供給部は、前記洗浄水として、水蒸気を前記送出流路に供給可能である、二酸化炭素回収システム。
【請求項3】
請求項1に記載の二酸化炭素回収システムであって、
前記洗浄水供給部は、前記洗浄水として、液体の水を前記送出流路に供給可能である、二酸化炭素回収システム。
【請求項4】
請求項2または請求項3に記載の二酸化炭素回収システムであって、さらに、
前記送出流路のうち前記洗浄水の供給位置よりも下流側に設けられた気液分離器と、
前記気液分離器から分離された液体中の前記アミン系化合物の濃度を測定する濃度測定部と、を備え、
前記供給制御部は、前記濃度の値と濃度閾値との差に応じて前記洗浄水の供給量を制御する、二酸化炭素回収システム。
発明の詳細な説明
【技術分野】
【0001】
本発明は、二酸化炭素回収システムに関する。
続きを表示(約 1,800 文字)
【背景技術】
【0002】
従来から、吸着材を用いて排気ガスから二酸化炭素を吸着したのち当該吸着材から二酸化炭素を脱離することによって二酸化炭素を回収する技術が知られている。例えば、特許文献1には、吸着材と排気ガスとを接触させることにより二酸化炭素を吸着材に吸着させる処理と、二酸化炭素を吸着した吸着材と過熱蒸気とを接触させることにより吸着材から二酸化炭素を離脱させる処理と、が行われる二酸化炭素回収システムが開示されている。
【先行技術文献】
【特許文献】
【0003】
特開2020-69423号公報
【発明の概要】
【発明が解決しようとする課題】
【0004】
二酸化炭素の吸着および脱離に用いる吸着材として、アミン系化合物を用いることがある。一般的に、このような吸着材において、二酸化炭素の脱離は、加熱されることによって促進される。また、吸着材への二酸化炭素の吸着時には、吸着熱が生じる。有機物であるアミン系化合物は二酸化炭素の脱離時の加熱もしくは二酸化炭素の吸着時の吸着熱により揮発したのち吸着材よりも下流側の流路を形成している配管の内壁に付着することがある。そして、このような付着によって流路内の気体が流通可能な範囲が狭まる場合、その流路における圧力損失が増大する。このため、アミン系化合物を吸着材として用いた二酸化炭素回収システムにおいて、アミン系化合物の付着によって流路における圧力損失が増大するのを抑制することができる技術が要望されていた。
【0005】
本発明は、上述の課題の少なくとも一部を解決するためになされたものであり、アミン系化合物を吸着材として用いた二酸化炭素回収システムにおいて、アミン系化合物の付着によって流路における圧力損失が増大するのを抑制することができる技術を提供することを目的とする。
【課題を解決するための手段】
【0006】
本発明は、上述の課題の少なくとも一部を解決するためになされたものであり、以下の形態として実現することが可能である。
【0007】
(1)本発明の一形態によれば、二酸化炭素回収システムが提供される。この二酸化炭素回収システムは、二酸化炭素を含む排気ガスから二酸化炭素を回収する二酸化炭素回収システムであって、二酸化炭素を吸着可能なアミン系化合物を担持した吸着材が内部に含まれ、当該内部に前記排気ガスが流入する回収器と、前記回収器に接続され、前記回収器から送出されるガスが流れる送出流路と、前記送出流路における前記アミン系化合物の付着度合いを表した付着指標値を測定する指標値測定部と、前記送出流路へ洗浄水を供給可能な洗浄水供給部と、前記洗浄水供給部による前記洗浄水の供給を制御する供給制御部と、を備え、前記供給制御部は、前記付着指標値が閾値よりも大きくなっている場合、前記送出流路への前記洗浄水の供給を開始するよう前記洗浄水供給部を制御する。
【0008】
この構成によれば、付着指標値が閾値よりも大きくなっている場合、送出流路に洗浄水が供給される。アミン系化合物は水溶性であるため、送出流路を形成している配管の内壁に付着したアミン系化合物は供給された洗浄水によって送出流路を形成している配管の内壁から除去されることから、アミン系化合物の付着によって送出流路における圧力損失が増大するのを抑制することができる。
【0009】
(2)上記形態の二酸化炭素回収システムにおいて、前記洗浄水供給部は、前記洗浄水として、水蒸気を前記送出流路に供給可能であってもよい。
この構成によれば、洗浄水として水蒸気を用いることから、回収器へ二酸化炭素を吸着させる吸着工程および回収器から二酸化炭素を脱離する脱離工程の各々と同時に、洗浄水の供給を実行することができる。
【0010】
(3)上記形態の二酸化炭素回収システムにおいて、前記洗浄水供給部は、前記洗浄水として、液体の水を前記送出流路に供給可能であってもよい。
この構成によれば、洗浄水として液体の水を用いることから、洗浄水として水蒸気を用いる場合と比べて、送出流路の洗浄に用いられた洗浄水を回収しやすくすることができる。
(【0011】以降は省略されています)
この特許をJ-PlatPat(特許庁公式サイト)で参照する
関連特許
株式会社西部技研
除湿装置
1か月前
株式会社日本触媒
ドロー溶質
1か月前
プライミクス株式会社
攪拌装置
6日前
日本バイリーン株式会社
フィルタ
20日前
サンノプコ株式会社
消泡剤
1か月前
東レ株式会社
遠心ポッティング方法
27日前
トヨタ自動車株式会社
濾過装置
21日前
株式会社切川物産
撹拌装置
7日前
トヨタ紡織株式会社
フィルタ
今日
個人
気液混合装置
1か月前
栗田工業株式会社
ギ酸の回収方法
7日前
松岡紙業 株式会社
油吸着体の製造方法
1か月前
大和ハウス工業株式会社
反応装置
1か月前
トヨタ紡織株式会社
水流帯電装置
今日
富士電機株式会社
ガス処理システム
1か月前
東芝ライテック株式会社
光照射装置
21日前
株式会社フクハラ
圧縮空気圧回路ユニット
1か月前
株式会社明電舎
成膜装置
1か月前
東芝ライテック株式会社
紫外線処理装置
6日前
日本化薬株式会社
直鎖ブテン製造用触媒及びその使用
27日前
本田技研工業株式会社
二酸化炭素回収装置
1か月前
ノリタケ株式会社
触媒材料およびその利用
1か月前
本田技研工業株式会社
二酸化炭素回収装置
1か月前
ノリタケ株式会社
触媒材料およびその利用
1か月前
本田技研工業株式会社
二酸化炭素回収装置
1か月前
本田技研工業株式会社
二酸化炭素回収装置
1か月前
本田技研工業株式会社
二酸化炭素回収装置
1か月前
ノリタケ株式会社
触媒材料およびその利用
1か月前
個人
フッ化炭素糸物にフッ素をコーティングした浄水手段
1か月前
株式会社プロテリアル
触媒複合物および触媒前駆体複合物
1か月前
いであ株式会社
PFAS除去用バイオ炭の製造方法
22日前
東京応化工業株式会社
ろ過処理方法、及び多孔質膜
1か月前
三浦工業株式会社
撹拌装置
1か月前
JFEエンジニアリング株式会社
二酸化炭素回収方法
1か月前
日本碍子株式会社
電気加熱式担体
1か月前
栗田工業株式会社
有機物含有水の脱泡処理装置
14日前
続きを見る
他の特許を見る