TOP
|
特許
|
意匠
|
商標
特許ウォッチ
Twitter
他の特許を見る
公開番号
2025169794
公報種別
公開特許公報(A)
公開日
2025-11-14
出願番号
2024074917
出願日
2024-05-02
発明の名称
溶接継手
出願人
日本製鉄株式会社
代理人
弁理士法人太陽国際特許事務所
主分類
C22C
38/00 20060101AFI20251107BHJP(冶金;鉄または非鉄合金;合金の処理または非鉄金属の処理)
要約
【課題】高温割れが抑制された溶接継手の提供。
【解決手段】複数の鋼材と、鋼材同士を接合する溶接金属と、を有し、溶接金属は、下記式1で表されるビード指標HIが75以上であり、且つfcc分率が70%以上である、溶接継手。なお、式1において、BWは最終ビードの幅(mm)を、BTは最終ビードの厚さ(mm)を、Sは最終ビードの断面積(mm
2
)を、それぞれ表す。式1:HI=5×BW+0.5×BT+0.2×S
【選択図】なし
特許請求の範囲
【請求項1】
複数の鋼材と、前記鋼材同士を接合する溶接金属と、を有し、
前記溶接金属は、下記式1で表されるビード指標HIが75以上であり、且つfcc分率が70%以上である、溶接継手。
式1:HI=5×BW+0.5×BT+0.2×S
(前記式1において、BWは最終ビードの幅(mm)を、BTは最終ビードの厚さ(mm)を、Sは最終ビードの断面積(mm
2
)を、それぞれ表す。)
続きを表示(約 610 文字)
【請求項2】
前記溶接金属の化学成分は、前記溶接金属の全質量に対する質量%で、
C :0.05~0.80%、
Si:0.03~0.50%、
Mn:0~30.0%、
P :0~0.050%、
S :0~0.050%、
Cu:0~5.0%、
Ni:0~30.0%、
Cr:0~20.0%、
Mo:0~10.0%、
Nb:0~5.00%、
V :0~5.00%、
Ta:0~5.00%
Hf:0~5.00%
Ti:0~5.00%、
Zr:0~5.00%、
Co:0~1.00%、
Pb:0~1.00%、
Sn:0~1.00%、
W :0~20.00%、
Mg:0~0.1%、
Al:0~0.400%、
Ca:0~5.0%、
B :0~0.5000%、
REM:0~0.500%、
N :0~0.5000%、及び
O :0.0010~0.1500%を含有し、
残部がFe及び不純物からなり、
前記Mnの含有量と前記Niの含有量との合計(Mn+Ni)が5.0%以上であり、
前記Mnの含有量と前記Niの含有量との質量比(Ni/Mn)が0.10以上である、請求項1に記載の溶接継手。
発明の詳細な説明
【技術分野】
【0001】
本開示は、溶接継手に関する。
続きを表示(約 2,200 文字)
【背景技術】
【0002】
近年、低温靭性に優れた溶接金属が得られる溶接材料として、例えばオーステナイト系溶接材料が用いられている。例えば、水素燃料、天然ガスなどを貯蔵する液体水素タンク、液体炭酸ガスタンク及びLNGタンク等の建造物には、極低温度(例えば-196℃)での靭性確保の要求から、6~9%のNiを含むNi系低温用鋼が使用されている。そして、これらNi系低温用鋼の溶接には、優れた低温靭性の溶接金属が得られるオーステナイト系の溶接材料が用いられている。
【0003】
ここで、例えば特許文献1には、ステンレス鋼からなる芯線の表面を、表面硬度がHv硬度300~500かつ厚さが0.2~4μmのニッケルめっきで覆い、また該被覆線の自由拡がり径を350~800mmの範囲としたガス被包アーク溶接用のステンレス鋼ワイヤが開示されている。
【先行技術文献】
【特許文献】
【0004】
特開2002-18587号公報
【発明の概要】
【発明が解決しようとする課題】
【0005】
前述の通り、従来から低温靭性に優れた溶接金属が得られる溶接材料として、例えばfcc分率が70%以上であるオーステナイト系溶接材料が用いられている。ただし、オーステナイト系溶接材料は高温割れを生じやすいという特性を有する。そのため、高温割れの発生が抑制された溶接継手が望まれている。
【0006】
以上の観点から、本開示に係る溶接継手は、高温割れの発生が抑制された溶接継手を提供することを課題とする。
【課題を解決するための手段】
【0007】
課題を解決するための手段は、次の態様を含む。
<1>
複数の鋼材と、前記鋼材同士を接合する溶接金属と、を有し、
前記溶接金属は、下記式1で表されるビード指標HIが75以上であり、且つfcc分率が70%以上である、溶接継手。
式1:HI=5×BW+0.5×BT+0.2×S
(前記式1において、BWは最終ビードの幅(mm)を、BTは最終ビードの厚さ(mm)を、Sは最終ビードの断面積(mm
2
)を、それぞれ表す。)
<2>
前記溶接金属の化学成分は、前記溶接金属の全質量に対する質量%で、
C :0.05~0.80%、
Si:0.03~0.50%、
Mn:0~30.0%、
P :0~0.050%、
S :0~0.050%、
Cu:0~5.0%、
Ni:0~30.0%、
Cr:0~20.0%、
Mo:0~10.0%、
Nb:0~5.00%、
V :0~5.00%、
Ta:0~5.00%
Hf:0~5.00%
Ti:0~5.00%、
Zr:0~5.00%、
Co:0~1.00%、
Pb:0~1.00%、
Sn:0~1.00%、
W :0~20.00%、
Mg:0~0.1%、
Al:0~0.400%、
Ca:0~5.0%、
B :0~0.5000%、
REM:0~0.500%、
N :0~0.5000%、及び
O :0.0010~0.1500%を含有し、
残部がFe及び不純物からなり、
前記Mnの含有量と前記Niの含有量との合計(Mn+Ni)が5.0%以上であり、
前記Mnの含有量と前記Niの含有量との質量比(Ni/Mn)が0.10以上である、<1>に記載の溶接継手。
【発明の効果】
【0008】
本開示によれば、高温割れの発生が抑制された溶接継手が提供される。
【図面の簡単な説明】
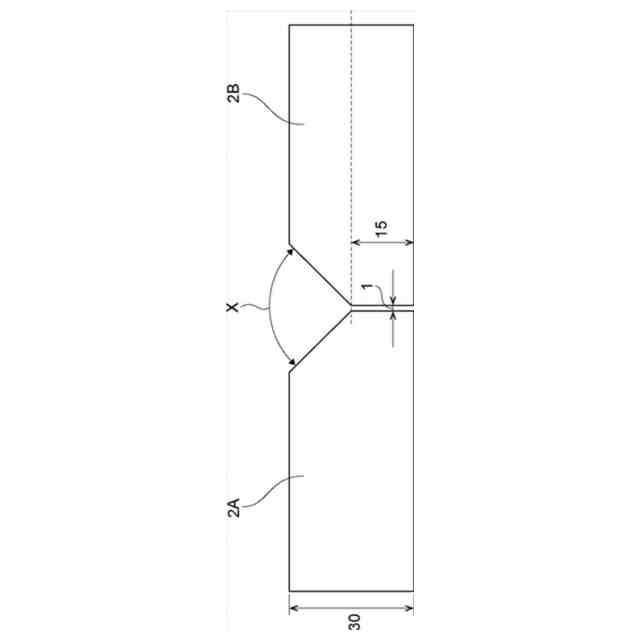
【0009】
実施例において用いた、開先を有する母材を示す概略断面図である。
【発明を実施するための形態】
【0010】
本開示の一例である実施形態について説明する。
なお、本明細書中において、「~」を用いて表される数値範囲は、「~」の前後に記載される数値に「超」及び「未満」が付されていない場合は、これらの数値を下限値及び上限値として含む範囲を意味する。また、「~」の前後に記載される数値に「超」又は「未満」が付されている場合の数値範囲は、これらの数値を下限値又は上限値として含まない範囲を意味する。
本明細書中に段階的に記載されている数値範囲において、ある段階的な数値範囲の上限値は、他の段階的な記載の数値範囲の上限値に置き換えてもよく、また、実施例に示されている値に置き換えてもよい。また、ある段階的な数値範囲の下限値は、他の段階的な記載の数値範囲の下限値に置き換えてもよく、また、実施例に示されている値に置き換えてもよい。
また、含有量について、「%」は「質量%」を意味する。
含有量(%)として「0~」は、その成分は任意成分であり、含有しなくてもよいことを意味する。
(【0011】以降は省略されています)
この特許をJ-PlatPat(特許庁公式サイト)で参照する
関連特許
日本製鉄株式会社
線材
1か月前
日本製鉄株式会社
棒鋼
18日前
日本製鉄株式会社
棒鋼
18日前
日本製鉄株式会社
鋳片
10日前
日本製鉄株式会社
鋼部品
18日前
日本製鉄株式会社
耐力壁
3日前
日本製鉄株式会社
溶接継手
1か月前
日本製鉄株式会社
溶接継手
24日前
日本製鉄株式会社
歯車装置
4日前
日本製鉄株式会社
表面処理鋼材
10日前
日本製鉄株式会社
溶鉄の製造方法
1か月前
日本製鉄株式会社
機械構造用部品
19日前
日本製鉄株式会社
原油油槽用鋼材
1か月前
日本製鉄株式会社
溶鉄の製造方法
1か月前
日本製鉄株式会社
焼結鉱の製造方法
1か月前
日本製鉄株式会社
鋼の連続鋳造方法
18日前
日本製鉄株式会社
焼結鉱の製造方法
1か月前
日本製鉄株式会社
鉄鉱石の選別方法
1か月前
日本製鉄株式会社
鉄道車両用の車軸
1か月前
日本製鉄株式会社
LF装置の操業方法
1か月前
日本製鉄株式会社
コイル巻き解き方法
11日前
日本製鉄株式会社
鉄道車両用の台車枠
1か月前
日本製鉄株式会社
車両用フロントピラー
1か月前
日本製鉄株式会社
仮設橋による施工方法
18日前
日本製鉄株式会社
腐食モニタリング装置
1か月前
日本製鉄株式会社
車両用センターピラー
1か月前
日本製鉄株式会社
分析装置および分析方法
1か月前
日本製鉄株式会社
電気炉における精錬方法
10日前
日本製鉄株式会社
鋼板およびその製造方法
3日前
日本製鉄株式会社
鋼板およびその製造方法
3日前
日本製鉄株式会社
内張補助装置及び施工方法
18日前
日本製鉄株式会社
Cu含有鋼の連続鋳造方法
12日前
日本製鉄株式会社
塊状耐火物の品質評価方法
12日前
日本製鉄株式会社
コークスの粉化量予測方法
1か月前
日本製鉄株式会社
成形体の曲げ性の評価方法
1か月前
日本製鉄株式会社
分離システム及び分離方法
1か月前
続きを見る
他の特許を見る