TOP
|
特許
|
意匠
|
商標
特許ウォッチ
Twitter
他の特許を見る
10個以上の画像は省略されています。
公開番号
2025169148
公報種別
公開特許公報(A)
公開日
2025-11-12
出願番号
2025004336
出願日
2025-01-10
発明の名称
光電変換装置及び機器
出願人
キヤノン株式会社
代理人
弁理士法人大塚国際特許事務所
主分類
H04N
25/772 20230101AFI20251105BHJP(電気通信技術)
要約
【課題】画素信号の読み出しの高速化に対応しつつ、配線数の増加を抑制するのに有利な技術を提供すること。
【解決手段】光電変換装置は、少なくとも2つの画素と、前記少なくとも2つの画素からの画素信号と閾値とを比較する第一動作を各々が行う少なくとも2つの比較回路と、前記第一動作の結果を保持する少なくとも2つの保持回路と、少なくとも2つの設定部とを備える処理回路と、を備える。前記少なくとも2つの保持回路の各々は、前記少なくとも2つの比較回路のうちの対応する比較回路の前記第一動作の結果を保持し、前記第一動作の結果は、前記少なくとも2つの保持回路から共通の信号線を介して前記少なくとも2つの設定部のうちの対応する設定部へ転送され、前記少なくとも2つの設定部の各々は、前記第一動作の結果に従って前記処理回路の動作状態を設定する。
【選択図】図1
特許請求の範囲
【請求項1】
少なくとも2つの画素と、
前記少なくとも2つの画素からの画素信号と閾値とを比較する第一動作を各々が行う少なくとも2つの比較回路と、前記第一動作の結果を保持する少なくとも2つの保持回路と、少なくとも2つの設定部とを備える処理回路と、を備え、
前記少なくとも2つの保持回路の各々は、前記少なくとも2つの比較回路のうちの対応する比較回路の前記第一動作の結果を保持し、
前記第一動作の結果は、前記少なくとも2つの保持回路から共通の信号線を介して前記少なくとも2つの設定部のうちの対応する設定部へ転送され、
前記少なくとも2つの設定部の各々は、前記第一動作の結果に従って前記処理回路の動作状態を設定する、
ことを特徴とする光電変換装置。
続きを表示(約 930 文字)
【請求項2】
前記動作状態の設定は、時間の経過に伴って電圧が互いに異なる変化率で変化する複数の参照信号の中から選択された参照信号を設定することを含み、
前記少なくとも2つの比較回路は、前記画素信号と前記選択された参照信号とを比較する第二動作を行う、
ことを特徴とする請求項1に記載の光電変換装置。
【請求項3】
前記少なくとも2つの画素は、複数の画素が行列状に配置された画素アレイにおいて異なる行に配置されていることを特徴とする請求項1に記載の光電変換装置。
【請求項4】
前記異なる行の数は2、4、又は8であることを特徴とする請求項2に記載の光電変換装置。
【請求項5】
前記少なくとも2つの保持回路に保持された前記第一動作の結果は前記信号線へ順番に転送されることを特徴とする請求項1に記載の光電変換装置。
【請求項6】
カウンタと、前記カウンタのカウント値を保持するメモリと、をさらに有し、
前記第二動作において、前記選択された参照信号が前記画素信号の大きさを上回るか下回るときまでの期間にカウントされたカウント値を前記メモリへ記憶させることを特徴とする請求項2に記載の光電変換装置。
【請求項7】
出力部をさらに備え、前記第一動作の結果は前記信号線を介して前記出力部へ供給されることを特徴とする請求項1に記載の光電変換装置。
【請求項8】
前記処理回路は前記画素信号を設定された増幅率で増幅する増幅器をさらに備え、
前記動作状態の設定は、前記増幅率を設定することを含むことを特徴とする請求項1に記載の光電変換装置。
【請求項9】
前記少なくとも2つの比較回路は、前記画素信号と時間の経過に伴って電圧が変化する参照信号とを比較する第二動作を行うことを特徴とする請求項8に記載の光電変換装置。
【請求項10】
前記少なくとも2つの画素は、複数の画素が行列状に配置された画素アレイにおいて異なる行に配置されていることを特徴とする請求項8に記載の光電変換装置。
(【請求項11】以降は省略されています)
発明の詳細な説明
【技術分野】
【0001】
本発明は、光電変換装置及び光電変換装置を用いた機器に関する。
続きを表示(約 1,600 文字)
【背景技術】
【0002】
行列状に配置された画素の列ごとにアナログデジタル(AD)変換器を配置して、ランプ信号を用いてAD変換する技術がある。特許文献1には、時間に対する電圧の変化が互いに異なる2つのランプ信号を用いてAD変換する撮像装置が開示されている。
【先行技術文献】
【特許文献】
【0003】
特開2013-251677
【発明の概要】
【発明が解決しようとする課題】
【0004】
AD変換を高速化するなどのために複数の画素から信号を同時に読み出してAD変換するときに、2つのランプ信号を用いると配線数のさらなる増加を招く可能性があった。本発明は、画素信号の読み出しの高速化に対応しつつ、配線数の増加を抑制するのに有利な技術を提供することを目的とする。
【課題を解決するための手段】
【0005】
本発明の一態様は、少なくとも2つの画素と、前記少なくとも2つの画素からの画素信号と閾値とを比較する第一動作を各々が行う少なくとも2つの比較回路と、前記第一動作の結果を保持する少なくとも2つの保持回路と、少なくとも2つの設定部とを備える処理回路と、を備え、前記少なくとも2つの保持回路の各々は、前記少なくとも2つの比較回路のうちの対応する比較回路の前記第一動作の結果を保持し、前記第一動作の結果は、前記少なくとも2つの保持回路から共通の信号線を介して前記少なくとも2つの設定部のうちの対応する設定部へ転送され、前記少なくとも2つの設定部の各々は、前記第一動作の結果に従って前記処理回路の動作状態を設定することを特徴とする。
【発明の効果】
【0006】
本発明によれば、画素信号の読み出しの高速化に対応しつつ、配線数の増加を抑制するのに有利な技術を提供することができる。
【図面の簡単な説明】
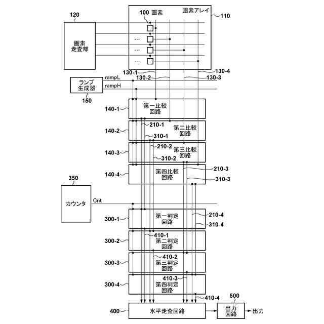
【0007】
実施例1に係る光電変換装置の模式図。
2つのランプ信号を用いたAD変換器の比較例。
AD変換を説明する図。
AD変換を説明する図。
実施例1に係るAD変換を説明する図。
光電変換装置の比較例。
実施例2に係る光電変換装置の模式図。
実施例3に係る光電変換装置の模式図。
実施例3に係るAD変換を説明する図。
実施例に係る光電変換装置を機器に適用した例。
【発明を実施するための形態】
【0008】
以下、添付図面を参照して実施形態を詳しく説明する。なお、以下の実施形態は特許請求の範囲に係る発明を限定するものではない。実施形態には複数の特徴が記載されているが、これらの複数の特徴の全てが発明に必須のものとは限らず、また、複数の特徴は任意に組み合わせられてもよい。さらに、添付図面においては、同一若しくは同様の構成に同一の参照番号を付し、重複した説明は省略する。
【0009】
以下に述べる各実施形態では、光電変換装置の一例として、撮像装置を中心に説明する。ただし、各実施形態は、撮像装置に限られるものではなく、光電変換装置の他の例にも適用可能である。例えば、測距装置(焦点検出やTOF(Time Of Flight)を用いた距離測定等の装置)、測光装置(入射光量の測定等の装置)などがある。
【0010】
また、以下の実施形態では、回路の素子同士の接続を述べることがある。この場合、注目する素子同士の間に別の素子が介在する場合であっても、特に断りのない限り、注目する素子同士は接続されているとして扱う。例えば、複数のノードを持つ容量素子Cの一方のノードに素子Aが接続され、他方のノードに素子Bが接続されているとする。このような場合であっても、素子A、素子Bは、特に断りのない限り、接続されているものとして扱う。
(【0011】以降は省略されています)
この特許をJ-PlatPat(特許庁公式サイト)で参照する
関連特許
キヤノン株式会社
容器
20日前
キヤノン株式会社
容器
26日前
キヤノン株式会社
トナー
12日前
キヤノン株式会社
トナー
29日前
キヤノン株式会社
トナー
1か月前
キヤノン株式会社
トナー
1か月前
キヤノン株式会社
トナー
1か月前
キヤノン株式会社
トナー
1か月前
キヤノン株式会社
撮像装置
1か月前
キヤノン株式会社
定着装置
5日前
キヤノン株式会社
記録装置
5日前
キヤノン株式会社
記録装置
12日前
キヤノン株式会社
記録装置
12日前
キヤノン株式会社
撮像装置
26日前
キヤノン株式会社
撮像装置
26日前
キヤノン株式会社
撮像装置
26日前
キヤノン株式会社
現像装置
1か月前
キヤノン株式会社
測距装置
1か月前
キヤノン株式会社
定着装置
5日前
キヤノン株式会社
電子機器
12日前
キヤノン株式会社
撮像装置
1か月前
キヤノン株式会社
定着装置
1か月前
キヤノン株式会社
現像装置
1か月前
キヤノン株式会社
雲台装置
12日前
キヤノン株式会社
現像容器
1か月前
キヤノン株式会社
現像装置
1か月前
キヤノン株式会社
撮像装置
12日前
キヤノン株式会社
現像容器
1か月前
キヤノン株式会社
撮像装置
7日前
キヤノン株式会社
記録装置
1か月前
キヤノン株式会社
撮影装置
1か月前
キヤノン株式会社
記録装置
26日前
キヤノン株式会社
電子機器
12日前
キヤノン株式会社
撮像装置
13日前
キヤノン株式会社
記録装置
1か月前
キヤノン株式会社
撮像装置
20日前
続きを見る
他の特許を見る